A Scalable Device for Undisturbed Measurement of Water and CO2 Fluxes through Natural Surfaces
Abstract
1. Introduction
1.1. Flux
1.2. WV Flux
1.3. Combined Flux Estimates
1.4. Sensors and IoT
1.5. Aims and Plan
2. Design of the ETR
- The system should measure and concentrations in a number of points with a variable distance, ranging from a few centimetres to several metres;
- Be simple to set inside and outdoor, both on ground and on poles;
- Easy to see real-time data, time records and retrieve data;
- Durable, requiring low maintenance;
- Autonomously powered;
- Low-cost;
- With negligible environmental pollution (including radio-frequencies).
- A photovoltaic panel (8 × 12 cm, 6 V)
- A battery charging system for Li-Ion batteries;
- One Li-Ion battery (3.6 V), which constantly feeds only the RTC circuit (very-low power consuming), with the role to switch the power to the rest of the electronics;
- A switching circuit powering the remainder of the system, including the following:
- A controller;
- A sensor set;
- A WiFi interface.

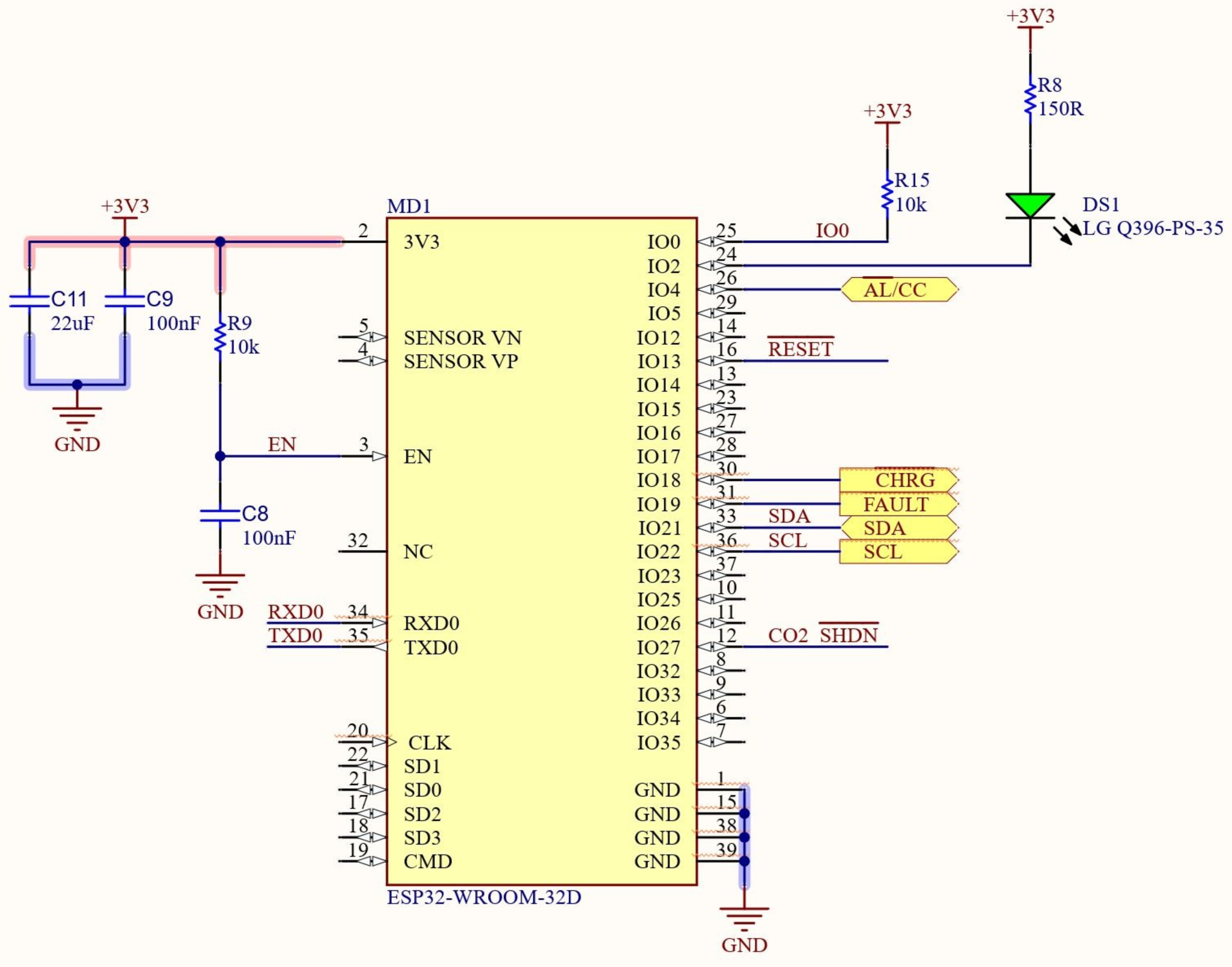
2.1. The Controller
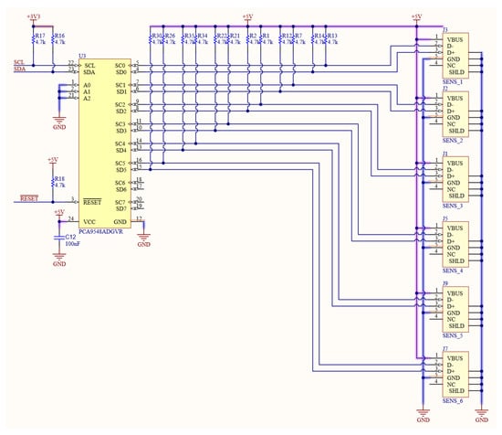
2.2. The Sensor
2.3. The Assembly
2.4. The Logic
2.5. Data Flow
3. Performances
3.1. A Calibration Chamber
3.2. Open-Air Trials
4. Discussion
5. Conclusions
- The ETR can be used both indoors (by direct supply or regular recharge) and outdoors, where the PV cell is sufficient to keep the battery charged for a long time with an optimised duty cycle measurement; further, the system modularity allows it to be supplied by newer energy harvesting systems.
- The system can be used to arrange sensors ina variety of configurations allowing users to obtain information on flows or from a series of chambers as they are all wired to the main PCB, displaying as a limitation the distance to the I2C platform.
- The system proved to be a basis for further developments, as it can easily host more sensors, including radiation (light) sensors, for evaluating photosynthetic activities, or anemometers to estimate eddy-diffusivity-based gas flows.
- The IoT solution allows for embedding in cloud-computing the more intensive computing features, including Machine Learning.
- The importance of a good design is relevant for reliable exploitation of the controller and of the connected devices, especially in a low-power device development context;
- The embedded firmware is not easily portable to other controllers, as the selection of libraries and code features fitting ;
- The reliability of a cloud computing system, including every service and app for data ingestion, storage and accessibility;
- The choice of sensors and of a correct experimental design;
- Unreliable external network infrastructure (e.g., WLAN)—the present device may suffer a high number of attempts to reconnect to the WLAN due to repeated failures, which could reduce the duration of the battery;
- Calibration of sensors for long-term, open-air observations is the most important point to be issued in the next development before considering the engineering of the device to increase the reliability of the surface flow estimate.
Author Contributions
Funding
Institutional Review Board Statement
Informed Consent Statement
Data Availability Statement
Conflicts of Interest
References
- UNFCCC. Kyoto Protocol to the United Nations Framework Convention on Climate Change; United Nations: New York, NY, USA, 2007. [Google Scholar]
- Baldocchi, D. Measuring fluxes of trace gases and energy between ecosystems and the atmosphere—The state and future of the eddy covariance method. Glob. Chang. Biol. 2014, 20, 3600–3609. [Google Scholar] [CrossRef]
- Enoch, H.; Dasberg, S. The Occurrence of High CO2 Concentrations in Soil Air. Geoderma 2013, 6, 3–5. [Google Scholar] [CrossRef]
- Hashimoto, S.; Komatsu, H. Relationships between soil CO2 concentration and CO2 production, temperature, water content, and gas diffusivity: Implications for field studies through sensitivity analyses. J. For. Res. 2006, 11, 41–50. [Google Scholar] [CrossRef]
- Pumpanen, J.; Kolari, P.; Ilvesniemi, H.; Minkkinen, K.; Vesala, T.; Niinistö, S.; Lohila, A.; Larmola, T.; Morero, M.; Pihlatie, M.; et al. Comparison of different chamber techniques for measuring soil CO2 efflux. Agric. For. Meteorol. 2004, 123, 159–176. [Google Scholar] [CrossRef]
- Luo, C.; Wang, Z.; Sauer, T.J.; Helmers, M.J.; Horton, R. Portable canopy chamber measurements of evapotranspiration in corn, soybean, and reconstructed prairie. Agric. Water Manag. 2018, 198, 1–9. [Google Scholar] [CrossRef]
- Suh, S.U.; Chun, Y.M.; Chae, N.Y.; Kim, J.; Lim, J.H.; Yokozawa, M.; Lee, M.S.; Lee, J.S. A chamber system with automatic opening and closing for continuously measuring soil respiration based on an open-flow dynamic method. Ecol. Res. 2006, 21, 405–414. [Google Scholar] [CrossRef]
- Wagner, S.; Reicosky, D. Closed-Chamber Effects on Leaf Temperature, Canopy Photosynthesis, and Evapotranspiration. Agron. J. 1992, 84, 731–738. [Google Scholar] [CrossRef]
- Davidson, E.A.; Savage, K.; Verchot, L.V.; Navarro, R. Minimizing artifacts and biases in chamber-based measurements of soil respiration. Agric. For. Meteorol. 2002, 113, 21–37. [Google Scholar] [CrossRef]
- Oh, N.H.; Kim, H.S.; Richter, D.D. What regulates soil CO2 concentrations? A modeling approach to CO2 diffusion in deep soil profiles. Environ. Eng. Sci. 2005, 22, 38–45. [Google Scholar] [CrossRef]
- Liu, G.; Si, B.C. Multi-layer diffusion model and error analysis applied to chamber-based gas fluxes measurements. Agric. For. Meteorol. 2009, 149, 169–178. [Google Scholar] [CrossRef]
- Campbell, G.S.; Norman, J.M. An Introduction to Environmental Biophysics; Springer: New York, NY, USA, 1998. [Google Scholar] [CrossRef]
- Barba, J.; Cueva, A.; Bahn, M.; Barron-Gafford, G.A.; Bond-Lamberty, B.; Hanson, P.J.; Jaimes, A.; Kulmala, L.; Pumpanen, J.; Scott, R.L.; et al. Comparing ecosystem and soil respiration: Review and key challenges of tower-based and soil measurements. Agric. For. Meteorol. 2018, 249, 434–443. [Google Scholar] [CrossRef]
- Steduto, P.; Hsiao, T.C.; Raes, D.; Fereres, E. AquaCrop—The FAO crop model to simulate yield response to Water: I. Concepts Underlying Princ. 2009, 101, 426. [Google Scholar]
- Uliarte, E.M.; Schultz, H.R.; Frings, C.; Pfister, M.; Parera, C.A.; del Monte, R.F. Seasonal dynamics of CO2 balance and water consumption of C3 and C4-type cover crops compared to bare soil in a suitability study for their use in vineyards in Germany and Argentina. Agric. For. Meteorol. 2013, 181, 1–16. [Google Scholar] [CrossRef]
- Poni, S.; Merli, M.C.; Magnanini, E.; Galbignani, M.; Bernizzoni, F.; Vercesi, A.; Gatti, M. An improved multichamber gas exchange system for determining whole-canopy water-use efficiency in grapevine. Am. J. Enol. Vitic. 2014, 65, 268–276. [Google Scholar] [CrossRef]
- Molina, A.; Escobar-Barrios, V.; Oliva, J. A review on hybrid and flexible CO2 gas sensors. Synth. Met. 2020, 270, 116602. [Google Scholar] [CrossRef]
- Sunny, A.I.; Zhao, A.; Li, L.; Sakiliba, S.K. Low-Cost IoT-Based Sensor System: A Case Study on Harsh Environmental Monitoring. Sensors 2020, 21, 214. [Google Scholar] [CrossRef]
- Kwon, J.; Ahn, G.; Kim, G.; Kim, J.C.; Kim, H. A study on NDIR-based CO2 sensor to apply remote air quality monitoring system. In Proceedings of the ICCAS-SICE 2009—ICROS-SICE International Joint Conference, Fukuoka City, Japan, 18–21 August 2009; pp. 1683–1687. [Google Scholar]
- Liberata Ullo, S.; Sinha, G.R. Advances in Smart Environment Monitoring Systems Using IoT and Sensors. Sensors 2020, 20, 3113. [Google Scholar] [CrossRef] [PubMed]
- Maitra, S.; Abdelgawad, A.; Yelamarthi, K. Lab in a Box: A Rapidly Deployable Environmental Monitoring IoT System. In Proceedings of the Midwest Symposium on Circuits and Systems, Dallas, TX, USA, 4–7 August 2019; pp. 472–475. [Google Scholar] [CrossRef]
- Vitali, G.; Francia, M.; Golfarelli, M.; Canavari, M. Crop Management with the IoT: An Interdisciplinary Survey. Agronomy 2021, 11, 181. [Google Scholar] [CrossRef]
- Rossi, M.; Brunelli, D. Ultra low power Wireless Gas Sensor Network for environmental monitoring applications. In Proceedings of the 2012 IEEE Workshop on Environmental, Energy, and Structural Monitoring Systems, EESMS 2012, Perugia, Italy, 28 September 2012; pp. 75–81. [Google Scholar] [CrossRef]
- Espressif. ESP32 WROOM 32 Datasheet Ver.1.6; Espressif Inc.: Shanghai, China, 2023. [Google Scholar]
- Sensirion. Datasheet Sensirion SCD30 Sensor Module— CO2 Humidity, and Temperature Sensor; Sensirion: Staefa, Switzerland, 2018. [Google Scholar]
- Sensirion. Datasheet SHT3x -Humidity and Temperature Sensor IC. Available online: https://sensirion.com/resource/datasheet/sht3x-d (accessed on 1 January 2023).
- Arduino. Arduino. Available online: https://www.arduino.cc/ (accessed on 1 January 2023).
- Adafruit. Wire, ATtiny I2C Library, Ver.1.1.1. Available online: https://github.com/adafruit/TinyWireM (accessed on 1 January 2023).
- Macro Yyau. LTC2941 and LTC2942 Library, Ver.1.2.2. Available online: https://github.com/MacroYau/LTC2942-Arduino-Library (accessed on 1 January 2023).
- Arduino. WiFi Library, Ver 1.2.7. Available online: https://www.arduino.cc/reference/en/libraries/wifi (accessed on 1 January 2023).
- Weinberg, F. NTPCliant, Ver.3.2.0. Available online: https://github.com/arduino-libraries/NTPClientl (accessed on 1 January 2023).
- Light, R. PubSubClinet—MQTT Library, Ver.3.8.0. Available online: https://github.com/knolleary/pubsubclient (accessed on 1 January 2023).
- Sensirion. SCD30 Library, Ver.1.0.7. Available online: https://github.com/adafruit/Adafruit_SCD30 (accessed on 1 January 2023).
- Light, R.A. Mosquitto: Server and client implementation of the MQTT protocol. J. Open Source Softw. 2017, 2, 265. [Google Scholar] [CrossRef]
- Fiware. FIWARE—A Curated Framework of Open Source Platform Components to Accelerate the Development of Smart Solutions. Available online: https://www.fiware.org/ (accessed on 1 January 2023).
- Nomura, K.; Yamasaki, Y.; Takada, A.; Sago, Y.; Yasutake, D.; Kitano, M. A new method of evaluating gas fluxes in a closed chamber system with theoretical consideration for dynamic characteristics of a concentration sensor. Environ. Control. Biol. 2019, 57, 53–59. [Google Scholar] [CrossRef]
- Müller, J.; Eschenröder, A.; Diepenbrock, W. Through-flow chamber CO2/H2O canopy gas exchange system-Construction, microclimate, errors, and measurements in a barley (Hordeum vulgare L.) field. Agric. For. Meteorol. 2009, 149, 214–229. [Google Scholar] [CrossRef]
- Stannard, D.I.; Weltz, M.A. Partitioning evapotranspiration in sparsely vegetated rangeland using a portable chamber. Water Resour. Res. 2006, 42, 1–13. [Google Scholar] [CrossRef]
- Ladrón De Guevara, M.; Lázaro, R.; Quero, J.L.; Chamizo, S.; Domingo, F. Easy-to-make portable chamber for in situ CO2 exchange measurements on biological soil crusts. Photosynthetica 2015, 53, 72–84. [Google Scholar] [CrossRef]









Disclaimer/Publisher’s Note: The statements, opinions and data contained in all publications are solely those of the individual author(s) and contributor(s) and not of MDPI and/or the editor(s). MDPI and/or the editor(s) disclaim responsibility for any injury to people or property resulting from any ideas, methods, instructions or products referred to in the content. |
© 2023 by the authors. Licensee MDPI, Basel, Switzerland. This article is an open access article distributed under the terms and conditions of the Creative Commons Attribution (CC BY) license (https://creativecommons.org/licenses/by/4.0/).
Share and Cite
Vitali, G.; Arru, M.; Magnanini, E. A Scalable Device for Undisturbed Measurement of Water and CO2 Fluxes through Natural Surfaces. Sensors 2023, 23, 2647. https://doi.org/10.3390/s23052647
Vitali G, Arru M, Magnanini E. A Scalable Device for Undisturbed Measurement of Water and CO2 Fluxes through Natural Surfaces. Sensors. 2023; 23(5):2647. https://doi.org/10.3390/s23052647
Chicago/Turabian StyleVitali, Giuliano, Marco Arru, and Eugenio Magnanini. 2023. "A Scalable Device for Undisturbed Measurement of Water and CO2 Fluxes through Natural Surfaces" Sensors 23, no. 5: 2647. https://doi.org/10.3390/s23052647
APA StyleVitali, G., Arru, M., & Magnanini, E. (2023). A Scalable Device for Undisturbed Measurement of Water and CO2 Fluxes through Natural Surfaces. Sensors, 23(5), 2647. https://doi.org/10.3390/s23052647

