Voltage RMS Estimation during a Fraction of the AC Period
Abstract
:1. Introduction
- A deep analysis of the RMS magnitude assessment by the standard formulation and by peak voltage value was provided analytically and experimentally.
- Development of the original math approach for the decomposition of a function of an instantaneous voltage magnitude by harmonic series based on the solution of the system of linear algebraic equations.
- The development of a combined fast RMS determination approach that ensures the estimation during a restricted measuring time significantly less than half of the AC period and that is based on the application of a special coefficient obtained analytically as a function of the measuring time.
- The assessment of all represented methods for RMS estimation experimentally.
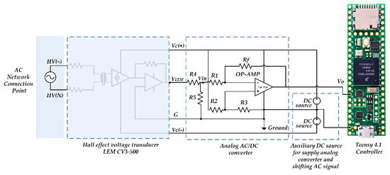
2. Methods of the Fast RMS Estimation
- Measurement by voltage amplitude—maximum value in the AC period.
- Estimation due to strict math RMS determination through the entire AC period.
- Assessment through only a fraction of the AC period with a correcting coefficient.
- Fitting measured points with trigonometric functions representing voltage harmonics.
2.1. Measurement by Voltage Amplitude
2.2. Estimation by Voltage Points Measured during the Integer Number of Entire AC Periods
2.3. Assessment through Only a Fraction of the AC Period
2.4. Fitting Measured Points with Trigonometric Functions Representing Voltage Harmonics
3. Results
3.1. Results of the RMS Estimation Due to the Amplitude of the Signal
3.2. Results of the RMS Estimation by the Sampling of a Signal
3.3. Results of the RMS Estimation by Decomposing the Signal to Odd Harmonics
4. Discussion
5. Conclusions
Author Contributions
Funding
Institutional Review Board Statement
Informed Consent Statement
Data Availability Statement
Acknowledgments
Conflicts of Interest
References
- Keddar, M.; Doumbia, M.L.; Belmokhtar, K.; Krachai, M.D. Enhanced Reactive Power Sharing and Voltage Restoration Based on Adaptive Virtual Impedance and Consensus Algorithm. Energies 2022, 15, 3480. [Google Scholar] [CrossRef]
- Mehbodniya, A.; Paeizi, A.; Rezaie, M.; Azimian, M.; Masrur, H.; Senjyu, T. Active and Reactive Power Management in the Smart Distribution Network Enriched with Wind Turbines and Photovoltaic Systems. Sustainability 2022, 14, 4273. [Google Scholar] [CrossRef]
- Iioka, D.; Fujii, T.; Tanaka, T.; Harimoto, T.; Motoyama, J.; Nagae, D. Improvement of Voltage Unbalance by Current Injection Based on Unbalanced Line Impedance in Distribution Network with PV System. Energies 2021, 14, 8126. [Google Scholar] [CrossRef]
- Zimann, F.J.; Batschauer, A.L.; Mezaroba, M.; Neves, F.A.S. Energy storage system control algorithm for voltage regulation with active and reactive power injection in low-voltage distribution network. Electr. Power Syst. Res. 2019, 174, 105825. [Google Scholar] [CrossRef]
- Ismail, B.; Abdul Wahab, N.I.; Othman, M.L.; Radzi, M.A.M.; Naidu Vijyakumar, K.; Mat Naain, M.N. A Comprehensive Review on Optimal Location and Sizing of Reactive Power Compensation Using Hybrid-Based Approaches for Power Loss Reduction, Voltage Stability Improvement, Voltage Profile Enhancement and Loadability Enhancement. IEEE Access 2020, 8, 222733–222765. [Google Scholar] [CrossRef]
- Aziz, T.; Ketjoy, N. Enhancing PV Penetration in LV Networks Using Reactive Power Control and On Load Tap Changer with Existing Transformers. IEEE Access 2018, 6, 2683–2691. [Google Scholar] [CrossRef]
- Kim, I.; Harley, R.G. Examination of the effect of the reactive power control of photovoltaic systems on electric power grids and the development of a voltage-regulation method that considers feeder impedance sensitivity. Electr. Power Syst. Res. 2020, 180, 106130. [Google Scholar] [CrossRef]
- Ma, W.; Wang, W.; Chen, Z.; Wu, X.; Hu, R.; Tang, F.; Zhang, W. Voltage regulation methods for active distribution networks considering the reactive power optimization of substations. Appl. Energy 2021, 284, 116347. [Google Scholar] [CrossRef]
- Mirbagheri, S.M.; Merlo, M. Optimal reactive power flow procedure to set up an effective local voltage control. Sustain. Energy Technol. Assess. 2020, 39, 100709. [Google Scholar] [CrossRef]
- Cárdenas, V.; González-García, M.A.; Álvarez-Salas, R. A dynamic voltage restorer with the functions of voltage restoration, regulation using reactive power, and active filtering. Electr. Power Compon. Syst. 2015, 43, 1596–1609. [Google Scholar] [CrossRef]
- Hu, R.; Wang, W.; Wu, X.; Chen, Z.; Jing, L.; Ma, W.; Zeng, G. Coordinated active and reactive power control for distribution networks with high penetrations of photovoltaic systems. Sol. Energy 2022, 231, 809–827. [Google Scholar] [CrossRef]
- Salah Saidi, A. Impact of grid-tied photovoltaic systems on voltage stability of Tunisian distribution networks using dynamic reactive power control. Ain Shams Eng. J. 2022, 13, 101537. [Google Scholar] [CrossRef]
- Feng, F.; Fang, J. Weak Grid-Induced Stability Problems and Solutions of Distributed Static Compensators with Voltage Droop Support. Electronics 2022, 11, 1385. [Google Scholar] [CrossRef]
- Mancer, N.; Mahdad, B.; Srairi, K.; Mostefa, H. Voltage Stability Improvement of Practical Power System Based STATCOM Using PSO_TVAC. In Proceedings of the International Conference in Artificial Intelligence in Renewable Energetic Systems, Tipaza, Algeria, 24–26 November 2018; Springer: Cham, Switzerland, 2018; pp. 506–515. [Google Scholar]
- Nguyen, T.L.; Nguyen, H.T.; Wang, Y.; Mohammed, O.A.; Anagnostou, E. Distributed Secondary Control in Microgrids Using Synchronous Condenser for Voltage and Frequency Support. Energies 2022, 15, 2968. [Google Scholar] [CrossRef]
- Pyo, S.-H.; Kim, T.-H.; An, B.-H.; Park, J.-D.; Park, J.-H.; Lee, M.-J.; Park, T.-S. Distributed Generation Based Virtual STATCOM Configuration and Control Method. Energies 2022, 15, 1762. [Google Scholar] [CrossRef]
- Braslavsky, J.H.; Collins, L.D.; Ward, J.K. Voltage Stability in a Grid-Connected Inverter with Automatic Volt-Watt and Volt-VAR Functions. IEEE Trans. Smart Grid 2019, 10, 84–94. [Google Scholar] [CrossRef]
- Amiel, I.; Rajput, S.; Averbukh, M. Capacitive reactive power compensation to prevent voltage instabilities in distribution lines. Int. J. Electr. Power Energy Syst. 2021, 131, 107043. [Google Scholar] [CrossRef]
- Souri, S.; Shourkaei, H.M.; Soleymani, S.; Mozafari, B. Flexible reactive power management using PV inverter overrating capabilities and fixed capacitor. Electr. Power Syst. Res. 2022, 209, 107927. [Google Scholar] [CrossRef]
- Valverde, G.; Van Cutsem, T. Model predictive control of voltages in active distribution networks. IEEE Trans. Smart Grid 2013, 4, 2152–2161. [Google Scholar] [CrossRef]
- Kamal, F.; Chowdhury, B. Model predictive control and optimization of networked microgrids. Int. J. Electr. Power Energy Syst. 2022, 138, 107804. [Google Scholar] [CrossRef]
- Babayomi, O.; Zhang, Z.; Dragicevic, T.; Heydari, R.; Li, Y.; Garcia, C.; Rodriguez, J.; Kennel, R. Advances and opportunities in the model predictive control of microgrids: Part II—Secondary and tertiary layers. Int. J. Electr. Power Energy Syst. 2022, 134, 107339. [Google Scholar] [CrossRef]
- Pan, X.; Zhang, L.; Li, Y.; Li, K.; Huang, H. Modulated Model Predictive Control with Branch and Band Scheme for Unbalanced Load Compensation by MMCC-STATCOM. IEEE Trans. Power Electron. 2022, 37, 8948–8962. [Google Scholar] [CrossRef]
- Hu, J.; Ye, C.; Ding, Y.; Tang, J.; Liu, S. A Distributed MPC to Exploit Reactive Power V2G for Real-Time Voltage Regulation in Distribution Networks. IEEE Trans. Smart Grid 2021, 13, 576–588. [Google Scholar] [CrossRef]
- Dhulipala, S.C.; Monteiro, R.V.A.; da Silva Teixeira, R.F.; Ruben, C.; Bretas, A.S.; Guimarães, G.C. Distributed model-predictive control strategy for distribution network volt/var control: A smart-building-based approach. IEEE Trans. Ind. Appl. 2019, 55, 7041–7051. [Google Scholar] [CrossRef]
- Muciek, A. A method for precise RMS measurements of periodic signals at low frequencies. In Proceedings of the 1998 Conference on Precision Electromagnetic Measurements Digest (Cat. No.98CH36254), Washington, DC, USA, 6–10 July 1998; pp. 508–509. [Google Scholar]
- Mog, G.E.; Ribeiro, E.P. One cycle AC RMS calculations for power quality monitoring under frequency deviation. In Proceedings of the 2004 11th International Conference on Harmonics and Quality of Power (IEEE Cat. No.04EX951), Lake Placid, NY, USA, 12–15 September 2004; pp. 700–705. [Google Scholar]
- Kyriazis, G.A. Extension of Swerlein’s algorithm for AC voltage measurement in the frequency domain. IEEE Trans. Instrum. Meas. 2003, 52, 367–370. [Google Scholar] [CrossRef]
- Abdali Nejad, S.; Matas, J.; Elmariachet, J.; Martín, H.; de la Hoz, J. SOGI-FLL Grid Frequency Monitoring with an Error-Based Algorithm for a Better Response in Face of Voltage Sag and Swell Faults. Electronics 2021, 10, 1414. [Google Scholar] [CrossRef]
- Reza, M.S.; Ciobotaru, M.; Agelidis, V.G. Robust technique for accurate estimation of single-phase grid voltage fundamental frequency and amplitude. IET Gener. Transm. Distrib. 2015, 9, 183–192. [Google Scholar] [CrossRef]
- Thakur, P.; Singh, A. A novel way to quantify the magnitude of voltage sag. Electr. Eng. 2013, 95, 331–340. [Google Scholar] [CrossRef]
- Naidoo, R.; Pillay, P. A New Method of Voltage Sag and Swell Detection. IEEE Trans. Power Deliv. 2007, 22, 1056–1063. [Google Scholar] [CrossRef]
- Cisneros-Magaña, R.; Medina, A.; Anaya-Lara, O. Time-domain voltage sag state estimation based on the unscented Kalman filter for power systems with nonlinear components. Energies 2018, 11, 1411. [Google Scholar] [CrossRef] [Green Version]
- Flores-Arias, J.-M.; Ortiz-Lopez, M.; Quiles Latorre, F.J.; Bellido-Outeiriño, F.J.; Moreno-Muñoz, A. A Memory-Efficient True-RMS Estimator in a Limited-Resources Hardware. Energies 2019, 12, 1699. [Google Scholar] [CrossRef]
- Xiao, F.; Dong, L.; Li, L.; Liao, X. Fast voltage detection method for grid-tied renewable energy generation systems under distorted grid voltage conditions. IET Power Electron. 2017, 10, 1487–1493. [Google Scholar] [CrossRef]
- DRTS 33 Automatic Relay Test Set. Available online: https://www.altanova-group.com/en/products/off-line-tests/drtts-33 (accessed on 5 August 2022).
- Compact Voltage Transducers for Industrial and Traction—For High Accurate Low and Medium Voltage Measurements from 85 to 1400 VRMS with High Bandwidth (Short Response Time). Available online: https://www.lem.com/en/cv-3500 (accessed on 5 August 2022).
- Masetti, C. Revision of European Standard EN 50160 on power quality: Reasons and solutions. In Proceedings of the 14th International Conference on Harmonics and Quality of Power—ICHQP, Bergamo, Italy, 26–29 September 2010; IEEE: Piscataway, NJ, USA, 2010. [Google Scholar]








| N | Method | Complexity of Implementation | Author/Reference | Precision | Estimation Time Relative to a Time of AC Period (T) |
|---|---|---|---|---|---|
| 1. | Conventional RMS estimation by instantaneous voltage magnitude during integer numbers of AC periods | Middle | Thakur and Singh [31] | High | Long T |
| 2. | DC component measurement of rectified AC signal | Low | Muciek [26] | High | Very long T |
| 3. | Analysis of the main signal harmonic | Middle | Naidoo and Pillay [32] | Average | Long T |
| 4. | RMS estimation through signal amplitude | Very low | Naidoo and Pillay [32] | Very low | Very short |
| 5. | Based on instantaneous voltage magnitudes during fraction of AC period with correction coefficient | Middle | Developed in this article | High | Very short |
| 6. | Decomposition of voltage signal by the ensemble of harmonics | High | Developed in this article | High | Very short |
| % of the Full Voltage | ||||||||||||
|---|---|---|---|---|---|---|---|---|---|---|---|---|
| U1 | U3 | U5 | U7 | U9 | U11 | U13 | U15 | U17 | U19 | U21 | U23 | U25 |
| 99.4 | 5 | 6 | 5 | 1.5 | 3.5 | 3 | 0.5 | 2 | 1.5 | 0.5 | 1.5 | 1.5 |
Publisher’s Note: MDPI stays neutral with regard to jurisdictional claims in published maps and institutional affiliations. |
© 2022 by the authors. Licensee MDPI, Basel, Switzerland. This article is an open access article distributed under the terms and conditions of the Creative Commons Attribution (CC BY) license (https://creativecommons.org/licenses/by/4.0/).
Share and Cite
Amiel, I.; Danin, Z.; Sitbon, M.; Averbukh, M. Voltage RMS Estimation during a Fraction of the AC Period. Sensors 2022, 22, 6892. https://doi.org/10.3390/s22186892
Amiel I, Danin Z, Sitbon M, Averbukh M. Voltage RMS Estimation during a Fraction of the AC Period. Sensors. 2022; 22(18):6892. https://doi.org/10.3390/s22186892
Chicago/Turabian StyleAmiel, Ido, Zekharya Danin, Moshe Sitbon, and Moshe Averbukh. 2022. "Voltage RMS Estimation during a Fraction of the AC Period" Sensors 22, no. 18: 6892. https://doi.org/10.3390/s22186892
APA StyleAmiel, I., Danin, Z., Sitbon, M., & Averbukh, M. (2022). Voltage RMS Estimation during a Fraction of the AC Period. Sensors, 22(18), 6892. https://doi.org/10.3390/s22186892

