Next Article in Journal
Mediated Electron Transfer at Redox Active Monolayers. Part 3: Bimolecular Outer-Sphere, First Order Koutecky-Levich and Adduct Formation Mechanisms
Previous Article in Journal
Study on pH Effect in Process of an Entero-gastric Fiber-optic Sensor Design
 
 
Font Type:
Arial Georgia Verdana
Font Size:
Aa Aa Aa
Line Spacing:
Column Width:
Background:
Article

Design of a Wireless Sensor Network for Long-term, In-Situ Monitoring of an Aqueous Environment

by
Xiping Yang
1,
Keat G. Ong
2,
William R. Dreschel
2,
Kefeng Zeng
3,
Casey S. Mungle
3 and
Craig A. Grimes
3,*
1
Department of Electrical Engineering and Materials Research Institute, The Pennsylvania State University, University Park, PA 16802 USA
2
SenTech Corporation, 200 Innovation Boulevard Suite 236, State College, PA 16803 USA
3
Dept. of Electrical Engineering and Materials Research Institute, The PennState University, 217 Materials Research Lab, University Park, PA 16802 USA
*
Author to whom correspondence should be addressed.
Sensors 2002, 2(11), 455-472; https://doi.org/10.3390/s21100455
Submission received: 24 November 2002 / Accepted: 26 November 2002 / Published: 30 November 2002

Abstract

:
An aqueous sensor network is described consisting of an array of sensor nodes that can be randomly distributed throughout a lake or drinking water reservoir. The data of an individual node is transmitted to the host node via acoustic waves using intermediate nodes as relays. Each node of the sensor network is a data router, and contains sensors capable of measuring environmental parameters of interest. Depending upon the required application, each sensor node can be equipped with different types of physical, biological or chemical sensors, allowing long-term, wide area, in situ multi-parameter monitoring. In this work the aqueous sensor network is described, with application to pH measurement using magnetoelastic sensors. Beyond ensuring drinking water safety, possible applications for the aqueous sensor network include advanced industrial process control, monitoring of aquatic biological communities, and monitoring of waste-stream effluents.

Introduction

While considerable effort has recently been focused on development of networked sensors for operation in air [1,2,3,4,5,6,7,8,9], sensor network technology has not been developed for application to liquid environments. The importance of developing a network sensor technology for operation in aqueous environments has recently been highlighted in reports [e.g. Science, vol. 295, pg. 2209, 22 March 2002] detailing the chemical slurry of antibiotics, estrogen-type hormones, insecticides, PPCPs, nicotine, etc. in the rivers of industrialized countries. While water quality is of the utmost importance to our future, analysis is still primarily conducted in a laborious manner by physical collection of a sample that is analyzed back in the laboratory. Consequently liquid analysis, be it of river water down stream from a sewage treatment plant, the water supply of a large city, or the physical and chemical composition of a local pond, generally requires a sample to be physically collected and brought back to the laboratory. Such sampling is expensive, time consuming, in many instances dangerous and prone to miss short lived events such as the periodic release of toxins or pollutants.
We describe a significant advancement in liquid analysis technology, an aqueous sensor network able to autonomously, continuously, in-situ and in real-time monitor streams, lakes, ocean bays, liquid streams in processing plants, and other bodies of water. Beyond helping to ensure drinking water quality, the aqueous sensor network would, for example, be a tremendous tool for biologists seeking to monitor the temperature, flow characteristics, and chemical environment of aquatic communities.
The operation of the aqueous sensor network within a liquid medium, such as a reservoir, is depicted in Fig. 1. Since electromagnetic waves rapidly attenuate in water the nodes (black spheres) communicate with each other acoustically (illustrated by red connecting lines). Each node is a data router, and contains environmental sensors as desired by the user. Node to node communication enables wide-area coverage using modest node power levels making practical long-term monitoring. All nodes are identical in design except two nodes: the host node and the uplink node. The host node, which is placed on land, is physically connected to a computer and uses a RF transceiver for wireless communication. The uplink node (floating green sphere) transfers information across the water/air boundary, using a RF transceiver to communicate with the host node, and acoustic transducer to communicate with the submerged nodes.
Figure 1. An illustrative drawing of the aqueous sensor network. The nodes (blue spheres) are scattered throughout the lake and communicate acoustically (red lines). The uplink node (green sphere) contains both an acoustic transducer, and a RF transceiver through which it communicates to the host node (black sphere) that is directly attached to a computer.
Figure 1. An illustrative drawing of the aqueous sensor network. The nodes (blue spheres) are scattered throughout the lake and communicate acoustically (red lines). The uplink node (green sphere) contains both an acoustic transducer, and a RF transceiver through which it communicates to the host node (black sphere) that is directly attached to a computer.
Sensors 02 00455 g001
Fig. 2 is a block diagram illustrating the components of an aqueous sensor network node. The critical components are the main controller module that oversees the sensor node operation, the acoustic transducer interface circuitry that amplifies and modulates the output and input signal to/from the transducer, the sensor interface circuitry that converts the raw sensor signals to digital information, and the power supply. Although the nodes can be equipped with different types of sensors in this work they are equipped with magnetoelastic sensor arrays [10,11,12] to monitor ambient pH. The host node contains only a RF transceiver, and communicates with the computer via RS232 protocol. The uplink node contains both RF and acoustic transducers, while the rest of the nodes contain only acoustic transducers. The following sections detail the function and design of these components.
Figure 2. Block diagram showing the components of an aqueous sensor node. The host node connects directly to a computer, and contains a RF transceiver for communication with the network uplink node. The uplink node has both a RF transceiver and acoustic transducers, while the rest of the nodes have only acoustic transducers.
Figure 2. Block diagram showing the components of an aqueous sensor node. The host node connects directly to a computer, and contains a RF transceiver for communication with the network uplink node. The uplink node has both a RF transceiver and acoustic transducers, while the rest of the nodes have only acoustic transducers.
Sensors 02 00455 g002
A sensor node is shown in Fig. 3a. The circuit modules and batteries are mounted on a frame that slides into the protective frame made of PVC pipe having a diameter of 16.5 cm and 30.5 cm length. Before deploying the sensor node is sealed and connected to a concrete block acting as an anchor. The acoustic transducer is mounted inside a PVC cap (7.1 cm in diameter, 7.8 cm in length), with its front end exposed to water. The magnetoelastic sensor array is mounted within an open pipe, fitted through a 3 cm in diameter PVC cap, through which water flows. A 100-turn loop of 40 gauge wire is wrapped around this open pipe, see Fig. 3b, creating in effect a solenoid, which is used to transduce sensor information; the magnetoelastic sensor array can easily be replaced without needing to open the node. The node controller board is shown in Fig. 3c, and the magnetoelastic control board shown in Fig. 3d.
Each node of the network has a unique identity. Before a sensor node can transmit data it needs to know the identity of its ‘parent,’ that is the node it should relay its data to. To achieve this, the uplink node first sends out a broadcast signal containing its identity. A node that has received the broadcast signal from the uplink node remembers it as the parent node, and subsequently sends out its own broadcast signal to other nodes distant from its parent. This process is repeated until all nodes know the identities of their parent nodes. During operation, all nodes relay their data to their parent nodes. The relaying process is repeated until the data from all sensor nodes is communicated to the uplink node, and from there sent to the host node/computer for appropriate processing and presentation.
Figure 3a. Photograph of an aqueous sensor network node. The electronics are mounted on a frame (right), which is inserted into the PVC housing of diameter 16.5 cm and length 30.5 cm. The acoustic transducer is mounted at the center top.
Figure 3a. Photograph of an aqueous sensor network node. The electronics are mounted on a frame (right), which is inserted into the PVC housing of diameter 16.5 cm and length 30.5 cm. The acoustic transducer is mounted at the center top.
Sensors 02 00455 g003a
Figure 3b. Mounting assembly for magnetoelastic sensor array. The magnetoelastic sensor array is placed within the hollow PVC pipe, around which a 100-turn coil is wound. The coil is used to both interrogate the magnetoelastic sensor array and capture the transduced signal. The SMA connector passes directly to the magnetoelastic sensor board shown in Fig. 3d.
Figure 3b. Mounting assembly for magnetoelastic sensor array. The magnetoelastic sensor array is placed within the hollow PVC pipe, around which a 100-turn coil is wound. The coil is used to both interrogate the magnetoelastic sensor array and capture the transduced signal. The SMA connector passes directly to the magnetoelastic sensor board shown in Fig. 3d.
Sensors 02 00455 g003b
Figure 3c. The controller board of the host node; on right is the RS232 interface that transfers node information to the computer.
Figure 3c. The controller board of the host node; on right is the RS232 interface that transfers node information to the computer.
Sensors 02 00455 g003c
Figure 3d. The magnetoelastic sensor electronics module. The sensor interrogation and detection solenoid (upper right) is connected to the board via a coaxial cable. The magnetoelastic microsensor array (shown in greater detail in Fig. 11) is mounted on a plastic holder (brown plastic tube section on the top right) that slips inside the solenoid.
Figure 3d. The magnetoelastic sensor electronics module. The sensor interrogation and detection solenoid (upper right) is connected to the board via a coaxial cable. The magnetoelastic microsensor array (shown in greater detail in Fig. 11) is mounted on a plastic holder (brown plastic tube section on the top right) that slips inside the solenoid.
Sensors 02 00455 g003d

Aqueous Sensor Network Design

Main Controller Module and Wireless Communication Protocol

Fig. 4 illustrates a simple sensor network composed of 7 nodes. To establish a network, the host node first sends out a broadcast signal containing its identity, which is 4. The signal is modulated using on-off modulation scheme, and the data is encoded with one-byte-to-twelve-bits conversion [13] before transmission. The broadcast signal format is:
PreambleStartLengthToFromCommandLevelChecksum
CCC00600Node ID0101XX
The first byte of the broadcast signal is Preamble, which is always CC in hex decimal. It is used for the receiver to synchronize (lock) to the frequency of the signal [13]. The preamble is followed by Start, which is always C0, to indicate the beginning of the actual data, following by the Length of the data. Since the host does not know the specific target of its initial broadcast transmission, the To field of the data is set to zero. The identity of the node is stored in the From field, and the Command field is set to 01 indicating this is a broadcast signal. The Level field indicates the number of nodes this broadcast signal has passed through, with the host node starts at 1. The Checksum field is used for error detection.
Figure 4. Illustration of a sensor network. The nodes are represented by red spheres, and the communication links represented by blue lines. The numbers indicate node identity.
Figure 4. Illustration of a sensor network. The nodes are represented by red spheres, and the communication links represented by blue lines. The numbers indicate node identity.
Sensors 02 00455 g004
As an example, when Node 6 receives the broadcast signal from the host node, it will record the host identity, which is 4, into its memory, and then replace the From field to 6 (its own identity). It also sets its own Level by increasing the Level of its parent by 1 (i.e., Level becomes 2). After changing the From and Level fields, Node 6 sends out its own broadcast signal to other nodes lower in the hierarchy, such as Node 1 and 2. It also sends an acknowledgement signal back to the host to indicate it has received the host’s broadcast signal. The acknowledgement signal takes the form of:
PreambleStartLengthToFromCommandChecksum
CCC005Sender IDNode IDX3XX
The Preamble, Start, Length, From, To, and Checksum fields are identical to the broadcast signal. In the Command field, ‘3’ indicates this is an acknowledgement signal, and the X in Command field is the sequence number, which is toggled between 1 and 0 per each successive transmission. The sequence number is important for the node to know if its acknowledgement signal is received correctly by its parent node [13]. Note that when Node 6 sends out a broadcast signal, Node 3, which is at the same hierarchical level as Node 6, will also receive it. To avoid confusion each node is programmed to accept only signals from a node of higher level. Hence, the broadcast from Node 6 will be ignored by Node 3 and the host node.
After all nodes know the identity of their parent nodes, they will acquire sensor data and transmit it at a predetermined time interval, as well as relay received data from other nodes to its parent. The relayed sensor data has the form of:
PreambleStartLengthToFromCommandDataChecksum
CCC0XXXXXXX2XX….XX
The Preamble, Start, Length, To, From, and Checksum are identical to the broadcast signal. The ‘2’ in Command field indicates this transmission contains sensor data. To know the origin of this sensor data, The Data field starts with the identities of the nodes that relay the data, followed by a byte of zero, and then the actual sensor data. For example, when Node 6 relays Node 7 data to Node 4, the Data field is:
Data
07020600Sensor Data
The host node stores the sensor data of all nodes in its memory. When the host node receives a transmission from other sensor nodes it will register the origin of the data, and subsequently update the sensor information in memory. The host node will upload the data of all sensor nodes to the host computer upon request.
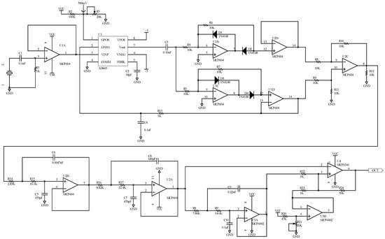
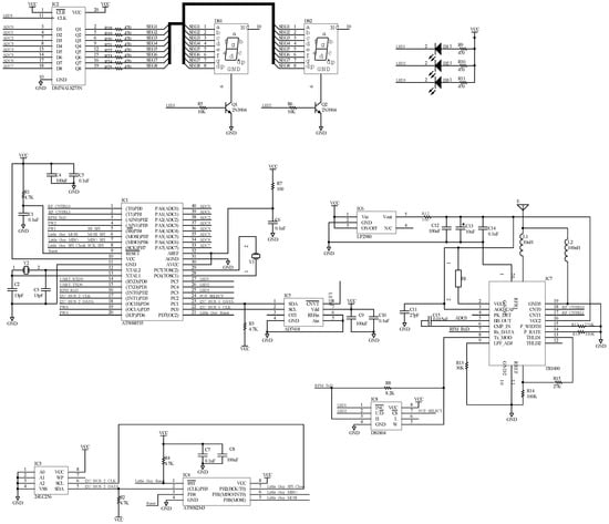
The circuit schematic of the main controller module is shown in Fig. 5. The top portion of the schematic is useful for testing and debugging, allowing for data display by either two 7-segment displays or 3 LEDs. The center portion of the schematic shows the main microcontroller (AT90S8535). The microcontroller is connected to a RF transceiver chip (TR1000) via its serial bus; for underwater application, the serial bus is connected to the transducer interface circuit instead of the RF transceiver. The lower portion of the schematic contains a co-processor (AT90S2343), which is used to perform on-board re-programming (not discussed herein).
All operations of the main controller module, including acquiring data from the sensor, transmitting sensor data, and relaying data from other nodes, are performed by the microcontroller. The operation of the microcontroller software for a typical network node is illustrated in the flowchart of Fig. 6. After the sensor node is powered, the microcontroller program performs an initialization, defining the variables used in the program. The program then goes to a loop constantly checking for the occurrence of three events: {1} receiving transmission from other nodes, {2} transmitting/relaying sensor data and acknowledgement, and {3} waiting for an acknowledgement. The events are triggered by the receiver or a timer by setting up different interrupt flags.
When the RF or acoustic transceiver receives a signal, it will set an interrupt flag (RX flag) to instruct the microcontroller to download the data from the transceiver. The microcontroller will then engage the receiving handler, which will process the data and determine if the signal is a broadcast, acknowledgement, or sensor data. If the received signal is the sensor data from other nodes, the microcontroller program will relay the data to its parent node by triggering the transmission flag (TX flag) and data relay flag. If the received signal is a broadcast signal, it will trigger the TX flag and also an acknowledgement flag. After setting the flags, the program returns to the main loop. An internal timer is also running while the microcontroller is performing all these processes; when the timer reaches a prefixed time interval, it also triggers the TX and data relay flags to upload its own sensor data.
When the TX flag is triggered, the microcontroller will engage the transmission handler. If the relay flag is also activated along with the TX flag, the handler will encode the sensor data into a packet, forward it to the transceiver, and then return to the main loop. On the other hand, if the acknowledgement flag is triggered with the TX flag, the program will launch the wait acknowledgement handler. Within the wait acknowledgement handler, the program will actively check for the RX flag. The program will wait until it receives an acknowledgement signal or time out. The software can be obtained at [14].
Figure 5. Circuit schematic of the main node controller module. The top portion of the schematic is the displaying section, the center portion is the microcontroller used to control node operations, and the bottom portion is a co-processor used for re-programming of the module.
Figure 5. Circuit schematic of the main node controller module. The top portion of the schematic is the displaying section, the center portion is the microcontroller used to control node operations, and the bottom portion is a co-processor used for re-programming of the module.
Sensors 02 00455 g005
The operation of the host node is unique since it must interface with the host computer (PC). In addition to checking for the receiving, acknowledgement, and transmitting flags, the host node also checks for the PC interrupt flag. When the PC interrupt flag is triggered, the host node will download the data from the PC via RS232 interface, which will have the format of:
CommandParameter AParameter B
XXXXXX
The Command contains the operation instruction for the host node: 01 means sending broadcast signal, 02 means uploading all sensor data to the PC, 03 means changing the time interval between each broadcast, and 04 means changing the time interval between sensor data collection. The Parameter A and Parameter B are used for Command 03 and 04 for entering the values of the time interval. Specifically, Parameter A sets the value and Parameter B sets the unit (01 = seconds, 02 = minutes, 03 = hours, 04 = days, 05 = weeks). For example, an output from the host PC with the data of 04,30,02 will change the time interval between the sensor data collection to 30 minutes.
Figure 6. Flowchart showing (non host) node microcontroller operation. ACK = Acknowledgement flag, RX = Receiving flag, TX = Transmission flag.
Figure 6. Flowchart showing (non host) node microcontroller operation. ACK = Acknowledgement flag, RX = Receiving flag, TX = Transmission flag.
Sensors 02 00455 g006

Host Computer Software

The function of the host computer is to instruct the host node to send out broadcast signals, and download the sensor data from the host node. After obtaining the sensor data, the host computer will process and present to users.
The host computer software is programmed with Microsoft Visual Basic. The operational flowchart of the software is shown in Fig. 7. Upon launch, the program first opens the RS232 port to initiate communication with the host node. The program waits until the user commands it to initiate networking (by a Start button). The program will set two timers: Timer 1 for tracking the time for the host computer to download all sensor data and Timer 2 for tracking the time for the host node to send out another broadcast signal. When Timer 1 is up, the host computer instructs the host node to send out a broadcast signal, and then downloads the response from all sensor nodes to setup the network configuration. When Timer 2 is up, the host computer only downloads the updated data of the sensor nodes. The program and the source code in Visual Basic can be obtained from [14].
Figure 7. The operation of the host computer software.
Figure 7. The operation of the host computer software.
Sensors 02 00455 g007

Acoustic Transducer and Transducer Interface Circuitry

An acoustic transducer is used for underwater communication between sensor nodes. The transducers are comprised of a PZT actuator (2.2 cm in diameter, 1 mm in length), a front-face layer to impedance match the PZT disc to water (2.2 cm in diameter, 1.2 cm in length), and a back-side damping layer (2.2 cm in diameter, 2.5 cm in length) to reduce unwanted ringing.
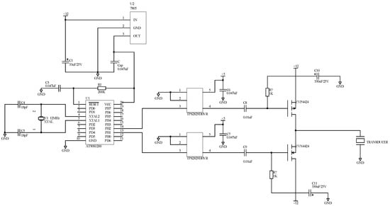
The transducer interface circuit contains two parts: the transmitter circuit and receiver circuit (see Fig. 8a and Fig. 8b). The transmitter circuit, Fig. 8a, contains a microcontroller (AT90S1200) to receive the transmission data (in serial format) from the main controller and convert it to voltage pulses (a series of 10 positive voltage pulses indicates a ‘1’ and zero voltage for the 10-pulse duration indicates a ‘0’). Since the signal is positively biased, two transistors are used to eliminate the biasing condition as well as amplify the signal before sending to the transducer (see Fig. 9a).
The receiver circuit is shown in Fig. 8b. The received signals from the transducer are first amplified and rectified, and the voltage pulses are converted to digital data with a low pass filter and a comparator (see Fig. 9b). The processed digital data is then forwarded to the main controller.
Figure 8a. The transmitter circuit that converts digital signals from the main controller to voltage pulses for the transducer.
Figure 8a. The transmitter circuit that converts digital signals from the main controller to voltage pulses for the transducer.
Sensors 02 00455 g008a
Figure 8b. The receiver circuit that processes the received signals from the transducer to digital information readable by the main controller.
Figure 8b. The receiver circuit that processes the received signals from the transducer to digital information readable by the main controller.
Sensors 02 00455 g008b

Magnetoelastic Sensors and Sensor Interface Circuitry

Magnetoelastic sensors have been used to measure various physical and chemical parameters in liquid media, including pH, viscosity, fluid flow velocity, etc [10,11,12]. In this work, a four-element magnetoelastic sensor array is implemented in each node capable of measuring pH.
Figure 9. (a) Illustration showing how the digital data is converted into voltage pulses for transmission. (b) Illustration showing the conversion of the received signal to a digital bit. The as-received signal is first amplified and rectified. The high-frequency component of the rectified signal is filtered, and the digital state carried by the signal is extracted by passing through a comparator.
Figure 9. (a) Illustration showing how the digital data is converted into voltage pulses for transmission. (b) Illustration showing the conversion of the received signal to a digital bit. The as-received signal is first amplified and rectified. The high-frequency component of the rectified signal is filtered, and the digital state carried by the signal is extracted by passing through a comparator.
Sensors 02 00455 g009
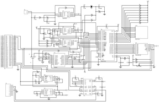
Figure 10. The circuit schematic of the sensor interface module. The circuit is connected to the magnetoelastic sensor detection solenoid via Connector J3 at the top left corner. The circuit can be interfaced to the sensor node via Connector J1, or directly to a computer via Connector J2.
Figure 10. The circuit schematic of the sensor interface module. The circuit is connected to the magnetoelastic sensor detection solenoid via Connector J3 at the top left corner. The circuit can be interfaced to the sensor node via Connector J1, or directly to a computer via Connector J2.
Sensors 02 00455 g010
A sensor interface circuit is used to convert the measured resonant frequency of a magnetoelastic sensor, the parameter of interest, to a digital signal compatible with the hardware of the aqueous sensor node. The main operations of the interfacing circuit are to excite the sensor, determine the resonant frequency of the sensor through reciprocal counting, convert the sensor information to digital data, and then transfer the data to the main controller module.
The circuit schematic of the sensor interface module is shown in Fig. 10. The main component of this module is a microcontroller, DS87C520, that performs the reciprocal frequency counting, and a Direct Digital Synthesizer (Analog Devices AD9832) that generates a series of high-precision (0.4 Hz resolution) sinusoidal bursts for sensor excitation. Additional details on the frequency counting technique used for determining the resonance frequency are given in [15].
To conserve power the magnetoelastic sensor module is primarily in an off state; when a measurement is required the main controller module sends a ‘wake-up’ signal through the interrupt pin of the DS87C520 microcontroller to activate the sensor module. The microcontroller on the magnetoelastic sensor module then determines the resonance frequency of each magnetoelastic sensor and sends the data to the main controller module before powering down again.
The four-element magnetoelastic sensor array used in this work, shown in Fig. 11, is made of amorphous alloy Fe40Ni38Mo4B18 [16]. The initial resonant frequencies, from the longest to the shortest elements, are 282.47 kHz, 292.35 kHz, 302.90 kHz, and 313.12 kHz, respectively. Prior to use both sides of the sensor array were coated with a thin layer of polyurethane, approximately 1 µm thick, to protect the iron-rich magnetoelastic sensor from rusting.
Figure 11. A four-element magnetoelastic sensor array mounted across a Teflon pipe. The longest sensor is approximately 6 mm in length.
Figure 11. A four-element magnetoelastic sensor array mounted across a Teflon pipe. The longest sensor is approximately 6 mm in length.
Sensors 02 00455 g011
To measure pH independently of background salt concentrations, one sensor element is coated with poly(3-sulfopropyl methacrylate-co-isooctylacrylate), abbreviated pSPMA-IOA, a strong polyelectrolyte gel the swelling/shrinking of which is dependent on solution salt concentration and independent of pH [17,18]. Another magnetoelastic element is coated with poly(acrylic acid -co-isooctylacrylate), abbreviated pAA-IOA, a pH responsive polymer described earlier that also responds to ambient salt concentration levels. Cross correlation between the frequency responses of the polymer coated magnetoelastic elements enables an absolute determination of pH. Tracking changes in the resonance frequency of the two uncoated magnetoelastic sensors can be used to determine temperature, and biofilm formation.

Power Consumption

Two 9.6V, 1800 mAh NiMH rechargable batteries are used to power the node. The batteries are connected in series with a common ground thereby providing a supply voltage of ± 9.6 V. The power rating for the main controller board is 2 mA/h, the ME sensor interface board 20 mA/h, the transmitter board 100 mA/h, and the receiver board 1 mA/h. However the magnetoelastic sensor interface board and transmitter board are powered down the majority of the time. For example, it is anticipated that in normal operation a node would collect and transmit data once every 30 minutes, although this is a user-defined parameter. Since the magnetoelastic sensor board takes about 2 s to complete its operations, and the transmitter board takes approximately 10 seconds to transmit the data from its own node and relay the data from other nodes, the duty cycles of sensor and transmitter boards are ≈ 0.1% and 0.6%, respectively.
Hence the average power used by a node is approximately 3.62 mAh, for a approximate 21 day length of operation per battery charge. The circuits are being evaluated for reducing power consumption to enable extended monitoring, and means by which power can be obtained from the environment, such as thermoelectric power and use of mechanical node rotation, are being examined.

Experimental Results

Sensor Network Operation

The networking capabilities of a five-node sensor network were first investigated in air. Each node has a unique identity and is equipped with a RF transceiver and a temperature sensor. Fig. 12 shows the placements of these nodes and the distance among them. When all nodes were turned on, the host PC was able to establish communications to all nodes, and graphically display the network configuration as shown in Fig. 13. In the figure, Node 4 and 2 are directly linked to the host node (Node 1) while Node 3 and 5 use Node 2 as a relay.
Figure 12. Network node distribution. Each square represents a node; the number in the square is the node identity.
Figure 12. Network node distribution. Each square represents a node; the number in the square is the node identity.
Sensors 02 00455 g012
Figure 13. The user interface screen of the host PC software. The network configuration and real-time temperature reading is shown on the left of the screen (ID = Node identity, T = Temperature). The user can change the total number of data points (Number of Sets), time interval between each data points, and the output data file name via the text boxes on the left.
Figure 13. The user interface screen of the host PC software. The network configuration and real-time temperature reading is shown on the left of the screen (ID = Node identity, T = Temperature). The user can change the total number of data points (Number of Sets), time interval between each data points, and the output data file name via the text boxes on the left.
Sensors 02 00455 g013
After establishing the network configuration, temperature data from all nodes are collected and uploaded to the host PC every 6 seconds. The host PC saves the temperature data as a function of time in a text data file. To demonstrate network operation the temperature of the nodes was sequentially raised by placing the tip of a soldering iron (≈ 376 ºC) approximately 3 mm from the temperature sensor for about 2 minutes. The temperatures measured for all nodes are plotted in Fig. 14. As shown in the plot, the sensor network relays the real time temperature from each node to the host PC.
Figure 14. The measured temperature of the sensor nodes. Node 2, 3, 4, and 5 were sequentially heated while the temperature on Node 1 was unchanged.
Figure 14. The measured temperature of the sensor nodes. Node 2, 3, 4, and 5 were sequentially heated while the temperature on Node 1 was unchanged.
Sensors 02 00455 g014

Monitoring of pH Concentrations

The uplink node was placed in a small tub of water the pH and salt concentration of which could be controlled. Fig. 15a shows the time-dependent response profile of the pSPMA-IOA coated sensor as it is alternately switched between solutions of different salt concentration and different pH (details on polymer fabrication and properties can be found in [17]). Since SPMA is a strong electrolyte and dissociates completely in solution its swelling (mass) is independent of pH. The response time of the salt reference sensor, the polymer layer of which is approximately 8 µm thick, is ≈ 2 minutes. For the pAA-IOA pH sensor the response time is ≈ 5 minutes. The response time of the pH sensor in acidic solutions is approximately 2 minutes longer than that in alkaline solutions. Fig. 15b shows the calibration curves of the pH sensor system as it is cycled from high pH to low pH, and then back to high pH. The change is resonance frequency of the sensor with pH is linear between pH 2.5 and pH 7.5, with a 2.4% shift in the resonance frequency of the sensor.
Figure 15a. Cross-correlation between two functionalized magnetoelastic sensors enables pH measurement independently of solution salt concentration.
Figure 15a. Cross-correlation between two functionalized magnetoelastic sensors enables pH measurement independently of solution salt concentration.
Sensors 02 00455 g015a
Figure 15b. Frequency response of pH sensor measured at decreasing pH values, and then increasing pH values; measurements were taken every 20 minutes after change in solution pH.
Figure 15b. Frequency response of pH sensor measured at decreasing pH values, and then increasing pH values; measurements were taken every 20 minutes after change in solution pH.
Sensors 02 00455 g015b

Conclusions

A sensor network for aqueous operation is presented. The sensor network consists of an array of sensor nodes located throughout the area of interest. The data collected by each node is transmitted via acoustic waves to an uplink node, which uses a RF transceiver to communicate to the host node which is directly connected to a computer which presents the collected data to the user. Depending upon the required application, i.e. monitoring of pathogens, chemical analytes, or physical properties, each sensor node can be equipped with different types of sensors.
There are three main modules on each sensor node: the main controller, transducer interface circuitry, and the sensor interface circuitry. The main controller module oversees the operation of the sensor node such as acquiring data from the sensor, transmitted sensor data, and relaying data from other nodes. The transducer interface circuit is responsible for translating the digital signal from the main controller to voltage pulses, and the received voltage pulses to digital signals. The functions of the sensor interface circuit are to excite the sensor, perform a reciprocal frequency counting when the sensor resonates, convert the sensor information to digital data, and send it to the main controller module.
The networking of the sensor network was investigated with five air-based sensor nodes. The experiment shows the host PC program was able to establish communications to all nodes and graphically displayed the configuration of the whole network. During the experiment, the sensor data from each node was also downloaded to the host computer, and was updated in real time. The pH levels of a body of water were monitored using the uplink node integrated with the magnetoelastic pH sensors. The pH sensor shows a linear response to pH between pH 2.5 and pH 7.2, with a 2.4% shift in the resonance frequency of the sensor.
In addition to the magnetoelastic sensors, the microcontroller of each network node accepts standard digital and analog sensor data hence other types of sensors, e.g. impedance, surface acoustic wave, etc. can be readily integrated into the network without requiring additional circuitry. The aqueous sensor network technology would be an ideal tool for wide-area, in-situ, real-time monitoring of drinking water reservoirs helping to ensure their integrity. Other possible applications for the aqueous sensor network include advanced industrial process control, monitoring of aquatic biological communities, monitoring of waste-stream effluents, etc. Future work of the authors will focus on network refinement, and application of the network to wide-area long term monitoring of a lake.

Acknowledgements

C. A. Grimes gratefully acknowledges partial support of this work by the National Science Foundation under grants ECS-0225346 and ECS-0196494.

References

  1. Akyildiz, F.; Su, W.; Sankarasubramaniam, Y.; Cayirci, E. Wireless sensor networks: a survey. Computer Networks 2002, 38, 393–422. [Google Scholar] [CrossRef]
  2. Estrin, D.; Govindan, R.; Heidemann, J.; Kumar, S. Next Century Challenges Scalable Coordination in Sensor Networks. In Proceedings of the ACM IEEE International Conference on Mobile Computing and Networking; 1999; pp. 263–270. [Google Scholar]
  3. Delin, K.A.; Jackson, S.P. Sensor web for in situ exploration of gaseous biosignatures. In Proceedings of 2000 IEEE Aerospace Conference, Big Sky, MT March 2000.
  4. Qi, H.; Iyengar, S.S.; Chakrabarty, K. Distributed sensor networks – a review of recent research. J. Franklin Institute 2001, 338, 655–668. [Google Scholar] [CrossRef]
  5. Zhou, J.; Mason, A. Communication buses and protocols for sensor networks. Sensors 2002, 2, 244–257. [Google Scholar] [CrossRef]
  6. Ghiasi, S.; Srivastava, A.; Yang, X.; Sarrafzadeh, M. Optimal energy aware clustering in sensor networks. Sensors 2002, 2, 258–269. [Google Scholar] [CrossRef]
  7. Delin, K.A. The sensor web: A macro-instrument for coordinated sensing. Sensors 2002, 2, 270–285. [Google Scholar] [CrossRef]
  8. Qi, H.; Kuruganti, P.T.; Xu, Y. The development of localize algorithms in wireless sensor networks. Sensors 2002, 2, 286–293. [Google Scholar] [CrossRef]
  9. http://www.xbow.com/Product/Wireless_Sensor_Network.htm.
  10. Grimes, C.A.; Kouzoudis, D. Remote Query Measurement of Pressure, Fluid-Flow Velocity, and Humidity Using Magnetoelastic Thick-Film Sensors. Sensors and Actuators A 2000, 84, 205–212. [Google Scholar] [CrossRef]
  11. Stoyanov, P.G.; Grimes, C.A. A remote query magnetostrictive viscosity sensor. Sens. Actuators A 2000, 80(1), 8–14. [Google Scholar] [CrossRef]
  12. Grimes, C.A.; Ong, K.G.; Loiselle, K.; Stoyanov, P.G.; Kouzoudis, D.; Liu, Y.; Tong, C.; Tefiku, F. Magnetoelastic sensors for remote query environmental monitoring. Smart Mater Struct. 1999, 8(5), 639–646. [Google Scholar] [CrossRef]
  13. Jurose, J.F.; Ross, K.W. Computer Networking: A Top-Down Approach Featuring the Internet; Addison-Wesley: New York, 2000; p. 188. [Google Scholar]
  14. The software is available upon request to Prof. Grimes at: cgrimes@engr.psu.edu
  15. Zeng, K.; Ong, K.G.; Mungle, C.S.; Grimes, C.A. Time domain characterization of oscillating sensors: application of frequency counting to resonance frequency determination. Review of Scientific Instruments 2002, 73, 4375–4380. [Google Scholar] [CrossRef]
  16. Honeywell, 101 Columbia Road, Morristown, NJ 07962 USA. http://www.honeywell.com.
  17. Cai, Q.Y.; Grimes, C.A. A salt-independent pH sensor. Sensors and Actuators B 2001, 79, 144–149. [Google Scholar] [CrossRef]
  18. Cai, Q.Y.; Grimes, C.A. A remote query magnetoelastic pH sensor. Sensors and Actuators B 2000, 71(1-2), 112–117. [Google Scholar] [CrossRef]
  • Sample Availability: Available from the author.

Share and Cite

MDPI and ACS Style

Yang, X.; Ong, K.G.; Dreschel, W.R.; Zeng, K.; Mungle, C.S.; Grimes, C.A. Design of a Wireless Sensor Network for Long-term, In-Situ Monitoring of an Aqueous Environment. Sensors 2002, 2, 455-472. https://doi.org/10.3390/s21100455

AMA Style

Yang X, Ong KG, Dreschel WR, Zeng K, Mungle CS, Grimes CA. Design of a Wireless Sensor Network for Long-term, In-Situ Monitoring of an Aqueous Environment. Sensors. 2002; 2(11):455-472. https://doi.org/10.3390/s21100455

Chicago/Turabian Style

Yang, Xiping, Keat G. Ong, William R. Dreschel, Kefeng Zeng, Casey S. Mungle, and Craig A. Grimes. 2002. "Design of a Wireless Sensor Network for Long-term, In-Situ Monitoring of an Aqueous Environment" Sensors 2, no. 11: 455-472. https://doi.org/10.3390/s21100455

APA Style

Yang, X., Ong, K. G., Dreschel, W. R., Zeng, K., Mungle, C. S., & Grimes, C. A. (2002). Design of a Wireless Sensor Network for Long-term, In-Situ Monitoring of an Aqueous Environment. Sensors, 2(11), 455-472. https://doi.org/10.3390/s21100455

Article Metrics

Back to TopTop