Next Article in Journal
Ethernet Passive Mutual Authentication Scheme on Quantum Networks
Next Article in Special Issue
Optimal Power Procurement for Green Cellular Wireless Networks Under Uncertainty and Chance Constraints
Previous Article in Journal
Class-Hidden Client-Side Watermarking in Federated Learning
Previous Article in Special Issue
Semi-Empirical Approach to Evaluating Model Fit for Sea Clutter Returns: Focusing on Future Measurements in the Adriatic Sea
 
 
Font Type:
Arial Georgia Verdana
Font Size:
Aa Aa Aa
Line Spacing:
Column Width:
Background:
Article

An Online Evaluation Method for Random Number Entropy Sources Based on Time-Frequency Feature Fusion

1
Institute of Semiconductors, Chinese Academy of Sciences, Beijing 100083, China
2
University of Chinese Academy of Sciences, Beijing 100049, China
*
Author to whom correspondence should be addressed.
These authors contributed equally to this work.
Entropy 2025, 27(2), 136; https://doi.org/10.3390/e27020136
Submission received: 30 December 2024 / Revised: 23 January 2025 / Accepted: 24 January 2025 / Published: 27 January 2025

Abstract

Traditional entropy source evaluation methods rely on statistical analysis and are hard to deploy on-chip or online. However, online detection of entropy source quality is necessary in some applications with high encryption levels. To address these issues, our experimental results demonstrate a significant negative correlation between minimum entropy values and prediction accuracy, with a Pearson correlation coefficient of −0.925 (p-value = 1.07 × 10−7). This finding offers a novel approach for assessing entropy source quality, achieving an accurate rate in predicting the next bit of a random sequence using neural networks. To further improve prediction capabilities, we also propose a novel deep learning architecture, Fast Fourier Transform-Attention Mechanism-Long Short-Term Memory Network (FFT-ATT-LSTM), that integrates a simplified soft attention mechanism with Fast Fourier Transform (FFT), enabling effective fusion of time-domain and frequency-domain features. The FFT-ATT-LSTM improves prediction accuracy by 4.46% and 8% over baseline networks when predicting random numbers. Additionally, FFT-ATT-LSTM maintains a compact parameter size of 33.90 KB, significantly smaller than Temporal Convolutional Networks (TCN) at 41.51 KB and Transformers at 61.51 KB, while retaining comparable prediction performance. This optimal balance between accuracy and resource efficiency makes FFT-ATT-LSTM suitable for online deployment, demonstrating considerable application potential.

1. Introduction

Random number generators (RNGs) are integral to applications in cryptography and secure communications [1]. These generators are typically classified into two categories: pseudo-random number generators (PRNGs), which produce pseudo-random numbers using deterministic algorithms, and true random number generators (TRNGs), which derive randomness from non-deterministic physical processes. While PRNGs rely on a fixed algorithm and seed to generate pseudo-random numbers with favorable statistical properties, their vulnerability arises from the potential exposure of the algorithm and seed, which may lead to security risks and information leakage [2,3,4,5]. In contrast, TRNGs generate random numbers based on non-deterministic factors such as thermal noise, quantum fluctuations, or chaotic circuit behaviors [6,7,8]. Although these random numbers are theoretically unpredictable, they are susceptible to interference from environmental noise and external attacks, which can degrade their quality and increase security vulnerabilities [9,10]. Therefore, evaluating the security of RNGs is paramount in ensuring their reliability in cryptographic applications.
The randomness of generated numbers is primarily characterized by two factors: statistical properties and unpredictability. Statistical testing is often conducted using established international test suites, such as NIST SP 800-22 [11], AIS 31 [12], Diehard [13], and TestU01 [14], which are effective at detecting statistical flaws in random number sequences. However, while PRNGs may pass these statistical tests, subtle correlations between sequences could still exist, reducing their unpredictability and introducing potential security risks. Entropy is commonly used as a metric to assess unpredictability; however, the methods for calculating entropy vary depending on the underlying entropy source, which restricts their general applicability and flexibility. Consequently, further research and optimization of random number security evaluation methods are needed.
In recent years, deep learning techniques have made significant strides in time series prediction [15], and the quality and correlation of random numbers—considered a specific form of time series data—can be effectively evaluated by predicting the probability of subsequent values. The Feedforward Neural Network (FNN) architecture has proven effective in modeling the inherent relationships within data, enabling the detection of pseudo-random sequences [16,17,18]. The Broad Learning System (BLS), proposed by Chen et al. (2018) [19], has gained widespread application in time series prediction and classification tasks due to its incremental structure and rapid convergence [20,21,22]. Wen et al. [23] employed Long Short-Term Memory (LSTM) networks to assess the randomness of a novel type of DRNG that integrates conventional DRNGs with Physical Unclonable Functions (PUFs). Cai et al. [24] combined LSTM with Temporal Pattern Attention (TPA) for evaluating quantum random numbers. Truong et al. [25] developed a model based on Recurrent Convolutional Neural Networks (RCNN) to detect deterministic noise correlations in quantum random number generators. Li et al. [26] used a Transformer-based approach for predicting quantum random numbers. Recent studies indicate that deep neural networks with integrated attention mechanisms outperform traditional models in time series prediction tasks, offering improved accuracy [27,28,29]. Despite the impressive performance of deep learning in random sequence evaluation, many models remain structurally complex and resource-intensive, with large parameter sizes that complicate hardware implementation and hinder online deployment.
This paper proposes an innovative deep learning framework that enhances the model’s ability to identify hidden correlations within random number sequences by integrating an improved soft attention mechanism with frequency-domain analysis techniques. The framework performs entropy source quality detection indirectly by predicting the accuracy of the entropy source, which not only captures the statistical properties of the random number sequences effectively but also reveals subtle dependencies between these sequences. Experimental results show a significant negative correlation between the minimum entropy and prediction accuracy, with a Pearson correlation coefficient of −0.92. Additionally, this method demonstrates higher prediction accuracy across datasets with different randomness levels, with an accuracy improvement of up to 8% compared to baseline networks. This finding validates the model’s efficiency in revealing hidden dependencies and has significant practical value, particularly in the security detection of on-chip random number generators. Notably, due to its low hardware resource requirements, the model is well-suited for resource-constrained environments, offering a practical and cost-effective solution for random number security analysis.
The structure of this paper is organized as follows: Section 2 introduces true random number generators based on ring oscillators (ROs-RNG) and pseudo-random number generators based on linear congruential methods (LC-RNG), which are used to simulate random number datasets with varying degrees of randomness. It also discusses the security challenges associated with ring oscillator-based RNGs and quantifies the relationship between minimum entropy and prediction accuracy using Pearson correlation coefficients, thereby validating the effectiveness of deep learning in random number quality assessment. Section 3 outlines the neural network model proposed in this study, detailing the data collection and preprocessing methods, as well as the setting of thresholds and evaluation of prediction accuracy. Section 4 compares the proposed method with existing models in terms of prediction accuracy and hardware complexity, highlighting the advantages and practicality of the proposed approach. Additionally, the model is embedded and implemented, demonstrating the feasibility of the algorithm for real-time deployment. Finally, Section 5 presents the conclusions of this study and proposes directions for future research.

2. Experimental Preparation

2.1. Theoretical Basis Verification

Entropy serves as a measure of randomness in random numbers, with better randomness corresponding to an entropy value closer to 1. For random numbers, higher randomness implies that the prediction accuracy should approach 0.5, whereas a higher accuracy indicates some correlation within the sequence. The minimum entropy represents the strictest case of data entropy, and its expression is:
H m i n = l o g 2 max 1 i k p i = l o g 2 P b
where p i represents the probability of 0 or 1 occurring at the i -th bit, and P b   is the maximum probability of 0 or 1 occurring among the 0 to k bits. The test suite includes multiple predictors, and the one with the highest prediction success rate is selected as P b , which is then used to calculate the minimum entropy value. According to the formula for minimum entropy, there exists a negative correlation between minimum entropy and prediction accuracy. To explore the relationship between minimum entropy and prediction accuracy, this paper employs the FFT-ATT-LSTM network to experimentally evaluate random numbers with varying degrees of randomness. The experimental results are shown in Figure 1.
Figure 1 illustrates the correlation between minimum entropy and prediction accuracy. To quantitatively analyze this relationship, the Pearson correlation coefficient is introduced to measure the linear correlation between the two variables. The calculation yields a Pearson correlation coefficient of −0.925 (p = 1.07 × 10−7, p < 0.05), which indicates a significant negative correlation between minimum entropy and the neural network’s prediction accuracy. A p-value less than 0.05 suggests that the probability of observing such a strong correlation, assuming no correlation exists, is less than 5%. Therefore, the null hypothesis can be rejected, and the correlation is statistically significant. Based on these findings, the neural network model proposed in this paper can indirectly assess the entropy source quality by predicting the randomness of different random number sequences.

2.2. Dataset Preparation

2.2.1. ROs-TRNG Setup

The true random number generator (TRNG) based on multi-ring oscillators is widely utilized in industrial applications due to its distinct entropy source, simple architecture, and ease of implementation [30]. However, phase-locking phenomena may occur during operation [31], which can reduce the number of effective oscillators, thereby diminishing the randomness of the generator’s output. Additionally, environmental factors such as temperature variations and voltage fluctuations can further compromise the randomness, potentially introducing security vulnerabilities. Consequently, evaluating the entropy source quality of multi-ring oscillator-based TRNGs has become a critical and timely research area.
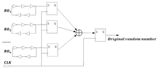
The basic architecture of a random number generator based on multi-ring oscillators is illustrated in Figure 2. This configuration comprises two main components: the entropy source and the entropy extraction circuit. The entropy source consists of multiple ring oscillators, each producing a high-frequency oscillatory signal. These signals are sampled by D flip-flops to generate a low-frequency signal, which is subsequently processed through a multi-way XOR operation. The final output signal is then sampled by a D flip-flop to produce the raw random number.
The ring oscillator consists of an odd number of inverters, and during operation, factors such as channel thermal noise and flicker noise in transistors lead to random timing errors in the inverters. These errors manifest as timing jitters in the output of the oscillator, which follows a Gaussian distribution. To achieve sufficient entropy, a parallel multi-ring structure is employed.
As shown in Figure 3, FPGA is used to implement random numbers with different ring counts, specifically using the Zynq-7020 platform. The oscillator ring is constructed using five-stage inverters, with an oscillation frequency of approximately 200   M H z . Sampling is performed using a 10   M H z clock signal, and the outputs are combined through multi-way XOR to produce a single output. To simulate the variation in the quality of random numbers in practical applications of multi-ring oscillators, the number of oscillation rings is set to K = { 8 , 12 , 16 , 20 , 24 , 28 , 32 , 64 , 128 } . For a fixed ring count of 32, different sampling frequencies f s a m p l e = 10 , 20 , 30 , 40 , 50 , 60 , 70 , 80   M H z are set.

2.2.2. LCG-DRNG Setup

To evaluate the robustness of the neural network prediction model, this paper introduces a pseudo-random number generator based on the Linear Congruential Generator (LCG), a widely used algorithm known for its simplicity and ease of implementation. The LCG generates a series of pseudo-random numbers using a recursive formula. Its mathematical expression is as follows:
X n + 1 = ( a X n + c ) m o d M
Here, X = { X 0 , X 1 , X 2 , X 3 , , X n } represents the random number sequence, with X 0 being the initial value ( 0 X 0 < M ). The initial value, or seed, determines the starting point of the random number sequence, with different seed values generating different sequences. M is the modulus of the generator, typically chosen to be a large number to achieve a longer random number cycle, commonly a large prime or a power of 2 ( 2 k ). a is the multiplier of the generator, typically chosen such that a and M are coprime while c is the increment, and it must also be coprime with M .
When the parameters are correctly chosen, the period of the random sequence equals M for any seed. In our experiment, we selected a = { 25214903917 } , c = 1 , and M = { 2 24 , 2 28 , 2 32 , 2 36 } . Random numbers were generated using Python 3.8. To obtain sequences with varying degrees of randomness, pseudo-random sequences with different periods were generated.

2.3. Evaluation of Different Datasets

This paper evaluates the performance of LCG pseudo-random numbers with different periods and random numbers generated by a ring oscillator (RO) implemented on FPGA using the NIST-STS statistical suite and the NIST-90B minimum entropy test.
The NIST SP 800-90B statistical test suite employs five independent statistical tests to calculate the minimum entropy, including the Collision, Partial Collection, Markov, Compression, and Frequency tests [32]. In 2018, NIST formally adopted four predictors—MultiMCW, Lag, MultiMMC, LZ78Y, and MultiMA—to improve the accuracy of minimum entropy prediction [33]. Minimum entropy serves as a measure of the randomness of numbers, with higher entropy values indicating that the random numbers are more difficult to predict, thus enhancing the security of the entropy source. Among these tests, the minimum entropy of the source is determined by selecting the smallest value from the results.
The analysis examines the random number performance under varying ring counts and sampling frequencies. Table 1, Table 2 and Table 3 present the results of the NIST suite tests and minimum entropy values for each dataset.
As shown in Table 1, when the period of the LC-RNG exceeds 2 32 , the generated pseudo-random numbers successfully pass all NIST statistical tests. Moreover, the statistical p-values differ from those obtained when the period is 2 36 , suggesting the potential presence of intrinsic correlations within the generated sequences.
The performance of ROs-generated random numbers under different ring counts and sampling frequencies in the NIST statistical suite and minimum entropy tests is presented in Table 2 and Table 3. The results demonstrate that for sampling frequencies below 10 MHz, ROs-RNG with more than 32 rings successfully passes the NIST statistical tests. Additionally, as the number of rings increases, the minimum entropy value also shows a gradual improvement. However, when the ring count is fixed at 32, an increase in sampling frequency leads to a reduction in randomness.

2.4. Data Collection and Preprocessing

In the data collection phase, this study utilizes datasets of pseudo-random numbers with varying periods and multi-ring random numbers with different ring counts, each containing 10,000,000 random numbers. These datasets undergo testing with the NIST statistical suite and the minimum entropy test from NIST SP 800-90B, with performance evaluated across four predictors and the final accuracy reported as the lowest value among them. The minimum entropy test is performed with 10 trials for each dataset, and the average result is used. Following the evaluation, 400,000 datasets are selected for training and 500,000 for testing, with the test set divided into 5 groups of 100,000 datasets each to ensure experimental rigor.
The internal correlation of the sequences is determined by evaluating the prediction accuracy of the subsequent bit, which is intrinsically linked to the quality of the random numbers. As shown in Figure 4, the data processing uses 32 consecutive bits as the input sequence, with the 33rd bit serving as the corresponding label. The data are then incrementally shifted by one bit to update the input sequence and label accordingly until all datasets are grouped and labeled. The labeled data are subsequently used for training and testing the neural network.

3. Model Design

This study visualizes random numbers with varying degrees of randomness in both the time and frequency domains. In the time domain, the random numbers are represented as QR codes, facilitating the direct observation of the distribution of 0 s and 1 s. In the frequency domain, the power spectral density (PSD) is employed to analyze the frequency characteristics of the random numbers, with the corresponding visualizations provided in Figure 5.
As previously discussed, the randomness of the numbers is closely related to the number of rings and period size: larger numbers of rings and longer periods generally correlate with greater randomness. Time-domain plots reveal that some random number sequences exhibit clear periodic patterns, except for those with notably low entropy. In contrast, sequences with higher randomness show no discernible structure, with the 0 s and 1 s appearing uniformly and randomly distributed.
In the frequency domain, ideal random numbers should exhibit a flat PSD curve. The results demonstrate that data with poor randomness display substantial fluctuations in the PSD plot, whereas data with stronger randomness tend to produce flatter PSD curves. Consequently, in the development of correlation identification models, the focus should be placed on frequency-domain features.

3.1. Design of the Deep Learning Network Framework

Traditional Recurrent Neural Network (RNN) models often encounter the challenges of gradient vanishing or exploding when processing long sequence data, which limits their ability to learn long-term dependencies [34]. In contrast, LSTM (Long Short-Term Memory network) effectively addresses these issues with its unique gating mechanisms, including forget gates, input gates, and output gates, enabling sustained data dependency and making it highly suitable for long-duration sequence prediction [35]. Additionally, visualizing the power spectral density (PSD) of random numbers reveals rich features hidden within the frequency domain. The Fast Fourier Transform (FFT) efficiently converts time-domain features into frequency-domain features, while the Feedforward Neural Network (FNN), due to its simple structure and ease of training, excels in handling time series signals with pronounced nonlinear characteristics [36].
The frequency-domain characteristics of random numbers provide insights into potential phase relationships and harmonic connections between signals, offering a distinct advantage over time-domain features in revealing periodicity and correlations. However, time-domain features complement this by capturing details that may be overlooked in frequency-domain analysis through direct examination of the time series. The integration of both time-domain and frequency-domain features allows for a more comprehensive exploration of the hidden, non-intuitive correlations between signals. This process is grounded in multimodal learning, where time-domain and frequency-domain modalities offer complementary information that enhances feature representation. By processing both domains through separate deep network branches, each can learn domain-specific features. Fusion of these features enables the network to leverage the unique strengths of both representations, resulting in a more robust and informative feature vector. This process also taps into the deep neural network’s ability to model complex relationships between the time-domain and frequency-domain signals. In tasks such as periodic signal prediction, anomaly detection, or classification, frequency-domain features enhance model performance by providing periodicity information while time-domain data unveil finer sequence variations. Therefore, the combination of these features increases the accuracy and robustness of models when addressing these tasks.
By merging time-domain and frequency-domain features, this study substantially improves the prediction accuracy and efficiency of random number sequences. LSTM processes the time-domain information, while FFT handles the frequency-domain components. The soft attention mechanism works in conjunction with fully connected layers to guide the model’s focus toward the most critical features, thereby optimizing overall prediction performance. The schematic representation is provided in Figure 6.
The input random number sequence is first divided into 32-bit blocks, denoted as X n . The time-domain branch processes these sequences through 30 LSTM units, with each unit outputting a hidden state H L = L S T M X n at each corresponding time step. These hidden states are subsequently fed into the soft attention mechanism.
A simplified soft attention layer is employed to weight the input features, emphasizing the most salient information. This layer consists of a fully connected layer followed by a Softmax layer, which maps the input features to a consistent dimensionality. The attention mechanism calculates the weight of each feature, assigning higher weights to important features and lower weights to relatively less important ones. This allows the model to establish relationships between different parts of the input and perform weighted contributions from different features. Specifically, given the input tensor H L , attention scores H A   are computed through a linear transformation:
H A = L i n e r ( X ) = W A H L + B A
Softmax is applied to normalize these scores along the feature dimension, yielding the relative importance of each feature for the current sample:
H S A = S o f t m a x ( H A )
After normalization, the attention weights are element-wise multiplied with the original input features to generate the weighted feature representation:
H A T T = H S A X
The output tensor H A T T   is reshaped to match the original input dimensions, preserving the structure. This mechanism enables the model to focus on the most relevant parts of the input.
The frequency-domain branch transforms the time-domain signal   X   into its frequency-domain representation using Fast Fourier Transform (FFT), yielding real and imaginary components. These features can reveal the periodicity and correlations within the sequence. By analyzing the frequency-domain signals, the model can identify the frequency components of the signal, effectively capturing the underlying patterns within the sequence. These components are then processed through a fully connected layer with 16 neurons and an ReLU activation to extract frequency-related features:
H F = R e L u W F H f f t + B F         [ H f f t = F F T X = { X r e a l , X i m a g } ]
In the feature fusion stage, the outputs from the time-domain and frequency-domain branches are concatenated and passed through a fully connected layer with 30 neurons:
H m = C o n c a t e n a t e H F , H A T T = W m H F , H A T T + B m
These fused features are further processed through a fully connected layer with 20 neurons and an ReLU activation:
H o = R e L u ( W o H m + B o )
Finally, the model outputs the predicted class through a Softmax layer:
y ^ = S o f t m a x H o
This architecture significantly enhances the prediction accuracy of random number sequences by integrating both time-domain and frequency-domain features. LSTM processes the time-domain information, capturing the instantaneous changes within the sequence, while FFT handles the frequency-domain components, revealing the periodic elements of the sequence. The soft attention mechanism, combined with fully connected layers, ensures that the model focuses on the most critical features, thereby optimizing overall predictive performance. By fusing these two types of features, the model can identify non-intuitive correlations within the sequence.

3.2. System Evaluation

In this study, the neural network’s prediction accuracy is employed to evaluate the presence of correlation in random sequences. In an ideal and unpredictable random system, the probabilities of 0 and 1 are equal, with each occurring at a 50% rate. Consequently, a minimum entropy approaching 1 indicates a higher degree of randomness in the system. The neural network’s prediction accuracy is calculated as:
P p r e = N T N T + N F × 100 %
where N T is the number of successful predictions for the next bit, and N F is the number of failed predictions.
For an ideal random number sequence, the assumption of independence and identical distribution holds, indicating that each bit is independent and there is no correlation between them. According to the central limit theorem [37], the prediction for the next bit follows a distribution X ~ N ( 0.5 , 1 2 n ) , where n is the number of predictions. In the experiments, the test set contains 100,000 sequences, which leads to n = 100,000 predictions and a standard deviation of σ = 0.00158 . Set 3σ and 5σ as the boundaries, corresponding to P b 1 = 0.5 + 3 σ = 0.50474 and P b 2 = 0.5 + 5 σ = 0.5079 , respectively. If the prediction probability is higher than P b 2 , it indicates that there is a 99.9% probability of identifying the correlation between sequences, which, at this time, means that there is an obvious correlation among the random numbers. If the prediction probability is lower than P b 1 , it indicates that the correlation among the random numbers is extremely small. When the prediction probability is between P b 1   and P b 2 , it indicates that there is a risk of weak correlation among the random numbers.

4. Results and Discussion

4.1. Overall Workflow

The experimental procedure in this study is structured into three primary phases: data collection and preprocessing, model training and validation, and result evaluation and analysis. Initially, in the data collection and preprocessing phase, random numbers with varying degrees of randomness are collected, categorized, and labeled accordingly; these processed data are then split into training and testing datasets. In the subsequent model training and validation phase, the preprocessed data are input into the configured neural networks for training and validation with prediction accuracies recorded for performance evaluation. Finally, in the result evaluation and analysis phase, the randomness of the generated random numbers under different conditions is assessed using statistical suites, with the resulting evaluations correlated with the prediction accuracies of the neural networks to explore the relationship between prediction accuracy and entropy values.

4.2. Presentation of Experimental Details

In this study, the random number prediction task is formulated as a multi-class classification problem, with the cross-entropy loss function employed to quantify the discrepancy between the model’s predictions and the true labels. The Adam optimizer is utilized to minimize this loss function, guiding the model’s parameter updates throughout the training process.
To assess the efficacy of the proposed model, it is benchmarked against five baseline networks: FNN, RNN, LSTM, TCN, and Transformer. The specific parameter configurations of these baseline networks are detailed in Table 4. Notably, the Residual Blocks in the model consist of three layers, each comprising two convolutional operations, with the dilation factor for each convolutional layer set to 2. The dilation factor increases with the depth of the layer, where the first layer has a dilation factor of 1, the second layer has a factor of 2, and the third layer has a factor of 4. The Embedding Layer maps the raw sequence data into 16-dimensional vectors, incorporating positional encoding to ensure the model captures the time-step positional information. The Transformer Encoder Layer processes the input data using self-attention mechanisms and feed-forward networks to produce 16-dimensional output vectors at each layer, and the final output after two layers of processing is used for the classification task.

4.3. Analysis and Discussion of Experimental Results

This paper provides a quantitative evaluation of the prediction performance of various neural network models for random number generation, focusing on the accuracy of their predictions. The experimental results reveal that the FFT-ATT-LSTM model consistently outperforms other networks in prediction accuracy across different periods. As shown in Table 5, for a period of M = 2 24 , the FFT-ATT-LSTM model achieves a prediction accuracy of 71.42%, substantially higher than the LSTM model at 66.96% and the FNN model at 60.92%, showing improvements of 4.46 percentage points and 10.5 percentage points, respectively. It is noteworthy that when the period is extended to M = 2 32 and the random numbers pass the NIST statistical suite tests, the prediction accuracy of the proposed model exceeds the threshold P b 2 , indicating the model’s capability to identify internal correlations within random numbers. This demonstrates the model’s enhanced ability to handle long sequences and detect correlations within random number sequences through the integration of FFT and attention mechanisms.
In the case of the ROs-RNG model, when the number of rings exceeds 32, the random numbers pass the NIST statistical suite tests. As shown in Table 6, the prediction accuracy of the FFT-ATT-LSTM model consistently outperforms the other baseline networks, particularly when the number of rings is set to 32. Under the condition that the random numbers pass the NIST statistical suite tests, the prediction accuracy of the FFT-ATT-LSTM model also exceeds the threshold, while the accuracy of all other baseline models falls short of this threshold. This demonstrates the model’s superior ability to identify internal correlations within random numbers. This further validates the effectiveness of combining FFT with attention mechanisms to uncover hidden correlations within random number sequences, thereby enhancing prediction performance.
Figure 7 illustrates the prediction performance of various neural network models under different conditions of ring counts and sampling frequencies. The random numbers generated by the multi-ring random number generator exhibit varying degrees of randomness, with the sampling frequency influencing their randomness. Specifically, an increase in the number of rings leads to a rise in the minimum entropy of the random numbers, while an elevation in the sampling frequency results in a decrease in minimum entropy. Among the six evaluated neural networks, the traditional RNN shows the poorest performance due to challenges such as gradient explosion and vanishing gradients.
In contrast, the incorporation of memory gates and other mechanisms in the LSTM model significantly enhances its ability to predict time series, allowing it to outperform both the FNN and RNN models. Transformer and TCN process sequential data in distinct manners: Transformer leverages self-attention mechanisms to capture long-range dependencies, while TCN utilizes 1D convolutions to model local dependencies. Under the constraints of limited sequence length and smaller datasets, the FFT-ATT-LSTM model proposed in this paper delivers superior performance, achieving a prediction accuracy of 90.12%, which exceeds that of TCN (88.34%), Transformer (87.43%), FNN (78.21%), RNN (77.42%), and LSTM (82.31%) by approximately 8 percentage points.
To further substantiate the role of the FFT layer in identifying inherent randomness and periodic patterns within the random numbers, an ablation experiment was performed. The results presented in Table 7 show that for datasets with substantial fluctuations in the PSD plot, removing the FFT layer leads to a reduction in prediction accuracy by approximately 8–9%. This indicates that the FFT layer effectively extracts information from the PSD fluctuations, thereby enhancing prediction accuracy. For datasets exhibiting relatively flat Power Spectral Density (PSD) plots, the prediction accuracy of the ablated network is virtually identical to that of the original network, indicating that the LSTM’s ability to process time-domain information becomes the predominant factor in achieving accurate predictions. In contrast, for datasets with a period of M = 2 32 , the network incorporating the FFT layer maintains superior performance, not only surpassing the accuracy of the ablated network but also consistently exceeding the threshold (50.79%). This further substantiates the claim that the fusion of time-domain and frequency-domain features enhances the model’s capability to detect subtle correlations within random number sequences.
Table 8 summarizes the training and inference times, along with the hardware resource consumption of various models. The FNN and RNN models exhibit relatively small parameter sizes (6.45 KB and 7.74 KB, respectively) and lower computational complexity. However, their ability to identify correlations in random number sequences is limited, with prediction accuracies falling below the threshold under certain conditions, all of which are inferior to the model proposed in this study. In contrast, the TCN and Transformer models, with larger parameter sizes (41.51 KB and 61.51 KB, respectively) and higher computational complexity, demonstrate superior prediction accuracy compared to FNN, RNN, and LSTM. However, their capacity to detect correlations remains suboptimal relative to the FFT-ATT-LSTM model. The FFT-ATT-LSTM model, with a parameter size similar to that of LSTM (approximately 30 KB), surpasses LSTM in prediction accuracy by approximately 8 percentage points. Furthermore, it not only exceeds the accuracy threshold but also successfully passes the NIST statistical suite tests, thereby demonstrating its effectiveness in identifying subtle correlations within random number sequences.
This paper implements the proposed algorithm on an edge device, with the experimental platform built on a RISC-V microprocessor system based on the Zynq-7020 development board. The hardware resource consumption is summarized in Table 9. The network model parameters and computation methods are compiled using C language and loaded onto the RISC-V processor, enabling online training and forward inference evaluation of random numbers. The experimental process is illustrated in Figure 8, where data are imported into the development board via the UART serial port. The board performs on-chip weight updates for both the training and test datasets. Finally, the training results are transmitted back to the PC via UART for prediction accuracy observation. This paper presents prediction experiments for the LC-RNG and ROs-RNG under two different randomness conditions. The experimental results are shown in Table 10. Although the on-chip training time is relatively long, approximately 30 min, the prediction accuracy is consistent with the PC-based results. This result preliminarily validates the feasibility of implementing the algorithm on edge devices. Future research will focus on optimizing the neural network model and incorporating hardware accelerators to enhance computational efficiency.

5. Conclusions

This paper introduces an innovative deep learning architecture, Fast Fourier Transform-Attention Mechanism-Long Short-Term Memory Network (FFT-ATT-LSTM), designed to enhance the identification of hidden correlations within random number sequences by effectively integrating both time-domain and frequency-domain features. Experimental results demonstrate a significant negative correlation between minimum entropy values and the network’s prediction accuracy, with a Pearson correlation coefficient of −0.925 and a p-value of 1.07 × 10−7. This finding offers a novel approach for evaluating entropy source quality. The model incorporates a simplified soft attention mechanism that enhances the Long Short-Term Memory (LSTM) network’s ability to capture time-domain features. Meanwhile, the Fast Fourier Transform (FFT) extracts frequency-domain features, enabling the effective fusion of multi-modal characteristics. Experimental outcomes reveal that when predicting random numbers generated by linear congruential generators and multi-ring random number generators, FFT-ATT-LSTM improves prediction accuracy by 4.46% and 8%, respectively, compared to baseline networks. Ablation studies on the FFT layer further confirm the significance of frequency-domain features, as its removal results in an 8–9% reduction in prediction accuracy. Moreover, FFT-ATT-LSTM maintains its ability to detect correlations within sequences (above the threshold), even when the prediction accuracy of other baseline networks falls below the threshold. The FFT-ATT-LSTM network exhibits a hardware overhead of 33.90 KB, which is higher than that of traditional networks such as FNN, RNN, and LSTM. However, it significantly outperforms these models in terms of prediction accuracy. It also surpasses models such as TCN (41.51 KB) and Transformer (61.51 KB), both in terms of model size and performance. Given its optimal balance between hardware resource requirements and prediction performance, FFT-ATT-LSTM offers a superior cost-performance ratio. The paper also presents an embedded implementation of the model, demonstrating the feasibility of its online deployment. Future work will focus on further investigating the relationship between prediction accuracy and minimum entropy values, with the aim of exploring the feasibility of inferring minimum entropy from prediction accuracy. Additionally, the network’s architecture will be further optimized to enhance its performance in real-time health monitoring of entropy sources in random number generators.

Author Contributions

Conceptualization, Q.S. and K.M.; methodology, Q.S., K.M. and Y.Z.; software, Q.S. and Y.Z.; validation, Q.S., K.M. and Y.Z.; formal analysis, M.L.; investigation, C.Y.; resources, Q.S. and M.L.; data curation, Z.W.; writing—original draft preparation, Q.S. and K.M.; writing—review and editing, Q.S.; visualization, Q.S.; supervision, M.L.; project administration, M.L. and K.M.; funding acquisition, M.L. and K.M. All authors have read and agreed to the published version of the manuscript.

Funding

This work has been supported by National Natural Science Foundation of China (Grant No. 52474270).

Data Availability Statement

The data that support the findings of this study are available from the corresponding author upon reasonable request.

Conflicts of Interest

The authors declare no conflict of interest.

References

  1. Stefanov, A.; Gisin, N.; Guinnard, O.; Guinnard, L.; Zbinden, H. Optical quantum random number generator. J. Mod. Opt. 2000, 47, 595–598. [Google Scholar] [CrossRef]
  2. Hastings, M.; Fried, J.; Heninger, N. Weak keys remain widespread in network devices. In Proceedings of the 2016 Internet Measurement Conference, Piscataway, NJ, USA, 16 November 2016; pp. 49–63. [Google Scholar]
  3. Ghafoor, I.; Jattala, I.; Durrani, S.; Tahir, C.M. Analysis of OpenSSL Heartbleed vulnerability for embedded systems. In Proceedings of the 17th IEEE International Multi Topic Conference 2014, Karachi, Pakistan, 8–10 December 2014; pp. 314–319. [Google Scholar]
  4. Lambić, D. Security analysis and improvement of the pseudo-random number generator based on piecewise logistic map. J. Electron. Test. 2019, 35, 519–527. [Google Scholar] [CrossRef]
  5. Wang, Z.; Yu, H.; Zhang, Z.; Piao, J.; Liu, J. ECDSA weak randomness in Bitcoin. Future Gener. Comput. Syst. 2020, 102, 507–513. [Google Scholar] [CrossRef]
  6. Garipcan, A.M.; Erdem, E. Implementation of a digital TRNG using jitter based multiple entropy source on FPGA. Inf. MIDEM 2019, 49, 79–90. [Google Scholar]
  7. Huang, M.; Chen, Z.; Zhang, Y.; Guo, H. A Gaussian-distributed quantum random number generator using vacuum shot noise. Entropy 2020, 22, 618. [Google Scholar] [CrossRef] [PubMed]
  8. Wang, L.; Wang, D.; Gao, H.; Guo, Y.; Wang, Y.; Hong, Y.; Shore, K.A.; Wang, A. Real-time 2.5-Gb/s correlated random bit generation using synchronized chaos induced by a common laser with dispersive feedback. IEEE J. Quantum Electron. 2019, 56, 1–8. [Google Scholar] [CrossRef]
  9. Yoshiya, K.; Terashima, Y.; Kanno, K.; Uchida, A. Entropy evaluation of white chaos generated by optical heterodyne for certifying physical random number generators. Opt. Express 2020, 28, 3686–3698. [Google Scholar] [CrossRef]
  10. Truong, N.D.; Haw, J.Y.; Assad, S.M.; Lam, P.K.; Kavehei, O. Machine learning cryptanalysis of a quantum random number generator. IEEE Trans. Inf. Forensics Secur. 2018, 14, 403–414. [Google Scholar] [CrossRef]
  11. Rukhin, A.; Soto, J.; Nechvatal, J.; Smid, M.; Barker, E.; Leigh, S.; Levenson, M.; Vangel, M.; Banks, D.; Heckert, A.; et al. A Statistical Test Suite for Random and Pseudorandom Number Generators for Cryptographic Applications; US Department of Commerce, Technology Administration, National Institute of Standards and Technology: Washington, WA, USA, 2001. [Google Scholar]
  12. Killmann, W.; Schindler, W. AIS 31: Functionality Classes and Evaluation Methodology for True (Physical) Random Number Generators, version 3.1; Bundesamt fur Sicherheit in der Informationstechnik (BSI): Bonn, Germany, 2001. [Google Scholar]
  13. Brown, R.G.; Eddelbuettel, D.; Bauer, D. Dieharder; Duke University Physics Department Durham: Durham, NC, USA, 2018; p. 27708-0305. [Google Scholar]
  14. L’ecuyer, P.; Simard, R. TestU01: AC library for empirical testing of random number generators. ACM Trans. Math. Softw. (TOMS) 2007, 33, 1–40. [Google Scholar] [CrossRef]
  15. LeCun, Y.; Bengio, Y.; Hinton, G. Deep learning. Nature 2015, 521, 436–444. [Google Scholar] [CrossRef]
  16. Maksutov, A.A.; Goryushkin, P.N.; Gerasimov, A.A.; Orlov, A.A. PRNG assessment tests based on neural networks. In Proceedings of the 2018 IEEE Conference of Russian Young Researchers in Electrical and Electronic Engineering (EIConRus), Moscow, Russia, 29 January–1 February 2018; pp. 339–341. [Google Scholar]
  17. Fan, F.; Wang, G. Learning from pseudo-randomness with an artificial neural network–does god play pseudo-dice? IEEE Access 2018, 6, 22987–22992. [Google Scholar] [CrossRef]
  18. Yang, J.; Zhu, S.; Chen, T.; Ma, Y.; Lv, N.; Lin, J. Neural network based min-entropy estimation for random number generators. In Proceedings of the International Conference on Security and Privacy in Communication Systems, Singapore, 8–10 August 2018; Springer: Berlin/Heidelberg, Germany, 2018; pp. 231–250. [Google Scholar]
  19. Chen, C.P.; Liu, Z. Broad learning system: An effective and efficient incremental learning system without the need for deep architecture. IEEE Trans. Neural Netw. Learn. Syst. 2017, 29, 10–24. [Google Scholar] [CrossRef] [PubMed]
  20. Feng, S.; Chen, C.P. Fuzzy broad learning system: A novel neuro-fuzzy model for regression and classification. IEEE Trans. Cybern. 2018, 50, 414–424. [Google Scholar] [CrossRef]
  21. Han, M.; Feng, S.; Chen, C.P.; Xu, M.; Qiu, T. Structured manifold broad learning system: A manifold perspective for large-scale chaotic time series analysis and prediction. IEEE Trans. Knowl. Data Eng. 2018, 31, 1809–1821. [Google Scholar] [CrossRef]
  22. Xu, M.; Han, M.; Chen, C.P.; Qiu, T. Recurrent broad learning systems for time series prediction. IEEE Trans. Cybern. 2018, 50, 1405–1417. [Google Scholar] [CrossRef] [PubMed]
  23. Wen, Y.; Yu, W. Machine learning—Resistant pseudo—Random number generator. Electron. Lett. 2019, 55, 515–517. [Google Scholar] [CrossRef]
  24. Li, C.; Zhang, J.; Sang, L.; Gong, L.; Wang, L.; Wang, A.; Wang, Y. Deep learning-based security verification for a random number generator using white chaos. Entropy 2020, 22, 1134. [Google Scholar] [CrossRef]
  25. Nagy, I.; Suciu, A. Randomness testing with neural networks. In Proceedings of the 2021 IEEE 17th International Conference on Intelligent Computer Communication and Processing (ICCP), Cluj-Napoca, Romania, 28–30 October 2021; pp. 431–436. [Google Scholar]
  26. Li, Z.; Feng, B.; Cui, L.; Wang, H.; Bian, Y.; Piao, G.; Zhou, X. Quantify Randomness of Quantum Random Number with Transformer Network. In Proceedings of the 2023 3rd International Conference on Intelligent Power and Systems (ICIPS), Shenzhen, China, 20–22 October 2023; pp. 17–22. [Google Scholar]
  27. Li, Y.; Zhu, Z.; Kong, D.; Han, H.; Zhao, Y. EA-LSTM: Evolutionary attention-based LSTM for time series prediction. Knowl. Based Syst. 2019, 181, 104785. [Google Scholar] [CrossRef]
  28. Yuan, Y.; Jia, K.; Ma, F.; Xun, G.; Wang, Y.; Su, L.; Zhang, A. A hybrid self-attention deep learning framework for multivariate sleep stage classification. BMC Bioinform. 2019, 20, 586. [Google Scholar] [CrossRef] [PubMed]
  29. Niu, Z.; Yu, Z.; Tang, W.; Wu, Q.; Reformat, M. Wind power forecasting using attention-based gated recurrent unit network. Energy 2020, 196, 117081. [Google Scholar] [CrossRef]
  30. Varchola, M. FPGA based true random number generators for embedded cryptographic applications. Semant. Sch. 2008, 1, 74–76. [Google Scholar]
  31. Yoo, S.-K.; Karakoyunlu, D.; Birand, B.; Sunar, B. Improving the Robustness of Ring Oscillator TRNGs. ACM Trans. Reconfig. Technol. Syst. 2010, 3, 1–30. [Google Scholar] [CrossRef]
  32. Sönmez Turan, M.; Barker, E.; Kelsey, J.; McKay, K.; Baish, M.; Boyle, M. Recommendation for the Entropy Sources Used for Random Bit Generation; No. NIST Special Publication (SP) 800-90B (Draft); National Institute of Standards and Technology: Gaithersburg, MD, USA, 2016. [Google Scholar]
  33. Turan, M.S.; Barker, E.; Kelsey, J.; McKay, K.A.; Baish, M.L.; Boyle, M. Recommendation for the entropy sources used for random bit generation. NIST Spec. Publ. 2018, 800, 102. [Google Scholar]
  34. Yuan, X.; Li, L.; Wang, Y. Nonlinear dynamic soft sensor modeling with supervised long short-term memory network. IEEE Trans. Ind. Inform. 2019, 16, 3168–3176. [Google Scholar] [CrossRef]
  35. Pienaar, S.W.; Malekian, R. Human activity recognition using LSTM-RNN deep neural network architecture. In Proceedings of the 2019 IEEE 2nd wireless africa conference (WAC), Pretoria, South Africa, 19 September 2019; pp. 1–5. [Google Scholar]
  36. Brockherde, F.; Vogt, L.; Li, L.; Tuckerman, M.E.; Burke, K.; Müller, K.-R. Bypassing the Kohn-Sham equations with machine learning. Nat. Commun. 2017, 8, 872. [Google Scholar] [CrossRef]
  37. Cybenko, G. Approximation by superpositions of a sigmoidal function. Math. Control Signals Syst. 1989, 2, 303–314. [Google Scholar] [CrossRef]
Figure 1. Fitting curve and data points between prediction accuracy and minimum entropy value based on FFT-ATT-LSTM.
Figure 1. Fitting curve and data points between prediction accuracy and minimum entropy value based on FFT-ATT-LSTM.
Entropy 27 00136 g001
Figure 2. Circuit structure of the true random number generator based on multi-ring oscillators.
Figure 2. Circuit structure of the true random number generator based on multi-ring oscillators.
Entropy 27 00136 g002
Figure 3. Schematic of Ros-TRNG Built on FPGA Development Board.
Figure 3. Schematic of Ros-TRNG Built on FPGA Development Board.
Entropy 27 00136 g003
Figure 4. Grouping and Labeling of the Dataset.
Figure 4. Grouping and Labeling of the Dataset.
Entropy 27 00136 g004
Figure 5. Visualization of Time-Domain and Frequency-Domain for LC-RNG with Different Periods and Ros-RNG with Different Ring Counts.
Figure 5. Visualization of Time-Domain and Frequency-Domain for LC-RNG with Different Periods and Ros-RNG with Different Ring Counts.
Entropy 27 00136 g005
Figure 6. Schematic Diagram of the Deep Learning Architecture Proposed in This Study.
Figure 6. Schematic Diagram of the Deep Learning Architecture Proposed in This Study.
Entropy 27 00136 g006
Figure 7. Comparison of Prediction Performance and Minimum Entropy Values for Different Neural Network Models under Varying Conditions of Random Sequences: (a) Evaluation Results for Random Numbers Based on Different Ring Counts (8–128); (b) Evaluation Results for Random Numbers Based on Different Sampling Frequencies (10–80 MHz).
Figure 7. Comparison of Prediction Performance and Minimum Entropy Values for Different Neural Network Models under Varying Conditions of Random Sequences: (a) Evaluation Results for Random Numbers Based on Different Ring Counts (8–128); (b) Evaluation Results for Random Numbers Based on Different Sampling Frequencies (10–80 MHz).
Entropy 27 00136 g007
Figure 8. Schematic Diagram of Hardware Implementation.
Figure 8. Schematic Diagram of Hardware Implementation.
Entropy 27 00136 g008
Table 1. Results of NIST Statistical Test Suite and NIST 90B Minimum Entropy on LC-RNG Datasets at Different Stages.
Table 1. Results of NIST Statistical Test Suite and NIST 90B Minimum Entropy on LC-RNG Datasets at Different Stages.
Statistical TestsLC-RNG
M = 2 24 M = 2 28 M = 2 32 M = 2 36
p-ValueResultp-ValueResultp-ValueResultp-ValueResult
Frequency0.321384Success0.424134Success0.534146Success0.668821Success
Block Frequency0.157892Success0.324134Success0.532132Success0.660658Success
Cumulative Sums0.013142Success0.036413Success0.122325Success0.002043Success
Runs0.731543Success0.863452Success0.911413Success0.066822Success
Longest Run0.324141Success0.431241Success0.534146Success0.739918Success
Rank0.531134Success0.778635Success0.911413Success0.723103Success
FFT0.000000Failure0.234131Success0.593681Success0.327831Success
Non-overlapping Template0.000000Failure0.000000Failure0.350485Success0.534146Success
Overlapping Template0.006215Success0.112378Success0.234351Success0.350485Success
Universal0.000000Failure0.098321Success0.122325Success0.347842Success
Approximate Entropy0.000000Failure0.934134Success0.997721Success0.999920Success
Random Excursions0.432421Success0.524141Success0.735211Success0.987277Success
Random Excursions Variant0.283741Success0.413673Success0.507518Success0.887214Success
Serial0.604215Success0.735213Success0.969284Success0.987277Success
Linear Complexity0.450524Success0.633256Success0.911413Success0.940102Success
Total successful tests11/1514/1515/1515/15
NIST-90B (Minimum entropy) 0.45780.67530.69620.7246
Table 2. Results of NIST Statistical Test Suite and NIST 90B Minimum Entropy on ROs-RNG Datasets with Different Ring Counts.
Table 2. Results of NIST Statistical Test Suite and NIST 90B Minimum Entropy on ROs-RNG Datasets with Different Ring Counts.
Statistical TestsROs-RNG
R O = 8 R O = 12 R O = 16 R O = 20 R O = 24 R O = 28 R O = 32 R O = 64 R O = 128
ResultResultResultResultResultResultResultResultResult
FrequencySuccessSuccessSuccessSuccessSuccessSuccessSuccessSuccessSuccess
Block FrequencyFailureSuccessSuccessSuccessSuccessSuccessSuccessSuccessSuccess
Cumulative SumsFailureFailureFailureFailureSuccessSuccessSuccessSuccessSuccess
RunsFailureSuccessSuccessSuccessSuccessSuccessSuccessSuccessSuccess
Longest RunSuccessSuccessSuccessSuccessSuccessSuccessSuccessSuccessSuccess
RankSuccessSuccessSuccessSuccessSuccessSuccessSuccessSuccessSuccess
FFTFailureFailureFailureFailureFailureFailureSuccessSuccessSuccess
Non-overlapping TemplateFailureFailureFailureFailureFailureSuccessSuccessSuccessSuccess
Overlapping TemplateFailureFailureSuccessSuccessSuccessSuccessSuccessSuccessSuccess
UniversalFailureFailureFailureFailureSuccessSuccessSuccessSuccessSuccess
Approximate EntropyFailureFailureFailureFailureFailureSuccessSuccessSuccessSuccess
Random ExcursionsSuccessSuccessSuccessSuccessSuccessSuccessSuccessSuccessSuccess
Random Excursions VariantSuccessSuccessSuccessSuccessSuccessSuccessSuccessSuccessSuccess
SerialFailureFailureFailureFailureSuccessSuccessSuccessSuccessSuccess
Linear ComplexitySuccessSuccessSuccessSuccessSuccessSuccessSuccessSuccessSuccess
Total successful tests6/158/159/159/1512/1514/1515/1515/1515/15
NIST-90B (Minimum entropy) 0.25530.35380.39120.45380.56630.65380.70630.91240.9452
Table 3. Results of NIST Statistical Test Suite and NIST 90B Minimum Entropy on ROs-RNG Datasets with Different Sampling Frequencies.
Table 3. Results of NIST Statistical Test Suite and NIST 90B Minimum Entropy on ROs-RNG Datasets with Different Sampling Frequencies.
Statistical TestsROs-RNG (RO = 32)
10   M H z 20   M H z 30   M H z 40   M H z 50   M H z 60   M H z 70   M H z
ResultResultResultResultResultResultResult
FrequencySuccessSuccessSuccessSuccessSuccessSuccessSuccess
Block FrequencySuccessSuccessSuccessFailureFailureFailureFailure
Cumulative SumsSuccessSuccessSuccessSuccessSuccessFailureFailure
RunsSuccessSuccessSuccessSuccessSuccessFailureFailure
Longest RunSuccessSuccessSuccessSuccessSuccessSuccessSuccess
RankSuccessSuccessSuccessSuccessSuccessSuccessSuccess
FFTSuccessFailureFailureFailureFailureFailureFailure
Non-overlapping TemplateSuccessSuccessFailureFailureFailureFailureFailure
Overlapping TemplateSuccessSuccessSuccessSuccessSuccessSuccessFailure
UniversalSuccessSuccessSuccessFailureFailureFailureFailure
Approximate EntropySuccessSuccessSuccessSuccessFailureFailureFailure
Random ExcursionsSuccessSuccessSuccessSuccessSuccessSuccessFailure
Random Excursions VariantSuccessSuccessSuccessSuccessSuccessSuccessSuccess
SerialSuccessSuccessSuccessFailureFailureFailureFailure
Linear ComplexitySuccessSuccessSuccessSuccessSuccessSuccessSuccess
Total successful tests15/1514/1513/1510/159/157/155/15
NIST-90B (Minimum entropy)0.70630.63410.536250.41370.32620.31620.2075
Table 4. Model configurations of different baseline networks.
Table 4. Model configurations of different baseline networks.
FNN-Based ModelRNN-Based ModelLSTM-Based ModelTCN-Based ModelTransformer-Based Model
Input layerInput layerInput layerInput layerInput layer
FC-30 + ReluRNN-30 + ReluLSTM-30 + ReluResidual Blocks1Embedding Layer-16 +
Positional Encoding (Tanh)
FC-20 + ReluFC-2 + SoftmaxFC-2 + SoftmaxResidual Blocks2Transformer Encoder
Layers1 (nhead = 4)
FC-2 + Softmax//Residual Blocks3Transformer Encoder
Layers2 (nhead = 4)
///FC-16+ ReluFC-64
///FC-2+SoftmaxFC-2 + Softmax
Table 5. Prediction Performance of Different Models for LC-RNG with Varying Periods.
Table 5. Prediction Performance of Different Models for LC-RNG with Varying Periods.
ModelLC-RNG (Accuracy: %)
M = 2 24 M = 2 28 M = 2 32 M = 2 36
FNN-Based Model 60.92 ± 0.02 54.45 ± 0.01 50.33 ± 0.03 50.29 ± 0.01
RNN-Based Model 54.15 ± 0.02 51.79 ± 0.04 50.15 ± 0.02 50.05 ± 0.02
LSTM-Based Model 66.96 ± 0.02 59.84 ± 0.02 50.41 ± 0.02 50.32 ± 0.02
TCN-Based Model 58.18 ± 0.02 56.97 ± 0.03 50.26 ± 0.02 50.43 ± 0.02
Transformer-Based Model 52.35 ± 0.02 51.26 ± 0.07 50.03 ± 0.02 49.04 ± 0.02
FFT-ATT-LSTM-Based Model 71.42 ± 0.01 68.52 ± 0.04 50.81 ± 0.02 50.48 ± 0.03
Table 6. Prediction Performance of Different Models for ROs-RNG with Varying Ring Counts.
Table 6. Prediction Performance of Different Models for ROs-RNG with Varying Ring Counts.
ModelROs-RNG (Accuracy: %)
R O = 28 R O = 32 R O = 64 R O = 128
FNN-Based Model 50.89 ± 0.02 50.32 ± 0.01 50.14 ± 0.03 50.08 ± 0.01
RNN-Based Model 50.84 ± 0.05 50.21 ± 0.04 50.15 ± 0.02 50.02 ± 0.01
LSTM-Based Model 51.21 ± 0.01 50.41 ± 0.02 50.21 ± 0.02 50.05 ± 0.02
TCN-Based Model 51.35 ± 0.03 50.42 ± 0.03 50.32 ± 0.02 50.01 ± 0.03
Transformer-Based Model 51.33 ± 0.02 50.32 ± 0.07 50.21 ± 0.02 50.02 ± 0.02
FFT-ATT-LSTM-Based Model 51.89 ± 0.02 50.68 ± 0.01 50.32 ± 0.02 50.12 ± 0.03
Table 7. Ablation Study Results for the FFT Layer of FFT-ATT-LSTM.
Table 7. Ablation Study Results for the FFT Layer of FFT-ATT-LSTM.
ModelROs-RNG (Accuracy: %)LC-RNG (Accuracy: %)
R O = 8 R O = 64 M = 2 32 M = 2 36
ATT-LSTM-Based Model 73.54 ± 0.02 50.22 ± 0.02 62.46 ± 0.02 50.41 ± 0.02
FFT-ATT-LSTM-Based Model 81.81 ± 0.02 50.32 ± 0.02 71.42 ± 0.01 50.81 ± 0.02
Table 8. Comparison of Training and Inference Times, and Hardware Resource Consumption for Different Models.
Table 8. Comparison of Training and Inference Times, and Hardware Resource Consumption for Different Models.
ModelTraining Time per Epoch (s)Inference Time (s)ParamsFlops
FNN-Based Model7.12 3.06 6.45 K B 1600
RNN-Based Model3.51 2.19 7.74 K B 2010
LSTM-Based Model6.31 2.67 30.24 K B 7980
TCN-Based Model5.62 4.74 41.51 K B 332 , 320
Transformer-Based Model4.95 3.51 61.51 K B 479 , 072
FFT-ATT-LSTM-Based Model6.56 2.82 33.90   KB 254 , 400
Table 9. Hardware Resource Usage.
Table 9. Hardware Resource Usage.
ResourceUtilizationAvailableUtilization Rate (%)
LUT31,498203,80015.46
LUTRAM16,69964,00026.09
FF19,326407,6004.74
BRAM44.5044510
DSP628407.38
BUFG53210
Table 10. The prediction accuracy and time of the FFT-ATT-LSTM network for on-chip training of random numbers with different randomness.
Table 10. The prediction accuracy and time of the FFT-ATT-LSTM network for on-chip training of random numbers with different randomness.
DatasetPrediction Accuracy (%)On-Chip Training Prediction Accuracy (%)On-Chip Training Time (min)
LC-RNG ( M = 2 24 )71.4271.3833.8 min
LC-RNG ( M = 2 36 )50.4850.3934.7 min
ROs-RNG ( R O = 28 )51.8951.7133.4 min
ROs-RNG ( R O = 64 )50.3250.2134.3 min
Disclaimer/Publisher’s Note: The statements, opinions and data contained in all publications are solely those of the individual author(s) and contributor(s) and not of MDPI and/or the editor(s). MDPI and/or the editor(s) disclaim responsibility for any injury to people or property resulting from any ideas, methods, instructions or products referred to in the content.

Share and Cite

MDPI and ACS Style

Sun, Q.; Ma, K.; Zhou, Y.; Wang, Z.; You, C.; Liu, M. An Online Evaluation Method for Random Number Entropy Sources Based on Time-Frequency Feature Fusion. Entropy 2025, 27, 136. https://doi.org/10.3390/e27020136

AMA Style

Sun Q, Ma K, Zhou Y, Wang Z, You C, Liu M. An Online Evaluation Method for Random Number Entropy Sources Based on Time-Frequency Feature Fusion. Entropy. 2025; 27(2):136. https://doi.org/10.3390/e27020136

Chicago/Turabian Style

Sun, Qian, Kainan Ma, Yiheng Zhou, Zhaoyuxuan Wang, Chaoxing You, and Ming Liu. 2025. "An Online Evaluation Method for Random Number Entropy Sources Based on Time-Frequency Feature Fusion" Entropy 27, no. 2: 136. https://doi.org/10.3390/e27020136

APA Style

Sun, Q., Ma, K., Zhou, Y., Wang, Z., You, C., & Liu, M. (2025). An Online Evaluation Method for Random Number Entropy Sources Based on Time-Frequency Feature Fusion. Entropy, 27(2), 136. https://doi.org/10.3390/e27020136

Note that from the first issue of 2016, this journal uses article numbers instead of page numbers. See further details here.

Article Metrics

Back to TopTop