Sign in to use this feature.

Years

Between: -

Subjects

remove_circle_outline
remove_circle_outline
remove_circle_outline
remove_circle_outline
remove_circle_outline
remove_circle_outline
remove_circle_outline

Journals

Article Types

Countries / Regions

Search Results (16)

Search Parameters:
Keywords = total-cross-tied (TCT)

Order results
Result details
Results per page
Select all
Export citation of selected articles as:
28 pages, 7616 KB  
Article
Boosting Solar Sustainability: Performance Assessment of Roof-Mounted PV Arrays Under Snow Considering Various Module Interconnection Schemes
by Ebrahim Mohammadi, Gerry Moschopoulos and Aoxia Chen
Sustainability 2025, 17(1), 329; https://doi.org/10.3390/su17010329 - 4 Jan 2025
Cited by 3 | Viewed by 2496
Abstract
The transition to renewable energy sources is vital for achieving sustainability, and photovoltaic (PV) systems play a key role in this shift. However, their performance can be significantly affected in snowy conditions, where the irradiation and energy production are limited. This study addresses [...] Read more.
The transition to renewable energy sources is vital for achieving sustainability, and photovoltaic (PV) systems play a key role in this shift. However, their performance can be significantly affected in snowy conditions, where the irradiation and energy production are limited. This study addresses a critical gap in the literature by developing a MATLAB/Simulink model that considers the impacts of snow layering and removal on roof-mounted photovoltaic arrays. This study investigates various module interconnection schemes—including Series, Series-Parallel, Total-Cross-Tied, Bridge-Linked, and Honey-Comb—to determine their impact on energy efficiency in snowy environments. Based on the results, when the modules are fully covered by uniform snow, the power losses can increase from 38.9% to 93.2% for all interconnection schemes by increasing the accumulated snow from 1 cm to 5 cm. When the modules are covered by nonuniform snow and the snow removal is considered the TCT scheme has the minimum power losses and the maximum efficiency, depending on the accumulated snow pattern. For the worst scenario, the power loss is 70.1% for TCT, 71.7% for SP, 72% for HC, 72.3% for BL, and 76.7% for series interconnection. For the other scenarios, almost a similar trend can be observed where the TCT interconnection has the maximum efficiency, and the series interconnection has the minimum efficiency. Full article
Show Figures

Figure 1

20 pages, 7108 KB  
Article
A Scalable Hierarchical Dynamic PV Array Reconfiguration under Partial Shading
by Fatimah Ameen, Abdulrahman Siddiq, Attila Trohák and Rabab Benotsmane
Energies 2024, 17(1), 181; https://doi.org/10.3390/en17010181 - 28 Dec 2023
Cited by 8 | Viewed by 3087
Abstract
Photovoltaic (PV) arrays are often affected by partial shading (PS), which can significantly reduce their power output. Dynamic reconfiguration is a promising technique for mitigating the negative effects of PS by adjusting the electrical connections of the PV modules in real-time. This paper [...] Read more.
Photovoltaic (PV) arrays are often affected by partial shading (PS), which can significantly reduce their power output. Dynamic reconfiguration is a promising technique for mitigating the negative effects of PS by adjusting the electrical connections of the PV modules in real-time. This paper introduces a hierarchical-based switching block scheme for the dynamic reconfiguration of PV arrays under PS conditions. With the aim of mitigating the negative impact of PS on PV arrays, the proposed system employs a low complexity and easily scalable architecture, making it well-suited for practical applications. Comparative assessments against conventional configurations such as bridge-linked (BL), total-cross-tied (TCT), and series–parallel (SP) reveal superior energy harvesting efficiency for the proposed system under various shading conditions. The hierarchical switching block architecture, featuring multiple levels of switching blocks, enables efficient and flexible reconfiguration of the PV array, even in the presence of complex shading patterns. Through extensive simulations, the system consistently outperforms conventional configurations by adapting effectively to changing shading patterns and optimizing the PV array’s output. The proposed switching block (SB) reconfiguration technique significantly outperforms existing methods like TCT, Sudoku, dynamic proposals, and Magic Square in terms of both power generation (up to 42.52% increase) and efficiency (up to 42.13% improvement) under diverse partial shading conditions. The proposed hierarchical-based switching block scheme thus presents a promising solution for enhancing the dynamic reconfiguration of PV arrays under PS conditions, offering a balance between low complexity, scalability, and superior energy harvesting efficiency for practical applications in the realm of solar energy. Full article
(This article belongs to the Special Issue Photovoltaic Solar Cells and Systems: Fundamentals and Applications)
Show Figures

Figure 1

28 pages, 9303 KB  
Article
Innovative Methodologies for Higher Global MPP of Photovoltaic Arrays under PSCs: Experimental Validation
by Belqasem Aljafari, Rupendra Kumar Pachauri, Sudhakar Babu Thanikanti and Bamidele Victor Ayodele
Sustainability 2023, 15(15), 11852; https://doi.org/10.3390/su151511852 - 1 Aug 2023
Cited by 2 | Viewed by 1525
Abstract
Partial shading conditions (PSCs) are responsible for the root causes of photovoltaic (PV) system performance deprivation such as hotspots (damaged PV cells), mismatch power losses and multiple power maxima. Recently, PV array reconfiguration strategies have proven to be beneficial in improving PV system [...] Read more.
Partial shading conditions (PSCs) are responsible for the root causes of photovoltaic (PV) system performance deprivation such as hotspots (damaged PV cells), mismatch power losses and multiple power maxima. Recently, PV array reconfiguration strategies have proven to be beneficial in improving PV system performance and achieving improved shade dispersion properties. This research analyzes the improved Su-Do-Ku (I-SDK) PV array configuration in order to counteract the shading effect. This approach implements a 6 × 6 size PV array configuration and performance evaluation under different realistic shading scenarios. The performance of the I-SDK configuration is assessed and compared to that of the total-cross-tied (TCT) and Su-Do-Ku (SDK) arrangements. The performance indices such as power loss (PL), power at global maximum power point (GMPP), fill-factor (FF), performance ratio (PR), power enhancement (PE) and execution ratio (ER) are analyzed to show comprehensive comparison. An experimental analysis confirms the MATLAB/Simulink findings, demonstrating that the I-SDK configuration outperforms both the TCT and SDK array setups. The GMPP values of 143.5 W, 141.7 W, 138.1 W and 129.3 W also show the superiority of I-SDK during four shading instances compared to conventional SP, TCT, SDK and SM arrangements. Moreover, under similar PSCs, higher %FF (74.61%, 76.10%, 77.1%, 75.92%) and lower PL (36.7 W, 38.5 W, 42.1 W, 50.9 W) support the adoptability of I-SDK for experimental validation/commercial viability. Full article
Show Figures

Figure 1

29 pages, 2010 KB  
Article
Implicit Mathematical Model of Photovoltaic Arrays with Improved Calculation Speed Based on Inflection Points of the Current–Voltage Curves
by Juan David Bastidas-Rodriguez, Carlos Andres Ramos-Paja and Andres Julian Saavedra-Montes
Energies 2023, 16(13), 4875; https://doi.org/10.3390/en16134875 - 22 Jun 2023
Cited by 2 | Viewed by 1715
Abstract
Dynamic reconfiguration, the monitoring of power production, and the fault diagnosis of photovoltaic arrays, among other applications, require fast and accurate models of photovoltaic arrays. In the literature, some models use the Lambert-W function to represent each module of the array, which increases [...] Read more.
Dynamic reconfiguration, the monitoring of power production, and the fault diagnosis of photovoltaic arrays, among other applications, require fast and accurate models of photovoltaic arrays. In the literature, some models use the Lambert-W function to represent each module of the array, which increases the calculation time. Other models that use implicit equations to avoid the Lambert-W function do not use the inflection voltages to simplify the system of nonlinear equations that represent the array, increasing the computational burden. Therefore, this paper proposes mathematical models for series-parallel (SP) and total-cross-tied (TCT) photovoltaic arrays based on the implicit equations of the single-diode model and the inflection points of the current–voltage curves. These models decrease the calculation time by reducing the complexity of the nonlinear equation systems that represent each string of SP arrays and the whole TCT. Consequently, the calculation process that solves the model speeds up in comparison with processes that solve traditional explicit models based on the Lambert-W function. The results of several simulation scenarios using the proposed SP model with different array sizes show a reduction in the computation time by 82.97% in contrast with the traditional solution. Additionally, when the proposed TCT model for arrays larger than 2×2 is used, the reduction in the computation time is between 47.71% and 92.28%. In dynamic reconfiguration, the results demonstrate that the proposed SP model provides the same optimal configuration but 7 times faster than traditional solutions, and the TCT model is solved at least 4 times faster than classical solutions. Full article
(This article belongs to the Special Issue Advances on Solar Energy and Photovoltaic Devices)
Show Figures

Figure 1

20 pages, 6597 KB  
Article
Dynamic Reconfiguration Method of Photovoltaic Array Based on Improved HPSO Combined with Coefficient of Variation
by Shuainan Hou and Wu Zhu
Electronics 2023, 12(12), 2744; https://doi.org/10.3390/electronics12122744 - 20 Jun 2023
Cited by 14 | Viewed by 3385
Abstract
In order to address the issue of power loss resulting from partial shadow and enhance the efficiency of photovoltaic power generation, the photovoltaic array reconfiguration technology is being increasingly utilized in photovoltaic power generation systems. This paper proposes a reconfiguration method based on [...] Read more.
In order to address the issue of power loss resulting from partial shadow and enhance the efficiency of photovoltaic power generation, the photovoltaic array reconfiguration technology is being increasingly utilized in photovoltaic power generation systems. This paper proposes a reconfiguration method based on improved hybrid particle swarm optimization (HPSO) for the photovoltaic array of TCT (total-cross-tied) structure. The motivation behind this method is to get the best reconfiguration scheme in a simple and efficient manner. The ultimate goal is to enhance the output power of the array, save energy, and improve its overall efficiency. The improved HPSO introduces the concept of hybridization in genetic algorithms and adopts a nonlinear decreasing weight method to balance the local search and global search ability of the algorithm and prevent it from falling into the local optimal solution. The objective function used is the variation coefficient of the row current without the weight factor. This approach saves time and balances the row current of the array by altering the electrical connection of the component. In the 4 × 3 array, the improved HPSO is compared with the Zig-Zag method. In the 9 × 9 array, the improved HPSO is compared with the CS (competence square) method and the improved SuDoKu method. The simulation results show that the power enhancement percentage of the improved HPSO is between 6.39% and 28.26%, and the power curve tends to single peak characteristics. The improved HPSO has a smaller mismatch loss and a higher fill factor in the five shadow modes, which can effectively improve the output power, and it is convenient to track the maximum power point later. Full article
(This article belongs to the Topic Energy Saving and Energy Efficiency Technologies)
Show Figures

Figure 1

34 pages, 15543 KB  
Article
A Novel Row Index Mathematical Procedure for the Mitigation of PV Output Power Losses during Partial Shading Conditions
by Muhammad Zeeshan, Naeem Ul Islam, Faiz Faizullah, Ihsan Ullah Khalil and Jaebyung Park
Symmetry 2023, 15(3), 768; https://doi.org/10.3390/sym15030768 - 21 Mar 2023
Cited by 6 | Viewed by 2537
Abstract
Energy demand forecasted for the next several years has been bench marked due to the massive need for electrical energy. Solar power plants have earned a great marketplace position in recent years, but also face challenges in terms of power dissipation due to [...] Read more.
Energy demand forecasted for the next several years has been bench marked due to the massive need for electrical energy. Solar power plants have earned a great marketplace position in recent years, but also face challenges in terms of power dissipation due to the frequent occurrence of shade. As a result, the per unit solar electricity price increases drastically. There is an immense need to ensure the maximum dependable power conversion efficiency of Photovoltaic (PV) systems by mitigating power output losses during partial shading conditions. The reconfiguration of PV arrays is a useful, effective, and promising approach in this context. Though several reconfiguration techniques have been developed in recent years, their applicability to real-time power plants is debatable due to the requirement of many physical relocations, long interconnecting ties, and complexity. This research work proposes a novel row index mathematical procedure followed by a technique in which the reconfiguration matrix indexes are filled with a unique number so that no row number repeats in the same row and column. Additionally, the proposed approach uses small number of switches that reduce the cost as well as the computational complexity. To strengthen the analysis, very recent techniques such as Sudoku, Total Cross Tied (TCT), Chess-Knight, and Particle Swarm Optimization (PSO) based reconfiguration are compared against five different shading patterns. It has been observed that approximately 68% power loss is mitigated in TCT configuration. It is worth noting that it results in higher PV output power than the existing latest reconfiguration techniques such as PSO, Chess-Knight, Sudoku, and others. Full article
(This article belongs to the Section Engineering and Materials)
Show Figures

Figure 1

13 pages, 6915 KB  
Article
A Reconfiguration Circuit to Boost the Output Power of a Partially Shaded PV String
by Ali Faisal Murtaza and Hadeed Ahmed Sher
Energies 2023, 16(2), 622; https://doi.org/10.3390/en16020622 - 4 Jan 2023
Cited by 6 | Viewed by 1773
Abstract
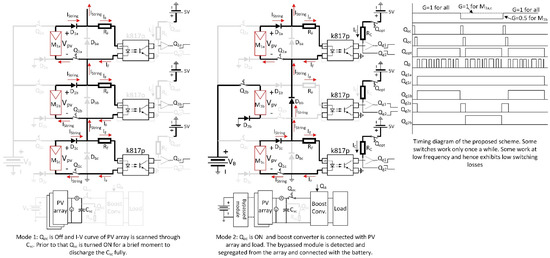
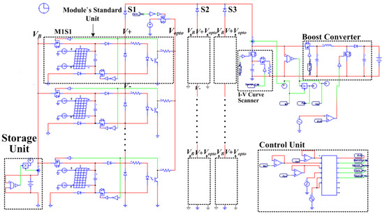
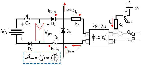
An optical isolator circuit is developed to detect and dynamically relocate the photovoltaic (PV) module under partial shading. The suggested system control structure operates in two modes. Mode 1 governs the system at global maxima (GM) by tracing the power-voltage (PV) curve. Mode [...] Read more.
An optical isolator circuit is developed to detect and dynamically relocate the photovoltaic (PV) module under partial shading. The suggested system control structure operates in two modes. Mode 1 governs the system at global maxima (GM) by tracing the power-voltage (PV) curve. Mode 2 detects and separates all the bypassed modules from a PV string/array by means of a decentralized control and stores its power in the battery. Simulations are performed on different shading patterns to verify the efficacy of the suggested system. The results showcase that the averaged harnessed power using the proposed circuit is 25.26% more than the total cross-tied (TCT) and series-parallel (SP) array configurations. The proposed circuit does not require complex gate driver circuits and large switch counts. The circuit is scalable and can be implemented on an “N × N” array. Full article
Show Figures

Figure 1

45 pages, 16011 KB  
Article
Investigation of Small-Scale Photovoltaic Systems for Optimum Performance under Partial Shading Conditions
by Mahmoud A. M. Youssef, Abdelrahman M. Mohamed, Yaser A. Khalaf and Yehia S. Mohamed
Sustainability 2022, 14(6), 3681; https://doi.org/10.3390/su14063681 - 21 Mar 2022
Cited by 3 | Viewed by 3106
Abstract
Not only are small photovoltaic (PV) systems widely used in poor countries and rural areas where the electrical loads are low but they can also be integrated into the national electricity grid to save electricity costs and reduce CO2 emissions. Partial shading [...] Read more.
Not only are small photovoltaic (PV) systems widely used in poor countries and rural areas where the electrical loads are low but they can also be integrated into the national electricity grid to save electricity costs and reduce CO2 emissions. Partial shading (PS) is one of the phenomena that leads to a sharp decrease in the performance of PV systems. This study provides a comprehensive performance investigation of small systems (consisting of ten modules or fewer) under all possible shading patterns that result from one shading level (300 W/m2 is chosen). The most common configurations are considered for which a performance comparison is presented. Five small systems of different sizes are studied under PS. A new simplifying method is proposed to identify the distinct PS patterns under study. Consequently, the number of cases to be studied is significantly reduced from 1862 to 100 cases only. The study is conducted using the MATLAB/Simulink® environment. The simulation results demonstrate the most outperformed configuration in each case of PS pattern and the amount of improvement for each configuration. The configurations include static series-parallel (SP), static total-cross-tied (TCT), dynamic switching between SP and TCT, and TCT-reconfiguration. The study provides PV systems’ owners with a set of guidelines to opt for the best configuration of their PV systems. The optimum recommended configuration is TCT reconfiguration, rather than dynamic switching between SP and TCT. The less recommended option, which enjoys simplicity but is still viable, is the static TCT. It outperforms the static SP in most cases of PS patterns. Full article
Show Figures

Figure 1

21 pages, 43893 KB  
Article
Non-Symmetrical (NS) Reconfiguration Techniques to Enhance Power Generation Capability of Solar PV System
by Suresh Mikkili, Akshay Kanjune, Praveen Kumar Bonthagorla and Tomonobu Senjyu
Energies 2022, 15(6), 2124; https://doi.org/10.3390/en15062124 - 14 Mar 2022
Cited by 9 | Viewed by 2916
Abstract
At present, primary power generation depends on non-renewable energy resources, which will become extinct. Solar is the best option in renewable energy sources to achieve clean and green power extraction. Solar PV transforms light energy into electrical energy. However, the output power of [...] Read more.
At present, primary power generation depends on non-renewable energy resources, which will become extinct. Solar is the best option in renewable energy sources to achieve clean and green power extraction. Solar PV transforms light energy into electrical energy. However, the output power of solar PV changes with solar insolation. It is also affected by environmental factors and the shading effect. One of the key factors that can reduce the PV system output power is partial shading condition (PSC). The reduction in power output not only depends on shaded region but also depends on pattern of shading and physical position of shaded modules in the array. Due to PSCs, mismatch losses are induced between the shaded modules which can cause several peaks in the output power-voltage (P-V) characteristic. This article describes the non-symmetrical reconfiguration technique and compares it with the primary total cross tied connection. The performance of non-symmetrical reconfiguration techniques is evaluated and compared in terms of global maximum power (GMP), voltage and currents at GMP, open and short circuit voltage and currents, mismatch power loss (MPL), fill factor, efficiency, and number of local maximum power peaks (LMPPs) on a 9 × 9 PV array. Full article
(This article belongs to the Topic Sustainable Energy Technology)
Show Figures

Figure 1

25 pages, 11163 KB  
Article
Optimal Hybrid PV Array Topologies to Maximize the Power Output by Reducing the Effect of Non-Uniform Operating Conditions
by Suneel Raju Pendem, Suresh Mikkili, Shriram S. Rangarajan, Sudhakar Avv, Randolph E. Collins and Tomonobu Senjyu
Electronics 2021, 10(23), 3014; https://doi.org/10.3390/electronics10233014 - 2 Dec 2021
Cited by 43 | Viewed by 3343
Abstract
The photovoltaic (PV) system center inverter architecture comprises various conventional array topologies such as simple-series (S-S), parallel (P), series-parallel (S-P), total-cross-tied (T-C-T), bridge-linked (B-L), and honey-comb (H-C). The conventional PV array topologies under non-uniform operating conditions (NUOCs) produce a higher amount of mismatching [...] Read more.
The photovoltaic (PV) system center inverter architecture comprises various conventional array topologies such as simple-series (S-S), parallel (P), series-parallel (S-P), total-cross-tied (T-C-T), bridge-linked (B-L), and honey-comb (H-C). The conventional PV array topologies under non-uniform operating conditions (NUOCs) produce a higher amount of mismatching power loss and represent multiple maximum-power-points (M-P-Ps) in the output characteristics. The performance of T-C-T topology is found superior among the conventional topologies under NUOCs. However, T-C-T topology’s main limitations are higher redundancy, more number of electrical connections, higher cabling loss, poor performance during row-wise shading patterns, and more number of switches and sensors for the re-configuration of PV modules. This paper proposes the various optimal hybrid PV array topologies to overcome the limitations of conventional T-C-T array topology. The proposed hybrid topologies are such as series-parallel-cross-tied (S-P-C-T), bridge-link-cross-tied (B-L-C-T), honey-comb-cross-tied (H-C-C-T), series-parallel-total-cross-tied (S-P-T-C-T), bridge-link-total-cross-tied (B-L-T-C-T), honey-comb-total-cross-tied (H-C-T-C-T), and bridge-link-honey-comb (B-L-H-C). The proposed hybrid topologies performance is evaluated and compared with the conventional topologies under various NUOCs. The parameters used for the comparative study are open-circuit voltage, short-circuit current, global-maximum-power-point (GMPP), local-maximum-power-point (LMPP), number of LMPPs, and fill factor (FF). Furthermore, the mismatched power loss and the conversion efficiency of conventional and hybrid array topologies are also determined. Based on the results, it is found that the hybrid array topologies maximize the power output by mitigating the effect of NUOCs and reducing the number of LMPPs. Full article
(This article belongs to the Special Issue High-Power Density Multilevel Inverter/Converter System)
Show Figures

Figure 1

21 pages, 11280 KB  
Article
Performance Enhancement of a Partially Shaded Photovoltaic Array by Optimal Reconfiguration and Current Injection Schemes
by Srinivasan Vadivel, C. S. Boopthi, Sridhar Ramasamy, Mominul Ahsan, Julfikar Haider and Eduardo M. G. Rodrigues
Energies 2021, 14(19), 6332; https://doi.org/10.3390/en14196332 - 4 Oct 2021
Cited by 9 | Viewed by 3123
Abstract
The output of a photovoltaic array is reduced considerably when PV panels are shaded even partially. The impact of shading causes an appreciable loss in power delivery, since the PV panels are connected in series and parallel to contribute to the required voltage [...] Read more.
The output of a photovoltaic array is reduced considerably when PV panels are shaded even partially. The impact of shading causes an appreciable loss in power delivery, since the PV panels are connected in series and parallel to contribute to the required voltage and power for the load. The prevailing research on mitigating the shading impact is mostly based on complex reconfiguration strategies where the PV panels are subjected to complex rewiring schemes. On the other hand, to disperse the shading many studies in the literature defend the physical rearrangement of the panels. The available intensive reconfiguration schemes, such as the series parallel (SP), bridge link (BL), honeycomb (HC), and total cross tied (TCT) schemes, try only to mitigate the shading impact and there is no scope for compensation; as a result, a loss of output power is inevitable. In the proposed research work, both the mitigation of and the compensation for the losses incurred due to shading are studied. In this work, an optimal reconfiguration scheme is adopted to reduce the shading impact and a power electronic circuit with a battery source is designed to compensate for the shading losses in all aspects. In the optimal reconfiguration scheme, a bifurcation strategy is adopted in each column and the electrical connections of the PV panels are interchanged such that the shading impact is dispersed. The power electronic circuit consists of a half-bridge buck converter with a battery source that injects the current required by a shaded column. This setup compensates for the shaded PV array’s power and improves the efficiency of the total system. The proposed scheme was implemented in a 3200 W system and subjected to various shading patterns, including single panel shading, corner shading, long and wide shading, and random shading. The proposed scheme was simulated in the MATLAB Simulink environment and compared with static 4 × 4 PV array configurations, including the series parallel (SP), bridge link (BL), honeycomb (HC), and total cross tied (TCT) configurations. The comparative performance was assessed in terms of mismatch power loss, fill factor, and efficiency. The proposed system is suitable for all shading patterns and was proved to be very efficient even in the worst shading, where 1353 W was saved. Full article
(This article belongs to the Section A2: Solar Energy and Photovoltaic Systems)
Show Figures

Figure 1

30 pages, 24181 KB  
Article
Firefly Algorithm-Based Photovoltaic Array Reconfiguration for Maximum Power Extraction during Mismatch Conditions
by Mohammad Nor Rafiq Nazeri, Mohammad Faridun Naim Tajuddin, Thanikanti Sudhakar Babu, Azralmukmin Azmi, Maria Malvoni and Nallapaneni Manoj Kumar
Sustainability 2021, 13(6), 3206; https://doi.org/10.3390/su13063206 - 15 Mar 2021
Cited by 41 | Viewed by 3677
Abstract
This studyaimed at improving the performance and efficiency of conventional static photovoltaic (PV) systems by introducing a metaheuristic algorithm-based approach that involves reconfiguring electrical wiring using switches under different shading profiles. Themetaheuristicalgorithmused wasthe firefly algorithm (FA), which controls the switching patterns under non-homogenous [...] Read more.
This studyaimed at improving the performance and efficiency of conventional static photovoltaic (PV) systems by introducing a metaheuristic algorithm-based approach that involves reconfiguring electrical wiring using switches under different shading profiles. Themetaheuristicalgorithmused wasthe firefly algorithm (FA), which controls the switching patterns under non-homogenous shading profiles and tracks the highest global peak of power produced by the numerous switching patterns. This study aimed to solve the current problems faced by static PV systems, such as unequal dispersion of shading affecting solar panels, multiple peaks, and hot spot phenomena, which can contribute to significant power loss and efficiency reduction. The experimental setup focusedon software development and the system or model developed in the MATLAB Simulink platform. Athorough and comprehensive analysis was done by comparing the proposed method’s overall performance and power generation with thenovel static PVseries–parallel (SP) topology and totalcross-tied (TCT) scheme. The SP configuration is widely used in the PV industry. However, the TCT configuration has superior performance and energy yield generation compared to other static PV configurations, such as the bridge-linked (BL) and honey comb (HC) configurations. The results presented in this paper provide valuable information about the proposed method’s features with regard toenhancing the overall performance and efficiency of PV arrays. Full article
Show Figures

Figure 1

37 pages, 4438 KB  
Article
Evaluation of Mathematical Model to Characterize the Performance of Conventional and Hybrid PV Array Topologies under Static and Dynamic Shading Patterns
by Manoharan Premkumar, Umashankar Subramaniam, Thanikanti Sudhakar Babu, Rajvikram Madurai Elavarasan and Lucian Mihet-Popa
Energies 2020, 13(12), 3216; https://doi.org/10.3390/en13123216 - 20 Jun 2020
Cited by 102 | Viewed by 6217
Abstract
The analysis and the assessment of interconnected photovoltaic (PV) modules under different shading conditions and various shading patterns are presented in this paper. The partial shading conditions (PSCs) due to the various factors reduce the power output of PV arrays, and its characteristics [...] Read more.
The analysis and the assessment of interconnected photovoltaic (PV) modules under different shading conditions and various shading patterns are presented in this paper. The partial shading conditions (PSCs) due to the various factors reduce the power output of PV arrays, and its characteristics have multiple peaks due to the mismatching losses between PV panels. The principal objective of this paper is to model, analyze, simulate and evaluate the performance of PV array topologies such as series-parallel (SP), honey-comb (HC), total-cross-tied (TCT), ladder (LD) and bridge-linked (BL) under different shading patterns to produce the maximum power by reducing the mismatching losses (MLs). Along with the conventional PV array topologies, this paper also discusses the hybrid PV array topologies such as bridge-linked honey-comb (BLHC), bridge-linked total-cross-tied (BLTCT) and series-parallel total-cross-tied (SPTCT). The performance analysis of the traditional PV array topologies along with the hybrid topologies is carried out during static and dynamic shading patterns by comparing the various parameters such as the global peak (GP), local peaks (LPs), corresponding voltage and current at GP and LPs, fill factor (FF) and ML. In addition, the voltage and current equations of the HC configuration under two shading conditions are derived, which represents one of the novelties of this paper. The various parameters of the SPR-200-BLK-U PV module are used for PV modeling and simulation in MATLAB/Simulink software. Thus, the obtained results provide useful information to the researchers for healthy operation and power maximization of PV systems. Full article
Show Figures

Graphical abstract

23 pages, 14555 KB  
Article
A Unified Approach for Analysis of Faults in Different Configurations of PV Arrays and Its Impact on Power Grid
by Saba Gul, Azhar Ul Haq, Marium Jalal, Almas Anjum and Ihsan Ullah Khalil
Energies 2020, 13(1), 156; https://doi.org/10.3390/en13010156 - 28 Dec 2019
Cited by 28 | Viewed by 3907
Abstract
Fault analysis in photovoltaic (PV) arrays is considered important for improving the safety and efficiency of a PV system. Faults do not only reduce efficiency but are also detrimental to the life span of a system. Output can be greatly affected by PV [...] Read more.
Fault analysis in photovoltaic (PV) arrays is considered important for improving the safety and efficiency of a PV system. Faults do not only reduce efficiency but are also detrimental to the life span of a system. Output can be greatly affected by PV technology, configuration, and other operating conditions. Thus, it is important to consider the impact of different PV configurations and materials for thorough analysis of faults. This paper presents a detailed investigation of faults including non-uniform shading, open circuit and short circuit in different PV interconnections including Series-Parallel (SP), Honey-Comb (HC) and Total-cross-Tied (TCT). A special case of multiple faults in PV array under non-uniform irradiance is also investigated to analyze their combined impact on considered different PV interconnections. In order to be more comprehensive, we have considered monocrystalline and thin-film PV to analyze faults and their impact on power grids. Simulations are conducted in MATLAB/Simulink, and the obtained results in terms of power(P)–voltage(V) curve are compared and discussed. It is found that utilization of thin-film PV technology with appropriated PV interconnections can minimize the impact of faults on a power grid with improved performance of the system. Full article
(This article belongs to the Section A2: Solar Energy and Photovoltaic Systems)
Show Figures

Figure 1

12 pages, 2104 KB  
Article
Evaluation of Interconnection Configuration Schemes for PV Modules with Switched-Inductor Converters under Partial Shading Conditions
by Kamran Ali Khan Niazi, Yongheng Yang, Mashood Nasir and Dezso Sera
Energies 2019, 12(14), 2802; https://doi.org/10.3390/en12142802 - 21 Jul 2019
Cited by 17 | Viewed by 4160
Abstract
Partial shading on photovoltaic (PV) arrays reduces the overall output power and causes multiple maximas on the output power characteristics. Due to the introduction of multiple maximas, mismatch power losses become apparent among multiple PV modules. These mismatch power losses are not only [...] Read more.
Partial shading on photovoltaic (PV) arrays reduces the overall output power and causes multiple maximas on the output power characteristics. Due to the introduction of multiple maximas, mismatch power losses become apparent among multiple PV modules. These mismatch power losses are not only a function of shading characteristics, but also depend on the placement and interconnection patterns of the shaded modules within the array. This research work is aimed to assess the performance of 4 × 4 PV array under different shading conditions. The desired objective is to attain the maximum output power from PV modules at different possible shading patterns by using power electronic-based differential power processing (DPP) techniques. Various PV array interconnection configurations, including the series-parallel (SP), total-cross-tied (TCT), bridge-linked (BL), and center-cross-tied (CCT) are considered under the designed shading patterns. A comparative performance analysis is carried out by analyzing the output power from the DPP-based architecture and the traditional Schottky diode-based architecture. Simulation results show the gain in the output power by using the DPP-based architecture in comparison to the traditional bypassing diode method. Full article
Show Figures

Figure 1

Back to TopTop