A Reconfiguration Circuit to Boost the Output Power of a Partially Shaded PV String
Abstract
:1. Introduction
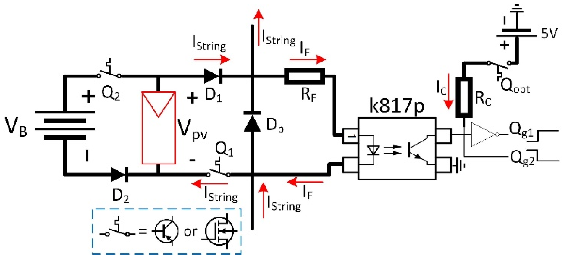
2. Proposed Circuit
2.1. Optocoupler as a Bypass Module Detector
2.2. Isolating the Bypass PV Module from the Array
- If Q1 is in the on-state it implies that the PV module operates at some Vpv value, and the bypass diode Db is reverse biased. Thus, Q1 offers the route for IString to flow through the PV module, and after passing through D1, IString rejoins the string. At the same time, Q2 is in the off-state and the IString is blocked through diode D2.
- When Q2 is turned on, this means that the PV array does not operate on any Vpv, and it is therefore bypassed. As a result, Q1 and D1 quarantine the module from the PV array. This module is relocated through Q2 and D2, while the path for the IString is provided by the bypass diode. The bypassed (shaded) module’s energy can be used or stored in this manner.
- The operation of Qopt and VB is expounded in the next section.

3. Proposed Circuit with GMPPT Tracking
3.1. Mode 1: GMPPT Tracking
3.2. Mode 2: Partial Shading Scenario
4. Simulation Results and Comparative Study
5. Prototype Experimental Results
6. Conclusions
Author Contributions
Funding
Data Availability Statement
Conflicts of Interest
References
- Ahmed, R.R.; Murtaza, A.F.; Sher, H.A.; Shami, U.T.; Olalekan, S. An analytical approach to study partial shading effects on PV array supported by literature. Renew. Sustain. Energy Rev. 2017, 74, 721–732. [Google Scholar]
- Murtaza, A.F.; Sher, H.A.; Al-Haddad, K.; Spertino, F. Module Level Electronic Circuit Based PV Array for Identification and Reconfiguration of Bypass Modules. IEEE Trans. Energy Convers. 2021, 36, 380–389. [Google Scholar] [CrossRef]
- Babu, T.S.; Ram, J.P.; Dragičević, T.; Miyatake, M.; Blaabjerg, F.; Rajasekar, N. Particle swarm optimization based solar PV array reconfiguration of the maximum power extraction under partial shading conditions. IEEE Trans. Sustain. Energy 2017, 9, 74–85. [Google Scholar] [CrossRef]
- Iraji, F.; Farjah, E.; Ghanbari, T. Optimisation method to find the best switch set topology for reconfiguration of photovoltaic panels. IET Renew. Power Gener. 2018, 12, 374–379. [Google Scholar] [CrossRef]
- Akrami, M.; Pourhossein, K. A novel reconfiguration procedure to extract maximum power from partially-shaded photovoltaic arrays. Sol. Energy 2018, 173, 110–119. [Google Scholar] [CrossRef]
- El-Dein, M.Z.S.; Kazerani, M.; Salama, M.M.A. Optimal photovoltaic array reconfiguration to reduce partial shading losses. IEEE Trans. Sustain. Energy 2013, 4, 145–153. [Google Scholar] [CrossRef]
- Belhaouas, N.; Cheikh, M.; Agathoklis, P.; Oularbi, M.; Amrouche, B.; Sedraoui, K.; Djilali, N. PV array power output maximization under partial shading using new shifted PV array arrangements. Appl. Energy 2017, 187, 326–337. [Google Scholar] [CrossRef]
- Mahmoud, Y.; El-Saadany, E.F. Enhanced reconfiguration method for reducing mismatch losses in PV systems. IEEE J. Photovolt. 2017, 7, 1746–1754. [Google Scholar] [CrossRef]
- Matam, M.; Venugopal, R.B. Improved performance of dynamic photovoltaic array under repeating shade conditions. Energy Convers. Manag. 2018, 168, 639–650. [Google Scholar] [CrossRef]
- Orozco-Gutierrez, M.L.; Spagnuolo, G.; Ramirez-Scarpetta, J.M.; Petrone, G.; Ramos-Paja, C.A. Optimized configuration of mismatched photovoltaic arrays. IEEE J. Photovolt. 2016, 6, 1210–1220. [Google Scholar] [CrossRef]
- Pareek, S.; Ratna, D. Enhanced power generation of partial shaded photovoltaic fields by forecasting the interconnection of modules. Energy 2016, 95, 561–572. [Google Scholar] [CrossRef]
- Jazayeri, M.; Jazayeri, K.; Uysal, S. Adaptive photovoltaic array reconfiguration based on real cloud patterns to mitigate effects of non-uniform spatial irradiance profiles. Sol. Energy 2017, 155, 506–516. [Google Scholar] [CrossRef]
- Yadav, A.S.; Mukherjee, V. Line losses reduction techniques in puzzled PV array configuration under different shading conditions. Sol. Energy 2018, 171, 774–783. [Google Scholar] [CrossRef]
- Vishay. Optocoupler, Phototransistor Output. Available online: https://www.farnell.com/datasheets/1760298.pdf (accessed on 7 October 2022).
- Li, D.; Dong, G.; Duan, L.; Zhang, D.; Wang, L.; Qiu, Y. High-performance organic optocouplers based on an organic photodiode with high blue light sensitivity. IEEE Electron. Device Lett. 2013, 34, 1295–1297. [Google Scholar] [CrossRef]
- Sher, H.A.; Murtaza, A.F.; Addoweesh, K.E.; Al-Haddad, K.; Chiaberge, M. A New Irradiance Sensorless Hybrid MPPT Technique for Photovoltaic Power Plants. In Proceedings of the ECON 2014—40th Annual Conference of the IEEE Industrial Electronics Society, Dallas, TX, USA, 29 October–1 November 2014. [Google Scholar]
- Murtaza, A.F.; Sher, H.A.; Fahad, U.; Nasir, A.; Spertino, F. Efficient mpp tracking of photovoltaic (pv) array through modified boost converter with simple smc voltage regulator. IEEE Trans. Sustain. Energy 2022, 13, 1790–1801. [Google Scholar] [CrossRef]
- Rafiq, U.; Murtaza, A.F.; Sher, H.A.; Gandini, D. Design and analysis of a novel high-gain dc-dc boost converter with low component count. Electronics 2021, 10, 1761. [Google Scholar] [CrossRef]
















| Cases | Power Extracted from PV Array (W) | %Pextra Compared to SP Configuration | %Pextra Compared to TCT | ||
|---|---|---|---|---|---|
| Prop | TCT | SP | |||
| 1 | 678.5 | 524.6 | 500 | 35.7 | 29.3 |
| 2 | 396.3 | 324.1 | 305.3 | 29.8 | 22.3 |
| 3 | 469.9 | 448.7 | 426 | 10.3 | 4.73 |
Disclaimer/Publisher’s Note: The statements, opinions and data contained in all publications are solely those of the individual author(s) and contributor(s) and not of MDPI and/or the editor(s). MDPI and/or the editor(s) disclaim responsibility for any injury to people or property resulting from any ideas, methods, instructions or products referred to in the content. |
© 2023 by the authors. Licensee MDPI, Basel, Switzerland. This article is an open access article distributed under the terms and conditions of the Creative Commons Attribution (CC BY) license (https://creativecommons.org/licenses/by/4.0/).
Share and Cite
Murtaza, A.F.; Sher, H.A. A Reconfiguration Circuit to Boost the Output Power of a Partially Shaded PV String. Energies 2023, 16, 622. https://doi.org/10.3390/en16020622
Murtaza AF, Sher HA. A Reconfiguration Circuit to Boost the Output Power of a Partially Shaded PV String. Energies. 2023; 16(2):622. https://doi.org/10.3390/en16020622
Chicago/Turabian StyleMurtaza, Ali Faisal, and Hadeed Ahmed Sher. 2023. "A Reconfiguration Circuit to Boost the Output Power of a Partially Shaded PV String" Energies 16, no. 2: 622. https://doi.org/10.3390/en16020622
APA StyleMurtaza, A. F., & Sher, H. A. (2023). A Reconfiguration Circuit to Boost the Output Power of a Partially Shaded PV String. Energies, 16(2), 622. https://doi.org/10.3390/en16020622

