A Scalable Hierarchical Dynamic PV Array Reconfiguration under Partial Shading
Abstract
:1. Introduction
2. Similar Works
3. Proposed Reconfiguration Scheme
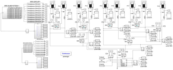
Solar PV System Modeling
4. Simulation Results and Discussion
4.1. System Parameter
4.2. PS Cases
4.3. Results
5. Discussion
5.1. Power Generation Performance
5.2. Scaling
6. Conclusions
Author Contributions
Funding
Data Availability Statement
Acknowledgments
Conflicts of Interest
References
- Kabeyi, M.J.B.; Olanrewaju, O.A. Sustainable Energy Transition for Renewable and Low Carbon Grid Electricity Generation and Supply. Front. Energy Res. 2022, 9, 1032. [Google Scholar] [CrossRef]
- Green, M.A.; Hishikawa, Y.; Dunlop, E.D.; Levi, D.H.; Hohl-Ebinger, J.; Yoshita, M.; Ho-Baillie, A.W.Y. Solar Cell Efficiency Tables (Version 53). Prog. Photovolt. Res. Appl. 2019, 27, 3–12. [Google Scholar] [CrossRef]
- Yang, B.; Yu, T.; Zhang, X.; Li, H.; Shu, H.; Sang, Y.; Jiang, L. Dynamic Leader Based Collective Intelligence for Maximum Power Point Tracking of PV Systems Affected by Partial Shading Condition. Energy Convers. Manag. 2019, 179, 286–303. [Google Scholar] [CrossRef]
- Rahman, T.; Mansur, A.A.; Hossain Lipu, M.S.; Rahman, M.S.; Ashique, R.H.; Houran, M.A.; Elavarasan, R.M.; Hossain, E. Investigation of Degradation of Solar Photovoltaics: A Review of Aging Factors, Impacts, and Future Directions toward Sustainable Energy Management. Energies 2023, 16, 3706. [Google Scholar] [CrossRef]
- Balato, M.; Costanzo, L.; Vitelli, M. Reconfiguration of PV Modules: A Tool to Get the Best Compromise between Maximization of the Extracted Power and Minimization of Localized Heating Phenomena. Sol. Energy 2016, 138, 105–118. [Google Scholar] [CrossRef]
- Ziar, H.; Mansourpour, S.; Afjei, E.; Kazemi, M. Bypass Diode Characteristic Effect on the Behavior of Solar PV Array at Shadow Condition. In Proceedings of the 2012 3rd Power Electronics and Drive Systems Technology (PEDSTC), Tehran, Iran, 15–16 February 2012; pp. 229–233. [Google Scholar] [CrossRef]
- Satpathy, P.R.; Jena, S.; Sharma, R. Power enhancement from partially shaded modules of solar PV arrays through various interconnections among modules. Energy 2018, 144, 839–850. [Google Scholar] [CrossRef]
- Satpathy, P.R.; Sharma, R. Power and Mismatch Losses Mitigation by a Fixed Electrical Reconfiguration Technique for Partially Shaded Photovoltaic Arrays. Energy Convers. Manag. 2019, 192, 52–70. [Google Scholar] [CrossRef]
- Zhu, Z.; Hou, M.; Ding, L.; Zhu, G.; Jin, Z. Optimal Photovoltaic Array Dynamic Reconfiguration Strategy Based on Direct Power Evaluation. IEEE Access 2020, 8, 210267–210276. [Google Scholar] [CrossRef]
- Storey, J.; Wilson, P.R.; Bagnall, D. The Optimized-String Dynamic Photovoltaic Array. IEEE Trans. Power Electron. 2014, 29, 1768–1776. [Google Scholar] [CrossRef]
- Vicente, P.D.S.; Pimenta, T.C.; Ribeiro, E.R. Photovoltaic Array Reconfiguration Strategy for Maximization of Energy Production. Int. J. Photoenergy 2015, 2015, 592383. [Google Scholar] [CrossRef]
- Gadiraju, H.K.V.; Barry, V.R.; Jain, R.K. Improved Performance of PV Water Pumping System Using Dynamic Reconfiguration Algorithm under Partial Shading Conditions. CPSS Trans. Power Electron. Appl. 2022, 7, 206–215. [Google Scholar] [CrossRef]
- Yousri, D.; Allam, D.; Eteiba, M.B.; Suganthan, P.N. Static and Dynamic Photovoltaic Models’ Parameters Identification Using Chaotic Heterogeneous Comprehensive Learning Particle Swarm Optimizer Variants. Energy Convers. Manag. 2019, 182, 546–563. [Google Scholar] [CrossRef]
- Rezk, H.; AL-Oran, M.; Gomaa, M.R.; Tolba, M.A.; Fathy, A.; Abdelkareem, M.A.; Olabi, A.G.; El-Sayed, A.H.M. A Novel Statistical Performance Evaluation of Most Modern Optimization-Based Global MPPT Techniques for Partially Shaded PV System. Renew. Sustain. Energy Rev. 2019, 115, 109372. [Google Scholar] [CrossRef]
- Rezazadeh, S.; Moradzadeh, A.; Hashemzadeh, S.M.; Pourhossein, K.; Mohammadi-Ivatloo, B.; Hosseini, S.H. A novel prime numbers-based PV array reconfiguration solution to produce maximum energy under partial shade conditions. Sustain. Energy Technol. Assess 2021, 47, 101498. [Google Scholar] [CrossRef]
- Anjum, S.; Mukherjee, V. Static and Dynamic Reconfiguration Strategies for Reducing Partial Shading Effects in Photovoltaic Array: A Comprehensive Review. Energy Technol. 2022, 10, 2200098. [Google Scholar] [CrossRef]
- Caruso, M.; Miceli, R.; Romano, P.; Schettino, G.; Spataro, C.; Viola, F. A Low-Cost, Real-Time Monitoring System for PV Plants Based on ATmega 328P-PU Microcontroller. In Proceedings of the 2015 IEEE International Telecommunications Energy Conference (INTELEC), Osaka, Japan, 18–22 October 2015. [Google Scholar] [CrossRef]
- Aljafari, B.; Satpathy, P.R.; Thanikanti, S.B. Partial shading mitigation in PV arrays through dragonfly algorithm based dynamic reconfiguration. Energy 2022, 257, 124795. [Google Scholar] [CrossRef]
- Palpandian, M.; Winston, D.P.; Kumar, B.P.; Kumar, C.S.; Babu, T.S.; Alhelou, H.H. A New Ken-Ken Puzzle Pattern Based Reconfiguration Technique for Maximum Power Extraction in Partial Shaded Solar PV Array. IEEE Access 2021, 9, 65824–65837. [Google Scholar] [CrossRef]
- Deshkar, S.N.; Dhale, S.B.; Mukherjee, J.S.; Babu, T.S.; Rajasekar, N. Solar PV Array Reconfiguration under Partial Shading Conditions for Maximum Power Extraction Using Genetic Algorithm. Renew. Sustain. Energy Rev. 2015, 43, 102–110. [Google Scholar] [CrossRef]
- Fathy, A. Recent Meta-Heuristic Grasshopper Optimization Algorithm for Optimal Reconfiguration of Partially Shaded PV Array. Sol. Energy 2018, 171, 638–651. [Google Scholar] [CrossRef]
- Babu, T.S.; Ram, J.P.; Dragičević, T.; Miyatake, M.; Blaabjerg, F.; Rajasekar, N. Particle swarm optimization based solar PV array reconfiguration of the maximum power extraction under partial shading conditions. IEEE Trans. Sustain. Energy 2018, 9, 74–85. [Google Scholar] [CrossRef]
- Babu, T.S.; Yousri, D.; Balasubramanian, K. Photovoltaic Array Reconfiguration System for Maximizing the Harvested Power Using Population-Based Algorithms. IEEE Access 2020, 8, 109608–109624. [Google Scholar] [CrossRef]
- Siddiq, A.I.; Fadhel, H.N.; Anwar, M.O. Automatic PV Array Reconfiguration under Partial Shading Conditions. Abdulrahman Ikram Siddiq/NTU J. Renew. Energy 2023, 4, 36–46. [Google Scholar] [CrossRef]
- Srinivasan, A.; Devakirubakaran, S.; Sundaram, B.M.; Balachandran, P.K.; Cherukuri, S.K.; Winston, D.P.; Babu, T.S.; Alhelou, H.H. L-Shape Propagated Array Configuration with Dynamic Reconfiguration Algorithm for Enhancing Energy Conversion Rate of Partial Shaded Photovoltaic Systems. IEEE Access 2021, 9, 97661–97674. [Google Scholar] [CrossRef]
- Murtaza, A.F.; Sher, H.A. A Reconfiguration Circuit to Boost the Output Power of a Partially Shaded PV String. Energies 2023, 16, 622. [Google Scholar] [CrossRef]
- Hussein, H.; Mahdi, A.; Abdul-Wahhab, T. Design of a Boost Converter with MPPT Algorithm for a PV Generator Under Extreme Operating Conditions. Eng. Technol. J. 2021, 39, 1473–1480. [Google Scholar] [CrossRef]
- Noman, A.M.; Sheikh, H.S.; Murtaza, A.F.; Almutairi, S.Z.; Alqahtani, M.H.; Aljumah, A.S. Maximum Power Point Tracking Algorithm of Photo-Voltaic Array through Determination of Boost Converter Conduction Mode. Appl. Sci. 2023, 13, 8033. [Google Scholar] [CrossRef]
- Jamaludin, M.N.I.; Tajuddin, M.F.N.; Ahmed, J.; Azmi, A.; Azmi, S.A.; Ghazali, N.H.; Babu, T.S.; Alhelou, H.H. An Effective Salp Swarm Based MPPT for Photovoltaic Systems under Dynamic and Partial Shading Conditions. IEEE Access 2021, 9, 34570–34589. [Google Scholar] [CrossRef]
- Muhammad Ajmal, A.; Ramachandaramurthy, V.K.; Naderipour, A.; Ekanayake, J.B. Comparative Analysis of Two-Step GA-Based PV Array Reconfiguration Technique and Other Reconfiguration Techniques. Energy Convers. Manag. 2021, 230, 113806. [Google Scholar] [CrossRef]
- Namuq, K.A.; Siddiq, A.I.; Abdulkader, H. Dynamic Reconfiguration of PV Array under Partial Shading Condition by Using Automatic Switching. Int. J. Electr. Electron. Eng. Telecommun. 2023, 12, 272–278. [Google Scholar] [CrossRef]
- Yousri, D.; Thanikanti, S.B.; Balasubramanian, K.; Osama, A.; Fathy, A. Multi-Objective Grey Wolf Optimizer for Optimal Design of Switching Matrix for Shaded Pv Array Dynamic Reconfiguration. IEEE Access 2020, 8, 159931–159946. [Google Scholar] [CrossRef]
- Rezk, H.; Fathy, A.; Aly, M. A Robust Photovoltaic Array Reconfiguration Strategy Based on Coyote Optimization Algorithm for Enhancing the Extracted Power under Partial Shadow Condition. Energy Rep. 2021, 7, 109–124. [Google Scholar] [CrossRef]
- Harrag, A.; Messalti, S. Adaptive GA-Based Reconfiguration of Photovoltaic Array Combating Partial Shading Conditions. Neural Comput. Appl. 2018, 30, 1145–1170. [Google Scholar] [CrossRef]
- Abdalla, O.; Rezk, H.; Ahmed, E.M. Wind Driven Optimization Algorithm Based Global MPPT for PV System under Non-Uniform Solar Irradiance. Sol. Energy 2019, 180, 429–444. [Google Scholar] [CrossRef]
- Mirza, A.F.; Mansoor, M.; Ling, Q.; Yin, B.; Javed, M.Y. A Salp-Swarm Optimization based MPPT technique for harvesting maximum energy from PV systems under partial shading conditions. Energy Convers. Manag. 2020, 209, 112625. [Google Scholar] [CrossRef]
- Sharma, D.; Jalil, M.F.; Ansari, M.S.; Bansal, R.C. A Review of PV Array Reconfiguration Techniques for Maximum Power Extraction Under Partial Shading Conditions. Optik 2023, 275, 170559. [Google Scholar] [CrossRef]
- Hou, S.; Zhu, W. Dynamic Reconfiguration Method of Photovoltaic Array Based on Improved HPSO Combined with Coefficient of Variation. Electronics 2023, 12, 2744. [Google Scholar] [CrossRef]
- Mostafaee, G.; Ghandehari, R. Power Enhancement of Photovoltaic Arrays under Partial Shading Conditions by a New Dynamic Reconfiguration Method. Res. Artic. J. Energy Manag. Technol. 2019, 4, 46. [Google Scholar] [CrossRef]
- Fang, X.; Yang, Q.; Yan, W. Switching Matrix Enabled Optimal Topology Reconfiguration for Maximizing Power Generation in Series-Parallel Organized Photovoltaic Systems. IEEE Syst. J. 2022, 16, 2765–2775. [Google Scholar] [CrossRef]
- Hariharasudhan, T.; Suriyakala, S.; Prince, W.D.; Sathya, P. Dynamic and Static Reconfiguration Analysis of Solar PV Array. Ymer J. 2022, 21, 204–208. [Google Scholar] [CrossRef]
- Rakesh, N.; Malavya, U. Maximizing the Power Output of Partially Shaded Solar PV Array using Novel Interconnection Method. In Proceedings of the International Conference on Innovative Mechanisms for Industry Applications (ICIMIA 2017), Bengaluru, India, 21–23 February 2017. [Google Scholar] [CrossRef]

















| Shading Status | C1 | C2 | Output Voltage | Output Current | |
|---|---|---|---|---|---|
| PV1 | PV2 | ||||
| NO shading | NO shading | 0 | 0 | V1//V2 | I1 + I2 |
| NO shading | Shading | 0 | 1 | V1 | I1 |
| Shading | NO shading | 1 | 0 | V2 | I2 |
| Shading | Shading | 1 | 1 | V1 + V2 | I1//I2 |
| Characteristics | Unit | Specification |
|---|---|---|
| PV module type | - | HL-Mono 50 W |
| Size | mm | 670 × 530 × 25 |
| Working voltage (Vmp/V) | V | 17.5 |
| Working current (Lsc/A) | A | 2.85 |
| Open circuit current (Vmp/V) | V | 21.6 |
| Short circuit current (Lsc/A) | A | 23.14 |
| Cell number | - | 9 × 4 psc |
| Cell efficiency | % | 19 |
| Net weight | kg | 3.7 |
| Max. system voltage | - | DC1000V (IEC) |
| Characteristic | Unit | Specification |
|---|---|---|
| PV module type | KS-M5555 monocrystalline silicon | |
| Maximum power (Pm) | W | 0.4 |
| Operating voltage (Vmp) | V | 5 |
| Operating current (Imp) | mA | 80 |
| Power tolerance | % | ±5 |
| Dimensions | mm | 55 × 55 × 3 |
| Sealed technology | Encapsulated with epoxy resin | |
| AM | 1.5 | |
| Irradiance | W/m2 | 1000 |
| Module temperature | °C | 25 |
| Characteristic | Unit | Range | Uncertainty |
|---|---|---|---|
| DC voltage | V | 600 mV/6 V/60 V/600 V/1000 V | ±(0.5% to 2%) |
| AC voltage | V | 6 V/60 V/600 V/1000 V | ±(0.8% to 5%) |
| DC current | A | 60 μA/60 mA/600 mA/20 A | ±(0.5% to 9%) |
| AC current | A | 60 mA/600 mA/20 A | ±(1% to 15%) |
| Resistance | Ω | 600 Ω/6 kΩ/60 kΩ/600 kΩ/6 MΩ/60 MΩ | ±(0.4% to 10%) |
| Capacitance | F | 100 mF | ±(2.5% to 60%) |
| Frequency | Hz | 9.999 Hz/9.999 MHz | ±(0.1% to 0.5%) |
| Duty cycle | % | 0.1–99.9% | ±(2% to 10%) |
| Temperature | °C | −40–1000 °C | ±(2% to 4%) |
| Temperature | °F | −40–1832 °F | ±(2% to 8%) |
| Shading Cases | MPPT | Shading Cases | MPPT | ||||||
|---|---|---|---|---|---|---|---|---|---|
| SP | BL | TCT | SB | SP | BL | TCT | SB | ||
| No shading | 264.9 | 264.9 | 264.9 | 238.2 | Case 10 | 167.2 | 121.8 | 123.8 | 213.4 |
| Case 1 | 209.1 | 195.1 | 222 | 227.4 | Case 11 | 122.5 | 123.8 | 123.8 | 124.4 |
| Case 2 | 209.1 | 196.1 | 198.2 | 227.4 | Case 12 | 122.5 | 123.8 | 123.8 | 124.4 |
| Case 3 | 209.1 | 195.1 | 198.2 | 227.4 | Case 13 | 120.4 | 121.1 | 123.6 | 146 |
| Case 4 | 195.7 | 192.4 | 188 | 195.8 | Case 14 | 120.4 | 121.9 | 120.3 | 128 |
| Case 5 | 187.4 | 187.5 | 189 | 207.8 | Case 15 | 168.8 | 164.2 | 164 | 146 |
| Case 6 | 195.7 | 192.4 | 188 | 195.8 | Case 16 | 120.9 | 120.9 | 120.9 | 124.5 |
| Case 7 | 188 | 188 | 188 | 207 | Case 17 | 71.06 | 71.06 | 71.06 | 114.4 |
| Case 8 | 186.6 | 186.6 | 186.6 | 223.4 | Case 18 | 71.06 | 71.07 | 120.9 | 111.6 |
| Case 9 | 188 | 188 | 172.3 | 188.3 | |||||
| PS Cases | Shaded PVs | Total Output Voltage (V) | Total Output Current (I) |
|---|---|---|---|
| 0 | No shading | V1//V2//V3//V4//V5//V6//V7//V8//V9 | I1 + I2 + I3 + I4 + I5 + I6 + I7 + I8 + I9 |
| 1 | PV 1 | V2//V3//V4//V5//V6//V7//V8//V9 | I2 + I3 + I4 + I5 + I6 + I7 + I8 + I9 |
| 2 | PV 5 | V1//V2//V3//V4//V6//V7//V8//V9 | I1 + I2 + I3 + I4 + I6 + I7 + I8 + I9 |
| 3 | PV 9 | V2//V3//V4//V5//V6//V7//V8 | I1+ I2 + I3 + I4 + I5 + I6 + I7 + I8 |
| 4 | PV (1, 2) | (V1 + V2)//V3//V4//V5//V6//V7//V8//V9 | I12 + I3 + I4 + I5 + I6 + I7 + I8 + I9 |
| 5 | PV (1, 4) | V2//V3//V5//V6//V7//V8//V9 | I2 + I3 + I5 + I6 + I7 + I8 + I9 |
| 6 | PV (5, 6) | V1//V2//V3//V4//(V5 + V6)//V7//V8//V9 | I1 + I2 + I3 + I4 + I56 + I7 + I8 + I9 |
| 7 | PV (1, 2, 3) | (V1 +V2)//V4//V5//V6//V7//V8//V9 | I12 + I4 + I5 + I6 + I7 + I8 + I9 |
| 8 | PV (1, 4, 7) | V2//V3//V5//V6//V8//V9 | I2 + I3 + I5 + I6 + I8 + I9 |
| 9 | PV (3, 4, 5) | V1//V2//(V3 + V4)//V6//V7//V8//V9 | I1 + I2 + I34 + I6 + I7 + I8 + I9 |
| 10 | PV (1, 2, 8, 9) | (V1 +V2)//V3//V4//V5//V6//V7 | I12 + I3 + I4 + I5 + I6 + I7 |
| 11 | PV (1, 2, 4, 5) | (V1 +V2)//V3//V6//V7//V8//V9 | I12 + I3 + I6 + I7 + I8 + I9 |
| 12 | PV (5, 6, 8, 9) | V1//V2//V3//V4//(V5 + V6)//V7 | I1 + I2 + I3 + I4 + I56 + I7 |
| 13 | PV (2, 3, 5, 6, 7) | V1//V4//(V5 + V6)//V8//V9 | I1 + I4 + I56 + I8 + I9 |
| 14 | PV (1, 2, 4, 5, 6) | (V1 + V2)//V3//(V5 + V6)//V7//V8//V9 | I12 + I3 + I56 +I7 + I8 + I9 |
| 15 | PV (2, 4, 5, 6, 8) | V1//V3//(V5 + V6)//V7//V9 | I1 + I3 + I56 + I7 + I9 |
| 16 | PV (1, 2, 4, 5, 7, 8) | (V1 + V2)//V3//V6//(V7 + V8)//V9 | I12 + I3 + I6 + I78 + I9 |
| 17 | PV (4, 5, 6, 7, 8, 9) | V1//V2//V3//(V5 + V6)//(V7 + V8) | I1+ I2 + I3 + I56 + I78 |
| 18 | PV (1, 2, 4, 6, 8, 9) | (V1 + V2)//V3//V5//V7 | I12 + I3 + I5 + I7 |
| Methods | Power (W) Type 1 | Power (W) Type 2 | Power (W) Type 3 | Efficiency (%) Type 1 | Efficiency (%) Type 2 | Efficiency (%) Type 3 |
|---|---|---|---|---|---|---|
| TCT | 153.4 | 144.3 | 162.324 | 59.0 | 55.5 | 62.4 |
| Sudoku [41] | 189.4 | 153.306 | 162.324 | 72.8 | 59.0 | 62.4 |
| Dynamic [41] | 207.414 | 162.324 | 180.36 | 79.8 | 62.4 | 69.4 |
| Proposed SB | 213.8 | 182.8 | 197.4 | 82.2 | 70.3 | 75.9 |
| Methods | Power (W) Case 1 (SN) | Power (W) Case 2 (LW) | Power (W) Case 3 (SW) | Power (W) Case 4 (LN) | Efficiency (%) Case 1 | Efficiency (%) Case 2 | Efficiency (%) Case 3 | Efficiency (%) Case 4 |
|---|---|---|---|---|---|---|---|---|
| TCT | 1.445 | 1.52 | 1.184 | 1.634 | 41.81 | 43.98 | 34.26 | 47.28 |
| Magic Square configuration [42] | 1.53 | 1.638 | 1.596 | 1.887 | 44.27 | 47.40 | 46.18 | 54.60 |
| Proposed SB | 2.031 | 1.897 | 1.687 | 2.027 | 58.77 | 54.89 | 48.81 | 58.65 |
Disclaimer/Publisher’s Note: The statements, opinions and data contained in all publications are solely those of the individual author(s) and contributor(s) and not of MDPI and/or the editor(s). MDPI and/or the editor(s) disclaim responsibility for any injury to people or property resulting from any ideas, methods, instructions or products referred to in the content. |
© 2023 by the authors. Licensee MDPI, Basel, Switzerland. This article is an open access article distributed under the terms and conditions of the Creative Commons Attribution (CC BY) license (https://creativecommons.org/licenses/by/4.0/).
Share and Cite
Ameen, F.; Siddiq, A.; Trohák, A.; Benotsmane, R. A Scalable Hierarchical Dynamic PV Array Reconfiguration under Partial Shading. Energies 2024, 17, 181. https://doi.org/10.3390/en17010181
Ameen F, Siddiq A, Trohák A, Benotsmane R. A Scalable Hierarchical Dynamic PV Array Reconfiguration under Partial Shading. Energies. 2024; 17(1):181. https://doi.org/10.3390/en17010181
Chicago/Turabian StyleAmeen, Fatimah, Abdulrahman Siddiq, Attila Trohák, and Rabab Benotsmane. 2024. "A Scalable Hierarchical Dynamic PV Array Reconfiguration under Partial Shading" Energies 17, no. 1: 181. https://doi.org/10.3390/en17010181
APA StyleAmeen, F., Siddiq, A., Trohák, A., & Benotsmane, R. (2024). A Scalable Hierarchical Dynamic PV Array Reconfiguration under Partial Shading. Energies, 17(1), 181. https://doi.org/10.3390/en17010181

