Sign in to use this feature.

Years

Between: -

Subjects

remove_circle_outline
remove_circle_outline
remove_circle_outline
remove_circle_outline
remove_circle_outline
remove_circle_outline
remove_circle_outline
remove_circle_outline
remove_circle_outline

Journals

Article Types

Countries / Regions

remove_circle_outline
remove_circle_outline
remove_circle_outline
remove_circle_outline

Search Results (170)

Search Parameters:
Keywords = thyristors

Order results
Result details
Results per page
Select all
Export citation of selected articles as:
30 pages, 3121 KB  
Article
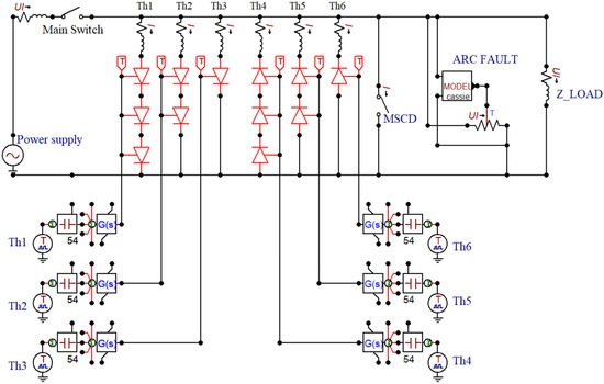
Hybrid Switch with Dynamic Thyristor Control for Fast Arc Extinction in Three-Phase LV Networks
by Karol Nowak, Katarzyna Pietrucha-Urbanik, Slawomir Rabczak and Krzysztof Nowak
Energies 2025, 18(24), 6526; https://doi.org/10.3390/en18246526 - 12 Dec 2025
Viewed by 293
Abstract
Arc faults in low-voltage three-phase systems are a major hazard for both people and equipment, requiring extremely fast and selective protective measures. This paper presents the concept and simulation analysis of a hybrid arc eliminator that combines multi-section thyristor branches with a fast [...] Read more.
Arc faults in low-voltage three-phase systems are a major hazard for both people and equipment, requiring extremely fast and selective protective measures. This paper presents the concept and simulation analysis of a hybrid arc eliminator that combines multi-section thyristor branches with a fast mechanical short-circuit device. The arc eliminator enables phase-selective arc suppression, ensuring that only the faulted phase is shunted while healthy phases remain in service. Simulations carried out in ATPDraw, supported by experimental reference data, demonstrate effective arc extinction within sub-millisecond to millisecond time scales across the range of inductances typically encountered in real circuits. This study analyzes the influence of circuit inductance on commutation dynamics and arc duration, as well as the distribution of conduction time among thyristor sections to balance thermal stress. A dynamic I2t-based control strategy is proposed to enhance reliability and component utilization, and preliminary perspectives on optimization supported by artificial intelligence are discussed. The results indicate that the arc eliminator can significantly improve personnel safety and equipment resilience, particularly in critical installations such as data centers, mining infrastructure, ships, or photovoltaic and electric vehicle systems. Full article
(This article belongs to the Special Issue Advances in Solar Energy and Energy Efficiency—2nd Edition)
Show Figures

Figure 1

21 pages, 1734 KB  
Article
Classification and Prediction of Chip Diameter in High-Power Semiconductor Devices Through Electrical Parameters Using Machine Learning
by Fawad Ahmad, Luis Vaccaro, Armel Asongu Nkembi, Mario Marchesoni and Federico Portesine
Technologies 2025, 13(12), 567; https://doi.org/10.3390/technologies13120567 - 4 Dec 2025
Viewed by 201
Abstract
The applications of machine learning (ML) are rapidly expanding across various fields to reduce their complexity and improve efficiency. In power electronics, where design tasks require complex analytical computations and accurate predictions, ML techniques are becoming increasingly important for reliable device design and [...] Read more.
The applications of machine learning (ML) are rapidly expanding across various fields to reduce their complexity and improve efficiency. In power electronics, where design tasks require complex analytical computations and accurate predictions, ML techniques are becoming increasingly important for reliable device design and robust manufacturing. With the growing demand of power density of high-power semiconductor devices, such as diodes and thyristors, the electrical parameters critically influence the physical dimensions and geometry of the chip. In this article, a comprehensive survey of high-power thyristors is conducted, analyzing the influence of chip diameter and thickness on both electrical and thermal performance. Moreover, a dedicated dataset is developed by extracting electrical parameters from the leading semiconductor manufacturer’s datasheet of multiple models. Furthermore, multiple machine learning algorithms, including Artificial Neural Networks (ANNs), Support Vector Machines (SVMs), and Ensemble methods, are implemented and compared. The developed models provide manufacturers with efficient predictive tools to determine optimal chip dimensions for specific power ratings, thereby supporting efficient and reliable device design. Full article
Show Figures

Figure 1

24 pages, 5651 KB  
Article
Coordinated Hybrid VAR Compensation Strategy with Grid-Forming BESS and Solar PV for Enhanced Stability in Inverter-Dominated Power Systems
by Javed Khan Bhutto, Arvind Kumar, Sarfaraz Kamangar, Amir Ibrahim Ali Arabi, Hadi Hakami and Nazneen Mushtaque
Sustainability 2025, 17(23), 10820; https://doi.org/10.3390/su172310820 - 3 Dec 2025
Viewed by 314
Abstract
This paper proposes a coordinated hybrid VAR compensation strategy that leverages the dynamic support capabilities of a grid-forming (GFM) battery energy storage system (BESS) and solar photovoltaic (PV) plant to enhance the stability of inverter-dominated power systems. The hybrid compensator integrates a VSC-based [...] Read more.
This paper proposes a coordinated hybrid VAR compensation strategy that leverages the dynamic support capabilities of a grid-forming (GFM) battery energy storage system (BESS) and solar photovoltaic (PV) plant to enhance the stability of inverter-dominated power systems. The hybrid compensator integrates a VSC-based static synchronous compensator (STATCOM) with a thyristor-switched capacitor (TSC), combining the fast dynamic response of the STATCOM with the high reactive power capacity of the TSC. A coordinated control framework is developed to enable seamless interaction between the hybrid VAR compensator and the GFM-controlled PV and BESS units, ensuring improved voltage regulation and transient stability under varying operating conditions. The PV plant operates at maximum power Point while maintaining its grid-forming capability, thereby maximizing renewable energy utilization while contributing to frequency and voltage support. The effectiveness of the proposed strategy is validated through FPGA-based real-time simulations under scenarios including large load variations, solar irradiance fluctuations, and grid disturbances. Results show that the coordinated operation enhances voltage stability, strengthens reactive power support, mitigates low-frequency oscillations, and significantly improves the dynamic performance of low-inertia, inverter-dominated grids. Full article
Show Figures

Figure 1

18 pages, 1975 KB  
Article
Stochastic Techno-Economic Assessment of TSC Sizing in Distribution Networks
by Oscar Danilo Montoya, Carlos Andrés Torres-Pinzón and Juan Manuel Sánchez-Céspedes
Sci 2025, 7(4), 172; https://doi.org/10.3390/sci7040172 - 1 Dec 2025
Viewed by 238
Abstract
This paper introduces a novel stochastic optimization framework for the optimal sizing of thyristor-switched capacitors (TSCs) in medium-voltage distribution networks. Unlike conventional deterministic approaches, the proposed model explicitly incorporates load demand variability through multiple probabilistic scenarios, thereby enhancing the robustness and reliability of [...] Read more.
This paper introduces a novel stochastic optimization framework for the optimal sizing of thyristor-switched capacitors (TSCs) in medium-voltage distribution networks. Unlike conventional deterministic approaches, the proposed model explicitly incorporates load demand variability through multiple probabilistic scenarios, thereby enhancing the robustness and reliability of reactive power compensation. The methodology employs advanced nonlinear programming techniques, i.e., the IPOPT solver within a scenario-based framework, in order to determine the TSC sizes that minimize the expected total system costs, including those associated with energy losses and investments. According to extensive simulations on a standard 33-bus distribution system, our stochastic approach yields cost savings of approximately 12.3–12.4% while significantly improving voltage stability and operational efficiency under various load conditions. Assessments regarding voltage profile performance and average processing times, as well as a comparative analysis considering deterministic results, were also conducted in order to validate the effectiveness and computational efficiency of the approach. This study underscores the importance of probabilistic modeling for a smarter, more resilient grid operation, laying a solid foundation for integrating adaptive reactive power devices to support sustainable and reliable power distribution in evolving smart grid environments. Full article
(This article belongs to the Section Computer Sciences, Mathematics and AI)
Show Figures

Figure 1

19 pages, 2675 KB  
Article
Multi-Time-Scale Optimization and Control Method for High-Penetration Photovoltaic Electrolytic Aluminum Plants
by Lixin Wu, Qunhai Huo, Qiran Liu, Jingyuan Yin and Jie Yang
Energies 2025, 18(21), 5840; https://doi.org/10.3390/en18215840 - 5 Nov 2025
Viewed by 365
Abstract
In response to the high energy consumption and carbon emission issues in the electrolytic aluminum industry, this paper proposes a multi-time-scale optimization and control method for electrolytic aluminum plants with high photovoltaic penetration. First, a plant architecture is established, which includes traditional power [...] Read more.
In response to the high energy consumption and carbon emission issues in the electrolytic aluminum industry, this paper proposes a multi-time-scale optimization and control method for electrolytic aluminum plants with high photovoltaic penetration. First, a plant architecture is established, which includes traditional power systems, renewable energy systems, and electrolytic aluminum loads. A mathematical model for flexible resources such as thermal power units, on-load tap-changing transformers, thyristor-controlled voltage regulators, saturable reactors, and electrolytic cells is developed. Based on this, a two-level optimization control strategy is designed, consisting of a day-ahead and real-time control layer: the day-ahead layer targets economic and low-carbon operation, while the real-time layer aims to stabilize the DC bus voltage. Using actual data from an electrolytic aluminum plant in Southwest China, simulations are conducted on the MATLAB 2021a platform, and the effectiveness of the strategy is verified through hardware-in-the-loop experiments. The results demonstrate that the proposed method can effectively increase the photovoltaic utilization rate, reduce thermal power output and operational costs, and decrease carbon emissions, providing a feasible solution for the green and low-carbon transformation of the electrolytic aluminum industry. Full article
Show Figures

Figure 1

26 pages, 4645 KB  
Article
Control of Drum Shear Electric Drive Using Self-Learning Artificial Neural Networks
by Alibek Batyrbek, Valeriy Kuznetsov, Vitalii Kuznetsov, Artur Rojek, Viktor Kovalenko, Oleksandr Tkalenko, Valerii Tytiuk and Pavlo Krasovskyi
Energies 2025, 18(21), 5763; https://doi.org/10.3390/en18215763 - 31 Oct 2025
Cited by 1 | Viewed by 403
Abstract
The objective of this work was to study the possibility of upgrading the control system of the drum shear mechanism by using neural network PI controllers to improve the efficiency of the sheet-metal cutting process. The developed detailed model of the mechanism, including [...] Read more.
The objective of this work was to study the possibility of upgrading the control system of the drum shear mechanism by using neural network PI controllers to improve the efficiency of the sheet-metal cutting process. The developed detailed model of the mechanism, including a dual DC electric drive with three subordinate control loops for the voltage of the thyristor converter, current and speed of the motors, a 6-mass kinematic system with viscoelastic connections as well as a model of the metal cutting process, made it possible to uncover that the interaction of electric drives with the mechanical part leads to significant speed fluctuations during the cutting process, which worsens the quality of the sheet-metal edge. A modified system of current and speed controllers with built-in three-layer fitting neural networks as nonlinear components of proportional-integral channels is proposed. An algorithm for the fast learning of neural controllers using the gradient descent method in each cycle of calculating the controller signal is also proposed. The developed neuro-regulators make it possible to reduce the amplitude of speed fluctuations during the cutting process by four times, ensuring the effective damping of oscillations and reducing the duration of transient processes to 0.1 s. Full article
(This article belongs to the Section F5: Artificial Intelligence and Smart Energy)
Show Figures

Figure 1

23 pages, 6752 KB  
Article
Failure Mechanism Analysis and Electromagnetic Protection Design of Electronic Systems Under High-Power Electromagnetic Pulse
by Chenxi Huang, Jinhong Wei, Youjie Yan, Kaiyue Zhang, Shoulong Zhang, Yifei Sun and Tongyu Wang
Electronics 2025, 14(20), 4060; https://doi.org/10.3390/electronics14204060 - 15 Oct 2025
Viewed by 538
Abstract
In this paper, the failure mechanisms and electromagnetic protection design of an electronic switching system under high-power electromagnetic pulse (HPEMP) effects are studied. By integrating experimental testing and modeling simulation methods, the coupling characteristics of HPEMP energy within the electronic switching system, the [...] Read more.
In this paper, the failure mechanisms and electromagnetic protection design of an electronic switching system under high-power electromagnetic pulse (HPEMP) effects are studied. By integrating experimental testing and modeling simulation methods, the coupling characteristics of HPEMP energy within the electronic switching system, the response characteristics of sensitive components, and their physical failure processes were analyzed. The research indicates that the root cause of system failure under HPEMP irradiation lies in the intrusion of electromagnetic energy coupled through specific anode or gate cable ports, leading to unintended turn-on of the key thyristor device and consequent system functional failure. Mechanism analysis reveals that when the coupled voltage on the thyristor pins exceeds the gate trigger threshold, a carrier regeneration mechanism is activated within the device, resulting in polarity reversal of the PN junction and the formation of a positive feedback path, ultimately causing false triggering. Experimental and simulation results show good consistency in terms of effect thresholds. Based on these findings, effective electromagnetic protection hardening designs targeting the identified electromagnetic vulnerability paths and sensitive components were proposed, and the effectiveness of the protective measures was validated through experiments. Full article
Show Figures

Figure 1

24 pages, 3264 KB  
Article
Development of a New Solid State Fault Current Limiter for Effective Fault Current Limitation in Wind-Integrated Grids
by Mohamed S. A. Zayed, Hossam E. M. Attia, Manal M. Emara, Diaa-Eldin A. Mansour and Hany Abdelfattah
Electronics 2025, 14(20), 4054; https://doi.org/10.3390/electronics14204054 - 15 Oct 2025
Viewed by 693
Abstract
The increasing penetration of wind energy into modern power grids introduces new challenges, particularly regarding fault current levels and voltage stability during disturbances. This study proposes and evaluates a new Solid State Fault Current Limiter (SSFCL) topology for mitigating the adverse effects of [...] Read more.
The increasing penetration of wind energy into modern power grids introduces new challenges, particularly regarding fault current levels and voltage stability during disturbances. This study proposes and evaluates a new Solid State Fault Current Limiter (SSFCL) topology for mitigating the adverse effects of faults in wind-integrated power systems. The proposed SSFCL consists of a bridge section and a shunt branch, designed to limit fault current while maintaining power quality. Unlike conventional SSFCLs, the proposed topology incorporates both DC and AC reactors with an Integrated Gate-Commutated Thyristor (IGCT) switch, to provide current limiting and voltage stabilization, effectively mitigating the negative impacts of faults. A comprehensive MATLAB/Simulink-based simulation is conducted on a realistic grid model. First, appropriate AC and DC reactor impedances are selected to balance fault current suppression, cost, and dynamic response. Then, three fault scenarios, transmission line, distribution grid, and domestic network, are analyzed to assess the fault current limiting performance and voltage sag mitigation of the SSFCL. In the simulation analysis, the DC reactor current and the voltage across the SSFCL device are continuously monitored to evaluate its dynamic response and effectiveness during fault and normal operating conditions. In addition, the fault current contribution from the wind farm is assessed with and without the integration of the SSFCL, along with the voltage profile at the Point of Common Coupling (PCC), to determine the limiter’s impact on system stability and power quality. Finally, the performance of the proposed SSFCL is compared to that of the resistive-type superconducting fault current limiter (R-SFCL) under identical fault scenarios to assess the technical and economic standpoints of the proposed SSFCL. Simulation results show that the SSFCL reduces the peak fault current by up to 29% and improves the voltage profile at the PCC by up to 42%, providing comparable performance to the R-SFCL while avoiding the need for cryogenic systems. Full article
Show Figures

Figure 1

27 pages, 18801 KB  
Article
Hydrogen Production Plant Retrofit for Green H2: Experimental Validation of a High-Efficiency Retrofit of an Alkaline Hydrogen Plant Using an Isolated DC Microgrid
by Rogerio Luiz da Silva Junior, Filipe Tavares Carneiro, Leonardo Bruno Garcial Campanhol, Guilherme Gemi Pissaia, Tales Gottlieb Jahn, Angel Ambrocio Quispe, Carina Bonavigo Jakubiu, Daniel Augusto Cantane, Leonardo Sostmeyer Mai, Jose Alfredo Valverde and Fernando Marcos Oliveira
Energies 2025, 18(20), 5349; https://doi.org/10.3390/en18205349 - 11 Oct 2025
Viewed by 606
Abstract
Given the climate change observed in the past few decades, sustainable development and the use of renewable energy sources are urgent. In this scenario, hydrogen production through electrolyzers is a promising renewable source and energy vector because of its ultralow greenhouse emissions and [...] Read more.
Given the climate change observed in the past few decades, sustainable development and the use of renewable energy sources are urgent. In this scenario, hydrogen production through electrolyzers is a promising renewable source and energy vector because of its ultralow greenhouse emissions and high energy content. Hydrogen can be used in a variety of applications, from transportation to electricity generation, contributing to the diversification of the energy matrix. In this context, this paper presents an autonomous isolated DC microgrid system for generating and storing electrical energy to be exclusively used for feeding an electrolyzer hydrogen production plant, which has been retrofitted for green hydrogen production. Experimental verification was performed at Itaipu Parquetec, which consists of an alkaline electrolysis unit directly integrated with a battery energy storage system and renewable sources (e.g., photovoltaic and wind) by using an isolated DC microgrid concept based on DC/DC and AC/DC converters. Experimental results revealed that the new electrolyzer DC microgrid increases the system’s overall efficiency in comparison to the legacy thyristor-based power supply system by 26%, and it autonomously controls the energy supply to the electrolyzer under optimized conditions with an extremely low output current ripple. Another advantage of the proposed DC microgrid is its ability to properly manage the startup and shutdown process of the electrolyzer plant under power generation outages. This paper is the result of activities carried out under the R&D project of ANEEL program No. PD-10381-0221/2021, entitled “Multiport DC-DC Converter and IoT System for Intelligent Energy Management”, which was conducted in partnership with CTG-Brazil. Full article
(This article belongs to the Section A5: Hydrogen Energy)
Show Figures

Figure 1

19 pages, 360 KB  
Article
Optimal Planning and Dynamic Operation of Thyristor-Switched Capacitors in Distribution Networks Using the Atan-Sinc Optimization Algorithm with IPOPT Refinement
by Oscar Danilo Montoya, Luis Fernando Grisales-Noreña and Rubén Iván Bolaños
Sci 2025, 7(4), 143; https://doi.org/10.3390/sci7040143 - 7 Oct 2025
Viewed by 587
Abstract
This paper proposes an innovative hybrid optimization framework for the optimal installation and operation of thyristor-switched capacitors (TSCs) within medium-voltage distribution networks, targeting both energy losses reduction and cost efficiency. The core of the approach combines the exploratory capabilities of the atan-sinc optimization [...] Read more.
This paper proposes an innovative hybrid optimization framework for the optimal installation and operation of thyristor-switched capacitors (TSCs) within medium-voltage distribution networks, targeting both energy losses reduction and cost efficiency. The core of the approach combines the exploratory capabilities of the atan-sinc optimization algorithm (ASOA), a recent metaheuristic inspired by mathematical functions, with the local refinement power of the IPOPT solver within a master–slave architecture. This integrated method addresses the inherent complexity of a multi-objective, mixed-integer nonlinear programming problem that seeks to balance conflicting goals: minimizing annual system losses and investment costs. Extensive testing on IEEE 33- and 69-bus systems under fixed and dynamic reactive power injection scenarios demonstrates that our framework consistently delivers superior solutions when compared to traditional and state-of-the-art algorithms. Notably, the variable operation case yields energy savings of up to 12%, translating into annual monetary gains exceeding USD 1000 in comparison with the fixed support scenario.The solutions produce well-distributed Pareto fronts that illustrate valuable trade-offs, allowing system planners to make informed decisions. The findings confirm that the proposed strategy constitutes a scalable, and robust tool for reactive power planning, supporting the deployment of smarter and more resilient distribution systems. Full article
(This article belongs to the Section Computer Sciences, Mathematics and AI)
Show Figures

Figure 1

26 pages, 3878 KB  
Article
Total Fuel Cost, Power Loss, and Voltage Deviation Reduction for Power Systems with Optimal Placement and Operation of FACTS and Renewable Power Sources
by Tuan Anh Nguyen, Le Chi Kien, Minh Quan Duong, Tan Minh Phan and Thang Trung Nguyen
Appl. Sci. 2025, 15(19), 10596; https://doi.org/10.3390/app151910596 - 30 Sep 2025
Viewed by 392
Abstract
The paper finds optimal power flows and optimal placement of wind power plants (WPPs), static var compensators (SVCs), and thyristor-controlled series capacitors (TCSCs) in the IEEE 30-bus transmission power network by applying three high-performance algorithms, such as the equilibrium optimizer (EO), the Coot [...] Read more.
The paper finds optimal power flows and optimal placement of wind power plants (WPPs), static var compensators (SVCs), and thyristor-controlled series capacitors (TCSCs) in the IEEE 30-bus transmission power network by applying three high-performance algorithms, such as the equilibrium optimizer (EO), the Coot optimization algorithm (COOT), and the marine predators algorithm (MPSA). The three algorithms are run for the system without any added electric components and with three single objectives, including active power losses, total fuel cost, and total voltage deviation, for comparison with other previous algorithms. The three algorithms can reach better results than many algorithms and suffer worse results than a few algorithms. EO is more effective than MPSA and COOT in all cases. For simulation cases with SVCs, TCSCs, and WPPs, the losses are significantly reduced compared to the base case. The power loss of the base case is 3.066 MW, and the best loss is 2.869 MW for two cases with two SVCs and one TCSC. When applying the obtained solution and optimizing the placement of one, two, and three WPPs, the power loss is, respectively, 2.053, 1.512, and 1.112 MW. By optimizing two SVCs, one TCSC, and WPPs simultaneously, the power loss is, respectively, 2.041, 1.508, and 1.093 MW for one, two, and three WPPs. So, the optimal placement of TCSCs, SVCs, and WPPs can result in high benefits for power systems. Full article
(This article belongs to the Section Green Sustainable Science and Technology)
Show Figures

Figure 1

24 pages, 9211 KB  
Article
Design Assessment of Power Supply Systems for Divertor Coils in the Divertor Tokamak Test
by Giovanni Griva, Salvatore Musumeci, Radu Bojoi, Fausto Stella and Alessandro Lampasi
Appl. Sci. 2025, 15(19), 10441; https://doi.org/10.3390/app151910441 - 26 Sep 2025
Viewed by 503
Abstract
In tokamak-based nuclear fusion systems, powering the coils to control the plasma is a challenge that involves design choices that are a mix between advanced and traditional approaches. Each tokamak coil requires peculiar driving conditions and needs specific design activities. This paper deals [...] Read more.
In tokamak-based nuclear fusion systems, powering the coils to control the plasma is a challenge that involves design choices that are a mix between advanced and traditional approaches. Each tokamak coil requires peculiar driving conditions and needs specific design activities. This paper deals with power supply design assessment for the Divertor (DIV) Coils in the Divertor Tokamak Test (DTT) facility. The design constraints of high-current (5500 A) and relatively low-voltages lead to the comparison of an SCR-based AC–AC converter (cycloconverter) with an IGBT-based DC–AC inverter with devices in a parallel solution and with interleaved modulation. The design assessment of two converter solutions to drive the DIV coils with the control issues were explored and described. Several simulation results were carried out to define the DIV coils operative conditions. Furthermore, an electro-thermal analysis on the used IGBT or thyristor devices was carried out considering the losses and the highest temperatures obtained in the conditions of maximum stress for the components. Full article
(This article belongs to the Section Energy Science and Technology)
Show Figures

Figure 1

21 pages, 386 KB  
Article
Techno-Economic Assessment of Fixed and Variable Reactive Power Injection Using Thyristor-Switched Capacitors in Distribution Networks
by Oscar Danilo Montoya, César Leonardo Trujillo-Rodríguez and Carlos Andrés Torres-Pinzón
Electricity 2025, 6(3), 46; https://doi.org/10.3390/electricity6030046 - 11 Aug 2025
Cited by 1 | Viewed by 967
Abstract
This paper presents a hybrid optimization framework for solving the optimal reactive power compensation problem in medium-voltage smart distribution networks. Leveraging Julia’s computational environment, the proposed method combines the global search capabilities of the Chu & Beasley genetic algorithm (CBGA) with the local [...] Read more.
This paper presents a hybrid optimization framework for solving the optimal reactive power compensation problem in medium-voltage smart distribution networks. Leveraging Julia’s computational environment, the proposed method combines the global search capabilities of the Chu & Beasley genetic algorithm (CBGA) with the local refinement efficiency of the interior-point optimizer (IPOPT). The objective is to minimize the annualized operating costs by reducing active power losses while considering the investment and operating costs associated with thyristor-switched capacitors (TSCs). A key contribution of this work is the comparative assessment of fixed and time-varying reactive power injection strategies. Simulation results on the IEEE 33- and 69-bus test feeders demonstrate that the proposed CBGA-IPOPT framework achieves annualized cost reductions of up to 11.22% and 12.58% (respectively) under fixed injection conditions. With variable injection, cost savings increase to 12.43% and 14.08%. A time-domain analysis confirms improved voltage regulation, substation reactive demand reductions exceeding 500 kvar, and peak loss reductions of up to 32% compared to the uncompensated case. Benchmarking shows that the hybrid framework not only consistently outperforms state-of-the-art metaheuristics (the sine-cosine algorithm, the particle swarm optimizer, the black widow optimizer, and the artificial hummingbird algorithm) in terms of solution quality but also demonstrates high solution repeatability across multiple runs, underscoring its robustness. The proposed method is directly applicable to real-world distribution systems, offering a scalable and cost-effective solution for reactive power planning in smart grids. Full article
Show Figures

Figure 1

21 pages, 4852 KB  
Article
Series Arc Fault Detection Method Based on Time Domain Imaging and Long Short-Term Memory Network for Residential Applications
by Ruobo Chu, Schweitzer Patrick and Kai Yang
Algorithms 2025, 18(8), 497; https://doi.org/10.3390/a18080497 - 11 Aug 2025
Viewed by 1189
Abstract
This article presents a novel method for detecting series arc faults (SAFs) in residential applications using time-domain imaging (TDI) and Long Short-Term Memory (LSTM) networks. The proposed method transforms current signals into grayscale images by filtering out the fundamental frequency, allowing key arc [...] Read more.
This article presents a novel method for detecting series arc faults (SAFs) in residential applications using time-domain imaging (TDI) and Long Short-Term Memory (LSTM) networks. The proposed method transforms current signals into grayscale images by filtering out the fundamental frequency, allowing key arc fault characteristics—such as high-frequency noise and waveform distortions—to become visually apparent. The use of Ensemble Empirical Mode Decomposition (EEMD) helped isolate meaningful signal components, although it was computationally intensive. To address real-time requirements, a simpler yet effective TDI method was developed for generating 2D images from current data. These images were then used as inputs to an LSTM network, which captures temporal dependencies and classifies both arc faults and appliance types. The proposed TDI-LSTM model was trained and tested on 7000 labeled datasets across five common household appliances. The experimental results show an average detection accuracy of 98.1%, with reduced accuracy for loads using thyristors (e.g., dimmers). The method is robust across different appliance types and conditions; comparisons with prior methods indicate that the proposed TDI-LSTM approach offers superior accuracy and broader applicability. Trade-offs in sampling rates and hardware implementation were discussed to balance accuracy and system cost. Overall, the TDI-LSTM approach offers a highly accurate, efficient, and scalable solution for series arc fault detection in smart home systems. Full article
(This article belongs to the Special Issue AI and Computational Methods in Engineering and Science)
Show Figures

Graphical abstract

15 pages, 1442 KB  
Article
A Novel Sub-Module-Based Line-Commutated Converter That Is Actively Resistant to Commutation Failure
by Hongchun Shu, Junjie Zhang and Yaoxi Jiang
Actuators 2025, 14(8), 363; https://doi.org/10.3390/act14080363 - 23 Jul 2025
Viewed by 565
Abstract
To improve the ability of line-commutated converters (LCCs) to resist commutation failure (CF) when a fault occurs on the AC side, a novel sub-module-based LCC topology actively resistant to CF is proposed in this paper. The control strategy and the parameters of the [...] Read more.
To improve the ability of line-commutated converters (LCCs) to resist commutation failure (CF) when a fault occurs on the AC side, a novel sub-module-based LCC topology actively resistant to CF is proposed in this paper. The control strategy and the parameters of the proposed sub-module are elaborately designed. The proposed LCC topology can actively resist CF by providing an auxiliary commutation voltage to the AC side, and the sub-module is conducive to the rapid recovery of the thyristor’s forward blocking ability. Additionally, the initial capacitor voltage of the sub-module is designed optimally based on the commutation mechanism. The proposed LCC system can effectively improve the ability to resist CF by increasing the commutation margin of the LCC system. Furthermore, the capacitors are charged and discharged during fault time, so the capacitor voltages do not drop too low and, thus, are better at resisting CF. Matlab/Simulink simulation results verify that the proposed LCC quickens the commutation process, promotes commutation performance, and enhances the immunity of LCCs to CF. Full article
(This article belongs to the Special Issue Power Electronics and Actuators—Second Edition)
Show Figures

Figure 1

Back to TopTop