Sign in to use this feature.

Years

Between: -

Subjects

remove_circle_outline
remove_circle_outline
remove_circle_outline
remove_circle_outline
remove_circle_outline
remove_circle_outline
remove_circle_outline
remove_circle_outline
remove_circle_outline

Journals

remove_circle_outline
remove_circle_outline
remove_circle_outline
remove_circle_outline
remove_circle_outline
remove_circle_outline
remove_circle_outline
remove_circle_outline

Article Types

Countries / Regions

remove_circle_outline
remove_circle_outline
remove_circle_outline
remove_circle_outline
remove_circle_outline

Search Results (664)

Search Parameters:
Keywords = techno-economic performance

Order results
Result details
Results per page
Select all
Export citation of selected articles as:
25 pages, 4153 KB  
Review
Advances in Battery Technologies for Next-Generation Energy Storage Systems
by Toufik Sebbagh, Theodore Azemtsop Manfo and Mustafa Ergin Şahin
Electronics 2026, 15(3), 690; https://doi.org/10.3390/electronics15030690 - 5 Feb 2026
Abstract
Advancements in energy storage systems (ESS) are important to attaining a sustainable and resilient energy future. Despite significant advancements in battery technologies, including lithium-ion, sodium-ion, and redox flow batteries, numerous problems remain. These include low energy density, thermal instability, resource scarcity, high lifecycle [...] Read more.
Advancements in energy storage systems (ESS) are important to attaining a sustainable and resilient energy future. Despite significant advancements in battery technologies, including lithium-ion, sodium-ion, and redox flow batteries, numerous problems remain. These include low energy density, thermal instability, resource scarcity, high lifecycle costs, and ineffective recycling methods. Furthermore, the complexity of connecting battery systems to the grid while maintaining operational safety creates further impediments to implementation. Recent advancements, such as hybrid energy storage systems (HESS), better battery chemistries, and intelligent modeling tools based on MATLAB/Simulink R2025b, have shown promise in terms of performance, cost reduction, and more effective energy management. However, the scalability, recyclability, and real-world applicability of these systems require further exploration. The goal here is to provide a comprehensive overview of current and emerging battery technologies, focusing on technical performance, environmental sustainability, lifecycle cost modeling, and grid compatibility. This comprises a techno-economic study that employs process-based cost modeling (PBCM) and leveled cost of storage (LCOS), a thorough examination of green battery chemistries, and system-level modeling of battery and hybrid configurations. The study seeks to provide academics and stakeholders with a comprehensive framework that considers both the innovations and limitations of current ESS technologies in the context of global decarbonization targets. Full article
(This article belongs to the Special Issue Energy Saving Management Systems: Challenges and Applications)
Show Figures

Figure 1

32 pages, 3329 KB  
Article
Simulation-Based Performance and Cost Optimization of Alkaline Electrolyzers
by Sami Şaban Demirezen, Ahmed Emin Kılıç, Selahattin Çelik, Hasan Ozcan and Bahman Amini Horri
Energies 2026, 19(3), 835; https://doi.org/10.3390/en19030835 - 4 Feb 2026
Abstract
The acceleration of the green energy transition has reinforced the importance of reliable, cost-effective hydrogen production technologies. Alkaline water electrolyzers (AWEs) have become a critical option due to their lack of requirement of platinum group metals, as well as their scalability; however, the [...] Read more.
The acceleration of the green energy transition has reinforced the importance of reliable, cost-effective hydrogen production technologies. Alkaline water electrolyzers (AWEs) have become a critical option due to their lack of requirement of platinum group metals, as well as their scalability; however, the materials, geometry, and operating conditions used must be comprehensively evaluated alongside electricity costs. This study presents an approach that directly integrates a COMSOL-based electrochemical polarization model with a techno-economic module and validates the results against published U–J curves and 2024 public LCOH ranges. The scans across the 25 kW–10 MW range show that temperature and separator porosity are the most powerful factors affecting performance; narrow cell gaps significantly reduce ohmic losses, and the electrolyte concentration provides limited additional benefit beyond a certain threshold. KOH outperforms NaOH under most conditions, but the difference between the two electrolytes narrows as temperature increases. Economic analyses confirm that electricity price is the dominant determinant of LCOH; levels of 4–5 $·kg−1 are achievable at the MW scale, while high-cost scenarios reach 7–10 $·kg−1. In conclusion, the study provides a validated and scalable framework for the joint optimization of AWE design and operation. Full article
(This article belongs to the Section A5: Hydrogen Energy)
20 pages, 1529 KB  
Article
How Does Methanogenic Inhibition Affect Large-Scale Waste-to-Energy Anaerobic Digestion Processes? Part 2—Life Cycle Assessment
by Ever Efraín García-Balandrán, Luis Ramiro Miramontes-Martínez, Alonso Albalate-Ramírez and Pasiano Rivas-García
Fermentation 2026, 12(2), 87; https://doi.org/10.3390/fermentation12020087 - 3 Feb 2026
Abstract
Anaerobic digestion under a Waste-to-Energy (WtE-AD) framework represents a sustainable alternative for managing organic waste and generating bioenergy in developing countries. However, most life cycle assessment (LCA) studies implicitly assume stable operation, overlooking the environmental implications of process instability. In practice, large-scale WtE-AD [...] Read more.
Anaerobic digestion under a Waste-to-Energy (WtE-AD) framework represents a sustainable alternative for managing organic waste and generating bioenergy in developing countries. However, most life cycle assessment (LCA) studies implicitly assume stable operation, overlooking the environmental implications of process instability. In practice, large-scale WtE-AD plants are frequently affected by methanogenic inhibition events that reduce methane production and compromise their technical, economic, and environmental performance. This study—Part 2 of a two-paper series—addresses this gap by quantifying, from a life cycle perspective, the environmental consequences of recurrent methanogenic inhibition events in large-scale WtE-AD systems, complementing the techno-economic analysis presented in Part 1. Large-scale WtE-AD plants were modeled using design equations based on treatment capacity (60–200 t d−1), considering scenarios with up to ten inhibition events over a 25-year operational period. The LCA was conducted in accordance with ISO 14040:14044 standards, defining as the functional unit one ton of co-digested fruit and vegetable residues with meat industry wastes, under an attributional approach with system boundary expansion and evaluating midpoint indicators through the ReCiPe 2016 method. Results show that inhibition events increase greenhouse gas emissions by up to 400% (from 28.1 to 138.6 kg CO2 eq t−1 of waste treated), while plants with capacities above 125 t d−1 exhibit environmental credits (negative emission balances), demonstrating greater environmental resilience. Electricity substitution from the Mexican grid generated savings of up to 0.624 kg CO2 eq kWh−1, although the magnitude of the benefits strongly depends on the regional electricity mix. This dependency was further explored through comparative electricity mix scenarios representative of different levels of power sector decarbonization, allowing the sensitivity of WtE-AD environmental performance to regional grid characteristics to be assessed. Compared to landfill disposal (1326 kg CO2 eq t−1), WtE-AD plants significantly reduce impacts across all assessed categories. By explicitly integrating operational instability into an industrial-scale LCA framework, this work highlights the importance of evaluating methanogenic inhibition events from a life cycle perspective, providing key insights for the design of more sustainable and resilient WtE-AD processes within a Latin American context. Full article
21 pages, 2769 KB  
Article
Study of a University Campus Smart Microgrid That Contains Photovoltaics and Battery Storage with Zero Feed-In Operation
by Panagiotis Madouros, Yiannis Katsigiannis, Evangelos Pompodakis, Emmanuel Karapidakis and George Stavrakakis
Solar 2026, 6(1), 8; https://doi.org/10.3390/solar6010008 - 3 Feb 2026
Viewed by 28
Abstract
Smart microgrids are localized energy systems that integrate distributed energy resources, such as photovoltaics (PVs) and battery storage, to optimize energy use, enhance reliability, and minimize environmental impacts. This paper investigates the operation of a smart microgrid installed at the Hellenic Mediterranean University [...] Read more.
Smart microgrids are localized energy systems that integrate distributed energy resources, such as photovoltaics (PVs) and battery storage, to optimize energy use, enhance reliability, and minimize environmental impacts. This paper investigates the operation of a smart microgrid installed at the Hellenic Mediterranean University (HMU) campus in Heraklion, Crete, Greece. The system, consisting of PVs and battery storage, operates under a zero feed-in scheme, which maximizes on-site self-consumption while preventing electricity exports to the main grid. With increasing PV penetration and growing grid congestion, this scheme is an increasingly relevant strategy for microgrid operations, including university campuses. A properly sized PV–battery microgrid operating under zero feed-in operation can remain financially viable over its lifetime, while additionally it can achieve significant environmental benefits. The study performed at the HMU Campus utilizes measured hourly data of load demand, solar irradiance, and ambient temperature, while PV and battery components were modeled based on real technical specifications. The study evaluates the system using financial and environmental performance metrics, specifically net present value (NPV) and annual greenhouse gas (GHG) emission reductions, complemented by sensitivity analyses for battery technology (lead–carbon and lithium-ion), load demand levels, varying electricity prices, and projected reductions in lithium-ion battery costs over the coming years. The findings indicate that the microgrid can substantially reduce grid electricity consumption, achieving annual GHG emission reductions exceeding 600 tons of CO2. From a financial perspective, the optimal configuration consisting of a 760 kWp PV array paired with a 1250 kWh lead–carbon battery system provides a system autonomy of 46% and achieves an NPV of EUR 1.41 million over a 25-year horizon. Higher load demands and electricity prices increase the NPV of the optimal system, whereas lower load demands enhance the system’s autonomy. The anticipated reduction in lithium-ion battery costs over the next 5–10 years is expected to provide improved financial results compared to the base-case scenario. These results highlight the techno-economic viability of zero feed-in microgrids and provide valuable insights for the planning and deployment of similar systems in regions with increasing renewable penetration and grid constraints. Full article
(This article belongs to the Special Issue Efficient and Reliable Solar Photovoltaic Systems: 2nd Edition)
Show Figures

Figure 1

12 pages, 1042 KB  
Proceeding Paper
Towards Sustainable Waste-to-Energy Solutions: Techno-Economic Insights from Scrap Tyre Pyrolysis in Nigeria
by Olusegun A. Ajayi, Daniel Iyanu Oluwatogbe, Umar Mogaji Muhammed and Toyese Oyegoke
Eng. Proc. 2025, 117(1), 41; https://doi.org/10.3390/engproc2025117041 - 2 Feb 2026
Viewed by 28
Abstract
This study assessed the techno-economic performance and energy efficiency of scrap tyre valorization through pyrolysis in Nigeria, comparing two configurations: a pyrolysis plant integrated with power generation (Scenario 1) and a standalone pyrolysis plant (Scenario 2). Process simulations were carried out using Aspen [...] Read more.
This study assessed the techno-economic performance and energy efficiency of scrap tyre valorization through pyrolysis in Nigeria, comparing two configurations: a pyrolysis plant integrated with power generation (Scenario 1) and a standalone pyrolysis plant (Scenario 2). Process simulations were carried out using Aspen Plus V12, and cost estimations were performed with the Aspen Process Economic Analyzer. For a feed capacity of 20 tons per hour, the pyrolysis process yielded steel wire (15.04%), char (35.57%), pyro-diesel (37.94%), gas (7.91%), and heavy oil (3.54%). Scenario 2 achieved a higher energy efficiency (94.44%) than Scenario 1 (51.23%). However, Scenario 1 demonstrated superior economic performance, with a Net Present Value (NPV) of USD 28.65 million and an Internal Rate of Return (IRR) of 34.48%, despite its higher capital investment of USD 27.63 million. Sensitivity analysis revealed that the selling price of pyro-diesel and the cost of scrap tyres were the most influential parameters affecting profitability. The findings provide useful insights for optimizing scrap tyre pyrolysis systems toward sustainable waste-to-energy applications in developing regions. Full article
Show Figures

Figure 1

37 pages, 4212 KB  
Article
Developing Optimization Models to Provide Maximum Energy Production by Creating Wind Power Plants with Experimental Simulation Design
by Yasemin Ayaz Atalan, Abdulkadir Atalan and Sue Ellen Haupt
Sustainability 2026, 18(3), 1485; https://doi.org/10.3390/su18031485 - 2 Feb 2026
Viewed by 81
Abstract
This study presents an integrated experimental simulation and multi-objective optimization methodology that maximizes energy production and optimizes economic performance in the design of wind power plants (WPPs). The relationship between five fundamental design parameters (wind speed (XWS), hub height (XHH), rotor diameter (XRD), [...] Read more.
This study presents an integrated experimental simulation and multi-objective optimization methodology that maximizes energy production and optimizes economic performance in the design of wind power plants (WPPs). The relationship between five fundamental design parameters (wind speed (XWS), hub height (XHH), rotor diameter (XRD), turbine spacing (XTS), and row spacing (XRS)) and five techno-economic outputs (annual AC energy (YAEP), net present value (YNPV), levelized cost of energy (YLCOE), net cost of capital (YNCCpw), and total BOS cost (YTBC)) is systematically investigated using a Multi-Level Full Factorial Experimental Design (DoE) for four different US regions (Southern Wyoming, Southern California, Northeastern West Virginia, and South Florida). The optimization was performed by applying a multi-objective desirability function to regression models derived from 1200 NREL SAM simulation data points, thereby simultaneously evaluating five design parameters across five techno-economic responses. ANOVA results revealed that 77.5% of the variability in annual energy production was due to wind speed and 21.4% to rotor diameter, clearly demonstrating the decisive role of resource quality in project feasibility. Optimization identified the optimal configuration (XRS = 5, XTS = 3, XWS = 10.157 m/s, XHH = 120 m, XRD = 70 m) that provided a balanced trade-off between conflicting objectives, achieving 575.16 GWh of YAEP, $42.02 million of YNPV, $43.66 million of YTBC, 2.368 cents/kWh of YLCOE, and $1.508/W of YNCCpw. The study emphasizes that resource evaluation precedes technological optimization in the planning phase of wind energy projects, demonstrating that integrating DoE, simulation, and multi-objective optimization provides a strong framework for achieving realistic, feasible, and economically sustainable WPPs. The novelty of this approach lies in its ability to simultaneously account for environmental stochasticity and economic feasibility, providing a robust computational roadmap for stakeholders to maximize energy efficiency while minimizing levelized costs. Full article
21 pages, 1410 KB  
Article
Techno-Economic and Environmental Assessment of Solar Photovoltaic Systems for Dairy Farms: A Comparative Analysis
by Muhammad Paend Bakht, Anne Kinsella, Michael T. Hayden and Fabiano Pallonetto
Sustainability 2026, 18(3), 1453; https://doi.org/10.3390/su18031453 - 1 Feb 2026
Viewed by 159
Abstract
Integrating renewable energy into agricultural systems has emerged as a critical strategy for reducing the sector’s greenhouse gas emissions. However, limited research has examined how farm-specific operational patterns influence the techno-economic performance of solar photovoltaic (PV) systems. This study presents a comprehensive techno-economic [...] Read more.
Integrating renewable energy into agricultural systems has emerged as a critical strategy for reducing the sector’s greenhouse gas emissions. However, limited research has examined how farm-specific operational patterns influence the techno-economic performance of solar photovoltaic (PV) systems. This study presents a comprehensive techno-economic and environmental assessment of grid-connected solar PV systems for two types of dairy farm operations: spring-calving and winter-calving. Using detailed farm-specific energy consumption profiles and solar irradiance data, system performance was evaluated under Ireland’s policy framework, including the Targeted Agricultural Modernisation Scheme grant and the Clean-Export tariff. The spring-calving operation achieved superior economic performance (payback period: 3.25 years; levelised cost of electricity: EUR 0.091/kWh) compared to the winter-calving operation (3.83 years; EUR 0.099/kWh). This superior performance is due to better seasonal alignment between solar generation and electricity demand. Sensitivity analysis reveals solar irradiance, grid electricity cost, and grant funding as main economic viability influencing factors. Environmental analysis demonstrates CO2 emission reductions of 77% for spring-calving and 61% for winter-calving operations. The findings demonstrate that solar PV systems are both economically viable and environmentally beneficial for dairy farms. These results provide actionable insights for farmers and policymakers seeking to promote clean energy adoption and emission reduction in agriculture. Full article
Show Figures

Figure 1

19 pages, 1530 KB  
Article
Combining Different Yarrowia divulgata Yeast-Based Fermentations into an Integrated Bioprocess for Manufacturing Pigment, Sweetener, Bioemulsifier, and Skin Moisturiser
by Edina Eszterbauer and Áron Németh
Appl. Sci. 2026, 16(3), 1445; https://doi.org/10.3390/app16031445 - 31 Jan 2026
Viewed by 113
Abstract
In this study, we examined the enhancement of erythritol production by the Yarrowia divulgata strain 1485. Although erythritol fermentation has been thoroughly investigated in earlier studies, the influence of inoculum ratio has not been comprehensively addressed. Therefore, this parameter was selected as the [...] Read more.
In this study, we examined the enhancement of erythritol production by the Yarrowia divulgata strain 1485. Although erythritol fermentation has been thoroughly investigated in earlier studies, the influence of inoculum ratio has not been comprehensively addressed. Therefore, this parameter was selected as the focus of the present work. Since industrial-scale erythritol production is typically carried out using more efficient fungal strains, further improvements in economic viability are primarily expected through integration with other biotechnological processes, allowing the simultaneous generation of multiple valuable products. To this end, the erythritol fermentation was coupled with microbial pigment production, and the potential recovery of additional compounds—such as biodetergents and cosmetic ingredients—were also explored. Based on the results, the fermentation with a 15% inoculation rate appears to be the most effective, producing 67.9 ± 6.0 g/L of erythritol, and 61.81 ± 0.02 mg/L of pigment was successfully extracted at the end of the pigment fermentation. The cells seem capable of increasing the skin’s moisturizing effect according to our preliminary tests when glass bead cell disruption is used, and the emulsifier has also proven to be effective, maintaining an emulsification index (EI) above 50% even after 24 h. When performing a kinetic model, we found that the measured data matched the model predictions and confirmed optimal inoculation size (15%), providing a solid basis for subsequent techno-economic analysis. The integration of the two basic fermentations (erythritol and pigment) is therefore considered successful, and the Yarrowia divulgata strain appears to have great biotechnological potential. Full article
Show Figures

Figure 1

23 pages, 3663 KB  
Article
Enhancing Grid Sustainability Through Utility-Scale BESS: Flexibility via Time-Shifting Contracts and Arbitrage
by Stefano Lilla, Marco Missiroli, Alberto Borghetti, Fabio Tossani and Carlo Alberto Nucci
Sustainability 2026, 18(3), 1404; https://doi.org/10.3390/su18031404 - 30 Jan 2026
Viewed by 159
Abstract
The increasing penetration of renewable energy introduces significant challenges to grid stability and economic performance due to the intermittent and non-dispatchable nature of solar and wind generation. These fluctuations contribute to grid congestion, frequency control issues, and price volatility, reducing revenue predictability for [...] Read more.
The increasing penetration of renewable energy introduces significant challenges to grid stability and economic performance due to the intermittent and non-dispatchable nature of solar and wind generation. These fluctuations contribute to grid congestion, frequency control issues, and price volatility, reducing revenue predictability for renewable producers. It is then clear that the challenge of energy transition can be addressed by making the introduction of renewable sources into the electricity grid sustainable. Battery Energy Storage Systems (BESSs) have emerged as a flexibility resource providing time-shifting, frequency and voltage support, congestion management, and energy arbitrage. In response, several Transmission System Operators (TSOs), such as Terna in Italy in cooperation with photovoltaic (PV) and wind power producers, have initiated flexibility projects. However, these projects are limited and should be accompanied by liberalization measures that allow BESSs to be economically sustainable only under market conditions. This study evaluates the techno-economic feasibility of utility-scale BESSs either integrated into large PV/wind farms or stand-alone for providing grid flexibility services and profit increase for the producers. Both market conditions and TSO incentives will be considered. A two-step mixed integer linear (MILP) optimization approach is employed: first, an optimization schedules BESS charge and discharge operations based on historical generation and market data; second, the Net Present Value (NPV) is maximized to determine optimal system sizing and profit. The model is validated through real case studies and sensitivity analyses including BESS degradation, market volatility, and regulatory factors. The developed model is ultimately applied to compare the study cases, and the analysis shows that, under specific conditions, the arbitrage of a stand-alone BESS can be as profitable as the incentives offered by TSOs. Full article
(This article belongs to the Special Issue Sustainability Analysis of Renewable Energy Storage Technologies)
Show Figures

Figure 1

34 pages, 2851 KB  
Review
Hybrid Offshore Wind and Wave Energy Systems: A Review
by Haoyang Song, Tongshun Yu, Xin Tong, Xuewen Zhao, Zhenyu Zhang, Zhixin Lun, Li Wang and Zeke Wang
Energies 2026, 19(3), 739; https://doi.org/10.3390/en19030739 - 30 Jan 2026
Viewed by 325
Abstract
Against the backdrop of the global energy transition, the efficient exploitation of marine renewable energy has become a key pathway toward achieving carbon neutrality. Wind–wave hybrid systems (WWHSs) have attracted growing attention due to their resource complementarity, efficient spatial utilization, and shared infrastructure. [...] Read more.
Against the backdrop of the global energy transition, the efficient exploitation of marine renewable energy has become a key pathway toward achieving carbon neutrality. Wind–wave hybrid systems (WWHSs) have attracted growing attention due to their resource complementarity, efficient spatial utilization, and shared infrastructure. However, most existing studies focus on single components or local optimization, while systematic integration of the full technology chain remains limited. This gap hinders the transition from demonstration projects to commercial deployment. This review provides a comprehensive overview of the technological evolution and key characteristics of offshore wind turbine (OWT) foundations and wave energy converters (WECs). Fixed-bottom foundations remain the mainstream solution for near-shore development. Floating offshore wind turbines (FOWTs) represent the core direction for deep-sea deployment. Among WEC technologies, oscillating buoy (OB) WECs are the dominant research pathway. Yet high costs and poor performance under extreme sea states remain major barriers to commercialization. On this basis, the paper summarizes three major integration modes of WWHSs. Among them, hybrid configurations have become the research focus due to their structural sharing, hydrodynamic coupling, and significant cost and energy synergies. Furthermore, the review synthesizes optimization strategies for both technology design and spatial layout, aiming to enhance energy capture, structural stability, and overall economic performance. Finally, the paper critically identifies the main research gaps and technical bottlenecks and outlines key development pathways required to achieve future commercial viability. These include the development of high-performance adaptive power take-off (PTO) systems, deeper understanding of multi-physics coupling mechanisms, intelligent operation and maintenance enabled by digital twins, and comprehensive life-cycle techno-economic and environmental assessments. Through this integrated perspective, the review seeks to provide a systematic reference for the development of multi-energy offshore systems and to support future progress in integrated energy utilization in deep-sea environments. Full article
(This article belongs to the Section A3: Wind, Wave and Tidal Energy)
Show Figures

Figure 1

18 pages, 2460 KB  
Article
Techno-Economic and FP2O Resilience Analysis of the Hydrogen Production Process from Palm Rachis in María La Baja, Bolívar
by Tamy Carolina Herrera-Rodríguez, Paola Andrea Acevedo Pabón and Ángel Darío González-Delgado
Processes 2026, 14(3), 489; https://doi.org/10.3390/pr14030489 - 30 Jan 2026
Viewed by 247
Abstract
In Colombia, two main palm varieties, Elaeis guineensis and Elaeis oleifera, are cultivated for the production of crude palm oil (CPO). During the CPO extraction process, several residues are generated, including empty fruit bunches (EFB), nut fiber, palm kernel cake, and Palm [...] Read more.
In Colombia, two main palm varieties, Elaeis guineensis and Elaeis oleifera, are cultivated for the production of crude palm oil (CPO). During the CPO extraction process, several residues are generated, including empty fruit bunches (EFB), nut fiber, palm kernel cake, and Palm Oil Mill Effluent (POME), among others. These residues are commonly used for biochar and compost production to improve soil quality, for biogas generation, and for energy production through biomass combustion. Because the rachis is rich in lignocellulosic material and exhibits physicochemical properties suitable for thermochemical processes, it is proposed as a feedstock for hydrogen synthesis through gasification. In this study, a techno-economic analysis and an FP2O resilience assessment were conducted for a hydrogen production process based on the utilization of palm rachis generated in María la Baja, northern Colombia. The economic evaluation results indicate that the capital investment required for plant installation is USD 10,111,255.23. The economic indicators show favorable performance with a Return on Investment (ROI) of 58.83%, a Net Present Value (NPV) of USD 25.01 million, a B/C ratio of 3.29, and a Discounted Payback Period (DPBP) of 4.54 years. Regarding techno-economic resilience, critical values for processing capacity, selling price, and feedstock cost were identified through parameter variation. The findings suggest that the process has opportunities for improvement, since small changes in these variables could significantly reduce its resilience. Finally, an On-Stream efficiency of 39.65% at the break-even point was obtained, indicating that the process can operate at less than 50% of its maximum capacity while still generating significant profits. Full article
Show Figures

Figure 1

17 pages, 1356 KB  
Article
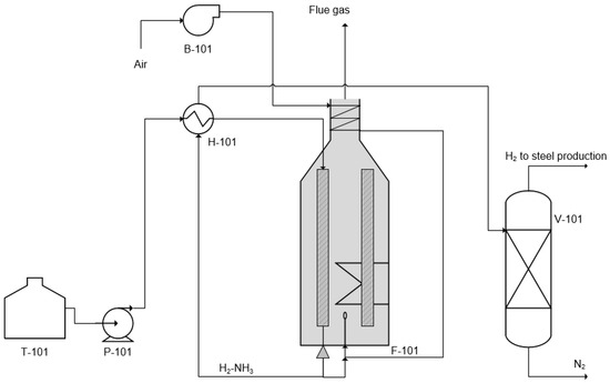
Green Hydrogen Production for Decarbonizing the Steel Industry: Energy and Economic Assessment of Electrolysis and Ammonia Cracking Systems
by Elvira Spatolisano, Antonio Trinca, Domenico Flagiello and Giorgio Vilardi
Energies 2026, 19(3), 717; https://doi.org/10.3390/en19030717 - 29 Jan 2026
Viewed by 174
Abstract
The global transition toward a low-carbon economy has intensified the interest in green hydrogen as a key enabler of industrial decarbonization. In particular, the steel sector, one of the most carbon-intensive industries, offers significant opportunities for emissions reduction through H2-based technologies. [...] Read more.
The global transition toward a low-carbon economy has intensified the interest in green hydrogen as a key enabler of industrial decarbonization. In particular, the steel sector, one of the most carbon-intensive industries, offers significant opportunities for emissions reduction through H2-based technologies. This study presents a techno-economic assessment of alternative green hydrogen supply pathways, namely alkaline electrolysis and ammonia cracking, and evaluates their integration into hydrogen-based direct reduction (HyDR) routes. Process simulations are performed using Aspen Plus® V14 to quantify the energy consumption, hydrogen demand, and associated CO2 emissions across multiple configurations and case studies. A comprehensive 3E (energy, economics, and environmental) evaluation framework is applied to compare system performance and assess the suitability of each pathway for large-scale deployment. The results indicate that ammonia cracking represents a technically viable and potentially competitive hydrogen supply option for steel decarbonization under the assumed operating conditions, highlighting its relevance as a transitional pathway toward low-carbon steel production. Full article
(This article belongs to the Special Issue Techno-Economic Evaluation of Hydrogen Energy)
Show Figures

Figure 1

23 pages, 3823 KB  
Article
Techno-Economic Feasibility and Greenhouse Gas Emissions Assessment of Composting Versus Biodrying in Mechanical–Biological Treatment: Case Study in Alexandria, Egypt
by Nehad Ahmed, Maisara M. Rabie, Haniyeh Jalalipour, Abdallah Nassour and Sherien Elagroudy
Sustainability 2026, 18(3), 1350; https://doi.org/10.3390/su18031350 - 29 Jan 2026
Viewed by 139
Abstract
Egypt’s municipal solid waste (MSW) sector faces persistent challenges due to increasing generation rates, limited recovery, and a high organic fraction, motivating the selection of appropriate biological treatment options within Mechanical–Biological Treatment (MBT) systems. This study compares composting-based MBT and biodrying-based MBT for [...] Read more.
Egypt’s municipal solid waste (MSW) sector faces persistent challenges due to increasing generation rates, limited recovery, and a high organic fraction, motivating the selection of appropriate biological treatment options within Mechanical–Biological Treatment (MBT) systems. This study compares composting-based MBT and biodrying-based MBT for a case application in Alexandria, Egypt, using an integrated techno-economic and greenhouse gas (GHG) assessment. Discounted cash-flow modelling was applied using defined CAPEX and OPEX, along with revenue from recovered products. GHG accounting used documented emission factors and activity data against an unmanaged landfill baseline representative of current disposal practices. The system boundary covers waste reception and mechanical processing, biological treatment, process energy use, and residual disposal. Results show that composting achieves higher financial performance (NPV USD 2.55 million) than biodrying (NPV USD 0.99 million), while delivering a 48.5% reduction in net system GHG emissions relative to the baseline. Sensitivity analysis indicates that the comparative ranking is primarily driven by electricity prices, revenue assumptions, CAPEX, and baseline-related emissions parameters. Under the defined assumptions, composting is the preferred MBT biological pathway for the analyzed case, and interpretations are limited to the evaluated boundaries. Full article
(This article belongs to the Special Issue Waste Management for Sustainability: Emerging Issues and Technologies)
Show Figures

Figure 1

23 pages, 2171 KB  
Article
Benchmarking Chemical Hydrolysis and Bacterial Biosynthesis Pathways for Nanocellulose: A Sustainability-Focused Comparative Framework
by Luis C. Murillo-Araya, Melissa Camacho-Elizondo, Diego Batista Meneses, José Roberto Vega-Baudrit, Mary Lopretti, Nicole Lecot and Gabriela Montes de Oca-Vásquez
Polymers 2026, 18(3), 342; https://doi.org/10.3390/polym18030342 - 28 Jan 2026
Viewed by 156
Abstract
This study benchmarks two nanocellulose (NC) production architectures: sulfuric-acid hydrolysis of pineapple peel biomass to obtain hydrolyzed nanocellulose (HNC) and microbial biosynthesis of bacterial nanocellulose (BNC) by Rhizobium leguminosarum biovar trifolii in defined media. HNC and BNC were characterized by SEM, FTIR, AFM, [...] Read more.
This study benchmarks two nanocellulose (NC) production architectures: sulfuric-acid hydrolysis of pineapple peel biomass to obtain hydrolyzed nanocellulose (HNC) and microbial biosynthesis of bacterial nanocellulose (BNC) by Rhizobium leguminosarum biovar trifolii in defined media. HNC and BNC were characterized by SEM, FTIR, AFM, and ζ-potential, and the routes were compared using a sustainability-focused multicriteria framework. The Visual Integration of Multicriteria Evaluation (VIME) (radar chart + weighted decision matrix) yielded a higher overall score for BNC (66) than HNC (51), driven primarily by lower downstream washing/neutralization water demand (~0.3 L vs. ~14 L per batch), fewer purification stages (~2 vs. ~5), and lower waste hazard. In contrast, HNC performed better in calendar time (~7 vs. ~18 days). AFM revealed route-dependent morphologies: BNC formed a homogeneous nanofiber network (37 ± 9 nm), while HNC formed heterogeneous lamellar fragments (70 ± 12 nm). Route-specific yields were 3.15% (w/w, dry biomass basis) for HNC and 1.065 g/L (culture-volume basis) for BNC. Although a full ISO-compliant Life Cycle Assessment (LCA) and Techno-Economic Analysis (TEA) are beyond the scope of this laboratory-scale study, the defined system boundaries and reported process inventories provide an LCA/TEA-ready template for future mass- and cost-balanced comparisons. Full article
(This article belongs to the Section Biobased and Biodegradable Polymers)
Show Figures

Figure 1

17 pages, 1718 KB  
Perspective
Augmenting Offshore Wind-Farm Yield with Tethered Kites
by Karl Zammit, Luke Jurgen Briffa, Jean-Paul Mollicone and Tonio Sant
Energies 2026, 19(3), 668; https://doi.org/10.3390/en19030668 - 27 Jan 2026
Viewed by 135
Abstract
Offshore wind-farm performance remains constrained by persistent wake deficits and turbulence that compound across intra-farm, intra-cluster, and inter-cluster scales, particularly under atmospheric neutral–stable stratification. A concept is advanced whereby offshore wind-farm yield may be augmented by pairing conventional horizontal-axis wind turbines (HAWTs) with [...] Read more.
Offshore wind-farm performance remains constrained by persistent wake deficits and turbulence that compound across intra-farm, intra-cluster, and inter-cluster scales, particularly under atmospheric neutral–stable stratification. A concept is advanced whereby offshore wind-farm yield may be augmented by pairing conventional horizontal-axis wind turbines (HAWTs) with lighter-than-air parafoil systems that entrain higher-momentum air and re-energise wakes, complementing yaw/induction-based wake control and enabling higher array energy density. A concise synthesis of wake physics and associated challenges motivates opportunities for active momentum re-injection, while a review of kite technologies frames design choices for lift generation and spatial keeping. Stability and control, spanning static and dynamic behaviours, tether dynamics, and response to extreme meteorological conditions, are identified as key challenges. System-integration pathways are outlined, including alignment and mounting options relative to turbine rows and prevailing shear. A staged validation programme is proposed, combining high-fidelity numerical simulation with wave-tank testing of coupled mooring–tether dynamics and wind-tunnel experiments on scaled arrays. Evaluation metrics emphasise net energy gain, fatigue loading, availability, and Levelized Cost of Energy (LCOE). The paper concludes with research directions and recommendations to guide standards and investment, and with a quantitative assessment of the techno-economic significance of kite–HAWT integration at scale. Full article
(This article belongs to the Section A3: Wind, Wave and Tidal Energy)
Show Figures

Figure 1

Back to TopTop