Sign in to use this feature.

Years

Between: -

Subjects

remove_circle_outline
remove_circle_outline
remove_circle_outline
remove_circle_outline
remove_circle_outline
remove_circle_outline
remove_circle_outline
remove_circle_outline
remove_circle_outline

Journals

remove_circle_outline
remove_circle_outline
remove_circle_outline
remove_circle_outline
remove_circle_outline
remove_circle_outline
remove_circle_outline
remove_circle_outline
remove_circle_outline
remove_circle_outline

Article Types

Countries / Regions

remove_circle_outline
remove_circle_outline
remove_circle_outline
remove_circle_outline
remove_circle_outline

Search Results (578)

Search Parameters:
Keywords = sub-beam

Order results
Result details
Results per page
Select all
Export citation of selected articles as:
13 pages, 4283 KB  
Article
Sub-15 nm Line Patterning at 30 kV: Process Window Extraction and Lift-Off Validation
by Jingyu Huang, Chenhui Deng, Bohua Yin, Liping Zhang and Li Han
Electronics 2026, 15(8), 1543; https://doi.org/10.3390/electronics15081543 - 8 Apr 2026
Abstract
Sub-15 nm line structures are key building blocks for advanced device prototyping, nanoscale electrodes, and lithography templates such as etch/deposition masks. Although ultrahigh-voltage (≥100 kV) electron-beam lithography (EBL) can more readily achieve extremely small critical dimensions, its tool and infrastructure requirements limit widespread [...] Read more.
Sub-15 nm line structures are key building blocks for advanced device prototyping, nanoscale electrodes, and lithography templates such as etch/deposition masks. Although ultrahigh-voltage (≥100 kV) electron-beam lithography (EBL) can more readily achieve extremely small critical dimensions, its tool and infrastructure requirements limit widespread adoption in many laboratories. In contrast, 30 kV field-emission SEM platforms are far more accessible; however, resolution-limit patterning at 30 kV is more sensitive to beam current, exposure dose, and development conditions, motivating the establishment of a reproducible process flow and a well-defined process window. Here, we investigate the resolution limit of isolated lines using a Zeiss Gemini 460 system operated at 30 kV and an in-house pattern generator with 950 k PMMA C2 resist. To demonstrate device-level applicability, we develop a stable lift-off process, and all critical dimensions are evaluated on metal lines after e-beam evaporation and lift-off. By screening beam current and scanning dose to build the dose-to-size relationship, we show that reducing beam current significantly improves the achievable minimum line width. Under 35 pA, using CD ≤ 15 nm as the criterion for sub-15 nm window extraction, the usable dose range is [700, 804.3] µC/cm2, corresponding to a dose latitude of ~14.9%. The best performance is obtained at 700 µC/cm2, yielding a transferred metal line width of 13.85 nm after lift-off. This work provides a practical resolution-limit process flow and a quantitative process window for performing sub-15 nm patterning on accessible 30 kV platforms, supported by product-level lift-off validation. Full article
Show Figures

Figure 1

14 pages, 258 KB  
Article
Management of Complex CNS Tumours: Impact of Multiple Tumour Board Review
by Chalina Huynh, Pavanpreet Metley, Kent Powell, Matthew Larocque, Keith Aronyk and Alysa Fairchild
Radiation 2026, 6(2), 14; https://doi.org/10.3390/radiation6020014 - 7 Apr 2026
Viewed by 29
Abstract
Background. Patients with malignant or benign central nervous system (CNS) tumours are evaluated for suitability of treatment modality based on multiple clinical and tumour-related factors. To obtain multidisciplinary consensus, a patient’s file and imaging are commonly reviewed by a tumour board (TB). [...] Read more.
Background. Patients with malignant or benign central nervous system (CNS) tumours are evaluated for suitability of treatment modality based on multiple clinical and tumour-related factors. To obtain multidisciplinary consensus, a patient’s file and imaging are commonly reviewed by a tumour board (TB). There are three relevant weekly TB venues at our institute—gamma knife stereotactic radiosurgery (SRS) intake rounds, CNS rounds, and stereotactic body radiotherapy (SBRT) rounds—which are attended by non-overlapping clinician teams. We explored the clinical parameters prompting multiple TB reviews in patients with complex CNS tumours. Methods. Data were retrospectively obtained from electronic medical records. Patients referred for discussion at SRS rounds (November 2017–June 2020) were cross-referenced with those reviewed in CNS rounds and SBRT rounds. The cohort of interest included patients who underwent review at more than one TB for the same indication. Patient, tumour, and treatment factors were abstracted, and descriptive statistics were calculated. A sub-cohort of patients with pre-plans created for both SRS and conventionally fractionated external beam radiotherapy (EBRT) was identified. Dosimetric data were analyzed. Results. Of 1091 patients, 87 (8.0%) were discussed at more than one TB. 59/87 (67.8%) patients were reviewed at two TBs pertaining to the same CNS lesion and comprised the study cohort. The most common tumour type was meningioma (20/59), and the most common reason for multiple discussions was proximity to optic structures (19/59). After TB discussions, 25/59 patients were seen in consultation by one specialist, 29/59 by two, and 5/59 by none. Overall, the final treatment decisions were conventional EBRT in 21/59; SRS in 18/59; surveillance in 12/59; surgery in 3/59; systemic therapy in 3/59; proton referral in 1/59; and SBRT in 1/59. A total of 20/59 patients were treated with palliative intent. Among all patients who ultimately received radiotherapy, median interval between the first TB discussion and the first RT treatment was 56 days (IQR 7.5–65.5 d). The pre-plan sub-cohort consisted of four patients, all of whom were ultimately treated with conventional EBRT. Conclusions. Evidence to support optimal treatment for some complex CNS tumours can be limited. Multiple radiotherapy modalities may be equally favourable (or unfavourable) options. Proximity to the optic apparatus and previous CNS irradiation are common reasons for clinical equipoise. Tumour board review is an essential tool in formulating a multidisciplinary care plan; however, attention should be paid to ensuring that subsequent consultations and treatment initiation are not unduly delayed. Full article
31 pages, 12121 KB  
Article
Momentum-Accelerated Phase Synchronization for UAV Swarm Collaborative Beamforming
by Fei Xie, Longqing Li, Chan Liu, Zhiping Huang, Yongjie Zhao and Junyu Wei
Drones 2026, 10(4), 254; https://doi.org/10.3390/drones10040254 - 2 Apr 2026
Viewed by 199
Abstract
Distributed beamforming in UAV swarms requires fast and accurate carrier-phase alignment under sparse connectivity and propagation-induced phase bias. This paper proposes a physics-aware decentralized synchronization framework for quasi-static UAV swarm beamforming by integrating momentum-accelerated Metropolis–Hastings consensus with position-aided phase pre-compensation. To preserve phase [...] Read more.
Distributed beamforming in UAV swarms requires fast and accurate carrier-phase alignment under sparse connectivity and propagation-induced phase bias. This paper proposes a physics-aware decentralized synchronization framework for quasi-static UAV swarm beamforming by integrating momentum-accelerated Metropolis–Hastings consensus with position-aided phase pre-compensation. To preserve phase evolution on the circular manifold, a sinusoidal coupling law is adopted, while the momentum term improves convergence in sparse random geometric graphs. A propagation model is further established to characterize how geometric separation and ranging uncertainty translate into residual phase error and coherent power loss. Under small-signal conditions, local stability is analyzed, and Monte Carlo simulations are conducted to evaluate convergence, synchronization accuracy, robustness, and beam-focusing performance. Results show that, at 2.4 GHz with low-centimeter ranging uncertainty, the proposed method achieves sub-wavelength synchronization accuracy while providing an effective balance among convergence speed, accuracy, and complexity. Compared with standard Metropolis–Hastings, fixed-weight, and other accelerated consensus methods, the proposed scheme converges faster over most sparse topologies. Although its steady-state accuracy is slightly lower than that of filter-based predictive methods such as KF-DFPC in some cases, those schemes incur higher implementation and computational overhead. Therefore, from the perspectives of decentralized realization and practical deployment, the proposed method is more suitable for lightweight phase synchronization in distributed UAV swarms. Full article
Show Figures

Figure 1

23 pages, 6178 KB  
Article
Design and Modeling of Piezoelectric Nanofilm Actuators for Low-Voltage Powered Microrobots
by Jingxian Lin, Ze Chen and Qingkun Liu
Micromachines 2026, 17(4), 434; https://doi.org/10.3390/mi17040434 - 31 Mar 2026
Viewed by 234
Abstract
Piezoelectric actuators are essential for sub-millimeter robots and reconfigurable microstructures owing to their advantages, including the ability to operate in air and high-speed response. However, the substantial performance degradation observed in piezoelectric actuators with sub-micrometer thickness poses a critical challenge for the design [...] Read more.
Piezoelectric actuators are essential for sub-millimeter robots and reconfigurable microstructures owing to their advantages, including the ability to operate in air and high-speed response. However, the substantial performance degradation observed in piezoelectric actuators with sub-micrometer thickness poses a critical challenge for the design of low-voltage microactuators capable of achieving large bending curvature. Here we develop a coupled analytical–numerical framework for designing multilayer lead zirconate titanate (PZT) nanofilm microactuators under a low voltage constraint (≤5 V). An analytical multilayer beam model is extended to incorporate thickness-dependent material properties and an interfacial dead layer that reduces the effective electric field at small thicknesses. This enables rapid exploration of curvature and the neutral-axis position as functions of the thicknesses of PZT, electrodes, and the dielectric layer. Two- and three-dimensional finite-element simulations provide complementary predictions of neutral-axis location, voltage-dependent curvature response, and eigenmode shapes. The resulting design maps reveal a non-monotonic optimum for PZT thickness in the few-hundred-nanometer range to maximize the curvature change at low voltages and identify ultrathin top electrodes as a key design lever that enhances bending by reducing parasitic stiffness while shifting the neutral axis favorably. These findings offer quantitative guidelines for designing low-voltage, high-curvature piezoelectric microactuators for microrobotic systems. Full article
(This article belongs to the Special Issue Design and Applications of Smart Piezoelectric Sensors and Actuators)
Show Figures

Figure 1

12 pages, 3270 KB  
Article
Dielectric Metasurface for Generating Longitudinally Separated Dual-Channel Focused Vectorial Structured Light
by Haoyan Zhou, Xinyi Jiang, Wenxin Wang, Yuantao Wang, Yuchen Xu, Kaixin Zhao, Chuanfu Cheng and Chunxiang Liu
Nanomaterials 2026, 16(7), 389; https://doi.org/10.3390/nano16070389 - 24 Mar 2026
Viewed by 264
Abstract
The manipulation of vector beams (VBs) with longitudinally variant polarization states is an important research topic and has potential applications in classical and quantum fields. In this study, we propose a half-wave plate dielectric metasurface composed of two interleaved sub-metasurfaces to generate longitudinally [...] Read more.
The manipulation of vector beams (VBs) with longitudinally variant polarization states is an important research topic and has potential applications in classical and quantum fields. In this study, we propose a half-wave plate dielectric metasurface composed of two interleaved sub-metasurfaces to generate longitudinally separated dual-channel vectorial structured light fields. The propagation and Pancharatnam–Berry phases are employed to construct hyperbolic, helical, and opposite gradient phases for focusing wavefronts, generating circularly polarized (CP) vortices, and deflecting CP vortices with the same chirality in opposite directions. Consequently, dual-channel higher-order or hybrid-order Poincaré (HOP or HyOP) beams are generated along the optical axis under elliptically polarized illumination, and their polarization states evolve along an arbitrary pair of antipodal meridians on the HOP or HyOP sphere by varying the ellipticity of the incident light, the propagation-phase topological charge, and the rotation order of the meta-atom. The consistency between the theoretical and simulated results demonstrates the feasibility and practicability of the proposed method. This study is significant for compact, integrated, and multifunctional optical devices, and provides an innovative strategy to extend optical field manipulation from two-dimensional to three-dimensional space. Full article
(This article belongs to the Section Nanophotonics Materials and Devices)
Show Figures

Figure 1

16 pages, 2376 KB  
Article
Initial Evaluation of Feasibility and Cutaneous Toxicity of Electron FLASH Radiotherapy Using a Standard-of-Care Fractionation Scheme in a Porcine Skin Model
by Elise Konradsson, Kevin Liu, Safee Baig, Susanne Je-Han Lin, Alan Hernandez Lopez, Brett Velasquez, Stephanie Mayor, Kayla Samuel, Traci Viscarra, Krystal Garrow, Erica J. Moore, William Norton, Jody Swain, Ziyi Li, Albert C. Koong, Steven H. Lin, Emil Schüler and Devarati Mitra
Cancers 2026, 18(6), 1009; https://doi.org/10.3390/cancers18061009 - 20 Mar 2026
Viewed by 397
Abstract
Background/Objectives: FLASH radiotherapy (RT) has shown potential to reduce normal tissue toxicity compared with conventional (CONV) RT while maintaining tumor control. FLASH RT is characterized by ultra-high dose rate delivery, commonly using mean dose rates ≥ 40 Gy/s and sub-second delivery times. Most [...] Read more.
Background/Objectives: FLASH radiotherapy (RT) has shown potential to reduce normal tissue toxicity compared with conventional (CONV) RT while maintaining tumor control. FLASH RT is characterized by ultra-high dose rate delivery, commonly using mean dose rates ≥ 40 Gy/s and sub-second delivery times. Most preclinical studies have used single-fraction regimens, leaving the feasibility and normal tissue impact of clinically relevant fractionation largely unexplored. We evaluated electron FLASH RT given in a standard five-fraction regimen to a porcine skin model, simulating adjuvant treatment workflow for high-risk cutaneous melanoma. Method: Three Yorkshire–Landrace swine received paired five-fraction electron irradiations to dorsolateral skin using either FLASH RT (mean dose rates 175–246 Gy/s) or CONV RT (8 Gy/min). Radiation was delivered with a 9-MeV electron beam; field diameters of 4, 7, or 10 cm; and doses of 5 × 6, 5 × 7, or 5 × 8 Gy. Dosimetry was validated with several dosimeters and real-time beam monitoring, confirming dose accuracy within 3%. Skin toxicity was assessed over 22–24 weeks using clinical grading, erythema spectrophotometry, and histopathologic evaluation. Results: FLASH RT was well tolerated at 5 × 6 Gy and 5 × 7 Gy, with no significant differences in peak radiation dermatitis, erythema index, or histologic damage compared with CONV RT. At 5 × 8 Gy, both modalities caused unacceptable toxicity, including moist desquamation and necrosis. No volume-dependent effects were observed. Conclusions: Although a FLASH-specific normal tissue sparing effect was not observed, this study demonstrates the technical feasibility and safety of delivering fractionated electron FLASH RT in a large animal model using a clinically relevant workflow. These findings support further investigation of physical beam parameters and biological modifiers, such as tissue oxygenation, and inform the clinical translation of fractionated FLASH RT for cutaneous malignancies. Full article
(This article belongs to the Section Cancer Therapy)
Show Figures

Figure 1

22 pages, 5861 KB  
Article
Processing–Microstructure–Property Relationships in a Cu-Rich FeCrMnNiAl High-Entropy Alloy Fabricated by Laser and Electron Beam Powder Bed Fusion
by David Maximilian Diebel, Thomas Wegener, Zhengfei Hu and Thomas Niendorf
Materials 2026, 19(6), 1174; https://doi.org/10.3390/ma19061174 - 17 Mar 2026
Viewed by 298
Abstract
A Cu-containing FeCrMnNiAl multi-principal element alloy was processed by laser-based and electron beam-based powder bed fusion (PBF-LB/M and PBF-EB/M) to investigate processing–microstructure–property relationships. In focus were alloy variants with a relatively high Cu content. Two PBF-LB/M scan strategies, employing a Gaussian beam with [...] Read more.
A Cu-containing FeCrMnNiAl multi-principal element alloy was processed by laser-based and electron beam-based powder bed fusion (PBF-LB/M and PBF-EB/M) to investigate processing–microstructure–property relationships. In focus were alloy variants with a relatively high Cu content. Two PBF-LB/M scan strategies, employing a Gaussian beam with and without a re-scan with a laser featuring a flat-top profile, were compared to PBF-EB/M processing, followed by heat-treatments between 300 °C and 1000 °C. The phase constitution, elemental partitioning and grain boundary characteristics were analyzed by X-ray diffraction, electron backscatter diffraction and energy-dispersive X-ray spectroscopy. Mechanical behavior was assessed by hardness and tensile testing. Both manufacturing routes promoted the evolution of stable multi-phase microstructures composed of face-centered-cubic (FCC)- and body-centered-cubic (BCC)-type phases across all heat-treatment conditions. PBF-LB/M processing resulted in finer, dendritic microstructures and suppressed formation of a Cu-rich FCC phase due to higher cooling rates, whereas PBF-EB/M promoted the evolution of Cu-rich FCC segregates and equiaxed grain morphologies. Heat-treatment above 700 °C led to recrystallization, accompanied by an increase of the FCC phase fraction, grain coarsening, and recovery. At lower heat-treatment temperatures, the changes in microstructure are different. Here, it is assumed that small, non-clustered Cu-rich precipitates formed at the grain and sub-grain boundaries, although this assumption is only based on the assessment of the mechanical properties. The size of these precipitates is below the resolution limit of the techniques applied for analysis in the present work. Additional structures seen within the Cu-rich areas of PBF-EB/M-manufactured samples treated at lower temperatures also seem to have an influence on the hardness and yield strength. All of the conditions investigated exhibited pronounced brittleness, limiting reliable tensile property evaluation and indicating the need for further optimization of processing strategies and microstructural control for high-Cu-fraction-containing multi-principal element alloys. Full article
(This article belongs to the Section Metals and Alloys)
Show Figures

Figure 1

14 pages, 3902 KB  
Article
Influence of Oxygen Flow and Stoichiometry on Optical Properties and Damage Resistance of Hafnium Oxide Thin Films
by Amira Guediche, Saaxewer Diop, Raluca A. Negres, Leonardus Bimo Bayu Aji and Colin Harthcock
Coatings 2026, 16(3), 376; https://doi.org/10.3390/coatings16030376 - 17 Mar 2026
Viewed by 413
Abstract
Hafnium oxide (HfO2) is predominantly used as a high-index material in multi-layer dielectric coatings for high-peak- and high-average-power lasers, but laser damage often initiates within the HfO2 layers despite their wide bandgap. Oxygen deficiency during deposition can introduce vacancy-related sub-bandgap [...] Read more.
Hafnium oxide (HfO2) is predominantly used as a high-index material in multi-layer dielectric coatings for high-peak- and high-average-power lasers, but laser damage often initiates within the HfO2 layers despite their wide bandgap. Oxygen deficiency during deposition can introduce vacancy-related sub-bandgap states and absorptive defects, lowering damage resistance. This study investigates how oxygen flow during HfO2 deposition with ion beam sputtering (IBS) affects its stoichiometry, defect formation, and nanosecond laser-induced damage threshold (LIDT) and whether single-layer trends predict multilayer performance. Single layers were deposited at varying oxygen flows, characterized for optical and structural properties, and tested for the LIDT at 1064 nm and 355 nm. Increasing oxygen flow drove the layer toward near-stoichiometric HfO2, reduced the refractive index, and altered the density of surface pinhole-like features. The single-layer LIDT at 355 nm increased with oxygen, whereas the 1064 nm LIDT was comparatively less sensitive to oxygen flow, consistent with the wavelength-dependent roles of absorptive precursors and microstructural defects. In contrast, a HfO2-based high-reflector (HR) showed a higher LIDT at lower oxygen flow, indicating that the family of damage precursors changes between single layers and multilayers; in stacks, structural properties such as stress, gas entrapment and thermal dissipation may outweigh the isolated absorptive defects found in single layers. These results demonstrate that the optimal oxygen flow condition depends on both LIDT wavelength and film architecture. We identified, for single layers, a 15–35 sccm window for maximizing the 1064 nm LIDT and a high-flow optimum (45 sccm) for the 355 nm LIDT and, for 355 nm HR stacks, a distinct lower-flow regime (~10 sccm). Full article
Show Figures

Figure 1

11 pages, 3184 KB  
Article
CMOS-Compatible Fabrication Module for Sub-100 nm TiN and TaN Pillar Electrodes for Carbon Nanotube Test Structures
by Guohai Chen, Takeshi Fujii, Takeo Yamada and Kenji Hata
Nanomaterials 2026, 16(6), 357; https://doi.org/10.3390/nano16060357 - 14 Mar 2026
Viewed by 396
Abstract
We report a versatile, CMOS-compatible fabrication module for sub-100 nm TiN and TaN pillar electrodes, a key building block for sandwich-type test structures. As a demonstration, the electrodes were integrated into carbon nanotube-based nonvolatile random-access memory (CRAM) test structures. High-resolution hydrogen silsesquioxane (HSQ) [...] Read more.
We report a versatile, CMOS-compatible fabrication module for sub-100 nm TiN and TaN pillar electrodes, a key building block for sandwich-type test structures. As a demonstration, the electrodes were integrated into carbon nanotube-based nonvolatile random-access memory (CRAM) test structures. High-resolution hydrogen silsesquioxane (HSQ) masks defined by electron beam lithography were transferred into TiN films using optimized Ar/Cl2 inductively coupled plasma reactive ion etching. Optical emission spectroscopy was used for real-time endpoint detection, ensuring precise etch control. The process achieved a TiN-to-HSQ selectivity of ~1.6 and reproducible nanoscale features with smooth sidewalls and an average taper angle of ~77°. Buffered hydrogen fluoride treatment effectively removed residual HSQ, revealing sharp TiN features and preserving pillar geometry. Atomic force microscopy (AFM) confirmed pillar height and profile fidelity, while conductive AFM verified electrical conductivity after planarization. The module was further demonstrated through the fabrication of TiN pillar arrays, TaN pillars, and sub-100 nm TiN line arrays. A CRAM test structure incorporating TiN pillars exhibited preliminary switching, indicating that both the test structure and fabrication process are feasible. This fabrication module provides a reproducible platform for nanoscale TiN and TaN electrodes, supporting laboratory-scale research and providing a pathway toward future integration of emerging memory and nanoelectronic technologies. Full article
Show Figures

Graphical abstract

35 pages, 8675 KB  
Article
Research on the Dynamic Thermal/Stress Changes Introduced by Nanosecond Pulsed Hollow Cathode Electron Beam on Surface and the Influence of Thermal/Stress on Micro–Nano Characteristics
by Yahe Hou, Zhanfeng Hou and Xiaotong Cao
Coatings 2026, 16(3), 352; https://doi.org/10.3390/coatings16030352 - 11 Mar 2026
Viewed by 445
Abstract
Based on temperature–stress coupling simulation, a thermal source model for nanosecond pulsed hollow cathode electron beam surface modification is proposed. Dynamic thermal-stress changes from beam–surface interaction and their influence on micro–nano characteristics were systematically investigated. By analyzing maximum temperature/stress dynamics, cross-sectional remelted layer [...] Read more.
Based on temperature–stress coupling simulation, a thermal source model for nanosecond pulsed hollow cathode electron beam surface modification is proposed. Dynamic thermal-stress changes from beam–surface interaction and their influence on micro–nano characteristics were systematically investigated. By analyzing maximum temperature/stress dynamics, cross-sectional remelted layer variations, and heating/cooling rates, the temperature and stress distribution in the micron-scale surface layer was comprehensively revealed, validating the model’s rationality. Combined with low, medium, and high pulse count experiments, the effects of thermal and stress factors on surface morphology and grain refinement were studied, elucidating underlying mechanisms through numerical correspondence. Results show irradiation effects confined to a 1.5–2 mm localized region, with extreme temperature changes (~103 K) and stress variations (103–104 MPa) within tens of nanoseconds. Heating rates reached 1011 K/s, cooling rates 109–1010 K/s, exceeding microsecond pulsed beams by one to two orders. Simulated remelting zone diameter and thickness agreed well with experiments, confirming model validity. Grain refinement is primarily driven by rapid temperature distribution, generating instant solidification nucleation sites, with a secondary contribution from high-stress-induced plastic deformation forming sub-grains. Full article
(This article belongs to the Section Surface Characterization, Deposition and Modification)
Show Figures

Figure 1

14 pages, 6290 KB  
Article
Dynamic Wavefront Manipulation Enabled with VO2-Based Reflective Terahertz Metasurfaces
by Ruifan Huang, Shangchu Shi, Mohan Sun, Rui Yang, Yizhen Lin, Mingzhong Wu, Mingze Zhang, Sergey Maksimenko and Xunjun He
Nanomaterials 2026, 16(5), 338; https://doi.org/10.3390/nano16050338 - 9 Mar 2026
Viewed by 401
Abstract
Dynamic wavefront control plays a crucial role in advancing terahertz (THz) high-precision non-destructive testing, wireless communication and high-resolution imaging. However, existing approaches to THz dynamic wavefront control suffer from inherent limitations, such complex structures, narrow operational bandwidth, and the ability to tune only [...] Read more.
Dynamic wavefront control plays a crucial role in advancing terahertz (THz) high-precision non-destructive testing, wireless communication and high-resolution imaging. However, existing approaches to THz dynamic wavefront control suffer from inherent limitations, such complex structures, narrow operational bandwidth, and the ability to tune only a single function, significantly restricting their practical applications. To overcome these challenges, we propose a dynamic reflective THz metasurface based on nested split-ring unit cells. The nested unit cell consists of an outer double-split VO2 ring resonator and an inner single-split aluminum ring deposited on a central VO2 circular patch. By, respectively, rotating the inner and outer rings in the insulator and metal states of VO2, independent full 2π phase coverage at 1.07 THz can be achieved in both VO2 states while maintaining high polarization-conversion efficiency with a PCR exceeding 0.98, thereby enabling efficient dynamic wavefront control. Using these unit cells, we constructed three distinct reflective metasurfaces that, respectively, generate broadband focusing beams with tunable focal lengths, broadband vortex beams with different topological charges, and a broadband beam that can be switched between focusing and vortex modes by changing the state of VO2. The design offers considerable flexibility for developing compact, multifunctional THz devices, with promising potential for integrated THz systems, high-capacity communications, and high-resolution imaging. Full article
(This article belongs to the Section Nanoelectronics, Nanosensors and Devices)
Show Figures

Figure 1

24 pages, 7108 KB  
Article
Experimental Accuracy Evaluation of UAV-Based Homography for Static and Dynamic Displacement Monitoring of Structures
by Ante Marendić, Dubravko Gajski, Ivan Duvnjak and Ana Kosor
Sensors 2026, 26(5), 1593; https://doi.org/10.3390/s26051593 - 3 Mar 2026
Viewed by 310
Abstract
Structural displacement monitoring is an essential component of structural health monitoring of bridges, providing valuable information for performance evaluation, numerical model validation, and damage detection. While conventional contact-based sensors provide high accuracy, their installation is often complex, costly, and disruptive to traffic. Recent [...] Read more.
Structural displacement monitoring is an essential component of structural health monitoring of bridges, providing valuable information for performance evaluation, numerical model validation, and damage detection. While conventional contact-based sensors provide high accuracy, their installation is often complex, costly, and disruptive to traffic. Recent developments in unmanned aerial vehicle (UAV) platforms and vision-based measurement techniques offer a flexible, non-contact alternative; however, platform motion remains a major source of uncertainty. This study evaluates the accuracy and operational feasibility of UAV-based homography for static and dynamic displacement monitoring. The proposed approach is validated through three complementary experimental campaigns: a controlled calibration field test, a beam static load test, and bridge monitoring under traffic loading, with direct comparison to LVDT and RTS measurements. Under controlled conditions, sub-millimetre vertical precision was achieved, with RMSE values below 0.3 mm. In full-scale bridge applications, the method captured traffic-induced displacement trends with errors generally within 1–2 mm compared to LVDT data and with RMSE values below 1.4 mm. The results demonstrate that, when appropriate reference point configuration and imaging geometry are ensured, UAV-based homography provides a practical and sufficiently accurate solution for bridge displacement monitoring which is especially important in applications where sensor installation is difficult or unsafe. Full article
(This article belongs to the Special Issue Novel Sensor Technologies for Civil Infrastructure Monitoring)
Show Figures

Figure 1

22 pages, 824 KB  
Article
Security Improvement for UAV-Assisted Integrated Sensing, Communication, and Jamming Networks
by Lin Shi, Chuansheng Yan, Dingcheng Yang, Yu Xu, Fahui Wu and Huabing Lu
Telecom 2026, 7(2), 27; https://doi.org/10.3390/telecom7020027 - 3 Mar 2026
Viewed by 515
Abstract
We propose a unmanned aerial vehicle (UAV)-assisted integrated sensing, communication, and jamming (U-ISJC) framework, in which a multifunctional UAV first detects the sensing target to obtain sensing information, and subsequently transmits the information to communication users via a unified beam in the presence [...] Read more.
We propose a unmanned aerial vehicle (UAV)-assisted integrated sensing, communication, and jamming (U-ISJC) framework, in which a multifunctional UAV first detects the sensing target to obtain sensing information, and subsequently transmits the information to communication users via a unified beam in the presence of multiple eavesdroppers. To avoid functional conflicts, a time slot frame structure is designed for the UAV’s multifunctional capabilities, enabling communication, sensing, and jamming tasks within each timeslot. The time slot allocation factor dynamically adjusts based on the UAV’s flight trajectory for efficient UAV resource utilization. Additionally, to prevent security rate leakage caused by eavesdroppers, a jamming beam is added to serve both jamming and sensing functions. Our objective is to maximize the the worst-case total secure data transmission rate by jointly optimizing sub-time slot allocation, beamforming, and UAV trajectory. To address this problem, we propose a joint optimization algorithm that adopts the concave–convex procedure (CCCP) technique and semi-definite relaxation (SDR), under the block coordinate descent (BCD) framework. The simulation results show that compared with the baseline scheme, the proposed algorithm substantially improves the communication security rate while ensuring the quality of communication and sensing. Full article
Show Figures

Figure 1

17 pages, 1164 KB  
Article
A Predictive Model and Comparative Analysis of Laser-Induced Phase Transition Thresholds for Four Key Engineering Alloys
by Lyubomir Lazov, Lyubomir Linkov, Nikolay Angelov, Edmunds Sprudzs and Arturs Abolins
Materials 2026, 19(5), 927; https://doi.org/10.3390/ma19050927 - 28 Feb 2026
Viewed by 237
Abstract
Laser-based manufacturing processes—including marking, hardening, cutting, and welding—demand the precise selection of processing parameters, as the resulting surface state is critically dependent on the delivered power density and beam–material interaction time. This study presents a unified predictive framework for estimating the critical surface [...] Read more.
Laser-based manufacturing processes—including marking, hardening, cutting, and welding—demand the precise selection of processing parameters, as the resulting surface state is critically dependent on the delivered power density and beam–material interaction time. This study presents a unified predictive framework for estimating the critical surface power density thresholds for melting qscm and evaporation qscv as functions of scanning speed v for the following four technologically important metallic materials: titanium, C26000 brass, SS304 stainless steel, and 42CrMo4 alloy steel. The principal novelty of this work is twofold. First, it provides the first directly comparative analysis of these four materials under identical, standardized laser conditions (λ = 1064 nm, d = 40 μm, constant absorptivity A = 0.4), eliminating the confounding effects of variable beam geometries and optical assumptions that hinder cross-study comparisons. Second, it translates fundamental thermophysical principles into a practical engineering tool, such as a validated spreadsheet calculator that outputs material-specific threshold curves in real time, enabling rapid, physics-based parameter estimation without recourse to complex numerical simulations. The computed threshold curves exhibit a consistent non-linear increase with scanning speed for all materials, governed by the inverse relationship between interaction time and required power density. The following clear material hierarchy emerges: C26000 brass exhibits the highest thresholds (e.g., qscm = 0.94 × 1010 W/m2, qscv = 10.74 × 1010 W/m2 at v = 100 mm/s) due to its high thermal conductivity, while titanium shows the lowest (qscm = 0.19 × 1010 W/m2, qscv = 0.48 × 1010 W/m2 at v = 100 mm/s) as a consequence of strong heat confinement. SS304 and 42CrMo4 occupy intermediate positions, with 42CrMo4 demonstrating notably higher evaporation resistance than SS304 despite similar melting thresholds. The resulting dual-threshold framework delineates three distinct process regimes—sub-melting heating, melting-dominant processing, and evaporation—providing a quantitative basis for parameter selection in applications ranging from surface hardening to micromachining. By bridging the gap between theoretical material science and applied manufacturing, this work offers a robust, first-order reference for process design and establishes a methodological template for future comparative studies of laser–material interactions. Full article
(This article belongs to the Section Materials Physics)
Show Figures

Graphical abstract

20 pages, 4743 KB  
Article
A Vibration Response Prediction Model for Multi-Stage Assembled Rotors Based on Synchronous Excitation of Mass Eccentricity Error and Spigot Eccentricity Error
by Yue Chen, Guiyang Liu and Yuhao Jia
Aerospace 2026, 13(3), 218; https://doi.org/10.3390/aerospace13030218 - 27 Feb 2026
Cited by 1 | Viewed by 249
Abstract
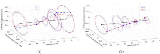
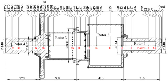
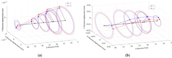
The precise prediction of vibration response is crucial for optimizing the assembly quality of multi-stage rotors. Existing models possess two key limitations: they neglect the geometric displacement excitation from spigot eccentricity error and oversimplify rotor behavior by not accounting for the excitation redistribution [...] Read more.
The precise prediction of vibration response is crucial for optimizing the assembly quality of multi-stage rotors. Existing models possess two key limitations: they neglect the geometric displacement excitation from spigot eccentricity error and oversimplify rotor behavior by not accounting for the excitation redistribution caused by significant dynamic deflection at high speeds, particularly near critical speeds. To overcome these shortcomings, this study establishes a novel dynamic model based on the synchronous excitation of both mass and spigot eccentricity errors, which simultaneously incorporates the coupling mechanism of dynamic deflection. System dynamics equations are developed using a finite element approach combined with Timoshenko beam theory and solved via the Newmark-β method. Simulations and experiments on a four-stage rotor demonstrate that the proposed model provides significantly improved accuracy. At sub-critical, first, and second critical speeds, it reduces the maximum prediction error for nodal displacement amplitudes by 6.1%, 9.2%, and 36.4%, respectively, compared to a model neglecting dynamic deflection. Furthermore, analysis confirms that the targeted assembly error excitation exists solely at the fundamental frequency. The developed model, which uniquely integrates dual eccentricity sources with dynamic deflection coupling, is essential for reliable high-speed vibration prediction and assembly optimization, especially for flexible rotors operating near critical speeds. Full article
Show Figures

Figure 1

Back to TopTop