Sign in to use this feature.

Years

Between: -

Subjects

remove_circle_outline
remove_circle_outline
remove_circle_outline
remove_circle_outline
remove_circle_outline
remove_circle_outline
remove_circle_outline
remove_circle_outline
remove_circle_outline

Journals

remove_circle_outline
remove_circle_outline
remove_circle_outline
remove_circle_outline
remove_circle_outline
remove_circle_outline
remove_circle_outline
remove_circle_outline
remove_circle_outline
remove_circle_outline
remove_circle_outline
remove_circle_outline
remove_circle_outline
remove_circle_outline
remove_circle_outline
remove_circle_outline
remove_circle_outline
remove_circle_outline
remove_circle_outline
remove_circle_outline
remove_circle_outline
remove_circle_outline
remove_circle_outline
remove_circle_outline
remove_circle_outline
remove_circle_outline
remove_circle_outline
remove_circle_outline

Article Types

Countries / Regions

remove_circle_outline
remove_circle_outline
remove_circle_outline
remove_circle_outline
remove_circle_outline
remove_circle_outline

Search Results (8,440)

Search Parameters:
Keywords = speed detection

Order results
Result details
Results per page
Select all
Export citation of selected articles as:
24 pages, 5464 KB  
Article
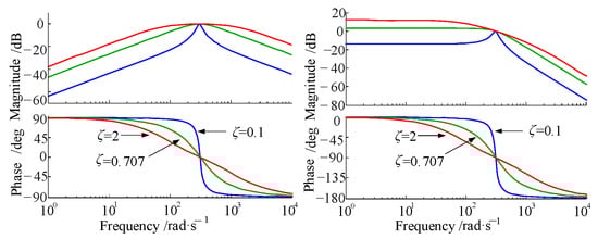
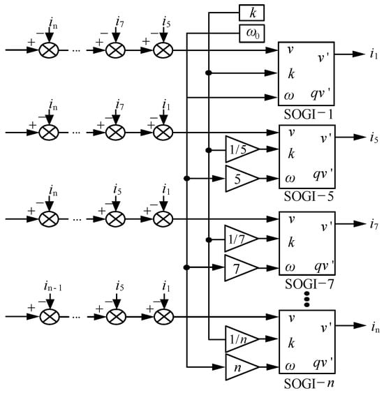
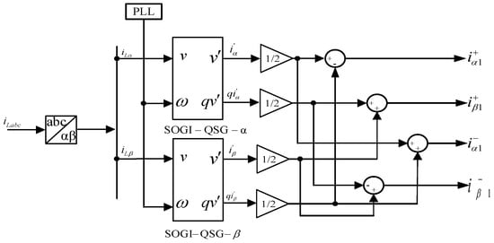
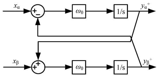
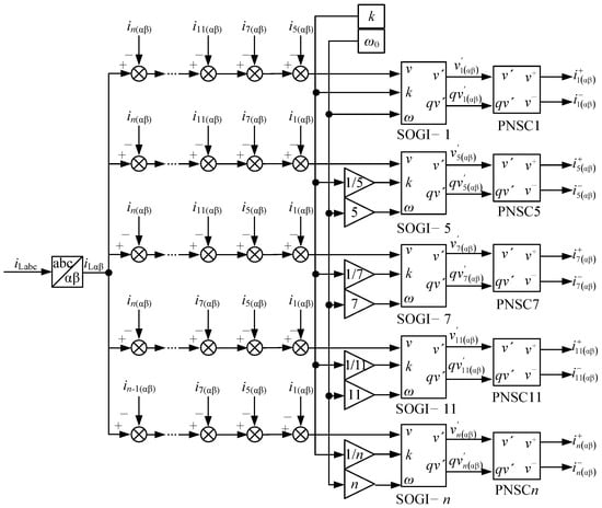
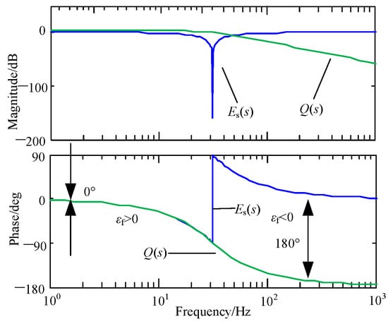
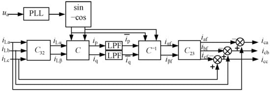
A Total Current Harmonic Detection Method Based on the Second Order Generalized Integrator
by Da Li, Jidong Luo, Chuang Shan, Zhenwei Luo and Hongzhou Zhang
Electronics 2026, 15(8), 1593; https://doi.org/10.3390/electronics15081593 - 10 Apr 2026
Abstract
The ip-iq harmonic detection method, which is based on instantaneous reactive power theory, involves cumbersome and complex computations. In addition, the adoption of a low-pass filter (LPF) degrades the dynamic response performance of harmonic detection. To achieve accurate and [...] Read more.
The ip-iq harmonic detection method, which is based on instantaneous reactive power theory, involves cumbersome and complex computations. In addition, the adoption of a low-pass filter (LPF) degrades the dynamic response performance of harmonic detection. To achieve accurate and fast detection of grid harmonic currents for efficient power grid compensation, this paper proposes a total current harmonic detection method using a dual second-order generalized integrator (DSOGI). This method eliminates the calculation steps of the active and reactive components of load current that are required in the conventional ip-iq method. More importantly, it replaces the LPF in the traditional detection scheme with a positive-sequence fundamental component extraction structure based on the DSOGI. Simulations and experimental tests are conducted on the proposed method under balanced grid conditions; the total harmonic distortion (THD) is approximately 2%, and the system stabilizes within 0.04 s. The detection speed and accuracy of the proposed method are superior to those of the traditional ip-iq harmonic detection method, the sinusoidal amplitude integrator (SAI)-based method, and the complex coefficient filter (CCF)-based method. Full article
(This article belongs to the Section Power Electronics)
Show Figures

Figure 1

28 pages, 2314 KB  
Article
EF-YOLO: Detecting Small Targets in Early-Stage Agricultural Fires via UAV-Based Remote Sensing
by Jun Tao, Zhihan Wang, Jianqiu Wu, Yunqin Li, Tomohiro Fukuda and Jiaxin Zhang
Remote Sens. 2026, 18(8), 1119; https://doi.org/10.3390/rs18081119 - 9 Apr 2026
Abstract
Early detection of agricultural fires with Unmanned Aerial Vehicles (UAVs) is important for environmental safety, yet it remains difficult because ignition cues are extremely small, smoke patterns vary widely, and farmland scenes often contain strong background interference such as specular reflections. Model development [...] Read more.
Early detection of agricultural fires with Unmanned Aerial Vehicles (UAVs) is important for environmental safety, yet it remains difficult because ignition cues are extremely small, smoke patterns vary widely, and farmland scenes often contain strong background interference such as specular reflections. Model development is further constrained by the scarcity of data from the early ignition stage. To address these challenges, we propose a joint data and model optimization framework. We first build a hybrid dataset through an ROI-guided synthesis pipeline, in which latent diffusion models are used to insert high-fidelity, carefully screened fire samples into real farmland backgrounds. We then introduce EF-YOLO, a detector designed for high sensitivity to small targets. The network uses SPD-Conv to reduce feature loss during spatial downsampling and includes a high-resolution P2 head to improve the detection of minute objects. To reduce background clutter, a Dual-Path Frequency–Spatial Enhancement (DP-FSE) module serves as a lightweight statistical surrogate that extracts global contextual cues and local salient features in parallel, thereby suppressing high-frequency noise. Experimental results show that EF-YOLO achieves an APs of 40.2% on sub-pixel targets, exceeding the YOLOv8s baseline by 15.4 percentage points. With a recall of 88.7% and a real-time inference speed of 78 FPS, the proposed framework offers a strong balance between detection performance and efficiency, making it well suited for edge-deployed agricultural fire early-warning systems. Full article
19 pages, 5624 KB  
Article
Non-Contact Bearing Fault Diagnostics: Experimental Investigation of Microphones Position and Distance
by Emanuele Voltolini, Andrea Toscani, Enrico Armelloni, Marco Cocconcelli, Lorenzo Fendillo and Elisabetta Manconi
Appl. Sci. 2026, 16(8), 3670; https://doi.org/10.3390/app16083670 - 9 Apr 2026
Abstract
Monitoring the condition of rolling bearings is critical for industrial reliability, yet traditional contact-based accelerometers can be impractical in confined or hazardous environments. This study investigates the use of microphones as a non-invasive diagnostic alternative, focusing on the impact of sensor distance and [...] Read more.
Monitoring the condition of rolling bearings is critical for industrial reliability, yet traditional contact-based accelerometers can be impractical in confined or hazardous environments. This study investigates the use of microphones as a non-invasive diagnostic alternative, focusing on the impact of sensor distance and spatial placement on fault detection sensitivity across various rotational speeds and load conditions. Using an accelerometer mounted directly on the bearing as a benchmark, acoustic data were acquired on a test bench under different speed and load conditions. The experimental setup evaluated three distinct microphone positions and five distances relative to the source to assess spatial influence. Analysis was conducted comparing scalar indicators, such as Root Mean Square (RMS), kurtosis and Crest Factor (CF) values, with advanced diagnostic techniques, specifically the High-Frequency Resonance Technique (HFRT) for envelope spectrum extraction. Results indicate that while the signal-to-noise ratio (SNR) predictably decreases with distance, diagnostic performance is significantly compromised by acoustic shielding effects caused by bearing housing. Moreover, while simple statistical factors (RMS, kurtosis, CF) show limited reliability across varying distances and noise floors, HFRT-based envelope analysis yields robust fault identification even at the maximum sensor distance. The study concludes that optimal microphone placement is essential for reliable remote monitoring. Particularly, these findings suggest that a preliminary spatial characterization of the acoustic field can significantly enhance the effectiveness of non-contact diagnostic systems in industrial applications. Full article
(This article belongs to the Collection Bearing Fault Detection and Diagnosis)
Show Figures

Figure 1

30 pages, 14814 KB  
Article
The Intelligent Row-Following Method and System for Corn Harvesters Driven by “Visual-Gateway” Collaboration
by Shengjie Zhou, Songling Du, Xinping Zhang, Cheng Yang, Guoying Li, Qingyang Wang and Liqing Zhao
Agriculture 2026, 16(8), 832; https://doi.org/10.3390/agriculture16080832 - 9 Apr 2026
Abstract
To address the issues of corn harvester field operations relying on driver visual guidance for row alignment, high labor intensity, and unstable operation accuracy, this study innovatively proposes a “vision-dominant, gateway-enhanced” dual-mode collaborative row-alignment assistance architecture, and independently develops the R2DC-Mask [...] Read more.
To address the issues of corn harvester field operations relying on driver visual guidance for row alignment, high labor intensity, and unstable operation accuracy, this study innovatively proposes a “vision-dominant, gateway-enhanced” dual-mode collaborative row-alignment assistance architecture, and independently develops the R2DC-Mask R-CNN instance segmentation network and MCC-KF robust filtering algorithm to form a deeply coupled hardware–software-assisted driving system. The R2DC-Mask R-CNN network is autonomously designed for corn row-detection scenarios, achieving accurate perception in complex field environments; the MCC-KF algorithm innovatively solves the state estimation divergence problem during transient vision failures through a multi-criteria constraint mechanism, ensuring continuous navigation capability; the intelligent gateway and vision system form a confidence-driven master–slave switching mechanism that adaptively enhances system robustness when vision is restricted. Field experiments demonstrate that within the speed range of 0.5–5.0 km/h, the average lateral deviation in the row alignment assisted by the system is 3.82–5.30 cm, the proportion of deviations less than 10 cm exceeds 96%, and all sample deviations remain within 20 cm; at a speed of 3.5 km/h, the system reduces the average grain loss rate from 3.76% under manual operation to 2.65%, a decrease of 29.5%. This system effectively improves row alignment accuracy and harvest quality, providing a practical human–machine collaborative solution for intelligent harvester operations. Full article
(This article belongs to the Section Agricultural Technology)
Show Figures

Figure 1

9 pages, 566 KB  
Brief Report
Should Conservation Cut-In Wind Speed Be Tailored to Site-Specific Conditions? Insights from Bat Activity Patterns at Wind Farms in Northern Portugal
by Sara Silva, Paulo Barros and Mario Santos
Conservation 2026, 6(2), 43; https://doi.org/10.3390/conservation6020043 - 9 Apr 2026
Abstract
Wind energy stands as one of the most technologically mature renewable sources, playing a pivotal role in the mitigation of greenhouse gas emissions. However, wind farms and associated infrastructures increase collision risk for flying organisms. Implementing higher cut-in speeds is a proven mitigation [...] Read more.
Wind energy stands as one of the most technologically mature renewable sources, playing a pivotal role in the mitigation of greenhouse gas emissions. However, wind farms and associated infrastructures increase collision risk for flying organisms. Implementing higher cut-in speeds is a proven mitigation strategy to significantly decrease wildlife mortality rates, particularly for bat species, by preventing turbine operation during low-wind periods of high activity. The suggested, non-standard, increased cut-in speed for wind turbines is generally 5.0 m/s. To test the effectiveness of cut-in speed increase, bat activity was monitored at three wind farms in northern Portugal (Gevancas, Azinheira, and Lagoa de Dom João e Feirão), to characterize spatial and temporal activity patterns and assess the potential associated risk. Ultrasonic acoustic detection was carried out at fixed stations, at heights of 55 m above ground level from March to October. Wind speed data were recorded concurrently using anemometers mounted on meteorological towers. Contradicting recommendations, the results show that significant bat activity might occur at wind speeds above the current curtailment values. Since turbine operation coincides with peak bat activity, it is imperative to implement site-specific mitigation strategies, such as optimized cut-in speeds, to minimize mortality risk. Full article
Show Figures

Figure 1

27 pages, 2114 KB  
Article
MSFE-YOLO: A Steel Surface Defect Detection Algorithm Integrating Multi-Scale Frequency Domain and Defect-Aware Attention
by Siqi Su, Jiale Shen, Peiyi Lin, Wanhe Tang, Weijie Zhang and Zhen Chen
Sensors 2026, 26(8), 2311; https://doi.org/10.3390/s26082311 - 9 Apr 2026
Abstract
Detecting surface defects on steel products is crucial for maintaining quality standards in industrial manufacturing. However, existing detection algorithms face several challenges, including the difficulty of capturing multi-scale defect characteristics with fixed receptive fields, insufficient utilization of defect edge and frequency domain features, [...] Read more.
Detecting surface defects on steel products is crucial for maintaining quality standards in industrial manufacturing. However, existing detection algorithms face several challenges, including the difficulty of capturing multi-scale defect characteristics with fixed receptive fields, insufficient utilization of defect edge and frequency domain features, and simplistic feature fusion strategies. In response to the above challenges, this paper proposed the Multi-Scale Frequency-Enhanced YOLO (MSFE-YOLO) algorithm that integrates multi-scale frequency domain enhancement with defect-aware attention mechanisms. First, a Multi-Scale Frequency-Enhanced Convolution (MSFC) module was constructed, which extracted multi-scale spatial features in parallel through depth-adaptive dilated convolutions, explicitly modeled high-frequency edge information using the Laplacian operator, and achieved adaptive fusion of multi-branch features via learnable weights. Second, a Cross-Stage Partial with Multi-Scale Defect-Aware Attention (C2MSDA) module was designed, integrating Sobel operator-based edge perception, multi-scale spatial attention, and adaptive channel attention to collaboratively enhance features across spatial, channel, and edge domains through a gated fusion strategy. Finally, an Adaptive Feature Fusion Enhancement (AFFE) module was proposed to achieve adaptive aggregation of multi-level features through a data-driven weight generation network and cross-scale feature interaction mechanism. Experimental results on the NEU-DET and GC10-DET datasets demonstrated that MSFE-YOLO achieved the mAP@0.5 of 79.8% and 66.7%, respectively, which were 1.7% and 2.1% higher than the benchmark model YOLOv11s respectively, while maintaining an inference speed of 89.3 FPS, which satisfied the real-time detection requirements in industrial scenarios. Full article
(This article belongs to the Special Issue AI-Based Visual Sensing for Object Detection)
Show Figures

Figure 1

26 pages, 6352 KB  
Article
Deep Learning–Based Corn Yield Component Estimation Under Different Nitrogen and Irrigation Rates
by Binita Ghimire, Lorena N. Lacerda, Thirimachos Bourlai and Guoyu Lu
AgriEngineering 2026, 8(4), 146; https://doi.org/10.3390/agriengineering8040146 - 9 Apr 2026
Abstract
The number of kernels per ear is a key yield parameter that reflects the effects of breeding and agronomic management practices on crop productivity. However, conventional manual counting is labor-intensive, time-consuming, and prone to human error. This study evaluated the performance of six [...] Read more.
The number of kernels per ear is a key yield parameter that reflects the effects of breeding and agronomic management practices on crop productivity. However, conventional manual counting is labor-intensive, time-consuming, and prone to human error. This study evaluated the performance of six YOLO models, trained from scratch and fine-tuned, alongside a Faster R-CNN model, for automated kernel detection and counting from manually harvested field corn ear images. Model performance was assessed for predicting the yield and harvest index (HI) of field corn under varying nitrogen and irrigation rates. Results show that models trained with fine-tuning consistently outperform those trained from scratch in both accuracy and computational speed. Among all tested YOLO models, YOLOv11x achieved the highest performance, with a precision of 0.978, a recall of 0.968, a latency of 4.8 ms, and a prediction coefficient of determination (R2pred) of 0.858 for the test set and 0.890 for cross-year datasets. The YOLOv8x model ranked second, whereas YOLOv10x was the worst-performing model. Compared to YOLO, Faster R-CNN performed poorly. Yield and HI predictions using YOLOv11x achieved R2 values of 0.881 and 0.758, respectively, and captured treatment effects. Overall, the findings demonstrate that YOLO-based architecture is highly effective for detecting kernels and predicting yield in precision agriculture applications. Full article
Show Figures

Figure 1

21 pages, 3963 KB  
Article
A Convective Initiation Nowcasting Algorithm Based on FY-4B Satellite AGRI and GHI Data
by Zongxin Yang, Zhigang Cheng, Wenjun Sang, Wen Zhang, Yu Huang, Yuwen Huang and Zhi Wang
Atmosphere 2026, 17(4), 380; https://doi.org/10.3390/atmos17040380 - 8 Apr 2026
Abstract
Based on the Advanced Geostationary Radiation Imager (AGRI) and Geostationary High-speed Imager (GHI) information in the Fengyun-4B (FY-4B) satellite, we propose a convective initiation (CI) nowcasting algorithm for Sichuan Province, China. The algorithm optimizes satellite reflectance by considering multi-channel brightness differences, visible reflectance, [...] Read more.
Based on the Advanced Geostationary Radiation Imager (AGRI) and Geostationary High-speed Imager (GHI) information in the Fengyun-4B (FY-4B) satellite, we propose a convective initiation (CI) nowcasting algorithm for Sichuan Province, China. The algorithm optimizes satellite reflectance by considering multi-channel brightness differences, visible reflectance, and cloud-top cooling by exploiting the Farneback optical flow, where the cloud is followed by false cooling due to cloud motion. Moreover, the high temporal resolution of GHI enables the detection of early cumulus cloud growth. The algorithm was developed using daytime CI events in the coverage area of Mianyang radar station from 22 July to 9 August 2023, and the remaining areas in the Chengdu scan area were used for validation. The results showed that the proposed method achieves a probability of detection (POD) of 83.1%, a false alarm ratio (FAR) of 33.0%, and a critical success index (CSI) of 58.9%. Compared with the AGRI-only method and the SATCAST algorithm, the POD increases by 5.4% and 8.4%, respectively, while the CSI improves by 1.3% and 2.3%. The average lead time reaches 34.2 min, which is 4.6 min longer than AGRI-only and 7.9 min longer than SATCAST. This suggests that AGRI and GHI data improve the spatiotemporal resolution of CI nowcasting. This approach improves the early detection of convective initiation under the climatic background of warm cloud convection in Sichuan, offering new insights for short-term warnings of regional convective weather. Full article
(This article belongs to the Special Issue Meteorological Issues for Low-Altitude Economy)
Show Figures

Graphical abstract

21 pages, 8662 KB  
Article
Research on Vortex Radar Imaging Characteristics Based on the Scattering Distribution of Three-Dimensional Wind-Driven Sea Surface Waves
by Xiaoxiao Zhang, Haodong Geng, Xiang Su, Lin Ren and Zhensen Wu
Remote Sens. 2026, 18(8), 1111; https://doi.org/10.3390/rs18081111 - 8 Apr 2026
Abstract
The resolution and accuracy of airborne/spaceborne SAR are continuously improving, making it an effective means for observing ocean dynamic processes and detecting marine targets. In contrast, utilizing its unique orbital angular momentum (OAM) mode, vortex radar does not require temporal accumulation to achieve [...] Read more.
The resolution and accuracy of airborne/spaceborne SAR are continuously improving, making it an effective means for observing ocean dynamic processes and detecting marine targets. In contrast, utilizing its unique orbital angular momentum (OAM) mode, vortex radar does not require temporal accumulation to achieve azimuthal resolution, making it particularly suitable for observing moving sea surfaces. This capability enables stable and continuous monitoring of dynamic ocean scenes. This paper proposes a vortex radar imaging method based on three-dimensional sea surface scattering characteristics: first, a three-dimensional wind-driven sea surface geometric model is established based on the Elfouhaily sea spectrum, and its scattering characteristics under different incident angles, wind speeds, and wind directions are analyzed using the semi-deterministic facet-based two-scale method; then, two-dimensional range-azimuth imaging is achieved through coordinate transformation, echo modeling, pulse compression, and fast Fourier transform (FFT) in OAM mode domain, with the correctness of the imaging algorithm verified through multiple point target imaging results. Finally, simulation results of two-dimensional sea surface vortex imaging under different incident angles are presented, and the influence of wind speed and direction on sea surface vortex imaging is analyzed. The study shows that the vortex imaging system can effectively reflect wave fluctuations and wind direction characteristics, demonstrating the feasibility and potential of vortex radar imaging in oceanographic applications. Full article
(This article belongs to the Special Issue Observations of Atmospheric and Oceanic Processes by Remote Sensing)
Show Figures

Figure 1

18 pages, 3641 KB  
Article
A Wavelet-Enhanced Detector for Tiny Objects in Remote-Sensing Images
by Weifan Xu and Yong Hu
Remote Sens. 2026, 18(8), 1109; https://doi.org/10.3390/rs18081109 - 8 Apr 2026
Abstract
Accurate and efficient detection is pivotal for tiny objects in remote sensing. However, achieving a favorable accuracy-efficiency trade-off remains challenging due to the few informative pixels of small targets, frequent occlusions, cluttered backgrounds, and detail degradation introduced by downsampling and multi-scale fusion. To [...] Read more.
Accurate and efficient detection is pivotal for tiny objects in remote sensing. However, achieving a favorable accuracy-efficiency trade-off remains challenging due to the few informative pixels of small targets, frequent occlusions, cluttered backgrounds, and detail degradation introduced by downsampling and multi-scale fusion. To address these challenges, we propose WEYOLO, a wavelet-enhanced detector that explicitly models frequency components and adaptively strengthens high-frequency cues to improve tiny-object robustness while maintaining competitive efficiency in inference speed and model size for remote-sensing deployment. To preserve edges and textures when spatial resolution is reduced, we design a Frequency-Aware Lifting Haar (FaLH) backbone that decomposes features into directional sub-bands and retains them during downsampling, preventing the loss of high-frequency information. Next, to address the blurring and detail loss caused by conventional pooling during multi-scale fusion, we introduce a Frequency-Domain Pyramid-Pooling (FDPP) module that performs wavelet-based multi-resolution analysis for frequency-aware feature-pyramid fusion. Additionally, we propose a stable size-aware quality focal regression loss that unifies Focaler-CIoU and size-aware DFL into a single objective, improving robustness and overall accuracy for small objects. Comprehensive experiments show that WEYOLO improves precision and recall over the baseline by 3.2%/4.2% on VisDrone and 2.6%/9.7% on TT100K; on AI-TOD, it achieves 47.5% mAP@0.5 and 21.3% mAP@0.5:0.95. Meanwhile, it reduces the parameter count by 60%, achieving a strong accuracy-efficiency balance for practical aerial sensing deployment. Full article
(This article belongs to the Section AI Remote Sensing)
Show Figures

Figure 1

17 pages, 4078 KB  
Article
Simulation-Driven Approach to Evaluate a Reinforcement Learning-Based Navigation System for Last-Mile Drone Logistics
by Zakaria Benali and Amina Hamoud
Vehicles 2026, 8(4), 85; https://doi.org/10.3390/vehicles8040085 - 8 Apr 2026
Abstract
Unmanned Aerial Systems (UAS) offer sustainable solutions for urban last-mile logistics, yet existing navigation algorithms struggle with the complexity of dynamic metropolitan environments. This study optimises a reinforcement learning (RL)-based guidance, navigation, and control (GNC) algorithm using a Proximal Policy Optimisation (PPO) model [...] Read more.
Unmanned Aerial Systems (UAS) offer sustainable solutions for urban last-mile logistics, yet existing navigation algorithms struggle with the complexity of dynamic metropolitan environments. This study optimises a reinforcement learning (RL)-based guidance, navigation, and control (GNC) algorithm using a Proximal Policy Optimisation (PPO) model within a high-fidelity simulation of Bristol City Centre. The primary contribution is training the RL model to autonomously detect and avoid dynamic obstacles, specifically manned aircraft, to ensure safe and legal drone operations. Additionally, flight operations are continuously monitored via a Structured Query Language (SQL) database to verify compliance with low airspace regulations. Simulation results demonstrate that the proposed framework achieves high obstacle detection accuracy under nominal conditions, while the implementation of curriculum learning significantly enhances the system’s adaptability and recovery capabilities during high-speed, dynamic encounters. Full article
Show Figures

Figure 1

15 pages, 4789 KB  
Article
A Rapid and Sensitive LAMP Assay for the Detection of Klebsiella aerogenes in Food Matrices
by Mila Djisalov, Marija Pavlović, Ljiljana Janjušević, Ljiljana Šašić Zorić, Željko D. Popović and Ivana Gadjanski
Foods 2026, 15(8), 1277; https://doi.org/10.3390/foods15081277 - 8 Apr 2026
Abstract
Foodborne pathogens such as Klebsiella aerogenes pose a threat to food safety, highlighting the need for rapid, reliable detection methods amid rising contamination risks in production chains. In this study, a loop-mediated isothermal amplification (LAMP) assay was developed and validated to detect the [...] Read more.
Foodborne pathogens such as Klebsiella aerogenes pose a threat to food safety, highlighting the need for rapid, reliable detection methods amid rising contamination risks in production chains. In this study, a loop-mediated isothermal amplification (LAMP) assay was developed and validated to detect the histidine decarboxylase (HDC) gene of K. aerogenes. The assay was optimized for specificity and sensitivity, tested on pure bacterial genomic DNA and artificially contaminated food matrices (vegetables and meats), and evaluated against real-time PCR (qPCR). To evaluate performance under different DNA quality conditions and simulate laboratory versus on-site workflows, two extraction approaches were compared: a standard laboratory protocol yielding high-purity DNA and a crude extraction method producing low-purity DNA, mimicking the presence of inhibitors commonly encountered in routine analysis and enabling practical on-site detection where commercial kits are not feasible. The developed LAMP assay achieved maximum specificity with no cross-reactivity to related species, limits of detection of 240 fg/reaction for pure bacterial DNA and 0.4 pg/µL in K. aerogenes artificially contaminated food samples, and a reaction time under 30 min—outperforming real-time PCR in speed and robustness. This cost-effective method provides a scalable tool for near-real-time monitoring of K. aerogenes in food production, enhancing safety and enabling early outbreak detection. Full article
Show Figures

Figure 1

17 pages, 33215 KB  
Data Descriptor
ANAID: Autonomous Naturalistic Obstacle-Avoidance Interaction Dataset
by Manuel Garcia-Fernandez, Maria Juarez Molera, Adrian Canadas Gallardo, Nourdine Aliane and Javier Fernandez Andres
Data 2026, 11(4), 77; https://doi.org/10.3390/data11040077 - 8 Apr 2026
Abstract
This paper presents ANAID (Autonomous Naturalistic obstacle-Avoidance Interaction Dataset), a new multimodal dataset designed to support research on autonomous driving, particularly with regard to obstacle avoidance and naturalistic driver–vehicle interaction. Data were collected using a Hyundai Tucson Hybrid equipped with a Comma-3X autonomous-driving [...] Read more.
This paper presents ANAID (Autonomous Naturalistic obstacle-Avoidance Interaction Dataset), a new multimodal dataset designed to support research on autonomous driving, particularly with regard to obstacle avoidance and naturalistic driver–vehicle interaction. Data were collected using a Hyundai Tucson Hybrid equipped with a Comma-3X autonomous-driving development kit, combining high-resolution front-facing video with detailed CAN-bus telemetry. The dataset comprises four data collection campaigns, each corresponding to a single continuous driving session, yielding a total of 208 videos and 240,014 synchronized frames. In addition to the video data, the dataset provides vehicle state measurements (speed, acceleration, steering, pedal positions, turn signals, etc.) and an additional annotation layer identifying evasive maneuvers derived from steering-related signals. Data were recorded across four driving campaigns on an urban circuit at Universidad Europea de Madrid, capturing diverse real-world scenarios such as roundabouts, intersections, pedestrian areas, and segments requiring obstacle avoidance. A multi-stage processing pipeline aligns telemetry and visual data, extracts frames at 20 FPS, and detects evasive maneuvers using threshold-based time-series analysis. ANAID provides a fully aligned and non-destructive representation of naturalistic driving behavior, enabling research on control prediction, driver modeling, anomaly detection, and human–autonomy interaction in realistic traffic conditions. Full article
Show Figures

Figure 1

18 pages, 11149 KB  
Article
LRES-YOLO: Target Detection Algorithm for Landslides on Reservoir Embankment Slopes
by Xiaohua Xu, Xuecai Bao, Zhongxi Wang, Haijing Wang and Xin Wen
Water 2026, 18(8), 889; https://doi.org/10.3390/w18080889 - 8 Apr 2026
Abstract
To address the urgent need for enhancing landslide risk monitoring in reservoir embankment slopes, a core component of water conservancy projects, this paper proposes the LRES-YOLO algorithm for real-time landslide detection on reservoir embankments. In LRES-YOLO, we first integrate coordinate attention into basic [...] Read more.
To address the urgent need for enhancing landslide risk monitoring in reservoir embankment slopes, a core component of water conservancy projects, this paper proposes the LRES-YOLO algorithm for real-time landslide detection on reservoir embankments. In LRES-YOLO, we first integrate coordinate attention into basic feature extraction convolutional blocks to form the CACBS attention module, which enhances the model’s ability to identify and locate landslide targets in complex reservoir terrain, overcoming positional information insensitivity in deep networks. Second, we add novel downsampling DP modules and ELAN-W modules to the backbone network, improving feature recognition efficiency for embankment slopes with diverse hydrological and topographical interference. Third, we optimize the feature fusion network with targeted concatenation and pooling operations, balancing semantic information enhancement with computational load reduction to mitigate overfitting in variable reservoir environments. Finally, we adopt Focal Loss and EIoU Loss to accelerate training convergence and strengthen target feature representation for small or obscured landslides on embankments. Experimental results show that LRES-YOLO outperforms traditional algorithms in detecting landslides across diverse reservoir embankment scenarios: it achieves an average improvement of 8.4 percentage points in mean mAP over the best-performing baseline across five independent trials, a detection speed of 8.2 ms per image, and memory usage of 139 MB. This lightweight design makes it suitable for edge computing devices, providing robust technical support for intelligent monitoring systems in water conservancy projects. Full article
Show Figures

Figure 1

27 pages, 4990 KB  
Article
A Lightweight and Versatile Prosthetic Hand for Daily Grasping
by Shunping Zhao, Yuki Inoue, Zhenyu Chen, Yicong Lin, Junru Chen, E. Tonatiuh Jimenez-Borgonio, J. Carlos Sanchez-Garcia, Yinlai Jiang, Hiroshi Yokoi, Xiaobei Jing and Xu Yong
Biomimetics 2026, 11(4), 257; https://doi.org/10.3390/biomimetics11040257 - 8 Apr 2026
Abstract
To meet daily grasping needs under lightweight, low-complexity wearable constraints, this study proposes an underactuated multi-finger prosthetic hand with transmission–control co-design to achieve predictable multi-joint synergies and stable grasps under limited actuation. The prototype uses six miniature motors to drive 14 joint degrees [...] Read more.
To meet daily grasping needs under lightweight, low-complexity wearable constraints, this study proposes an underactuated multi-finger prosthetic hand with transmission–control co-design to achieve predictable multi-joint synergies and stable grasps under limited actuation. The prototype uses six miniature motors to drive 14 joint degrees of freedom (DOFs): four fingers have active metacarpophalangeal actuation with tendon-driven underactuated proximal and distal interphalangeal joints, while the thumb provides two independently controlled DOFs for opposition expansion and posture adjustment. It supports five-finger power grasps, tripod pinches, and lateral pinches. To mitigate tendon slack and stroke inconsistency, active/passive tendon-length constraints are defined, and an equal-stroke configuration is obtained via chord-to-arc mapping. A layered STM32F767-based controller combines a reference rotation range limit (free motion) with encoder speed-decay detection (contact/near-stall) to realize per-finger termination and overdrive protection without force/tactile sensors. Experiments report a total mass of 176.6 g and a peak single-finger driving force of approximately 2.8 N. Following the Feix GRASP taxonomy (33 types), the hand reproduces 24 types (72.7%), covering power, intermediate and precision grasps, both thumb abduction/adduction postures, and palm–pad–side opposition/contact, with stable grasp formation across objects of varying geometries. Full article
Show Figures

Graphical abstract

Back to TopTop