Sign in to use this feature.

Years

Between: -

Subjects

remove_circle_outline
remove_circle_outline
remove_circle_outline
remove_circle_outline
remove_circle_outline
remove_circle_outline
remove_circle_outline
remove_circle_outline
remove_circle_outline

Journals

remove_circle_outline
remove_circle_outline
remove_circle_outline

Article Types

Countries / Regions

remove_circle_outline
remove_circle_outline
remove_circle_outline
remove_circle_outline
remove_circle_outline

Search Results (1,078)

Search Parameters:
Keywords = robust Kalman filter

Order results
Result details
Results per page
Select all
Export citation of selected articles as:
16 pages, 3570 KB  
Article
Data-Driven Robust Kalman Filter-Based Fault Detection for Traction Drive Systems
by Caixin Fu, Changhong Jiang, Zhiwei Wan, Peng Cheng and Shenquan Wang
Machines 2026, 14(5), 465; https://doi.org/10.3390/machines14050465 - 22 Apr 2026
Abstract
This article addresses the fault detection (FD) problem for traction drive systems in the presence of unknown noise covariances. The dynamic behavior of the traction drive system, affected by actuator and sensor faults, is first formulated. Following the philosophy of the subspace identification, [...] Read more.
This article addresses the fault detection (FD) problem for traction drive systems in the presence of unknown noise covariances. The dynamic behavior of the traction drive system, affected by actuator and sensor faults, is first formulated. Following the philosophy of the subspace identification, the system matrices are identified directly from collected process data using QR decomposition and singular value decomposition. Based on the identified model, a robust Kalman filter (KF)-based FD scheme is developed. By exploiting the iterative interaction between the estimator and measurement data within the KF framework, the noise covariance matrices are adaptively estimated, which alleviates the adverse effects caused by empirical covariance selection in conventional KF-based FD methods. Experimental results obtained from a real traction drive system verify the effectiveness and reliability of the proposed approach. Full article
(This article belongs to the Section Machines Testing and Maintenance)
22 pages, 1233 KB  
Article
A Unified Spatio-Temporal Data Processing Framework for Multi-Source Air Quality Forecasting
by Arun Raj Velraj and Senthil Kumar Jagatheesaperumal
Atmosphere 2026, 17(4), 424; https://doi.org/10.3390/atmos17040424 - 21 Apr 2026
Abstract
Accurate air quality forecasting requires the effective integration of heterogeneous data sources that vary in spatial coverage, temporal resolution, and sensing reliability. This paper presents a unified spatio-temporal data processing framework designed to support multi-source air quality forecasting by jointly leveraging regulatory monitoring [...] Read more.
Accurate air quality forecasting requires the effective integration of heterogeneous data sources that vary in spatial coverage, temporal resolution, and sensing reliability. This paper presents a unified spatio-temporal data processing framework designed to support multi-source air quality forecasting by jointly leveraging regulatory monitoring stations of the Central Pollution Control Board (CPCB) as reference-grade anchors and community-driven Internet of Things (IoT) sensing platforms for spatial densification. The proposed end-to-end workflow addresses key challenges associated with heterogeneity, data quality, and interoperability through systematic schema harmonization, multi-stage data cleaning, and robust missing data imputation using a Robocentric Iterated Extended Kalman Filter (RIEKF). The processed data are temporally aligned to a uniform sampling grid and enriched with spatial descriptors, including geospatial coordinates, administrative boundaries, and proximity-based emission features. These enriched observations are subsequently fused into a unified spatio-temporal representation that captures both spatial dependencies and temporal dynamics across the sensor network. Dynamic graphs constructed from this representation are processed using a Mobility-Aware Peripheral-Enhanced Graph Neural Network to forecast pollutant concentrations and generate categorical air quality indices. The framework is evaluated using regression metrics reported as RMSE/MAE in µg/m3 and MAPE in %, together with standard AQI classification metrics, demonstrating its effectiveness in improving predictive accuracy and robustness for real-world air quality forecasting applications. Full article
(This article belongs to the Section Air Quality)
29 pages, 8450 KB  
Article
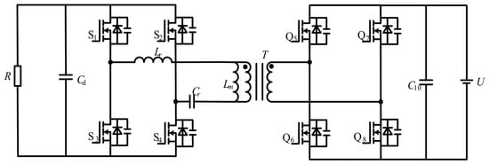
A Confidence-Scheduled Hybrid Method for DC-Bias Estimation and Suppression in Bidirectional Full-Bridge LLC Converters During Reverse Power Transfer
by Lulu Gao, Baoquan Liu, Zhilong Wu, Jing Niu, Keren Li, Lei Gong and Jingwen Chen
Electronics 2026, 15(8), 1753; https://doi.org/10.3390/electronics15081753 - 21 Apr 2026
Abstract
DC-bias may accumulate in bidirectional full-bridge LLC converters during reverse power transfer because the magnetizing branch lacks an inherent DC-blocking mechanism. This bias may cause asymmetric flux excitation in the transformer core, thereby increasing magnetic stress and even leading to core saturation. To [...] Read more.
DC-bias may accumulate in bidirectional full-bridge LLC converters during reverse power transfer because the magnetizing branch lacks an inherent DC-blocking mechanism. This bias may cause asymmetric flux excitation in the transformer core, thereby increasing magnetic stress and even leading to core saturation. To address this issue, a confidence-scheduled hybrid DC-bias estimation and suppression method is proposed. An integration-based indicator is constructed for sensitive weak-bias detection, while a reduced-order extended Kalman filter (EKF) is introduced to improve noise immunity and dynamic tracking under strong-bias conditions. Moreover, a confidence-scheduling mechanism is developed to adaptively fuse the two estimates according to bias severity. Based on the fused estimate, a two-level suppression strategy is implemented for severe- and weak-bias conditions. Simulations and experiments on a 2 kW prototype verify that the proposed strategy achieves fast detection, highly accurate robust estimation with a steady-state error of less than 2%, and effective suppression over a wide operating range without additional bulky DC-blocking hardware. Full article
(This article belongs to the Section Electronic Materials, Devices and Applications)
Show Figures

Figure 1

9 pages, 1856 KB  
Proceeding Paper
Vision-Based Relative Attitude and Position Estimation for Small Satellites with Robust Filtering Technique
by Elif Koc and Halil Ersin Soken
Eng. Proc. 2026, 133(1), 20; https://doi.org/10.3390/engproc2026133020 - 20 Apr 2026
Abstract
Relative satellite navigation is critical for formation flying, rendezvous, and docking. This study augments a vision-based relative navigation framework with a robust multiplicative extended Kalman filter (RMEKF) that adaptively scales the measurement covariance using innovation-based covariance matching and a chi-square fault-detection test. A [...] Read more.
Relative satellite navigation is critical for formation flying, rendezvous, and docking. This study augments a vision-based relative navigation framework with a robust multiplicative extended Kalman filter (RMEKF) that adaptively scales the measurement covariance using innovation-based covariance matching and a chi-square fault-detection test. A two-spacecraft scenario is simulated in which a deputy monocular camera observes six active beacons on a chief spacecraft. To evaluate fault tolerance, constant line-of-sight (LOS) errors are injected on two beacon measurements during a fixed interval. Over the fault-centered evaluation window, the RMEKF reduces attitude root mean square error (RMSE) by approximately 71–73% compared to the conventional multiplicative extended Kalman filter (MEKF), while also improving relative/orbital state accuracy by 19–93%. These results indicate improved robustness to LOS measurement faults without degrading overall estimation stability. Full article
Show Figures

Figure 1

35 pages, 8415 KB  
Article
Research on Three-Dimensional Positioning Method for Automatic Strawberry Fruit Picking Based on Vision–IMU Fusion
by Bowen Liu, Chuhan Chen, Junqiu Li, Qinghui Zhang and Yinghao Meng
Agriculture 2026, 16(8), 893; https://doi.org/10.3390/agriculture16080893 - 17 Apr 2026
Viewed by 236
Abstract
Accurate fruit localization and efficient harvesting are key challenges for agricultural robots, especially in dynamic orchard environments, where platform vibration, fruit occlusion, and computational resource limitations of embedded devices significantly impact system performance. To address these issues, this paper proposes a lightweight “fruit [...] Read more.
Accurate fruit localization and efficient harvesting are key challenges for agricultural robots, especially in dynamic orchard environments, where platform vibration, fruit occlusion, and computational resource limitations of embedded devices significantly impact system performance. To address these issues, this paper proposes a lightweight “fruit detection + harvesting” framework. First, by integrating MobileNetV4 and Triplet Attention mechanisms, an improved YOLOv8n network is designed, with the improved YOLOv8n Precision reaching 98.148% and FPS reaching 30 FPS on Jetson Nano, achieving a good balance between detection accuracy and computational efficiency suitable for edge deployment. Second, a strawberry three-dimensional coordinate reconstruction method based on weighted 3D centroid reconstruction is proposed, utilizing depth bias adjustment coefficients to improve spatial accuracy. Third, to address localization errors caused by vibration and platform motion, a dynamic compensation and temporal fusion strategy based on an Inertial Measurement Unit (IMU) is proposed. The rotation matrix estimated from IMU data is first used to correct camera pose variations. Then, an adaptive sliding window is employed to smooth the coordinate sequence. Finally, an Extended Kalman Filter (EKF) is applied to further refine the fused results by incorporating temporal dynamics, ensuring that the reconstructed three-dimensional coordinates in the robotic arm reference frame achieve higher stability and continuity. Experimental results in orchard scenarios show that compared with traditional methods, the system has higher localization accuracy, stronger robustness to dynamic disturbances, and higher harvesting efficiency. This work provides a practical and deployable solution for advancing intelligent fruit-harvesting robots. Full article
(This article belongs to the Section Artificial Intelligence and Digital Agriculture)
Show Figures

Figure 1

20 pages, 7417 KB  
Article
MAAT: A Marine-Aware Adaptive Tracker for Robust and Real-Time Multi-Object Tracking in Maritime Environments
by Xinjie Han, Qi Han, Yunsheng Fan and Dongdong Mu
J. Mar. Sci. Eng. 2026, 14(8), 738; https://doi.org/10.3390/jmse14080738 - 16 Apr 2026
Viewed by 157
Abstract
Multi-object tracking (MOT) is a key technology for enabling autonomous navigation of unmanned surface vehicle (USV) as it provides continuous perception of surrounding maritime targets and supports navigation decision-making. However, videos acquired on maritime platforms typically suffer from challenges such as platform-induced jitter [...] Read more.
Multi-object tracking (MOT) is a key technology for enabling autonomous navigation of unmanned surface vehicle (USV) as it provides continuous perception of surrounding maritime targets and supports navigation decision-making. However, videos acquired on maritime platforms typically suffer from challenges such as platform-induced jitter and nonlinear object motion, which significantly degrade tracking performance. To address these challenges, this paper builds upon ByteTrack by incorporating an adaptive Kalman filtering scheme and proposing a density-aware association strategy, resulting in a novel tracker termed the Marine-Aware Adaptive Tracker (MAAT). Specifically, an adaptive Kalman filter is introduced to increase the contribution of high-confidence detections during the state update process, thereby enhancing the stability and robustness of state estimation. Furthermore, to better mitigate the frequent identity switches caused by severe platform jitter from the USV observation platform, a density-aware association strategy is proposed. This strategy dynamically adjusts the composition of the cost matrix according to the density of high-confidence targets, enabling more reliable data association under varying scene conditions. Finally, the proposed tracking algorithm is evaluated against several state-of-the-art methods on the Singapore Maritime Dataset. It achieves competitive performance, attaining 44.37 MOTA and 43.857 IDF1. Moreover, MAAT operates in real time, running at 41.4 FPS. The experimental results demonstrate that MAAT is capable of performing accurate and real-time multi-object tracking in dynamic maritime environments with surface fluctuations, thereby providing effective technical support for intelligent maritime surveillance applications. Full article
(This article belongs to the Special Issue New Technologies in Autonomous Ship Navigation)
22 pages, 2903 KB  
Article
Research on Navigation Method for Subsea Drilling Robot Based on Inertial Navigation and Odometry
by Yingjie Liu, Peng Zhou, Feng Xiao, Chenyang Li, Junhui Li, Jiawang Chen and Ziqiang Ren
Sensors 2026, 26(8), 2457; https://doi.org/10.3390/s26082457 - 16 Apr 2026
Viewed by 166
Abstract
This paper proposes a robust navigation method based on a robust square-root cubature Kalman filter (RSRCKF) to address the accuracy divergence of integrated navigation systems caused by drilling-induced slippage and the mismatch between the tail-cable encoder and the robot motion during operations of [...] Read more.
This paper proposes a robust navigation method based on a robust square-root cubature Kalman filter (RSRCKF) to address the accuracy divergence of integrated navigation systems caused by drilling-induced slippage and the mismatch between the tail-cable encoder and the robot motion during operations of a seafloor drilling robot in deep-sea soft sedimentary layers. Considering the large-deformation mechanical characteristics of the seabed under drilling conditions, a unified state-space model incorporating a time-varying odometer scale-factor error is first established. To alleviate the numerical instability of the nonlinear system in the presence of non-Gaussian noise, a square-root cubature Kalman filter (SRCKF) framework is employed, in which the positive definiteness of the error covariance matrix is dynamically preserved via QR decomposition. Subsequently, an online fault detection mechanism based on a modified chi-square test is developed. By introducing a two-segment IGG (a classical robust weighting scheme) weighting function, an adaptive variance inflation factor is constructed to enable real-time identification and down-weighting of abnormal observations induced by slippage. Field experiments, including drilling and turning tests conducted on tidal mudflats off the coast of Zhoushan, demonstrate that the proposed method can effectively mitigate the impact of “false displacement” disturbances caused by typical soft clay slippage conditions through enhanced statistical robustness. Taking the conventional SINS/OD integration scheme as the baseline, the proposed method achieves an approximate 82.4% reduction in positioning error. These results verify the robustness and engineering applicability of the proposed algorithm in complex seabed environments. Full article
(This article belongs to the Section Navigation and Positioning)
Show Figures

Figure 1

24 pages, 3723 KB  
Article
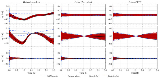
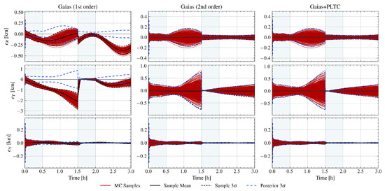
Power-Law Truncation Correction for the Relative Orbital Element State Transition Matrix in Active Debris Removal
by Shengfu Xia and Jizhang Sang
Aerospace 2026, 13(4), 372; https://doi.org/10.3390/aerospace13040372 - 15 Apr 2026
Viewed by 158
Abstract
In active debris removal missions in low Earth orbit, the semi-major axis difference between a service platform and its target can be large. Analytical relative dynamics models used in formation-flying applications typically retain only the first-order expansion in the orbital element differences; at [...] Read more.
In active debris removal missions in low Earth orbit, the semi-major axis difference between a service platform and its target can be large. Analytical relative dynamics models used in formation-flying applications typically retain only the first-order expansion in the orbital element differences; at large separations, the discarded higher-order terms—particularly the power-law dependence on the semi-major axis—introduce systematic along-track drift that degrades the propagation accuracy. This paper derives the power-law truncation correction, a closed-form additive vector that exactly compensates the truncated semi-major-axis power-law remainder, together with a consistent Jacobian correction for the extended Kalman filter covariance prediction. The state dimension and state transition matrix structure remain unchanged. Propagation tests over semi-major axis differences of 36–146 km yield ten-revolution terminal position errors of 0.008–0.065 km for the corrected models, compared with tens to hundreds of kilometers for the uncorrected first-order models and 0.1–8 km for the second-order state transition tensor. In 500-run Monte Carlo angles-only filtering experiments, the corrected filter reduces the median terminal position error by one to nearly three orders of magnitude relative to the uncorrected model. A process noise sensitivity study confirms robustness to calibration uncertainty across two orders of magnitude at a lower computational cost and with simpler implementation than higher-order tensor methods. Full article
Show Figures

Figure 1

23 pages, 1730 KB  
Article
Collaborative Control Strategy of Megawatt-Level Zinc–Iron Flow Battery Energy Storage System Based on Source–Grid–Load–Storage Integration
by Shaopeng Wang, Laiqiang Kong, Puiki Leung, Sidun Fang, Ke Yang and Xinhui Fan
Batteries 2026, 12(4), 139; https://doi.org/10.3390/batteries12040139 - 14 Apr 2026
Viewed by 227
Abstract
The zinc–iron redox battery (ZIRB) has become one of the hot technologies of electrochemical energy storage due to its safety, stability and low cost of the electrolyte. In this paper, a collaborative control strategy for an MW-level zinc–iron flow battery energy storage system [...] Read more.
The zinc–iron redox battery (ZIRB) has become one of the hot technologies of electrochemical energy storage due to its safety, stability and low cost of the electrolyte. In this paper, a collaborative control strategy for an MW-level zinc–iron flow battery energy storage system is studied, and the operation control and management of the MW-level zinc–iron flow battery energy storage system are coordinated and optimized to improve the operation efficiency of the whole system. The model of the megawatt zinc–iron flow battery energy storage system is established in this paper. A ZIRB state of charge (SOC) estimation method based on least squares (LS) and an extended Kalman filter (EKF) is proposed. Experiments under constant-current discharge show that the proposed LS-EKF method can achieve accurate SOC estimation for the tested ZIRB system, with a maximum estimation error of approximately 2.3%. Experiments show that the proposed algorithm has good accuracy, rapidity and robustness at different SOC initial values. According to SOC differences between battery cells, the coordination strategy of each cell is designed to meet the requirements of frequency modulation while taking into account the safety of battery operation. On this basis, the optimization problem is designed and solved with the goal of optimal frequency modulation effect and battery energy loss, and the collaborative control of the MW-level ZIRB energy storage system is realized. Full article
29 pages, 2879 KB  
Article
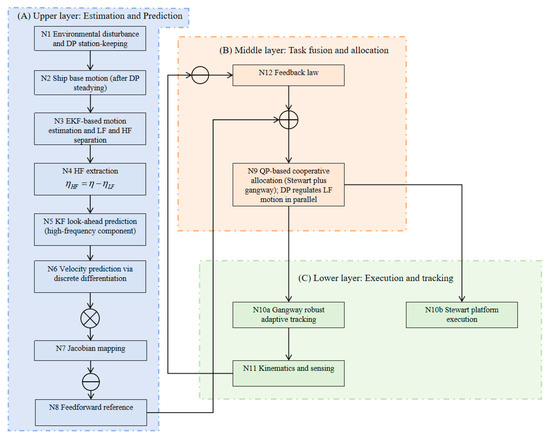
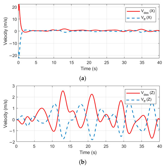
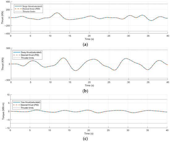
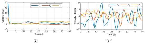
A Hierarchical Cooperative Control Framework for Shipboard Boarding Systems Based on Dynamic Positioning Feedforward
by Lun Tan, Chaohe Chen, Xinkuan Yan, Boxuan Chen and Jianhu Fang
Energies 2026, 19(8), 1902; https://doi.org/10.3390/en19081902 - 14 Apr 2026
Viewed by 235
Abstract
Offshore wind turbine operation and maintenance in complex sea states is influenced by the coupled effects of low-frequency vessel drift and high-frequency wave-induced disturbances. In practical operations, the ship dynamic positioning system primarily regulates low-frequency motion through vessel position control, whereas a boarding [...] Read more.
Offshore wind turbine operation and maintenance in complex sea states is influenced by the coupled effects of low-frequency vessel drift and high-frequency wave-induced disturbances. In practical operations, the ship dynamic positioning system primarily regulates low-frequency motion through vessel position control, whereas a boarding compensation system is required to attenuate high-frequency six-degrees-of-freedom motions to ensure safe personnel transfer. This study establishes coupled kinematic mapping among the ship dynamic positioning system, the Stewart platform, and a three-degrees-of-freedom gangway and proposes a hierarchical cooperative control architecture. At the upper layer, an extended Kalman filter and an exponential moving average low-pass filter are employed for online state estimation and for separating low-frequency and high-frequency components. A Kalman filter lookahead predictor is then used to generate a short-horizon prediction of the high-frequency component and to construct a feedforward reference signal. At the middle layer, the feedforward reference and the gangway end error feedback are coordinated at the velocity level, and a quadratic programming-based allocation strategy distributes compensation tasks between the Stewart platform and the gangway under safety-related constraints, including actuator stroke limits and singularity avoidance. At the lower layer, a robust feedback controller is designed for the gangway to mitigate modeling uncertainties and environmental disturbances and to ensure stable tracking. MATLAB R2024a-based simulations under representative wave conditions demonstrate that the proposed architecture improves end effector tracking accuracy and closed-loop stability compared with baseline strategies, providing a feasible engineering solution for shipboard boarding operations in complex sea states. Full article
(This article belongs to the Section A: Sustainable Energy)
Show Figures

Figure 1

33 pages, 2787 KB  
Article
Energy-Aware Adaptive Communication Topology with Edge-AI Navigation for UAV Swarms in GNSS-Denied Environments
by Alizhan Tulembayev, Alexandr Dolya, Ainur Kuttybayeva, Timur Jussupbekov and Kalmukhamed Tazhen
Drones 2026, 10(4), 273; https://doi.org/10.3390/drones10040273 - 9 Apr 2026
Viewed by 275
Abstract
Energy-efficient and resilient decentralized unmanned aerial vehicles (UAV) swarm operation in global navigation satellite system (GNSS) denied environments remains challenging because propulsion demand, communication load, and onboard inference are tightly coupled at the mission level. Although prior studies have examined some of these [...] Read more.
Energy-efficient and resilient decentralized unmanned aerial vehicles (UAV) swarm operation in global navigation satellite system (GNSS) denied environments remains challenging because propulsion demand, communication load, and onboard inference are tightly coupled at the mission level. Although prior studies have examined some of these components separately, their joint evaluation within adaptive decentralized swarms remains limited under degraded navigation conditions. This study proposes an energy-aware adaptive communication-topology framework integrated with lightweight edge artificial intelligence (AI)-assisted navigation for decentralized UAV swarms operating without reliable GNSS support. The approach combines a unified mission-level energy-accounting structure for propulsion, communication, and onboard inference, a residual-energy-aware topology adaptation mechanism for preserving swarm connectivity, and a convolutional neural network-long short-term memory (CNN–LSTM) based edge-AI navigation module for improving localization robustness. The framework was evaluated in 1200 s Robot Operating System 2 (ROS2)–Gazebo–PX4 simulation scenarios against fixed topology and extended Kalman filter (EKF)-based baselines. Under the adopted simulation assumptions, the proposed configuration achieved a 22.7% reduction in total energy consumption, with the largest decrease observed in the communication-energy component, while preserving positive algebraic connectivity across all evaluated runs. The edge-AI module yielded a 4.8% root mean square error (RMSE) reduction relative to the EKF baseline, indicating a modest but meaningful improvement in localization performance. These results support the feasibility of integrated energy-aware swarm coordination in GNSS-denied environments; however, they should be interpreted as simulation-based evidence under the adopted modeling assumptions, and further high-fidelity propagation modeling, broader learning validation, and hardware-in-the-loop studies remain necessary. Full article
(This article belongs to the Section Artificial Intelligence in Drones (AID))
Show Figures

Figure 1

10 pages, 512 KB  
Proceeding Paper
Multitask Deep Neural Network for IMU Calibration, Denoising, and Dynamic Noise Adaption for Vehicle Navigation
by Frieder Schmid and Jan Fischer
Eng. Proc. 2026, 126(1), 44; https://doi.org/10.3390/engproc2026126044 - 7 Apr 2026
Viewed by 355
Abstract
In intelligent vehicle navigation, efficient sensor data processing and accurate system stabilization is critical to maintain robust performance, especially when GNSS signals are unavailable or unreliable. Classical calibration methods for Inertial Measurement Units (IMUs), such as discrete and system-level calibration, fail to capture [...] Read more.
In intelligent vehicle navigation, efficient sensor data processing and accurate system stabilization is critical to maintain robust performance, especially when GNSS signals are unavailable or unreliable. Classical calibration methods for Inertial Measurement Units (IMUs), such as discrete and system-level calibration, fail to capture time-varying, non-linear, and non-Gaussian noise characteristics. Likewise, Kalman filters typically assume static measurement noise levels for non-holonomic constraints (NHCs), resulting in suboptimal performance in dynamic environments. Furthermore, zero-velocity detection plays a vital role in preventing error accumulation by enabling reliable zero-velocity updates during motion stops, but classical thresholding approaches often lack robustness and precision. To address these limitations, we propose a novel multitask deep neural network (MTDNN) architecture that jointly learns IMU calibration, adaptive noise level estimation for NHC, and zero-velocity detection solely from raw IMU data. This shared-encoder design is utilized to minimize computational overhead, enabling real-time deployment on resource-constrained platforms such as Raspberry Pi. The model is trained using post-processed GNSS-RTK ground truth trajectories obtained from both a proprietary dataset and the publicly available 4Seasons dataset. Experimental results confirm the proposed system’s superior accuracy, efficiency, and real-time capability in GNSS-denied conditions. Full article
(This article belongs to the Proceedings of European Navigation Conference 2025)
Show Figures

Figure 1

20 pages, 3255 KB  
Article
Seamless Indoor and Outdoor Navigation Using IMU-GNSS Sensor Data Fusion
by Bismark Kweku Asiedu Asante and Hiroki Imamura
Sensors 2026, 26(7), 2215; https://doi.org/10.3390/s26072215 - 3 Apr 2026
Viewed by 477
Abstract
Seamless localization across indoor and outdoor environments remains a fundamental challenge for wearable navigation systems, particularly those intended to assist visually impaired individuals. This challenge arises from the unreliability of GNSS signals in indoor and transitional spaces and the cumulative drift inherent to [...] Read more.
Seamless localization across indoor and outdoor environments remains a fundamental challenge for wearable navigation systems, particularly those intended to assist visually impaired individuals. This challenge arises from the unreliability of GNSS signals in indoor and transitional spaces and the cumulative drift inherent to IMU–based dead reckoning. To address these limitations, this paper proposes a physics-informed GNSS–IMU sensor fusion framework that enables robust, real-time wearable navigation across heterogeneous environments. The proposed system dynamically adapts to environmental context, employing GNSS dominant localization in outdoor settings and PINN enhanced IMU-based dead reckoning during GNSS denied indoor operation. At the core of the framework is a tightly coupled Physics-Informed Neural Network (PINN) and Extended Kalman Filter (EKF), where the PINN embeds kinematic motion constraints to correct inertial drift and suppress sensor noise, while the EKF performs probabilistic state estimation and sensor fusion. The framework is implemented on a compact, energy-efficient wearable platform and evaluated using real-world indoor–outdoor pedestrian trajectories. Experimental results demonstrate improved localization accuracy, significantly reduced drift during indoor navigation, and stable indoor–outdoor transitions compared to conventional GNSS–IMU fusion methods. The proposed approach offers a practical and reliable solution for wearable assistive navigation and has broader applicability in smart mobility and autonomous wearable systems. Full article
(This article belongs to the Topic AI Sensors and Transducers)
Show Figures

Figure 1

6 pages, 753 KB  
Proceeding Paper
Computer Vision-Based Tennis Ball Tracking Using You Only Look Once for Training Analytics
by Pei-Jung Lin, Yu-Tsen Lin, Yong-Liang Lin, Yi-Ping Lee and Shao-Wei Chang
Eng. Proc. 2026, 134(1), 25; https://doi.org/10.3390/engproc2026134025 - 2 Apr 2026
Viewed by 394
Abstract
Tennis is an exceptionally fast-paced sport where the ability to return the ball precisely to an opponent’s weak zones often determines match outcomes. Although wall practice serves as a fundamental and effective training method, accurately capturing and analyzing the spatial distribution of ball [...] Read more.
Tennis is an exceptionally fast-paced sport where the ability to return the ball precisely to an opponent’s weak zones often determines match outcomes. Although wall practice serves as a fundamental and effective training method, accurately capturing and analyzing the spatial distribution of ball impact points during high-speed rallies remains highly challenging. Leveraging computer vision, we propose a two-stage detection pipeline that integrates You Only Look Once Version 12 and MobileNetV2 to generate candidate bounding boxes, stabilized by a Kalman filter with a predict–update mechanism. This approach ensures robust and reliable object tracking, providing valuable insights into tennis training performance, placement accuracy, and actionable insights for sports analytics. Full article
Show Figures

Figure 1

27 pages, 6852 KB  
Article
A Study on Intercepting Highly Maneuvering Targets Using an Input Estimation Approach and Improved Particle Swarm Guidance Law
by Yung-Lung Lee and Wan-Yu Yu
Aerospace 2026, 13(4), 335; https://doi.org/10.3390/aerospace13040335 - 2 Apr 2026
Viewed by 279
Abstract
Ballistic missiles exhibit high velocities and rapid maneuverability after atmospheric reentry, posing substantial challenges for anti-ballistic missile (ABM) interception. This paper presents an integrated interception framework that combines an input estimation method with an improved particle swarm optimization-based guidance law (IPSOG). The input [...] Read more.
Ballistic missiles exhibit high velocities and rapid maneuverability after atmospheric reentry, posing substantial challenges for anti-ballistic missile (ABM) interception. This paper presents an integrated interception framework that combines an input estimation method with an improved particle swarm optimization-based guidance law (IPSOG). The input estimation approach processes noisy radar measurements to estimate target states in the presence of unknown system inputs and measurement noise. Its performance is evaluated through simulations and compared with the extended Kalman filter (EKF), demonstrating improved estimation accuracy and robustness under highly maneuvering conditions. An improved particle swarm optimization algorithm is employed to design the interceptor guidance law. Compared with conventional proportional navigation guidance (PNG), the proposed guidance method provides enhanced adaptability to target maneuvers. Numerical simulations are conducted to evaluate interception performance against maneuvering ballistic missile targets. Results show reductions in miss distance and interception time while maintaining lower average lateral acceleration and a larger effective interception region. These results indicate that the proposed framework improves both target state estimation and interceptor guidance performance for highly maneuvering ballistic missile targets. Full article
(This article belongs to the Section Aeronautics)
Show Figures

Figure 1

Back to TopTop