Sign in to use this feature.

Years

Between: -

Subjects

remove_circle_outline
remove_circle_outline
remove_circle_outline
remove_circle_outline
remove_circle_outline
remove_circle_outline
remove_circle_outline
remove_circle_outline
remove_circle_outline

Journals

remove_circle_outline
remove_circle_outline
remove_circle_outline
remove_circle_outline
remove_circle_outline

Article Types

Countries / Regions

Search Results (174)

Search Parameters:
Keywords = oxygen coverage

Order results
Result details
Results per page
Select all
Export citation of selected articles as:
15 pages, 3448 KB  
Article
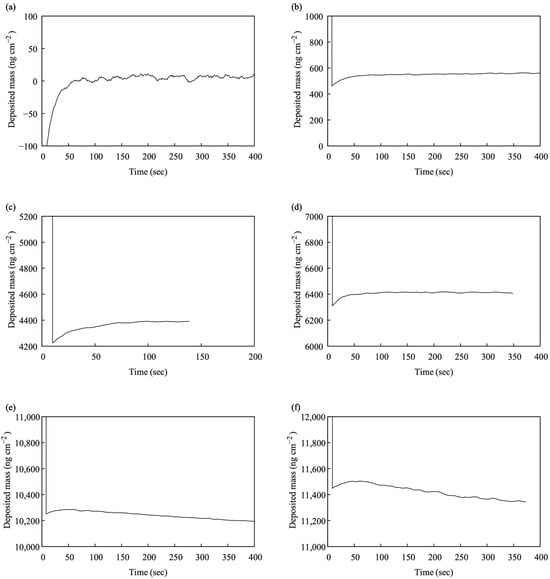
Deposition Behavior in Atmospheric-Pressure Plasma CVD Evaluated by a Quartz Crystal Microbalance
by Kenichi Yamazaki, Hiroyuki Yasui, Tsuyoshi Noguchi, Yuuma Suenaga and Akitoshi Okino
Plasma 2026, 9(1), 8; https://doi.org/10.3390/plasma9010008 - 17 Mar 2026
Abstract
Atmospheric-pressure plasma-enhanced chemical vapor deposition (AP-PECVD) enables low-temperature coating in open air, yet the interplay between precursor activation and ambient-derived species remains unclear. Here, thin films from an amine precursor are deposited using a helium plasma and characterized by gas chromatography–mass spectrometry (GC-MS), [...] Read more.
Atmospheric-pressure plasma-enhanced chemical vapor deposition (AP-PECVD) enables low-temperature coating in open air, yet the interplay between precursor activation and ambient-derived species remains unclear. Here, thin films from an amine precursor are deposited using a helium plasma and characterized by gas chromatography–mass spectrometry (GC-MS), a quartz crystal microbalance (QCM), and X-ray photoelectron spectroscopy (XPS). GC-MS indicates partial precursor conversion and formation of oxygen- and nitrogen-containing products, consistent with participation of ambient air and moisture. QCM identifies a limited precursor-concentration window in which mass increases monotonically during plasma exposure and remains constant after shutdown; outside this window, post-discharge mass loss occurs, indicating desorption of weakly bound species. XPS confirms carbon-rich films incorporating oxygen- and nitrogen-containing functionalities and complete substrate coverage at higher precursor concentrations. Full article
(This article belongs to the Special Issue Processes in Atmospheric-Pressure Plasmas—2nd Edition)
Show Figures

Figure 1

12 pages, 264 KB  
Review
Acute Respiratory Infections in Ghanaian Children: Epidemiology, Antimicrobial Resistance, and Prevention Strategies
by Sabastine Eugene Arthur, Jessica Eyeson, Aaron Appiah Kubi, Faustina Amarteley Amartey, Raymond Matey, James Odame Aboagye and George Boateng Kyei
Pathogens 2026, 15(3), 285; https://doi.org/10.3390/pathogens15030285 - 6 Mar 2026
Viewed by 252
Abstract
Acute respiratory infections (ARIs) remain a common cause of morbidity and mortality in children, especially in sub-Saharan Africa, where countries such as Ghana are severely affected. This review presents recent data on ARI etiology, clinical burden, and antimicrobial resistance (AMR) from Ghana, spanning [...] Read more.
Acute respiratory infections (ARIs) remain a common cause of morbidity and mortality in children, especially in sub-Saharan Africa, where countries such as Ghana are severely affected. This review presents recent data on ARI etiology, clinical burden, and antimicrobial resistance (AMR) from Ghana, spanning the pre-COVID-19 era (2010–2019) to the post-pandemic period (2020–2025). Before the COVID-19 pandemic, viral infections, such as respiratory syncytial virus (RSV), rhinoviruses, and influenza viruses, were the major contributors, along with established bacterial pathogens such as Streptococcus pneumoniae and Haemophilus influenzae. Social determinants, including undernutrition and indoor air pollution, also influenced these infections. In the COVID era, we have seen dramatic shifts in pathogen seasonality, the scaling of oxygen delivery systems, and the implementation of genomic surveillance for SARS-CoV-2, as well as new features such as maternal RSV vaccination and monoclonal antibody therapy. Despite its successes in vaccination coverage and health system strengthening, some challenges remain, including fluctuations in implementation and surveillance issues. The simultaneous challenges of pneumonia and hygiene will require integrated, coordinated, multisectoral responses that incorporate surveillance with antibiotic stewardship, sustainable oxygen systems, and interventions for nutrition and environmental health. The review also highlights research priorities and makes policy recommendations well aligned to support national ARI control efforts aimed at reducing child mortality due to ARI and achieving Sustainable Development Goals targets on child health. Full article
20 pages, 2659 KB  
Article
Assessing WQI Using Spatial Land-Use Context Derived from Google Earth Imagery and Advanced Convolutional Neural Networks in South Korea
by Inho Choi, Jong Hwan Kim, Sangdon Lee, Jooyoung Park and Jong-Min Oh
Sustainability 2026, 18(5), 2377; https://doi.org/10.3390/su18052377 - 1 Mar 2026
Viewed by 235
Abstract
Assessing water quality indices (WQIs) derived from physicochemical measurements accurately and efficiently is essential for effective water resource management. However, conventional monitoring approaches based on single-point measurements and limited spatial coverage face constraints in representing large-scale river environments. To address these limitations, this [...] Read more.
Assessing water quality indices (WQIs) derived from physicochemical measurements accurately and efficiently is essential for effective water resource management. However, conventional monitoring approaches based on single-point measurements and limited spatial coverage face constraints in representing large-scale river environments. To address these limitations, this study integrates high-resolution Google Earth RGB imagery with national water quality monitoring data from South Korea to construct an image-based dataset for WQI estimation. Water quality monitoring records from 1762 sampling sites collected between January 2000 and September 2020 were used to calculate WQI values. The index was computed using seven parameters—temperature, pH, dissolved oxygen, total solids, biochemical oxygen demand, nitrate, and phosphate—following the standard weighting procedure. Corresponding Google Earth RGB imagery acquired within ±1 day of field measurements over the same 2000–2020 period was compiled, resulting in 34108 image–sample pairs. Based on this integrated dataset, a ResNeXt-based convolutional neural network enhanced with convolutional block attention modules was implemented and applied to estimate WQI values from spatial land-use context and river morphology captured in RGB imagery. The proposed model demonstrated superior predictive performance compared to baseline neural network models, achieving a coefficient of determination (R2) of 0.94 and an index of agreement (IOA) of 0.96. Grad-CAM analysis indicates that the model primarily utilizes spatial land-use patterns, riparian context, and river morphology rather than direct visual signals from the water surface itself. These findings suggest that RGB imagery contains spatial information related to observed WQI values. Accordingly, the framework provides a spatially continuous perspective on river conditions that may support large-scale monitoring efforts. Full article
Show Figures

Figure 1

18 pages, 4638 KB  
Article
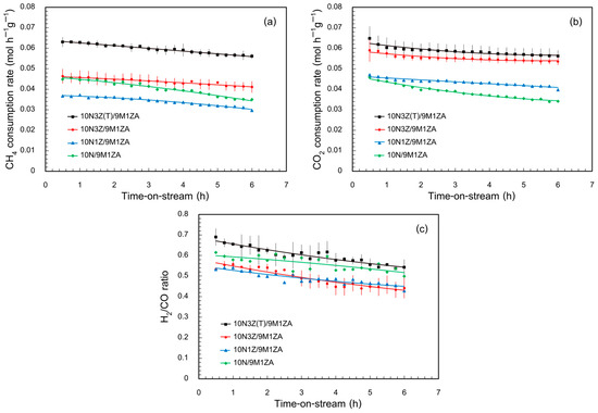
Synergistic Role of ZrO2 Promoter and Ni–NiO–ZrO2 Networks in Improving Ni Catalysts for Dry Methane Reforming at Low Temperature
by Tanakorn Ratana, Sabaithip Tungkamani, Sornsawan Srisuwan, Onnipha Sithalo and Monrudee Phongaksorn
Catalysts 2026, 16(2), 190; https://doi.org/10.3390/catal16020190 - 18 Feb 2026
Viewed by 405
Abstract
In this work, a rational catalyst design based on interfacial architecture engineering is proposed for low-temperature dry methane reforming (DMR) at 550 °C. Ni-based catalysts containing 10 wt% Ni were developed on a γ-Al2O3 support modified with 9 wt% MgO–1 [...] Read more.
In this work, a rational catalyst design based on interfacial architecture engineering is proposed for low-temperature dry methane reforming (DMR) at 550 °C. Ni-based catalysts containing 10 wt% Ni were developed on a γ-Al2O3 support modified with 9 wt% MgO–1 wt% ZrO2. Zirconia promoters were introduced either by dry impregnation or via an ammonia vapor-assisted route to construct a Ni–NiO–ZrO2 interfacial network. The effects of ZrO2 content (0, 1, and 3 wt%) and synthesis route on metal–support interactions, oxygen mobility, and coke resistance were systematically investigated. ZrO2 promotion increased the fraction of reducible Ni species and preferentially enhanced CO2 activation, thereby promoting the reverse water–gas shift (RWGS) reaction and lowering the H2/CO ratio. In contrast, ammonia vapor-assisted preparation induced the formation of an LDH-derived Ni–NiO–ZrO2 surface network, which increased the concentration of surface-accessible Ni species, suppressed excessive zirconia coverage, and significantly improved apparent oxygen mobility. These synergistic structural features are consistent with enhanced oxygen-assisted carbon removal and improved coke management through regulation of the nature of carbon species, leading to more balanced activation of CH4 and CO2. Overall, this study provides insights into interfacial structure–performance relationships for designing efficient Ni-based catalysts for CO2 utilization. Full article
Show Figures

Figure 1

25 pages, 18819 KB  
Article
Application of the Two-Layer Regularized Gated Recurrent Unit (TLR-GRU) Model Enhanced by Sliding Window Features in Water Quality Parameter Prediction
by Xianhe Wang, Meiqi Liu, Ying Li, Adriano Tavares, Weidong Huang and Yanchun Liang
Entropy 2026, 28(2), 186; https://doi.org/10.3390/e28020186 - 6 Feb 2026
Viewed by 238
Abstract
Water quality monitoring is critical for public health, ecology, and economic sustainability, but traditional methods are limited by temporal-spatial coverage and cost, failing to meet real-time assessment needs. Deep learning for water quality prediction is often hindered by high complexity and noise in [...] Read more.
Water quality monitoring is critical for public health, ecology, and economic sustainability, but traditional methods are limited by temporal-spatial coverage and cost, failing to meet real-time assessment needs. Deep learning for water quality prediction is often hindered by high complexity and noise in raw time series. This study aims to address the high complexity and noise of hydrological time series by proposing a prediction framework integrating sliding window feature enhancement, principal component analysis (PCA), and a two-layer regularized gated recurrent unit (TLR-GRU). The core goal is to achieve high-precision real-time prediction of four key water quality parameters (dissolved oxygen (DO), ammonia nitrogen (NH3-N), total phosphorus (TP), and total nitrogen (TN)) for aquaculture and irrigation. Sample entropy (SampEn, m=2, r=0.2 × std(X)), a univariate complexity metric capturing intra-series pattern repetition, quantifies time series regularity, showing sliding windows reduce SampEn by filtering transient noise while retaining ecological patterns. This optimization synergizes with TLR-GRU’s regularization (L2, Dropout) to avoid overfitting. A total of 4970 water quality records (2020–2023, 4 h sampling interval) were collected from a monitoring station in a typical aquaculture-irrigated water body. After dimensionality reduction via PCA, experimental results demonstrate that the TLR-GRU model outperforms six state-of-the-art deep learning models (e.g., TLD-LSTM, WaveNet) on both the base dataset and the sliding window-enhanced dataset. On the latter, DO and TP test set R2 rise from 0.82 to 0.93 and 0.81 to 0.92, with RMSE decreasing by 49.4% and 55.6%, respectively. This framework supports water resource management, applicable to rivers and lakes beyond aquaculture. Future work will optimize the model and integrate multi-source data. Full article
(This article belongs to the Special Issue Entropy in Machine Learning Applications, 2nd Edition)
Show Figures

Figure 1

24 pages, 5738 KB  
Article
Rapid Multi-Factor Evaluation System for Full-Process Risk Assessment of Coal Spontaneous Combustion in Engineering Applications
by Kexin Liu, Yutao Zhang and Yaqing Li
Fire 2026, 9(2), 60; https://doi.org/10.3390/fire9020060 - 28 Jan 2026
Viewed by 448
Abstract
Existing coal spontaneous combustion liability assessments suffer from incomplete temperature range coverage, poor cross-rank comparability, and weak correlations between microscopic essence and macroscopic criteria—issues that undermine reliability and risk coal mine safety. This study aims to establish a structure-driven intrinsic identification system to [...] Read more.
Existing coal spontaneous combustion liability assessments suffer from incomplete temperature range coverage, poor cross-rank comparability, and weak correlations between microscopic essence and macroscopic criteria—issues that undermine reliability and risk coal mine safety. This study aims to establish a structure-driven intrinsic identification system to address these gaps. Using 10 cross-rank coal samples (lignite, bituminous coal, and anthracite), we conducted systematic research via experiments, model building, and theoretical verification. We integrated three stage-specific parameters (each matching a combustion phase): saturated oxygen uptake (VO2, 30 °C chromatographic adsorption), average heating rate R70 (40–70 °C adiabatic oxidation), and Fuel Combustion Characteristic index (FCC, 110–230 °C crossing point method). With Information Entropy weighting (VO2: 0.296; R70: 0.292; and FCC: 0.412), we constructed the Multi-Factor Comprehensive Spontaneous Combustion Index (MF-CSCI). We also screened functional groups via FTIR, built a microstructure-driven model (MD-CSEI, linking groups to MF-CSCI), and verified mechanisms via DFT. Results show MF-CSCI covers the full “adsorption-heat accumulation-self-heating” process: HG lignite (MF-CSCI = 1.0) had high liability and YCW anthracite (MF-CSCI = 7.98) had low liability, solving cross-rank issues. Pearson analysis found –OH positively correlated with MF-CSCI (r ≈ −0.997), C=C negatively (r ≈ −0.951); MD-CSEI achieved R2 = 0.863 (p = 0.042). This study improves cross-rank assessment accuracy, enables rapid micro-to-macro risk prediction, and provides a theoretical basis for on-site coal safety management. Full article
Show Figures

Figure 1

32 pages, 1383 KB  
Review
Optical Fiber pH and Dissolved Oxygen Sensors for Bioreactor Monitoring: A Review
by Guoqiang Cui, Rui Wu, Lidan Cao, Sabrina Abedin, Kanika Goel, Seongkyu Yoon and Xingwei Wang
Sensors 2026, 26(1), 10; https://doi.org/10.3390/s26010010 - 19 Dec 2025
Cited by 2 | Viewed by 1104
Abstract
In the bioprocessing industry, real-time monitoring of bioreactors is essential to ensuring product quality and process efficiency. Conventional monitoring methods can satisfy some needs but suffer from calibration drift, limited spatial coverage, and incompatibility with harsh or miniaturized environments. Optical fiber sensors, with [...] Read more.
In the bioprocessing industry, real-time monitoring of bioreactors is essential to ensuring product quality and process efficiency. Conventional monitoring methods can satisfy some needs but suffer from calibration drift, limited spatial coverage, and incompatibility with harsh or miniaturized environments. Optical fiber sensors, with their high sensitivity, remote monitoring capability, compact size, and multiplexing, have become a promising technology for in situ bioreactor monitoring. This review summarizes recent progress in optical fiber sensors for key bioreactor parameters, with an emphasis on pH and dissolved oxygen (DO), and briefly covers temperature and pressure monitoring. Different sensing mechanisms, materials, and fiber architectures are compared in terms of sensitivity, response time, stability, and integration strategies in laboratory and industrial-scale bioreactors. Finally, current challenges and future trends are discussed, including multi-parameter sensing, long-term reliability, and the integration of optical fiber sensors with process analytical technology and data-driven control for intelligent bioprocessing. Full article
(This article belongs to the Special Issue Feature Review Papers in Optical Sensors)
Show Figures

Figure 1

15 pages, 2259 KB  
Article
Enhanced Hydrogen Production in Zero-Gap Electrolysis Cell Using Optimized SS316 Metal-Based Electrodes
by Elitsa Petkucheva, Jordan Iliev, Galin Borisov and Evelina Slavcheva
Hydrogen 2025, 6(4), 113; https://doi.org/10.3390/hydrogen6040113 - 2 Dec 2025
Cited by 1 | Viewed by 876
Abstract
This work demonstrates for the first time a cost-effective modification of stainless-steel electrodes with an Fe3+ precursor via the deep-and-dry method (DDM) at processing temperatures between 20 °C and 80 °C, enabling their simultaneous applicability for both OER and HER in zero-gap [...] Read more.
This work demonstrates for the first time a cost-effective modification of stainless-steel electrodes with an Fe3+ precursor via the deep-and-dry method (DDM) at processing temperatures between 20 °C and 80 °C, enabling their simultaneous applicability for both OER and HER in zero-gap electrolyzers. The approach offers a durable and economical alternative to conventional nickel-based electrodes. Morphological and compositional analyses by scanning electron microscopy (SEM) and energy-dispersive X-ray spectroscopy (EDX) demonstrated a pronounced temperature-dependent evolution of surface features. At 20 °C, the coatings exhibited high porosity and incomplete coverage, whereas treatment at 60 °C yielded a compact, uniform, and continuous layer with suppressed Fe/Ni exposure and enhanced oxygen incorporation. Electrochemical characterization in 25% KOH by cyclic voltammetry and polarization measurements confirmed reversible redox behavior and comparable electrochemically active surface areas across all samples, with the 60 °C electrodes achieving the highest catalytic activity. In electrolysis cell tests (zero gap), the optimized electrodes delivered low cell voltages, current densities up to 1.35 A cm−2, and power outputs approaching 3.5 W cm−2. These results establish processing temperature as a decisive factor for tailoring the morphology, composition, and performance of DDM-fabricated electrodes, underscoring the promise of 60 °C-treated electrodes for efficient hydrogen production. Full article
Show Figures

Figure 1

20 pages, 2348 KB  
Article
Experimental Study on Gas Particle Flow Characteristics of a Novel Stable Combustion Burner Under Different Primary Air Velocities
by Xiangjun Long, Leikai Deng, Nan Zhang, Weiyu Wang, Defu Xin, Zhen Chen and Zhengqi Li
Processes 2025, 13(11), 3735; https://doi.org/10.3390/pr13113735 - 19 Nov 2025
Viewed by 371
Abstract
Existing faulty coal-fired units generally achieve oil-free stable combustion only at loads over 30%, failing to meet low load regulation demands. To address the insufficient flexibility of boilers, a novel flame-stabilization theory was developed for retrofitting a 350 MW faulty coal-fired unit boiler. [...] Read more.
Existing faulty coal-fired units generally achieve oil-free stable combustion only at loads over 30%, failing to meet low load regulation demands. To address the insufficient flexibility of boilers, a novel flame-stabilization theory was developed for retrofitting a 350 MW faulty coal-fired unit boiler. Based on the actual burner dimensions of the 350 MW unit boiler, a geometric scaling ratio of 1:7 between model and actual burners was established. Phase Doppler Anemometry (PDA) was employed to conduct gas particle flow experiments on the model burner, revealing the impact of different primary air velocities on the gas particle flow characteristics of the novel stabilized flow burner. The analysis of experimental results suggests that, When the primary air velocity is 9 m/s, a central recirculation zone forms at the burner outlet. At a primary air velocity of 10 m/s, an annular recirculation zone develops with a relatively large coverage area. When the primary air velocity increases to 11 m/s, the extent of the annular recirculation zone diminishes. At a primary air velocity of 10 m/s, an extensive annular recirculation zone forms at the burner outlet, which appears to provide sufficient energy for the ignition of pulverized coal. Elevated pulverized coal concentration near the burner centerline facilitates the formation of a high-temperature oxygen-lean reducing atmosphere, suppressing fuel-based NOx generation. Therefore, it is recommended to set the actual operating parameters of the novel stabilized flow burner based on the 10 m/s primary air velocity condition in the gas particle flow experiments. Full article
(This article belongs to the Section Energy Systems)
Show Figures

Figure 1

20 pages, 3280 KB  
Article
Enhancing Flame Retardancy in Polypropylene Composites: A Bayesian Optimization Approach
by Eric Verret, Anthony Collin, Sophie Duquesne and Martin Stievenard
Fire 2025, 8(11), 447; https://doi.org/10.3390/fire8110447 - 17 Nov 2025
Viewed by 1128
Abstract
The traditional optimization of intumescent flame-retardant polypropylene (PP) relies on large experimental campaigns that scale poorly with compositional dimensionality, limiting the systematic exploration of tradeoffs between fire performance and material economy. We present a Multi-Objective Bayesian Optimization (MOBO) workflow that couples Gaussian Process [...] Read more.
The traditional optimization of intumescent flame-retardant polypropylene (PP) relies on large experimental campaigns that scale poorly with compositional dimensionality, limiting the systematic exploration of tradeoffs between fire performance and material economy. We present a Multi-Objective Bayesian Optimization (MOBO) workflow that couples Gaussian Process (GP) surrogates with the q-Noisy Expected Hypervolume Improvement (qNEHVI) acquisition to co-optimize two competing objectives: maximize the Limiting Oxygen Index (LOI) and minimize total flame-retardant (FR) loading (wt.%). Two practical initialization strategies, Space-Filling Design and literature-guided sampling, are benchmarked, and convergence is monitored via dominated hypervolume and uncertainty calibration. Uniform design-space coverage yields faster hypervolume growth and better-calibrated uncertainty than literature seeding. Under a 20-experiment budget, the best formulation attains an LOI = 27.0 vol.% at 22.74 wt.% FR, corresponding to an estimated 8–14% efficiency gain, defined here as LOI improvement at comparable FR loadings relative to representative baselines. The recovered APP/PER stoichiometric ratios (1.69–2.26) are consistent with established intumescence mechanisms, indicating that a data-driven search can converge to physically meaningful solutions without explicit mechanistic priors. The proposed workflow provides a sample-efficient route to navigate multi-criteria design spaces in flame-retardant PP and is transferable to polymer systems in which performance, cost, and processing constraints must be balanced and exhaustive testing is impractical. Full article
Show Figures

Figure 1

21 pages, 4639 KB  
Article
pyMKM: An Open-Source Python Package for Microdosimetric Kinetic Model Calculation in Research and Clinical Applications
by Giuseppe Magro, Vittoria Pavanello, Yihan Jia, Loïc Grevillot, Lars Glimelius and Andrea Mairani
Computation 2025, 13(11), 264; https://doi.org/10.3390/computation13110264 - 9 Nov 2025
Viewed by 766
Abstract
Among existing radiobiological models, the MKM and its extensions (SMK and OSMK) have demonstrated strong predictive capabilities but remain computationally demanding. To address this, we present pyMKM v0.1.0, an open-source Python package for the generation of microdosimetric tables and radiobiological quantities based on [...] Read more.
Among existing radiobiological models, the MKM and its extensions (SMK and OSMK) have demonstrated strong predictive capabilities but remain computationally demanding. To address this, we present pyMKM v0.1.0, an open-source Python package for the generation of microdosimetric tables and radiobiological quantities based on these models. The package includes modules for track structure integration, saturation and stochastic corrections, oxygen modulation, and survival fraction computation. Validation was conducted against multiple published datasets across various ion species, LET values, and cell lines under both normoxic and hypoxic conditions. Quantitative comparisons showed high agreement with reference data, with average log errors typically below 0.06 and symmetric mean absolute percentage errors under 2%. The software achieved full unit test coverage and successful execution across multiple Python versions through continuous integration workflows. These results confirm the numerical accuracy, structural robustness, and reproducibility of pyMKM. The package provides a transparent, modular, and extensible tool for microdosimetric modeling in support of radiobiological studies, Monte Carlo-based dose calculation, and biologically guided treatment planning. Full article
(This article belongs to the Section Computational Biology)
Show Figures

Figure 1

21 pages, 2981 KB  
Article
A Multi-Sensing Technology Approach for the Environmental Monitoring of the Ystwyth River
by Edore Akpokodje, Nnamdi Valbosco Ugwuoke, Mari Davies, Syeda Fizzah Jilani, Maria de la Puera Fernández, Lucy Thompson and Elizabeth Hart
Sensors 2025, 25(21), 6743; https://doi.org/10.3390/s25216743 - 4 Nov 2025
Viewed by 1077
Abstract
Monitoring water quality in Welsh rivers has become a critical public concern, particularly in efforts to address pollution and protect the environment. This study presents the development and assessment of an interactive web and mobile application, featuring a real-time mapping interface built using [...] Read more.
Monitoring water quality in Welsh rivers has become a critical public concern, particularly in efforts to address pollution and protect the environment. This study presents the development and assessment of an interactive web and mobile application, featuring a real-time mapping interface built using the Mapbox framework. The platform provides stakeholders, including farmers, environmental agencies, and the public, with easy access to real-time water quality data using the Ystwyth River in Mid-Wales as a trial system. Users can click on map markers to view sensor readings for key water quality parameters. These include pH, electrical conductivity (EC), temperature, dissolved oxygen (DO), total dissolved solids (TDS) and nutrients levels such as nitrate (NO3). This paper focuses on the feasibility of combining in situ sensor technology with a user-friendly mobile app to enable stakeholders to visualize the impact of land management practices and make informed decisions. The system aims to enhance environmental surveillance, increase transparency, and promote sustainable agricultural practices by providing critical water quality information in an accessible format. Future developments will explore the integration of artificial intelligence (AI) for predictive modelling and satellite data for broader spatial coverage, with the goal of scaling up the system to other catchments and improving proactive water quality management. Full article
(This article belongs to the Special Issue Sensors for Water Quality Monitoring and Assessment)
Show Figures

Graphical abstract

18 pages, 2895 KB  
Article
Design and Simulation of NEPTUNE-R: A Solar-Powered Autonomous Hydro-Robot for Aquatic Purification and Oxygenation
by Mihaela Constantin, Mihnea Gîrbăcică, Andrei Mitran and Cătălina Dobre
Sustainability 2025, 17(21), 9711; https://doi.org/10.3390/su17219711 - 31 Oct 2025
Cited by 1 | Viewed by 899
Abstract
This study presents the design, modeling, and multi-platform simulation of NEPTUNE-R, a solar-powered autonomous hydro-robot developed for sustainable water purification and oxygenation. Mechanical design was performed in Fusion 360, trajectory optimization in MATLAB R2024a, and dynamic motion analysis in Roblox Studio, creating a [...] Read more.
This study presents the design, modeling, and multi-platform simulation of NEPTUNE-R, a solar-powered autonomous hydro-robot developed for sustainable water purification and oxygenation. Mechanical design was performed in Fusion 360, trajectory optimization in MATLAB R2024a, and dynamic motion analysis in Roblox Studio, creating a reproducible digital twin environment. The proposed path-planning strategies—Boustrophedon and Archimedean spiral—achieved full surface coverage across various lake geometries, with an average efficiency of 97.4% ± 1.2% and a 12% reduction in energy consumption compared to conventional linear patterns. The integrated Euler-based force model ensured stability and maneuverability under ideal hydrodynamic conditions. The modular architecture of NEPTUNE-R enables scalable implementation of photovoltaic panels and microbubble-based oxygenation systems. The results confirm the feasibility of an accessible, zero-emission platform for aquatic ecosystem restoration and contribute directly to Sustainable Development Goals (SDGs) 6, 7, and 14 by promoting clean water, renewable energy, and life below water. Future work will involve prototype testing and experimental calibration to validate the numerical findings under real environmental conditions. Full article
Show Figures

Figure 1

28 pages, 8242 KB  
Article
Prediction and Analysis of Spatiotemporal Evolution Trends of Water Quality in Lake Chaohu Based on the WOA-Informer Model
by Junyue Tian, Lejun Wang, Qingqing Tian, Hongyu Yang, Yu Tian, Lei Guo and Wei Luo
Sustainability 2025, 17(21), 9521; https://doi.org/10.3390/su17219521 - 26 Oct 2025
Cited by 1 | Viewed by 891
Abstract
Lakes, as key freshwater reserves and ecosystem cores, supply human water, regulate climate, sustain biodiversity, and are vital for global ecological balance and human sustainability. Lake Chaohu, as a crucial ecological barrier in the middle and lower reaches of the Yangtze River, faces [...] Read more.
Lakes, as key freshwater reserves and ecosystem cores, supply human water, regulate climate, sustain biodiversity, and are vital for global ecological balance and human sustainability. Lake Chaohu, as a crucial ecological barrier in the middle and lower reaches of the Yangtze River, faces significant environmental challenges to regional sustainable development due to water quality deterioration and consequent eutrophication issues. To address the limitations of conventional monitoring techniques, including insufficient spatiotemporal coverage and high operational costs in lake water quality assessment, this study proposes an enhanced Informer model optimized by the Whale Optimization Algorithm (WOA) for predictive analysis of concentration trends of key water quality parameters—dissolved oxygen (DO), permanganate index (CODMn), total phosphorus (TP), and total nitrogen (TN)—across multiple time horizons (4 h, 12 h, 24 h, 48 h, and 72 h). The results demonstrate that the WOA-optimized Informer model (WOA-Informer) significantly improves long-term water quality prediction performance. Comparative evaluation shows that the WOA-Informer model achieves average reductions of 9.45%, 8.76%, 7.79%, 8.54%, and 11.80% in RMSE metrics for 4 h, 12 h, 24 h, 48 h, and 72 h prediction windows, respectively, along with average improvements of 3.80%, 5.99%, 11.23%, 17.37%, and 23.26% in R2 values. The performance advantages become increasingly pronounced with extended prediction durations, conclusively validating the model’s superior capability in mitigating error accumulation effects and enhancing long-term prediction stability. Spatial visualization through Kriging interpolation confirms strong consistency between predicted and measured values for all parameters (DO, CODMn, TP, and TN) across all time horizons, both in concentration levels and spatial distribution patterns, thereby verifying the accuracy and reliability of the WOA-Informer model. This study successfully enhances water quality prediction precision through model optimization, providing robust technical support for water environment management and decision-making processes. Full article
Show Figures

Figure 1

16 pages, 24100 KB  
Article
Structural Engineering in Sn-Doped WO3 Multi-Phase Systems for Enhanced Transparent Heat Insulation
by Xinyu Song, Ze Wang, Yue Liu, Xin Li, Chun Du and Shifeng Wang
Molecules 2025, 30(20), 4124; https://doi.org/10.3390/molecules30204124 - 17 Oct 2025
Viewed by 685
Abstract
Building energy conservation through the development of transparent thermal insulation materials that selectively block near-infrared radiation while maintaining visible light transmittance has emerged as a key strategy for global carbon neutrality. WO3 is a semiconductor oxide with near-infrared absorption capabilities. However, the [...] Read more.
Building energy conservation through the development of transparent thermal insulation materials that selectively block near-infrared radiation while maintaining visible light transmittance has emerged as a key strategy for global carbon neutrality. WO3 is a semiconductor oxide with near-infrared absorption capabilities. However, the limited absorption efficiency and narrow spectral coverage of pure WO3 significantly diminish its overall transparent thermal insulation performance, thereby restricting its practical application in energy-saving glass. Therefore, this study successfully prepared Sn-doped WO3 materials using a one-step hydrothermal method, controlling the Sn:W molar ratio from 0.1:1 to 2.0:1. Through evaluation of transparent thermal insulation performance of a series of Sn-doped WO3 samples, we found that Sn:W = 0.9:1 exhibited the most excellent performance, with NIR shielding efficiency reaching 93.9%, which was 1.84 times higher than pure WO3. Moreover, this sample demonstrated a transparent thermal insulation index (THI) of 4.38, representing increases of 184% and 317%, respectively, compared to pure WO3. These enhancements highlight the strong NIR absorption capability achieved by Sn-doped WO3 through structural regulation. When Sn doping reaches a certain concentration, it triggers a structural transformation of WO3 from monoclinic to tetragonal phase. After reaching the critical solubility threshold, phase separation occurs, forming a multiphase structure composed of a Sn-doped WO3 matrix and secondary SnO2 and WSn0.33O3 phases, which synergistically enhance oxygen vacancy formation and W6+ to W5+ reduction, achieving excellent NIR absorption through small polaron hopping and localized surface plasmon resonance effects. This study provides important insights for developing high-performance transparent thermal insulation materials for energy-efficient buildings. Full article
Show Figures

Graphical abstract

Back to TopTop