Sign in to use this feature.

Years

Between: -

Subjects

remove_circle_outline
remove_circle_outline
remove_circle_outline
remove_circle_outline
remove_circle_outline
remove_circle_outline

Journals

Article Types

Countries / Regions

Search Results (14)

Search Parameters:
Keywords = nonuniform diffusion weighting

Order results
Result details
Results per page
Select all
Export citation of selected articles as:
26 pages, 5224 KB  
Article
Modeling Anisotropic Permeability of Coal and Shale with Gas Rarefaction Effects, Matrix–Fracture Interaction, and Adsorption Hysteresis
by Lilong Wang, Zongyuan Li, Jie Zeng, Biwu Chen, Jiafeng Li, Huimin Jia, Wenhou Wang, Jinwen Zhang, Yiqun Wang and Zhihong Zhao
Processes 2025, 13(10), 3304; https://doi.org/10.3390/pr13103304 - 15 Oct 2025
Viewed by 651
Abstract
Permeability of fissured sorbing rocks, such as coal and shale, controls gas transport and is relevant to a variety of scientific problems and industrial processes. Multiple gas transport and rock deformation mechanisms affect permeability evolution, including gas rarefaction effects, gas-sorption-induced anisotropic matrix–fracture interaction, [...] Read more.
Permeability of fissured sorbing rocks, such as coal and shale, controls gas transport and is relevant to a variety of scientific problems and industrial processes. Multiple gas transport and rock deformation mechanisms affect permeability evolution, including gas rarefaction effects, gas-sorption-induced anisotropic matrix–fracture interaction, and anisotropic deformation induced by effective stress variation. In this paper, a generic anisotropic permeability model is proposed to address the impacts of the above mechanisms and effects. Specifically, the influence of matrix–fracture interactions on permeability evolution is depicted through the nonuniform matrix swelling caused by the gas diffusion process from fracture walls into the matrix. The following characteristics are also incorporated in this model: (1) anisotropic mechanical and swelling properties, (2) arbitrary box-shaped matrix blocks due to the anisotropic rock structure, (3) adsorbability variation of different matrix blocks because of complex rock compositions, (4) adsorption hysteresis, and (5) dynamic tortuosity. The directional permeability models are derived based on the anisotropic poroelasticity theory and anisotropic swelling equations considering adsorption hysteresis. We use a gas-invaded-volume ratio to describe the nonuniform swelling of matrix blocks. Additionally, swelling of blocks with different adsorption and mechanical properties are characterized by a volume-weighted function. Finally, the anisotropic tortuosity is defined as a power law function of effective porosity. The model is verified against experimental data. Results show that four-stage permeability evolution with time can be observed. Permeability evolution in different directions follows its own ways and depends on anisotropic swelling, mechanical properties, and structures, even when the boundary conditions are identical. Adsorption hysteresis controls the local shrinkage region. Tortuosity variation significantly affects permeability but has the smallest influence on the local swelling region. The existence of multiple matrix types complicates the permeability evolution behavior. Full article
(This article belongs to the Special Issue Advances in Enhancing Unconventional Oil/Gas Recovery, 2nd Edition)
Show Figures

Figure 1

16 pages, 5071 KB  
Article
Simulation and Experimental Studies of Heat-Mass Transfer and Stress–Strain in Carrots During Hot Air Drying
by Yanyan Li, Mingxia Liang, Jinyan Li, Keyi Jiang, Xiyang Li and Zhaohui Zheng
Agriculture 2025, 15(5), 484; https://doi.org/10.3390/agriculture15050484 - 24 Feb 2025
Cited by 4 | Viewed by 1512
Abstract
Models were developed to study the heat-mass transfer and stress–strain process in carrots during hot air drying. The distribution and variation in temperature, moisture content, strain, and stress of the samples were investigated at different drying temperatures. The results showed that the models [...] Read more.
Models were developed to study the heat-mass transfer and stress–strain process in carrots during hot air drying. The distribution and variation in temperature, moisture content, strain, and stress of the samples were investigated at different drying temperatures. The results showed that the models developed could be used to simulate the hot air drying process of carrots; the maximum weighted absolute percentage errors were 9.01%. The difference between the heat flux and vapor diffusion flux in the regions led to a non-uniform temperature and moisture content distribution, which resulted in non-uniform strain, causing stress within the carrots. The value of the thermal strain and stress was small compared to that of the moisture strain and stress. The thermal stress and moisture stress increased first and then decreased; the peak values of thermal stress and moisture stress occurred in the middle period of the whole drying process. When the hot air drying temperature was higher, the peak value of stress was higher. These results are helpful for understanding the drying mechanism and optimizing operating conditions in carrot drying. Full article
(This article belongs to the Section Agricultural Product Quality and Safety)
Show Figures

Figure 1

15 pages, 6937 KB  
Article
Clamping Pressure and Catalyst Distribution Analyses on PEMFC Performance Improvement
by Qinwen Yang, Xu Wang and Gang Xiao
Energies 2024, 17(20), 5223; https://doi.org/10.3390/en17205223 - 20 Oct 2024
Cited by 2 | Viewed by 2234
Abstract
The coupling effects of clamping pressure and catalyst distribution are comprehensively considered to improve proton exchange membrane fuel cell (PEMFC) performance. Numerical models were constructed to study the performance changes and the corresponding internal states of PEMFC under different clamping pressures. Since the [...] Read more.
The coupling effects of clamping pressure and catalyst distribution are comprehensively considered to improve proton exchange membrane fuel cell (PEMFC) performance. Numerical models were constructed to study the performance changes and the corresponding internal states of PEMFC under different clamping pressures. Since the increased clamping pressure reduces the uniformity of current density, non-uniform designs with decreased catalyst loading under channel and increased catalyst loading under rib are proposed for performance improvement. A weighted objective function considering current density magnitude and uniformity was constructed, and the performances of different catalyst loading distributions were analyzed. Compared to the uniform distribution, the optimized distribution with a variation of −15% and 15% under channel and rib had the maximum objective function value of 17.24%. The deformation analysis of the gas diffusion layer and optimization of catalyst loading distribution based on deformation analysis provided a reference for the assembly of PEMFC and the production of MEA. Full article
(This article belongs to the Section F1: Electrical Power System)
Show Figures

Figure 1

14 pages, 19981 KB  
Article
The Influence of Local Constraints on Solvent Motion in Polymer Materials
by Krzysztof Hałagan, Przemysław Duniec, Marcin Kozanecki and Andrzej Sikorski
Materials 2024, 17(19), 4711; https://doi.org/10.3390/ma17194711 - 25 Sep 2024
Cited by 2 | Viewed by 1226
Abstract
The influence of obstacles in the form of polymer chains on the diffusion of a low-molecular-weight solvent was the subject of this research. Studies were performed by computer simulations. A Monte Carlo model—the Dynamic Lattice Liquid algorithm—based on the idea of cooperative movements [...] Read more.
The influence of obstacles in the form of polymer chains on the diffusion of a low-molecular-weight solvent was the subject of this research. Studies were performed by computer simulations. A Monte Carlo model—the Dynamic Lattice Liquid algorithm—based on the idea of cooperative movements was used. The tested materials were polymer networks with an ideal structure (with a uniform mesh size) and real, irregular networks (with a non-uniform mesh size) obtained numerically by copolymerization. The diffusion of the solvent was analyzed in systems with a polymer concentration that did not exceed 16%. The influence of the polymer concentration and macromolecular architecture structure on the mobility and character of the motion of the solvent was discussed. The influence of irregular network morphology on solvent dynamics appeared to be significantly stronger than that of regular networks and star-like polymers. Full article
(This article belongs to the Special Issue Computational Modeling and Simulation of Polymers and Biopolymers)
Show Figures

Graphical abstract

18 pages, 7947 KB  
Article
The Microstructure Formation of a Protective Oxide-Scale Layer on Small-Diameter FeCrAl Fibers
by Abdullah A. Alazemi and Osama M. Ibrahim
Materials 2022, 15(21), 7444; https://doi.org/10.3390/ma15217444 - 24 Oct 2022
Cited by 5 | Viewed by 2210
Abstract
FeCrAl fibers, at high temperatures, form a protective oxide-scale layer dominated by aluminum oxide on the surface to prevent further oxidation of the base metal alloy. This study investigates the effects of heat treatment on the microstructure formation of the oxide-scale layer on [...] Read more.
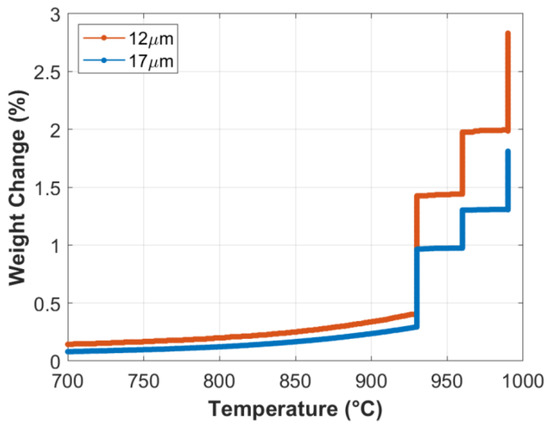
FeCrAl fibers, at high temperatures, form a protective oxide-scale layer dominated by aluminum oxide on the surface to prevent further oxidation of the base metal alloy. This study investigates the effects of heat treatment on the microstructure formation of the oxide-scale layer on small-diameter FeCrAl fibers, 12 and 17 µm, produced using a bundle drawing process. The morphology examination and chemical analyses of the small-diameter fibers exhibit the microstructure and chemical compositions of the surface and cross-section areas, revealing a distinctive interface layer with a high aluminum concentration between the base metal and the oxide-scale layer. Furthermore, thermogravimetric analysis results show that the 12 µm fibers have about a 60% higher oxidation rate than the 17 µm fibers—caused by the high outward diffusion of aluminum to the surface of the fibers due to their high surface-area-to-weight ratio. Consequently, the high growth rate of the nonuniform oxide-scale layer and the limited aluminum reservoir of the 12 and 17 µm diameter fibers lead to faster depletion of aluminum from the base metal alloy—limiting the lifetime and durability of the smaller-diameter fibers in high-temperature applications. Full article
Show Figures

Figure 1

15 pages, 3321 KB  
Article
Effect of Surface Topology on the Apparent Thermal Diffusivity of Thin Samples at LFA Measurements
by Robert Szczepaniak
Materials 2022, 15(14), 4755; https://doi.org/10.3390/ma15144755 - 7 Jul 2022
Cited by 5 | Viewed by 2057
Abstract
This paper deals with the problem of the influence of surface topography on the results of thermal diffusivity measurements when determined using the instantaneous surface heat source method, also called the pulse method. The analysis was based on numerical tests carried out using [...] Read more.
This paper deals with the problem of the influence of surface topography on the results of thermal diffusivity measurements when determined using the instantaneous surface heat source method, also called the pulse method. The analysis was based on numerical tests carried out using Comsol Multiphysics software. The results of experimental investigations on the actual material structure using an electron microscope, an optical microscope and a profilometer were used to develop a numerical model. The influence of the non-uniformity of the surface of the tested sample on the determined values of half-time of the thermal response of the sample’s rough surface to the impulse forcing on the opposing flat surface was determined by developing the data for simulated measurements. The effect of the position of the response data reading area on the obtained simulation results was also analyzed. The obtained results can be used to improve the accuracy of experimental heat transfer studies performed on thin-film engineering structures depending on the uniformity and parallelism of the material applied to engineering structures. The difference in half-life determination error results for various analyzed models can be as high as 16.7%, depending on the surface from which the responses of the heating impulse are read. With an equivalent model in which 10% of the material volume corresponds to the rough part as a single inclusion, hemisphere, the error in determining thermal diffusivity was equal to 3.8%. An increase in the number of inclusions with smaller weight reduces an error in the determination of thermal diffusivity, as presented in the paper. Full article
Show Figures

Figure 1

13 pages, 2527 KB  
Article
Effect and Mechanism of Pitch Coating on the Rate Performance Improvement of Lithium-Ion Batteries
by Bo-Ra Kim, Ji-Hong Kim and Ji-Sun Im
Materials 2022, 15(13), 4713; https://doi.org/10.3390/ma15134713 - 5 Jul 2022
Cited by 24 | Viewed by 7120
Abstract
This study evaluated the effect of pitch coating on graphite anode materials used in lithium-ion batteries and investigated the mechanism whereby pitch coating improves the electrochemical properties. The FG (flake graphite) and pitch were mixed in weight ratios of 95:5–80:20. The mixture was [...] Read more.
This study evaluated the effect of pitch coating on graphite anode materials used in lithium-ion batteries and investigated the mechanism whereby pitch coating improves the electrochemical properties. The FG (flake graphite) and pitch were mixed in weight ratios of 95:5–80:20. The mixture was pressed and prepared into a block form. Additionally, heat treatment was performed at 900 °C for 1 h and pulverized in the size range of 10–25 μm. The results showed that the particles of uniform pitch-coated graphite became more spherical. However, when the pitch is added excessively, pitch aggregation occurs rather than a thicker coating, indicating a nonuniform particle shape. Pitch has a randomly oriented structure and a small crystal size. Therefore, pitch serves as a lithium-ion diffusion pathway, resulting in an improved rate of performance. Notably, the uniform pitch-coated graphite exhibited an outstanding rate of performance owing to the relieving of particle orientation in the electrode rolling process. During the rolling process, the particles are oriented perpendicular to the lithium-ion diffusion pathway, making it difficult for the lithium ions to diffuse. Adding an excessive amount of pitch was found to deteriorate the rate of performance. Pitch aggregation increased the interfacial resistance by forming a heterogeneous surface. Full article
(This article belongs to the Special Issue Innovative Technologies in Carbon Based Materials)
Show Figures

Figure 1

13 pages, 4887 KB  
Article
A Semantic Segmentation Method for Early Forest Fire Smoke Based on Concentration Weighting
by Zewei Wang, Change Zheng, Jiyan Yin, Ye Tian and Wenbin Cui
Electronics 2021, 10(21), 2675; https://doi.org/10.3390/electronics10212675 - 31 Oct 2021
Cited by 8 | Viewed by 3339
Abstract
Forest fire smoke detection based on deep learning has been widely studied. Labeling the smoke image is a necessity when building datasets of target detection and semantic segmentation. The uncertainty in labeling the forest fire smoke pixels caused by the non-uniform diffusion of [...] Read more.
Forest fire smoke detection based on deep learning has been widely studied. Labeling the smoke image is a necessity when building datasets of target detection and semantic segmentation. The uncertainty in labeling the forest fire smoke pixels caused by the non-uniform diffusion of smoke particles will affect the recognition accuracy of the deep learning model. To overcome the labeling ambiguity, the weighted idea was proposed in this paper for the first time. First, the pixel-concentration relationship between the gray value and the concentration of forest fire smoke pixels in the image was established. Second, the loss function of the semantic segmentation method based on concentration weighting was built and improved; thus, the network could pay attention to the smoke pixels differently, an effort to better segment smoke by weighting the loss calculation of smoke pixels. Finally, based on the established forest fire smoke dataset, selection of the optimum weighted factors was made through experiments. mIoU based on the weighted method increased by 1.52% than the unweighted method. The weighted method cannot only be applied to the semantic segmentation and target detection of forest fire smoke, but also has a certain significance to other dispersive target recognition. Full article
Show Figures

Figure 1

7 pages, 3889 KB  
Article
Retrospective Correction of ADC for Gradient Nonlinearity Errors in Multicenter Breast DWI Trials: ACRIN6698 Multiplatform Feasibility Study
by Dariya I. Malyarenko, David C. Newitt, Ghoncheh Amouzandeh, Lisa J. Wilmes, Ek T. Tan, Luca Marinelli, Ajit Devaraj, Johannes M. Peeters, Shivraman Giri, Axel Vom Endt, Nola M. Hylton, Savannah C. Partridge and Thomas L. Chenevert
Tomography 2020, 6(2), 86-92; https://doi.org/10.18383/j.tom.2019.00025 - 1 Jun 2020
Cited by 15 | Viewed by 1477
Abstract
The presented analysis of multisite, multiplatform clinical oncology trial data sought to enhance quantitative utility of the apparent diffusion coefficient (ADC) metric, derived from diffusion-weighted magnetic resonance imaging, by reducing technical interplatform variability owing to systematic gradient nonlinearity (GNL). This study tested the [...] Read more.
The presented analysis of multisite, multiplatform clinical oncology trial data sought to enhance quantitative utility of the apparent diffusion coefficient (ADC) metric, derived from diffusion-weighted magnetic resonance imaging, by reducing technical interplatform variability owing to systematic gradient nonlinearity (GNL). This study tested the feasibility and effectiveness of a retrospective GNL correction (GNC) implementation for quantitative quality control phantom data, as well as in a representative subset of 60 subjects from the ACRIN 6698 breast cancer therapy response trial who were scanned on 6 different gradient systems. The GNL ADC correction based on a previously developed formalism was applied to trace-DWI using system-specific gradient-channel fields derived from vendor-provided spherical harmonic tables. For quantitative DWI phantom images acquired in typical breast imaging positions, the GNC improved interplatform accuracy from a median of 6% down to 0.5% and reproducibility of 11% down to 2.5%. Across studied trial subjects, GNC increased low ADC (<1 µm2/ms) tumor volume by 16% and histogram percentiles by 5%–8%, uniformly shifting percentile-dependent ADC thresholds by ∼0.06 µm2/ms. This feasibility study lays the grounds for retrospective GNC implementation in multiplatform clinical imaging trials to improve accuracy and reproducibility of ADC metrics used for breast cancer treatment response prediction. Full article
11 pages, 2305 KB  
Article
Extended Texture Analysis of Non-Enhanced Whole-Body MRI Image Data for Response Assessment in Multiple Myeloma Patients Undergoing Systemic Therapy
by Kaspar Ekert, Clemens Hinterleitner, Karolin Baumgartner, Jan Fritz and Marius Horger
Cancers 2020, 12(3), 761; https://doi.org/10.3390/cancers12030761 - 24 Mar 2020
Cited by 43 | Viewed by 4863
Abstract
Identifying MRI-based radiomics features capable to assess response to systemic treatment in multiple myeloma (MM) patients. Retrospective analysis of whole-body MR-image data in 67 consecutive stage III MM patients (40 men; mean age, 60.4 years). Bone marrow involvement was evaluated using a standardized [...] Read more.
Identifying MRI-based radiomics features capable to assess response to systemic treatment in multiple myeloma (MM) patients. Retrospective analysis of whole-body MR-image data in 67 consecutive stage III MM patients (40 men; mean age, 60.4 years). Bone marrow involvement was evaluated using a standardized MR-imaging protocol consisting of T1w-, short-tau inversion recovery- (STIR-) and diffusion-weighted-imaging (DWI) sequences. Ninety-two radiomics features were evaluated, both in focally and diffusely involved bone marrow. Volumes of interest (VOI) were used. Response to treatment was classified according to International Myeloma Working Group (IMWG) criteria in complete response (CR), very-good and/or partial response (VGPR + PR), and non-response (stable disease (SD) and progressive disease (PD)). According to the IMWG-criteria, response categories were CR (n = 35), VGPR + PR (n = 19), and non-responders (n = 13). On apparent diffusion coefficient (ADC)-maps, gray-level small size matrix small area emphasis (Gray Level Size Zone (GLSZM) small area emphasis (SAE)) significantly correlated with CR (p < 0.001), whereas GLSZM non-uniformity normalized (NUN) significantly (p < 0.008) with VGPR/PR in focal medullary lesions (FL), whereas in diffuse involvement, 1st order root mean squared significantly (p < 0.001) correlated with CR, whereas for VGPR/PR Log (gray-level run-length matrix (GLRLM) Short Run High Gray Level Emphasis) proved significant (p < 0.003). On T1w, GLRLM NUN significantly (p < 0.002) correlated with CR in FL, whereas gray-level co-occurrence matric (GLCM) informational measure of correlation (Imc1) significantly (p < 0.04) correlated with VGPR/PR. For diffuse myeloma involvement, neighboring gray-tone difference matrix (NGTDM) contrast and 1st order skewness were significantly associated with CR and VGPR/PR (p < 0.001 for both). On STIR-images, CR correlated with gray-level co-occurrence matrix (GLCM) Informational Measure of Correlation (IMC) 1 (p < 0.001) in FL and 1st order mean absolute deviation in diffusely involved bone marrow (p < 0.001). VGPR/PR correlated at best in FL with GSZLM size zone NUN (p < 0.019) and in all other involved medullary areas with GLSZM large area low gray level emphasis (p < 0.001). GLSZM large area low gray level emphasis also significantly correlated with the degree of bone marrow infiltration assessed histologically (p = 0.006). GLCM IMC 1 proved significant throughout T1w/STIR sequences, whereas GLSZM NUN in STIR and ADC. MRI-based texture features proved significant to assess clinical and hematological response (CR, VPGR, and PR) in multiple myeloma patients undergoing systemic treatment. Full article
(This article belongs to the Special Issue Radiomics and Cancers)
Show Figures

Figure 1

17 pages, 7924 KB  
Article
Temporal-Spatial Nonlinear Filtering for Infrared Focal Plane Array Stripe Nonuniformity Correction
by Jia Li, Hanlin Qin, Xiang Yan, Qingjie Zeng and Tingwu Yang
Symmetry 2019, 11(5), 673; https://doi.org/10.3390/sym11050673 - 15 May 2019
Cited by 6 | Viewed by 3329
Abstract
In this work, we introduce a temporal-spatial approach for infrared focal plane array (IRFPA) stripe nonuniformity correction in infrared images that generates visually appealing results. We posit that the nonuniformity appears as a striped structure in the spatial domain and that the pixel [...] Read more.
In this work, we introduce a temporal-spatial approach for infrared focal plane array (IRFPA) stripe nonuniformity correction in infrared images that generates visually appealing results. We posit that the nonuniformity appears as a striped structure in the spatial domain and that the pixel values change slowly in the temporal domain. Based on this, we formulate our correction method in two steps. In the first step, weighted guided image filtering with our adaptive weight is utilized to predict the stripe nonuniformity using a single frame. In the second step, the temporal profile of each pixel can be formed using a few frames of successive nonuniformity images. Further, we present a temporal nonlinear diffusion equation to remove scene residuals from the temporal profile of nonuniformity images in order to estimate a more accurate value of the stripe nonuniformity. The results of extensive experiments demonstrate that the proposed nonuniformity correction algorithm substantially outperforms many state-of-the-art approaches, including both traditional and deep convolution-neural-network-based methods, on four popular infrared videos. In addition, the proposed method only requires a fraction (less than ten) of the video frames. Full article
Show Figures

Figure 1

18 pages, 1549 KB  
Article
Localization with Graph Diffusion Property
by Pengpeng Chen, Yuqing Yin, Shouwan Gao, Qiang Niu and Jun Gu
Sensors 2017, 17(7), 1636; https://doi.org/10.3390/s17071636 - 15 Jul 2017
Cited by 1 | Viewed by 4736
Abstract
Node localization is an essential issue in wireless sensor networks (WSNs). Many range-free localization methods have been proposed to satisfy the requirement of low-system cost. However, some range-free methods only depend on network connectivity, and others only utilize the proximity information attached in [...] Read more.
Node localization is an essential issue in wireless sensor networks (WSNs). Many range-free localization methods have been proposed to satisfy the requirement of low-system cost. However, some range-free methods only depend on network connectivity, and others only utilize the proximity information attached in neighborhood ordering. To employ the strength of the above two aspects, this paper introduces a new metric system called Combined and Weighted Diffusion Distance (CWDD). CWDD is designed to obtain the relative distance among nodes based on both graph diffusion property and neighbor information. We implement our design by embedding CWDD into two well-known localization algorithms and evaluate it by extensive simulations. Results show that our design improves the localization performance in large scale and non-uniform sensor networks, which reduces positioning errors by as much as 26%. Full article
(This article belongs to the Special Issue Mobile Sensing Applications)
Show Figures

Figure 1

10 pages, 1319 KB  
Article
QIN DAWG Validation of Gradient Nonlinearity Bias Correction Workflow for Quantitative Diffusion-Weighted Imaging in Multicenter Trials
by Dariya I. Malyarenko, Lisa J. Wilmes, Lori R. Arlinghaus, Michael A. Jacobs, Wei Huang, Karl G. Helmer, Bachir Taouli, Thomas E. Yankeelov, David Newitt and Thomas L. Chenevert
Tomography 2016, 2(4), 396-405; https://doi.org/10.18383/j.tom.2016.00214 - 1 Dec 2016
Cited by 13 | Viewed by 1291
Abstract
Previous research has shown that system-dependent gradient nonlinearity (GNL) introduces a significant spatial bias (nonuniformity) in apparent diffusion coefficient (ADC) maps. Here, the feasibility of centralized retrospective system-specific correction of GNL bias for quantitative diffusion-weighted imaging (DWI) in multi-site clinical trials is demonstrated [...] Read more.
Previous research has shown that system-dependent gradient nonlinearity (GNL) introduces a significant spatial bias (nonuniformity) in apparent diffusion coefficient (ADC) maps. Here, the feasibility of centralized retrospective system-specific correction of GNL bias for quantitative diffusion-weighted imaging (DWI) in multi-site clinical trials is demonstrated across diverse scanners independent of the scanned object. Using corrector maps generated from system characterization by ice-water phantom measurement completed in the previous project phase, GNL bias correction was performed for test ADC measurements from an independent DWI phantom (room temperature agar) at two offset locations in the bore. The precomputed three-dimensional GNL correctors were retrospectively applied to test DWI scans by the central analysis site. The correction was blinded to reference DWI of the agar phantom at magnet isocenter where the GNL bias is negligible. The performance was evaluated from changes in ADC region of interest histogram statistics before and after correction with respect to the unbiased reference ADC values provided by sites. Both absolute error and nonuniformity of the ADC map induced by GNL (median, 12%; range, −35% to +10%) were substantially reduced by correction (7-fold in median and 3-fold in range). The residual ADC nonuniformity errors were attributed to measurement noise and other non-GNL sources. Correction of systematic GNL bias resulted in a 2-fold decrease in technical variability across scanners (down to site temperature range). The described validation of GNL bias correction marks progress toward implementation of this technology in multicenter trials that utilize quantitative DWI. Full article
7 pages, 2616 KB  
Article
Correction of Gradient Nonlinearity Bias in Quantitative Diffusion Parameters of Renal Tissue with Intravoxel Incoherent Motion
by Dariya I. Malyarenko, Yuxi Pang, Julien Senegas, Marko K. Ivancevic, Brian D. Ross and Thomas L. Chenevert
Tomography 2015, 1(2), 145-151; https://doi.org/10.18383/j.tom.2015.00160 - 1 Dec 2015
Cited by 8 | Viewed by 1067
Abstract
Spatially nonuniform diffusion weighting bias as a result of gradient nonlinearity (GNL) causes substantial errors in apparent diffusion coefficient (ADC) maps for anatomical regions imaged distant from the magnet isocenter. Our previously described approach effectively removed spatial ADC bias from 3 orthogonal diffusion-weighted [...] Read more.
Spatially nonuniform diffusion weighting bias as a result of gradient nonlinearity (GNL) causes substantial errors in apparent diffusion coefficient (ADC) maps for anatomical regions imaged distant from the magnet isocenter. Our previously described approach effectively removed spatial ADC bias from 3 orthogonal diffusion-weighted imaging (DWI) measurements for monoexponential media of arbitrary anisotropy. This work evaluates correction feasibility and performance for quantitative diffusion parameters of the 2-component intravoxel incoherent motion (IVIM) model for well-perfused and nearly isotropic renal tissue. Sagittal kidney DWI scans of a volunteer were performed on a clinical 3T magnetic resonance imaging scanner near isocenter and offset superiorly. Spatially nonuniform diffusion weighting caused by GNL resulted both in shifting and broadening of perfusion-suppressed ADC histograms for off-center DWI relative to unbiased measurements close to the isocenter. Direction-average diffusion weighting bias correctors were computed based on the known gradient design provided by the vendor. The computed bias maps were empirically confirmed by coronal DWI measurements for an isotropic gel-flood phantom. Both phantom and renal tissue ADC bias for off-center measurements was effectively removed by applying precomputed 3D correction maps. Comparable ADC accuracy was achieved for corrections of both b maps and DWI intensities in the presence of IVIM perfusion. No significant bias impact was observed for the IVIM perfusion fraction. Full article
Back to TopTop