Sign in to use this feature.

Years

Between: -

Subjects

remove_circle_outline
remove_circle_outline
remove_circle_outline
remove_circle_outline
remove_circle_outline

Journals

Article Types

Countries / Regions

Search Results (14)

Search Parameters:
Keywords = neutral-point voltage-shifting control

Order results
Result details
Results per page
Select all
Export citation of selected articles as:
20 pages, 1110 KB  
Article
Management of Zero-Sequence Parameters for Earth Faults on the Power Receiver’s Side in IT-Type Networks
by Gennadiy Pivnyak, Yurii Stepanenko, Kinga Stecuła, Maryna Kyrychenko, Oleksandra Lysenko and Roman Dychkovskyi
Energies 2025, 18(24), 6407; https://doi.org/10.3390/en18246407 - 8 Dec 2025
Viewed by 172
Abstract
This study examines the behavior and control of zero-sequence parameters in IT-type electrical networks under conditions of capacitive insulation asymmetry and complex asymmetric faults on the power receiver side. Existing methods of zero-sequence analysis typically address either symmetrical network conditions or single-phase earth [...] Read more.
This study examines the behavior and control of zero-sequence parameters in IT-type electrical networks under conditions of capacitive insulation asymmetry and complex asymmetric faults on the power receiver side. Existing methods of zero-sequence analysis typically address either symmetrical network conditions or single-phase earth faults in isolation, and they often neglect the combined effects of conductor breakage, transient fault resistance, and capacitive unbalance. To overcome these limitations, this work develops an analytical model based on the general theory of electrical engineering and symmetrical components, enabling a unified description of zero-sequence voltages and currents that incorporates both insulation asymmetry and compound fault scenarios. The model establishes closed-form relationships linking zero-sequence quantities to network parameters, power receiver characteristics, and transient resistances at the fault point. The results demonstrate several previously unreported effects, including a 180° vector shift and nearly 50% reduction in zero-sequence voltage and current magnitudes during simultaneous conductor breakage and earth faults compared with conventional single-phase faults—phenomena that critically influence the correct setting of protection devices. The study further shows that capacitive insulation asymmetry alone may generate zero-sequence voltages sufficient to trigger earth-fault protection regardless of the neutral grounding mode. These findings reveal increased risks of fault escalation, misoperation of existing protection systems, and prolonged unsafe touch voltages. Overall, the derived dependencies provide a new analytical basis for improving the design and coordination of protection systems in IT-type networks. Full article
Show Figures

Figure 1

19 pages, 3417 KB  
Article
Effect of Applied DC Electric Fields on H2–Air Axisymmetric Laminar Co-Flow Diffusion Flames with Low Carbon Impurities
by Susith D. P. G. Halowitage, Hasith E. Perera, Nicholas M. Elmore and Fabien Goulay
Hydrogen 2025, 6(2), 38; https://doi.org/10.3390/hydrogen6020038 - 1 Jun 2025
Viewed by 3229
Abstract
We investigated experimentally the influence of flow conditions and electrode position on a diffusion H2–air flame subjected to an external electric field. We determined the minimum impurity level required to observe changes in flame properties with applied voltage. Flame OH chemiluminescence [...] Read more.
We investigated experimentally the influence of flow conditions and electrode position on a diffusion H2–air flame subjected to an external electric field. We determined the minimum impurity level required to observe changes in flame properties with applied voltage. Flame OH chemiluminescence signals were recorded using a UV-sensitive CCD array as a function of voltage (+10 to −10 kV) applied to a stainless-steel ring electrode placed around the burner nozzle. Changes in chemiluminescence signals are reported as a function of electrode height above the burner, airflow, and fuel composition. Significant changes in OH* distributions were observed for voltages below −5 kV. Under optimum conditions, the height of the chemiluminescence flame decreased by up to 67% at the maximum applied voltage. The flame transitioned from a teardrop shape to a flat, open-tip flame at a voltage corresponding to an inflection point in the flame height–voltage profiles. Increasing the airflow rate shifted the inflection point to more negative values until almost suppressing the effect of the electric field on the flame structure. This study reveals that carbon impurities in hydrogen fuel as low as 10 ppm are sufficient to observe significant effects from external electric fields without changing the underlying neutral chemistry. We also determine the set of parameters that control the amplitude of the structural change. Full article
Show Figures

Graphical abstract

18 pages, 18289 KB  
Article
A Hybrid Active Damping Strategy for Improving the Adaptability of LCL Converter in Weak Grid
by Jingtao Huang, Yiju Zhao, Jie Wang and Peng Zhang
Electronics 2024, 13(1), 144; https://doi.org/10.3390/electronics13010144 - 28 Dec 2023
Cited by 7 | Viewed by 2236
Abstract
In a weak grid, the line impedance variation will cause the resonant frequency of the LCL filter to shift towards lower frequencies, thus reducing the quality of the grid-connected current and affecting the power grid stability. To solve this problem, a hybrid active [...] Read more.
In a weak grid, the line impedance variation will cause the resonant frequency of the LCL filter to shift towards lower frequencies, thus reducing the quality of the grid-connected current and affecting the power grid stability. To solve this problem, a hybrid active damping strategy with feedforward compensation is proposed for the neutral point clamped (NPC) LCL grid-connected inverter system. In order to reshape the output conductance of the grid-connected system, suppress the resonance spikes of the LCL filter and improve the adaptability of the grid-connected system to the weak grid. A first-order low-pass filter is designed in the grid-connected current loop, and an active damping control of grid-connected current based on a first-order high-pass filter is also proposed. Compared with the conventional capacitive current active damping, no additional sensors are required, and the use of a differential is avoided, which reduces the high-frequency noise. The use of passive resistors is reduced, which reduces the power loss of the grid-connected system. In addition, a point of common coupling (PCC) voltage feedforward strategy based on a low-pass filter is designed to suppress the background higher harmonics at PCC and improve the quality of grid-connected current. In this work, the robustness of the system is analyzed when the parameters of the LCL filter change. Finally, the virtual space vector modulation strategy is used to balance the neutral voltage of the DC bus. Simulation and experimental results show that the control strategy can effectively improve the adaptability of the system to the weak power grid, improve the quality of grid-connected current, and demonstrate strong stability. The THD can be decreased by 0.2% at least, and the improvements are more significant with larger line impedance; the THD is only 2.33% even at 10 mH line impedance. Full article
Show Figures

Figure 1

25 pages, 11034 KB  
Article
Enhanced Efficiency on ANPC-DAB through Adaptive Model Predictive Control
by Adriano Nardoto, Lucas Encarnação, Walbermark Santos, Arthur Amorim, Rodrigo Fiorotti, David Molinero and Emilio Bueno
Energies 2024, 17(1), 12; https://doi.org/10.3390/en17010012 - 19 Dec 2023
Cited by 1 | Viewed by 1937
Abstract
This work studies the DC-DC conversion stage in solid-state transformers (SST). The traditional two- or three-level dual active bridge (DAB) topology faces limitations in microgrid interconnection due to power and voltage limitations. For this reason, the use of multilevel topologies such as active [...] Read more.
This work studies the DC-DC conversion stage in solid-state transformers (SST). The traditional two- or three-level dual active bridge (DAB) topology faces limitations in microgrid interconnection due to power and voltage limitations. For this reason, the use of multilevel topologies such as active neutral point clamped (ANPC) is a promising alternative. Additionally, the efficiency of the SSTs is a recurring concern, and reducing losses in the DC-DC stage is a subject to be studied. In this context, this work presents a new control technique based on an adaptive model- based predictive control (AMPC) to select the modulation technique of an ANPC-DAB DC-DC converter aimed at reducing losses and increasing efficiency. The single-phase shift (SPS), triangular, and trapezoidal modulation techniques are used according to the converter output power with the aim of maximizing the number of soft-switching points per cycle. The performance of the proposed control technique is demonstrated through real-time simulation and a reduced-scale experimental setup. The findings indicate the effectiveness of the AMPC control technique in mitigating voltage source perturbations. This technique has low output impedance and is robust to converter parameter variations. Prototyping tests revealed that, in steady-state, the AMPC significantly improves converter efficiency without compromising dynamic performance. Despite its advantages, the computational cost of AMPC is not significantly higher than that of traditional model predictive control (MPC), allowing for the allocation of time to other applications. Full article
Show Figures

Figure 1

18 pages, 16694 KB  
Article
An SVPWM Algorithm for a Novel Multilevel Rectifier with DC-Side Capacitor Voltage Balance
by Hong Cheng, Daokuan Yang, Cong Wang and Changgeng Tian
Electronics 2023, 12(7), 1637; https://doi.org/10.3390/electronics12071637 - 30 Mar 2023
Cited by 1 | Viewed by 2079
Abstract
The recently proposed novel unidirectional multilevel rectifier, a three single-phase star-connected multilevel rectifier, has the characteristic of having a large number of DC-side capacitors and a complex capacitor voltage balancing control structure under conventional carrier-based phase-shift sine wave pulse-width modulation (SPWM). Hence, a [...] Read more.
The recently proposed novel unidirectional multilevel rectifier, a three single-phase star-connected multilevel rectifier, has the characteristic of having a large number of DC-side capacitors and a complex capacitor voltage balancing control structure under conventional carrier-based phase-shift sine wave pulse-width modulation (SPWM). Hence, a space vector pulse-width modulation (SVPWM) algorithm for the novel multilevel rectifier is proposed in this paper, which can quickly balance the capacitor voltage without an additional voltage balancing control structure. Firstly, it divides the space vectors of the rectifier, then it determines the two basis voltage vectors that synthesize the output reference voltage. After that, based on the analysis of the relationship between switching states and the charge–discharge of capacitors, the final action sequences of redundant vectors are determined according to the principle of keeping the capacitor charge–discharge time consistent. Thus, the capacitor voltages can be automatically balanced without an additional voltage balancing control structure. Finally, simulation and experimental results validated the feasibility and effectiveness of the proposed SVPWM algorithm. The results also show improvements in current quality, capacitor voltage balance and the fluctuation of the neutral point voltage on the DC-link, allowing for further reduction in the overall volume and cost of the rectifier. Full article
Show Figures

Figure 1

8 pages, 2055 KB  
Article
Air Annealing Process for Threshold Voltage Tuning of MoTe2 FET
by Soojin Kim, Yeeun Roh, Younguk Choi, Ah Hyun Jun, Hojun Seo and Byeong-Kwon Ju
Appl. Sci. 2022, 12(8), 3840; https://doi.org/10.3390/app12083840 - 11 Apr 2022
Cited by 6 | Viewed by 3640
Abstract
A stable doping technique for modifying the conduction behaviour of two-dimensional (2D) nanomaterial-based transistors is imperative for applications based on low-power complementary oxide thin-film transistors. Achieving an ambipolar feature with a controlled threshold voltage in both the p- and n-regimes is crucial for [...] Read more.
A stable doping technique for modifying the conduction behaviour of two-dimensional (2D) nanomaterial-based transistors is imperative for applications based on low-power complementary oxide thin-film transistors. Achieving an ambipolar feature with a controlled threshold voltage in both the p- and n-regimes is crucial for applying MoTe2-based devices as electronic devices because their native doping states are unipolar. In this study, a simple method to tune the threshold voltage of MoTe2 field-effect transistors (FETs) was investigated in order to realise an enhancement-mode MoTe2 thin-film transistor by implementing a facile method to modulate the carrier polarity based on the oxidative properties of MoTe2 FETs. Annealing in air induced a continuous p-doping effect in the devices without significant electrical degradation. Through a precise control of the duration and temperature of the post-annealing process, the tailoring technique induces hole doping, which results in a remarkable shift in transfer characteristics, thus leading to a charge neutrality point of the devices at zero gate bias. This study demonstrates the considerable potential of air heating as a reliable and economical post-processing method for precisely modifying the threshold voltage and further controlling the doping states of MoTe2-based FETs for use in logic inverters with 2D semiconductors. Full article
(This article belongs to the Topic Advances and Applications of 2D Materials)
Show Figures

Figure 1

14 pages, 1456 KB  
Article
Asymmetric Neutral Point Diode Clamped Topology with Reduced Component Count for Switched Reluctance Machine Drive
by Pieter Antonie Scholtz and Michael Njoroge Gitau
Energies 2022, 15(7), 2468; https://doi.org/10.3390/en15072468 - 27 Mar 2022
Cited by 1 | Viewed by 2703
Abstract
The Reduced Asymmetric Neutral Point Clamped converter topology for unipolar driven, multiphase switched reluctance machines is proposed in this paper. This topology shares similarities with the conventional NPC and Asymmetric-NPC topologies, however it is unique in that the components for the capacitor string [...] Read more.
The Reduced Asymmetric Neutral Point Clamped converter topology for unipolar driven, multiphase switched reluctance machines is proposed in this paper. This topology shares similarities with the conventional NPC and Asymmetric-NPC topologies, however it is unique in that the components for the capacitor string and outer semiconductor switches are shared among all the phases for a reduced component count. Some switching state combinations are not possible during commutation overlap between motor phases, resulting in minor torque transients during regenerative braking. A custom modulation scheme is implemented with fixed frequency, phase-shifted carrier waveforms that allow for automatic balancing of the neutral point voltage and interleaved switching of the semiconductor switches. A simple torque observer control architecture is used with minor adjustments for arbitrating torque contribution priorities between phases during handover. Full article
(This article belongs to the Special Issue Advances in Multilevel Converter/Inverter Topologies and Applications)
Show Figures

Figure 1

19 pages, 30261 KB  
Article
Novel Five-Level ANPC Bidirectional Converter for Power Quality Enhancement during G2V/V2G Operation of Cascaded EV Charger
by Jorge Lara, Lesedi Masisi, Concepcion Hernandez, Marco A. Arjona and Ambrish Chandra
Energies 2021, 14(9), 2650; https://doi.org/10.3390/en14092650 - 5 May 2021
Cited by 20 | Viewed by 4081
Abstract
This paper presents a novel single-phase (SP) active-neutral point clamped (ANPC) five-level bidirectional converter (FLBC) for enhancing the power quality (PQ) during the grid-to-vehicle (G2V) and vehicle-to-grid (V2G) operation of an electric vehicle (EV) charger connected in series. This EV charger is based [...] Read more.
This paper presents a novel single-phase (SP) active-neutral point clamped (ANPC) five-level bidirectional converter (FLBC) for enhancing the power quality (PQ) during the grid-to-vehicle (G2V) and vehicle-to-grid (V2G) operation of an electric vehicle (EV) charger connected in series. This EV charger is based on a dual-active half-bridge DC-DC converter (DAHBC) with a high frequency isolation transformer. Unlike the comparable ANPC topologies found in literature, the proposed one has two more switches, i.e., ten instead of eight. However, with the addition of these components, the proposed multilevel converter not only becomes capable of properly balancing the voltage of the DC-link split capacitors under various step-changing conditions but it achieves a better efficiency, a lower stress of the switching devices and a more even distribution of the power losses. The resulting grid-tied ANPC-SPFLBC and DAHBC are accurately controlled with a cascaded control strategy and a single-phase shift (SPS) control technique, respectively. The simulation results obtained with MATLAB-SimPowerSystems as well as the experimental results obtained in laboratory validate the proposed ANPC-SPFLBC for a set of exhaustive tests in both V2G and G2V modes. A detailed power quality analysis carried out with a Fluke 43B alike demonstrates the good performance of the proposed topology. Full article
(This article belongs to the Special Issue Grid-to-Vehicle (G2V) and Vehicle-to-Grid (V2G) Technologies 2021)
Show Figures

Figure 1

22 pages, 12345 KB  
Article
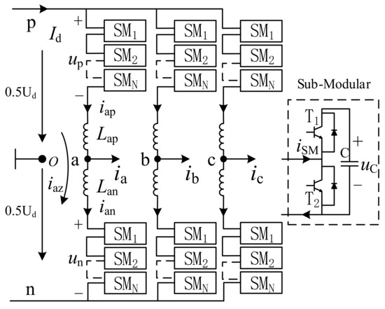
A Fault-Tolerant Control Strategy of Modular Multilevel Converter with Sub-Module Faults Based on Neutral Point Compound Shift
by Qinyue Zhu, Wei Dai, Lei Guan, Xitang Tan, Zhaoyang Li and Dabo Xie
Energies 2019, 12(5), 876; https://doi.org/10.3390/en12050876 - 6 Mar 2019
Cited by 7 | Viewed by 3711
Abstract
In view of the complex calculation and limited fault tolerance capability of existing neutral point shift control algorithms, this paper studies the fault-tolerant control method for sub-module faults in modular multilevel converters on the basis of neutral point compound shift control strategy. In [...] Read more.
In view of the complex calculation and limited fault tolerance capability of existing neutral point shift control algorithms, this paper studies the fault-tolerant control method for sub-module faults in modular multilevel converters on the basis of neutral point compound shift control strategy. In order to reduce the calculation complexity of shift parameters in the traditional strategy and simplify its implementation, an improved AC side phase voltage vector reconstruction method is proposed, achieving online real-time calculation of the modulation wave adjustment parameters of each phase required for fault-tolerant control. Based on this, a neutral point DC side shift control method is proposed to further improve the fault tolerance capability of the modular multilevel converter (MMC) system by compensating the fault phase voltage with non-fault phase voltage. By means of the compound shift control strategy of the DC side and AC side of the neutral point, an optimal neutral point position is selected to ensure that the MMC system output line voltage is symmetrical and the amplitude is as large as possible after fault-tolerant control. Finally, the effectiveness and feasibility of the proposed control strategy are verified by simulation and low-power MMC experimental system testing. Full article
Show Figures

Figure 1

25 pages, 16117 KB  
Article
Improved Neutral-Point Voltage-Shifting Strategy for Power Balancing in Cascaded NPC/H-Bridge Inverter
by Jin-Wook Kang, Seung-Wook Hyun, Jae-Ok Ha and Chung-Yuen Won
Electronics 2018, 7(9), 167; https://doi.org/10.3390/electronics7090167 - 29 Aug 2018
Cited by 11 | Viewed by 5809
Abstract
This paper investigates the fault-tolerance control of a multilevel cascaded NPC/H-bridge (CNHB) inverter. The fault-tolerance control method has been widely used for multilevel inverters, such as the neutral-point voltage-shifting control, which can operate for a certain period of time by compensating for the [...] Read more.
This paper investigates the fault-tolerance control of a multilevel cascaded NPC/H-bridge (CNHB) inverter. The fault-tolerance control method has been widely used for multilevel inverters, such as the neutral-point voltage-shifting control, which can operate for a certain period of time by compensating for the phase voltage of a faulty stack even if one stack is broken. Even though the three-phase equilibrium is maintained in the case of failure by using the conventional neutral-point voltage-shifting control, an imbalance in the output power occurs between each stack, which causes problems for maintenance and lifetime. Therefore, this paper proposes a fault-tolerance control that can maintain three-phase equilibrium in a case of stack failures and minimize power imbalances between the stacks. The problem of the conventional neutral-point voltage-shifting control is presented based on the output power. In addition, the power imbalance is improved by performing selective neutral-point voltage-shifting control according to the reference voltage range. To verify the principle and feasibility of the proposed neutral-point voltage-shifting control method, a simulation and an experiment are implemented with the CNHB inverter. Full article
(This article belongs to the Special Issue Renewable Electric Energy Systems)
Show Figures

Figure 1

24 pages, 7390 KB  
Article
On-Line Application of SHEM by Particle Swarm Optimization to Grid-Connected, Three-Phase, Two-Level VSCs with Variable DC Link Voltage
by Umut Güvengir, Işık Çadırcı and Muammer Ermiş
Electronics 2018, 7(8), 151; https://doi.org/10.3390/electronics7080151 - 20 Aug 2018
Cited by 5 | Viewed by 5958
Abstract
This paper is devoted to an otablen-line application of the selective harmonic elimination method (SHEM) to three-phase, two-level, grid-connected voltage source converters (VSCs) by particle swarm optimization (PSO). In such systems, active power can be controlled by the phase shift angle, and reactive [...] Read more.
This paper is devoted to an otablen-line application of the selective harmonic elimination method (SHEM) to three-phase, two-level, grid-connected voltage source converters (VSCs) by particle swarm optimization (PSO). In such systems, active power can be controlled by the phase shift angle, and reactive power by the modulation index, against variations in the direct current (DC) link voltage. Some selected, low-odd-order harmonic components in the line-to-neutral output voltage waveforms are eliminated by calculating the SHEM angle set continuously through the developed PSO algorithm on field-programmable gate array (FPGA)-based computing hardware as the modulation index is varied. The use of powerful computing hardware permits the elimination of all harmonics up to 50th. The cost function of the developed PSO algorithm is formulated by using an optimum number of particles to obtain a global optimum solution with a small fitness value in each half-cycle of the grid voltage and then updating the SHEM angle set at the beginning of the next full-cycle. Since the convergence of the solution to a global minimum point depends upon the use of correct initial values especially for a large number of SHEM angles, a generalized initialization procedure is also described in the paper. Theoretical results are verified initially using hardware co-simulation. They are also tested using a small scale photovoltaic (PV) supply prototype developed specifically for this purpose. It is demonstrated that the 5th, 7th, 11th, 13th, 17th, and 19th sidekick harmonics are eliminated by on-line calculation of seven SHEM angles through the developed PSO algorithm on a moderately powerful XEM6010-LX150, USB-2.0-integrated FPGA module. All control and protection actions and the calculation of SHEM angles are achieved by a single FPGA chip and its peripherals within the FPGA board. Full article
(This article belongs to the Special Issue Applications of Power Electronics)
Show Figures

Figure 1

16 pages, 3938 KB  
Article
Control Strategy of Single-Phase Three Level Neutral Point Clamped Cascaded Rectifier
by Xiaoqiong He, Xiaolan Lin, Xu Peng, Pengcheng Han, Zeliang Shu and Shibin Gao
Energies 2017, 10(5), 592; https://doi.org/10.3390/en10050592 - 28 Apr 2017
Cited by 10 | Viewed by 5107
Abstract
Single-phase 3-level neutral point clamped cascaded rectifier (3LNPC-CR) has been successfully made its way into traction drive system as a high-voltage traction converter. In this passage, the control issue of the 3LNPC-CR is considered. A transient current control strategy, combined with proportional integral [...] Read more.
Single-phase 3-level neutral point clamped cascaded rectifier (3LNPC-CR) has been successfully made its way into traction drive system as a high-voltage traction converter. In this passage, the control issue of the 3LNPC-CR is considered. A transient current control strategy, combined with proportional integral (PI) controllers, is adopted to achieve unity power factor, satisfactory sinusoidal grid current, regulated overall dc voltage, and even efficient voltage balance between each module. Besides, with regard to the instinct voltage fluctuation problem among dc-link capacitors in one 3-level neutral point clamped (3LNPC) rectifier module, a phase shift carrier space vector pulse width modulation (PSC-SVPWM) worked along with a reasonable redundancy selection scheme is addressed. In addition, two auxiliary balancing circuits for a single-phase 3LNPC rectifier is proposed. The voltage balancing capacity of these internal-module balancing schemes are analyzed and compared. Finally, the control performance of these proposed strategies are verified by simulations and experiments. Full article
(This article belongs to the Special Issue Power Electronics in Power Quality)
Show Figures

Figure 1

15 pages, 1981 KB  
Article
A Traction Three-Phase to Single-Phase Cascade Converter Substation in an Advanced Traction Power Supply System
by Xiaoqiong He, Aiping Guo, Xu Peng, Yingying Zhou, Zhanghai Shi and Zeliang Shu
Energies 2015, 8(9), 9915-9929; https://doi.org/10.3390/en8099915 - 11 Sep 2015
Cited by 40 | Viewed by 10466
Abstract
The advanced traction power supply system (ATPSS) is a new directional development for traction power supply systems, which can totally remove the neutral sections and effectively promote power quality. However, the existing converters suffer from small substation capacity. In this paper, a new [...] Read more.
The advanced traction power supply system (ATPSS) is a new directional development for traction power supply systems, which can totally remove the neutral sections and effectively promote power quality. However, the existing converters suffer from small substation capacity. In this paper, a new configuration based on a three-level neutral point clamped (3L-NPC) three-phase to single-phase cascade converter in a substation is proposed for ATPSS, which can be used to match the capacity of the converter for high voltage and large power applications. The control strategy of the proposed converter is analyzed in depth, and the phase disposition sinusoidal pulse width modulation (PD-SPWM) with phase shift carrier SPWM (PSC-SPWM) is employed in the inverters. Then, the inductance equalizing circuit is applied for the voltage balance on the DC-link. Besides, a LC filter circuit is designed to eliminate the double line-frequency ripple of DC voltage. Afterwards, a simulation model and an experimental prototype are developed, respectively. The simulation results show that the proposed converter in this paper can not only meet the requirements of voltage and capacity for the traction network, but also improve power quality. Finally, the experimental results verify the correctness and feasibility of the proposed control strategy. Full article
Show Figures

Figure 1

22 pages, 1200 KB  
Article
Analysis of a Multilevel Dual Active Bridge (ML-DAB) DC-DC Converter Using Symmetric Modulation
by M. A. Moonem, C. L. Pechacek, R. Hernandez and H. Krishnaswami
Electronics 2015, 4(2), 239-260; https://doi.org/10.3390/electronics4020239 - 20 Apr 2015
Cited by 49 | Viewed by 17641
Abstract
Dual active bridge (DAB) converters have been popular in high voltage, low and medium power DC-DC applications, as well as an intermediate high frequency link in solid state transformers. In this paper, a multilevel DAB (ML-DAB) has been proposed in which two active [...] Read more.
Dual active bridge (DAB) converters have been popular in high voltage, low and medium power DC-DC applications, as well as an intermediate high frequency link in solid state transformers. In this paper, a multilevel DAB (ML-DAB) has been proposed in which two active bridges produce two-level (2L)-5L, 5L-2L and 3L-5L voltage waveforms across the high frequency transformer. The proposed ML-DAB has the advantage of being used in high step-up/down converters, which deal with higher voltages, as compared to conventional two-level DABs. A three-level neutral point diode clamped (NPC) topology has been used in the high voltage bridge, which enables the semiconductor switches to be operated within a higher voltage range without the need for cascaded bridges or multiple two-level DAB converters. A symmetric modulation scheme, based on the least number of angular parameters rather than the duty-ratio, has been proposed for a different combination of bridge voltages. This ML-DAB is also suitable for maximum power point tracking (MPPT) control in photovoltaic applications. Steady-state analysis of the converter with symmetric phase-shift modulation is presented and verified using simulation and hardware experiments. Full article
(This article belongs to the Special Issue Multi-Level Converters)
Show Figures

Graphical abstract

Back to TopTop