Next Article in Journal
Time Domain Simulated Characterization of the Coplanar Waveguide in an On-Chip System for Millimeter Waveform Metrology
Next Article in Special Issue
Energy Management in a Renewable-Based Microgrid Using a Model Predictive Control Method for Electrical Energy Storage Devices
Previous Article in Journal
Lightweight 2D Human Pose Estimation Based on Joint Channel Coordinate Attention Mechanism
Previous Article in Special Issue
Evaluating the Role of Integrated Photovoltaic and Energy Storage Systems in the Net-Zero Transition: A Case Study in Taiwan
 
 
Font Type:
Arial Georgia Verdana
Font Size:
Aa Aa Aa
Line Spacing:
Column Width:
Background:
Article

A Hybrid Active Damping Strategy for Improving the Adaptability of LCL Converter in Weak Grid

1
College of Information Engineering, Henan University of Science and Technology, Luoyang 471023, China
2
Henan Engineering Laboratory of Power Electronic Devices and Systems, Luoyang 471023, China
3
China Railway Engineering Equipment Group Co., Ltd., Zhengzhou 450016, China
*
Author to whom correspondence should be addressed.
Electronics 2024, 13(1), 144; https://doi.org/10.3390/electronics13010144
Submission received: 5 November 2023 / Revised: 8 December 2023 / Accepted: 25 December 2023 / Published: 28 December 2023

Abstract

:
In a weak grid, the line impedance variation will cause the resonant frequency of the LCL filter to shift towards lower frequencies, thus reducing the quality of the grid-connected current and affecting the power grid stability. To solve this problem, a hybrid active damping strategy with feedforward compensation is proposed for the neutral point clamped (NPC) LCL grid-connected inverter system. In order to reshape the output conductance of the grid-connected system, suppress the resonance spikes of the LCL filter and improve the adaptability of the grid-connected system to the weak grid. A first-order low-pass filter is designed in the grid-connected current loop, and an active damping control of grid-connected current based on a first-order high-pass filter is also proposed. Compared with the conventional capacitive current active damping, no additional sensors are required, and the use of a differential is avoided, which reduces the high-frequency noise. The use of passive resistors is reduced, which reduces the power loss of the grid-connected system. In addition, a point of common coupling (PCC) voltage feedforward strategy based on a low-pass filter is designed to suppress the background higher harmonics at PCC and improve the quality of grid-connected current. In this work, the robustness of the system is analyzed when the parameters of the LCL filter change. Finally, the virtual space vector modulation strategy is used to balance the neutral voltage of the DC bus. Simulation and experimental results show that the control strategy can effectively improve the adaptability of the system to the weak power grid, improve the quality of grid-connected current, and demonstrate strong stability. The THD can be decreased by 0.2% at least, and the improvements are more significant with larger line impedance; the THD is only 2.33% even at 10 mH line impedance.

1. Introduction

Considering the non-renewable nature of traditional fossil fuels, it is imperative to develop energy systems in the direction of renewable energy [1]. With the proportion of renewable energy generation rapidly increasing, its grid-connected mode has changed from local grid-connected to centralized and distributed in multiple regions; the intermittent output of renewable energy begins to have an impact on the overall operation of the power grid, the stability problem between units and units, and between units and the power grid is more complicated [2]. Grid-connected inverters play a crucial role as interfaces between new energy generation systems and the grid [3]. However, the distributed power generation systems being scattered across various locations, coupled with long-distance transmission lines and a large number of transformer units, result in the grid-connected system exhibiting the characteristics of a weak grid with a low short circuit ratio [4]. The stability of the grid-connected inverter is heavily affected by the grid impedance under the weak grid condition [5].
The inverter circuit can only produce step waves directly, which requires filtering to integrate into the grid. The capacitance of the LC filter is directly connected in parallel at both ends of the grid voltage, which is equivalent to a capacitive load, which increases the difficulty of control. Compared with the L-type filter, the LCL filter has a lower cost and better high-frequency attenuation [6,7,8,9]. However, the LCL filter is a third-order underdamped system, which has a resonant peak at the resonant frequency. Additionally, the impedance of the power grid under weak grid conditions affects the frequency characteristics of the LCL filter, compromising the system’s stability [10,11]. Typically, resonance suppression strategies for LCL filters include passive damping and active damping [12,13,14]. Although passive damping can effectively suppress the resonant peak of LCL, it increases the number of passive components, resulting in increased power consumption and introducing additional factors of system instability [15]. Therefore, active damping is usually preferred to suppress the resonant peak [16,17,18].
Literature [19] utilizes the filter capacitor current as the state variable and develops an active damping method to expand the effective damping area to improve grid stability. However, this method requires additional current sensors. Literature [20] proposed a capacitive current proportional feedback active damping, which effectively suppresses LCL resonance but does not consider weak grid conditions. Literature [21] proposed a capacitive current proportional feedback active damping with phase compensation, which has a good effect on the small range change of grid impedance. One study [22] uses the grid-connected current as the feedback variable and active damping in the form of differentiation to enhance the grid-connection effect. Nevertheless, this may amplify high-frequency noise, and the approximation error in the differential link implementation weakens the damping effect to some degree. Another study [23] incorporates a high-pass filter (HPF) in the grid-connected current feedback loop to construct a virtual impedance in parallel with the grid inductance to suppress the resonant peak, but it does not explore the grid connection control effect under weak grid conditions. Another study [24] proposes a hybrid damping control strategy that reduces the use of sensors and enhances the system’s adaptability to weak grids. However, the use of passive devices increases the system’s power loss.
In view of the existence of resonant spikes in the LCL filter, the grid impedance will affect the resonant frequency of the LCL, which leads to the instability of the grid-connected system, especially in the weak grid. Considering the inherent neutral point potential balance problem of the NPC inverter, a hybrid active damping strategy is proposed to improve the adaptability of the LCL converter in a weak grid. This work has the following features:
(1)
Compared with the capacitive current active damping, the additional current sensor is eliminated, and the factors that may affect the system instability are reduced.
(2)
Active damping of grid-connected current based on first-order HPF is adopted, and the use of the difference term is avoided, thus avoiding the error and high-frequency noise caused by the difference term.
(3)
By avoiding the use of passive resistance, the adaptability of the grid-connected system to the weak grid is further improved, the quality of the grid-connected current is improved, and the system has high robustness.
The paper is structured as follows: Section 2 presents a discussion of the mathematical model and the original control strategy of the NPC grid-connected inverter system. Section 3 proposes an improved active damping control strategy. Section 4 discusses the neutral point potential balance strategy. Section 5 gives the simulation and experimental results. Section 6 summarizes the work.

2. System Mathematical Model and Stability Analysis

The NPC three-level inverter has been widely applied in the field of renewable energy, such as in solar power generation, wind power generation, and micro grid systems, due to its advantages of reducing harmonic content, improving energy conversion efficiency, high power application capability, reducing voltage stress, and strong adaptability. It enables efficient conversion and integration of renewable energy, promoting the utilization of renewable energy and the sustainable development of power systems.

2.1. Mathematical Model of Three-Phase NPC LCL Grid-Connected Inverter

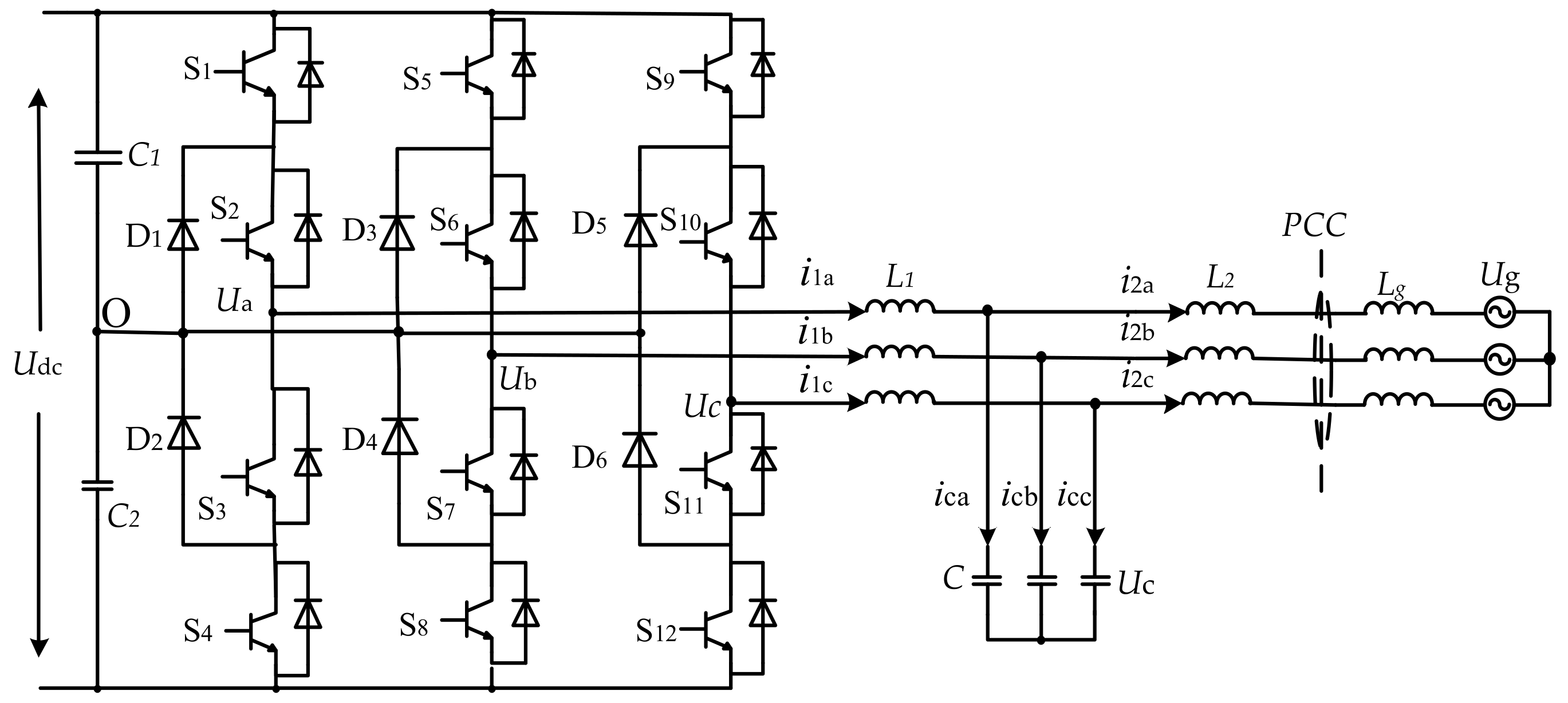
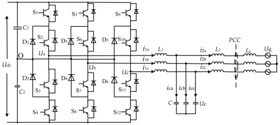
The main circuit of a three-phase, NPC-type LCL grid-connected inverter is illustrated in Figure 1. The inverter features two clamping diodes and four IGBTs per bridge arm. The DC-side voltage-dividing capacitors, C1 and C2, are connected to point O at the midpoint of the clamping diodes, halving the DC-side voltage Udc of each IGBT when it is switched off. The LCL filter comprises the inductance L1, the filter capacitor C, and the grid-side inductance L2. The inverter output current is denoted by i1x (x = a, b, c), the grid-connected current is represented by i2x, the capacitor current is expressed as iCx, the inverter output voltage is indicated by Ux, the capacitor voltage is denoted by Ucx, and the grid voltage is represented by Ugx. Typically, the grid impedance comprises both resistive and inductive components. This paper focuses on analyzing the stability of the grid-connected system by considering solely the presence of an inductive component, Lg, as the inclusion of a resistive component is known to contribute to the system’s stability.
The mathematical model for three-phase, NPC-type LCL grid-connected inverter can be represented as Equation (1) in a three-phase stationary coordinate system.
U x = U c x + L 1 d i 1 d t U c x = U g x + ( L 2 + L g ) d i 2 d t i 1 x = i 2 x + C d U c x d t
The mathematical model in the s-domain of a two-phase stationary coordinate system can be obtained by applying the Clarke transformation and Laplace transformation to Equation (1), as depicted in Equation (2).
U α β ( s ) = U C _ α β ( s ) + s L 1 i 1 _ α β ( s ) U C _ α β ( s ) = U g _ α β ( s ) + s ( L 2 + L g ) i 2 _ α β ( s ) i 1 _ α β ( s ) = i 2 _ α β ( s ) + s C U c _ α β ( s )

2.2. System Stability Analysis

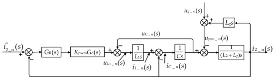
To facilitate analysis and research, the three-phase grid-connected inverter is transformed from the d q coordinate system to the αβ stationary coordinate system. This transformation is necessary due to the coupling inherent in the former. Based on Figure 1 and Equation (2), the control block diagram in the α coordinate axis of the inverter can be obtained, as shown in Figure 2, taking the α coordinate axis as an example.
As shown in Figure 2, i*2_α(s) represents the given reference current; ug_α(s) represents the grid-connected voltage of α-axis; upcc_α(s) is the common coupling point voltage of the α-axis; uc_α(s) denotes the filter capacitor voltage of the α-axis; Kpwm is the modulation gain of the inverter, which is Udc/Utri, where Utri is the amplitude of the triangular carrier wave; Gd(s) represents the delay caused by digital computation and modulation signals, which is typically 1.5 sampling periods and can be expressed as Equation (3), and perform Padè approximation; GR(s) is the quasi-proportional resonance (QPR) controller for current loop quasi-proportional tracking in the αβ coordinate system, the QPR controller has better tracking performance compared to the PI controller. It has a higher gain at the fundamental frequency and provides some suppression effect on high-frequency harmonics. Its transfer function is given by Equation (4).
G d ( s ) = e 1.5 T s 1 0.75 T s s 1 + 0.75 T s s
G R ( s ) = K p + 2 K r ω c s s 2 + 2 ω c s + ω 0 2
where, Kp is the proportional coefficient of GR(s); Kr is the resonant coefficient; ω0 is the fundamental angular frequency, where ω0 = 2πf0 and f0 is the fundamental frequency; ωc is the cut-off bandwidth of the QPR controller; Ts is the sampling period.
In order to solve the instability of the grid-connected system caused by grid impedance. Scholars are more inclined to adopt active damping control than passive damping control. In some articles, the phase margin of the system is improved by adding a phase compensation link to the control loop of the grid-connected inverter. However, most of the phase compensation links are advanced links, which will amplify the high-frequency harmonics in the loop. In some articles, suppressing resonance based on adaptive filtering is proposed, but the algorithm process is cumbersome and is not conducive to practical engineering applications. The active damping control based on the filter suppresses the resonance, obviously, and the process is simple and easy to implement.
In reference [24], a hybrid damping control strategy that integrates active damping and passive damping was proposed. The grid current control loops the addition of a low-pass filter (LPF), with the voltage at the common coupling point utilized as voltage feedforward through the LPF. Furthermore, a passive damping resistor R is connected in series with the filter capacitor. The control block diagram of the system is depicted in Figure 3.
In Figure 3, Gf(s) and Gs(s) are first-order LPF, and the filtering effect is achieved by reducing the amplitude of high-frequency signals. Properly designing the parameters enables the smoothing of the input signal and the removal of high-frequency noise, and their transfer functions are given by Equation (5). The open-loop transfer function of the system is given by Equation (6).
G f ( s ) = G s ( s ) = 1 n 1 s + 1
G o ( s ) = i 2 _ α ( s ) i * 2 _ α ( s ) = ( R C s + 1 ) K pwm G R ( s ) G d ( s ) B 1 s 3 + ( B 2 B 3 ) ( R C s 2 + s )
where, n1 is the tuning parameter, and a value of n1 = 4 × 10−5 is used in the paper. B1 = L1(L2 + Lg) C, B2 = L1 + L2 + Lg, and B3 = LgGf(s)Gd(s).
According to Equation (5), in order to verify the stability of the system under different grid-side line impedances, the open-loop frequency response Bode diagram of the system is plotted, as shown in Figure 4. It can be seen from the figure that as the grid line impedance gradually increases, the phase margin (PM) of the system decreases while the gain margin (GM) changes less. When Lg = 9 mH, the system phase margin is only 19.4°, which does not meet the engineering application requirements. In addition, the passive component R increases the power loss in the system, so optimization of this control strategy is necessary.

3. Hybrid Active Damping Control Strategy with Feedforward Compensation

The active capacitor current damping method is commonly used to suppress the LCL resonance peak. However, to avoid the additional use of current sensors, a grid current active damping method is proposed. Figure 5 illustrates the system block diagram of the active grid current damping method, where the proportional feedback factor is represented by KAD.
Differentiation will amplify high-frequency noise in practical applications, which is not conducive to grid-connected control, and achieving the ideal differentiation is also difficult. Additionally, the approximation error weakens the damping effect. To enhance system stability margin and adaptability to weak grids, a hybrid active damping control strategy with feedforward compensation is proposed in this paper to address the issues associated with differentiation. A first-order LPF is incorporated into the current loop to reshape the output admittance and enhance the system stability margin. Active damping based on the first-order HPF feedback of the grid current replaces the differentiation variable in the active grid current damping method to suppress the resonance peak of the LCL filter. Furthermore, the voltage at the common coupling point is utilized as feedforward compensation through a first-order LPF to improve the grid-connected current quality of the system. Figure 6 illustrates the system structure further.
In Figure 6, GHPF(s) is a first-order HPF; by properly designing the parameters, high-frequency components can be extracted to construct the damping component with a transfer function given by Equation (7). The open-loop transfer function of the system is given by Equation (8). It can be seen that it is a fourth-order model, which has a better suppression effect on high-frequency components.
G HPF ( s ) = K h s s + ω h
G o ( s ) = K pwm G R ( s ) G d ( s ) ( s + ω h ) A 1 ( s 4 + ω h s 3 ) + ( B 2 B 3 ) ( s 2 + ω h s ) + A 2 s
In the equations, A1 = L1(L2 + Lg)C, A2 = KhGd(s), B2 = L1 + L2 + Lg, and B3 = LgGf(s)Gd(s); Kh and ωh are the parameters of the HPF, and their relationship must satisfy Equation (9).
K h = ω ref ( L 1 + L 2 ) ( 2 k 2 ) 1 k 2 ω h = 2 ω ref 1 k 2
The value of k ranges from 0.8 to 0.9, and a value of k = 0.85 is used. ωref is the open-loop resonant angular frequency, which can be obtained from Equation (10):
ω ref = 2 π f ref = L 1 + L 2 + L g L 1 ( L 2 + L g ) C
Combining Equations (9) and (10), we can obtain Kh = 7 and ωh = 3500.
To evaluate the effectiveness of the proposed control strategy, the open-loop frequency response of the system is analyzed under different grid line impedances. As demonstrated in Figure 7, the system’s phase margin improves to varying degrees after implementing the proposed strategy. Even with a grid-side line impedance of 9 mH, the system gain margin is 8.7 dB, and the phase margin is 35.1°, meeting the requirements of system stability and engineering applications. In comparison to the hybrid damping strategy, the proposed approach notably enhances the system’s phase margin and stability.
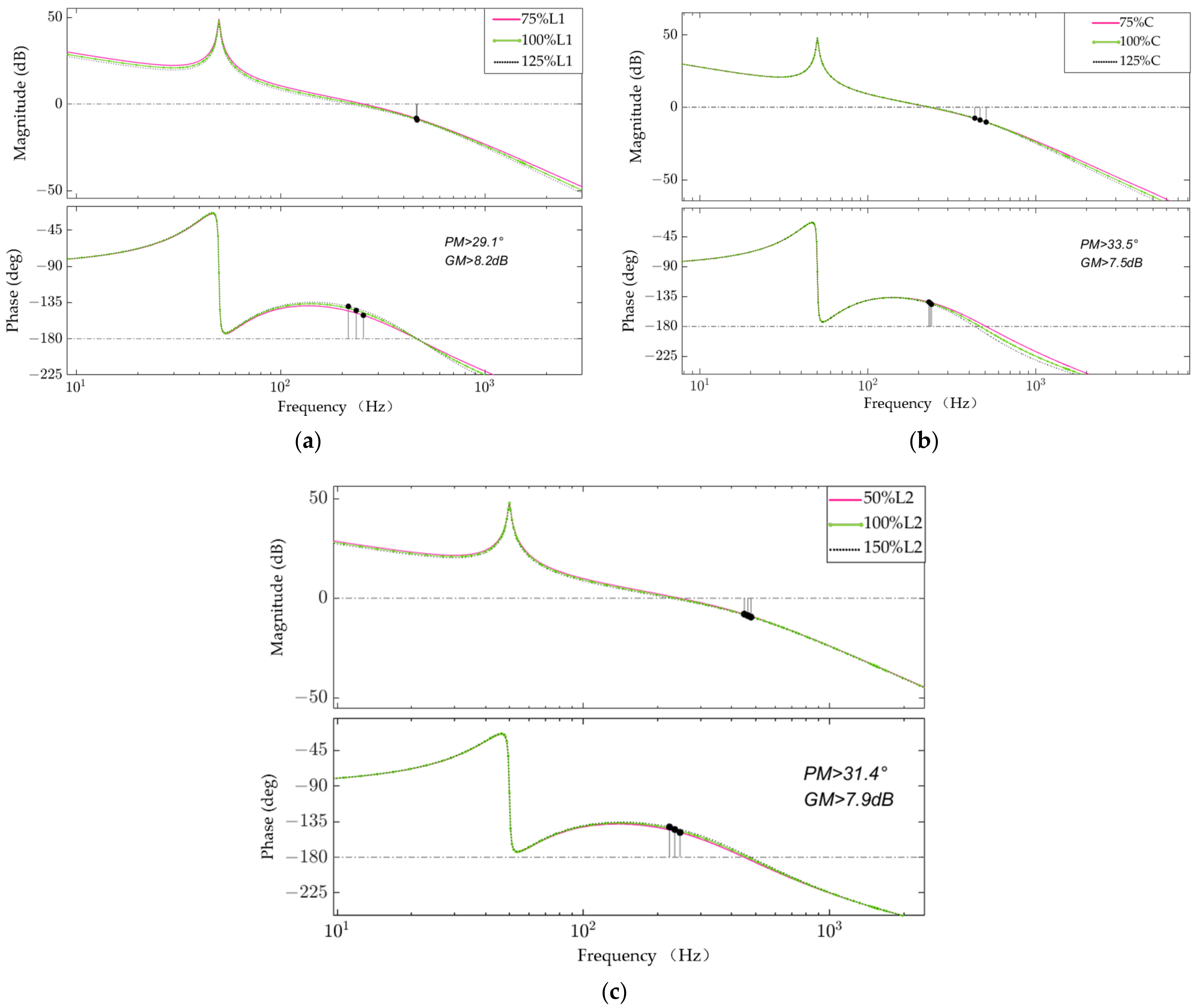
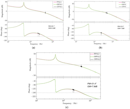
In practical operation, LCL filter parameters may change. To verify the system’s robustness under LCL parameter variations, open-loop Bode diagrams of the system are plotted for different LCL filter parameter variations under a grid line impedance with poor grid connection conditions (Lg = 9 mH), as illustrated in Figure 8.
Figure 8 reveals that the system’s stability can be maintained even when the parameters of the LCL filter components change, and both the phase margin and gain margin have good margins. These results demonstrate that the proposed hybrid active damping system with feedforward compensation exhibits robust stability.

4. Neutral-Point Potential Balancing Strategy

In order to test the grid-connected control effect of the hybrid active damping strategy with feedforward compensation under weak grid conditions, a grid-connected controller is designed. However, the fluctuation of DC-side neutral-point potential is an inherent issue in NPC inverters, and a deviation in the neutral-point potential can increase the switch stress and decrease the lifespan of power devices. Furthermore, it can elevate high-order harmonics in the inverter’s output voltage, which can affect the quality of the grid-connected current. To mitigate this problem, the virtual space vector pulse width modulation (VSVPWM) technique is utilized in this study for the purpose of controlling the neutral-point potential.
Figure 9 illustrates the classification of vectors into 3 zero vectors, 12 small vectors, 6 medium vectors, and 6 large vectors based on their length. The zero vectors (PPP, NNN, OOO) and large vectors (PNN, PPN, NPN, NPP, NNP, PNN) do not affect the neutral-point potential, while the medium and small vectors can produce fluctuations in the neutral-point potential. Table 1 shows the midpoint current generated by the medium and small vectors.
The virtual space vector pulse width modulation (VSVPWM) technique creates a virtual vector by combining small and medium vectors, which ensures that the average current flowing into and out of the DC bus midpoint is zero within one control cycle, thereby balancing the neutral-point potential. Figure 10 depicts the distribution of virtual space vectors for VSVPWM in the Sector I, which can be divided into five sub-sectors represented by 1, 2, 3, 4, and 5 respectively, and Equation (11) represents the synthesis rule. The synthesis rules for the other sectors are identical.
V Z = V O ( OOO ) V ZS 1 = 1 2 ( V S 1 ( ONN ) + V S 1 ( POO ) ) V ZS 2 = 1 2 ( V S 2 ( PPO ) + V S 2 ( OON ) ) V ZM = 1 3 ( V S 1 ( ONN ) + V M ( PON ) + V S 2 ( PPO ) ) V ZL 1 = V L 1 ( PNN ) V ZL 2 = V L 2 ( PPN )
VSVPWM technique utilizes virtual vectors that are synthesized from the combinations of small and medium vectors to achieve neutral-point potential balancing. In this context, VO(OOO) is a basic zero vector, VS1(ONN), VS1(POO), VS2(PPO), and VS2(OON) are two pairs of redundant basic small vectors, VM(PON) represent a basic middle vector, VL1(PNN) and VL2(PPN) represent a basic large vector. VZ denotes the virtual zero vector, VZS1 and VZS2 represent the virtual small vectors, VZM denotes the virtual medium vector, and VZL1 and VZL2 represent the virtual large vectors. Specifically, the virtual small vector is composed of two pairs of redundant basic small vectors. By controlling the action time of the two redundant vectors, the average current flowing into the midpoint potential of the bus is 0, which avoids the influence on the midpoint potential. The action time of the three space voltage vectors in the virtual is the same. Due to the three-phase three-wire structure, the current flowing into the midpoint potential of the bus is ia + ib + ic = 0 to avoid the midpoint potential fluctuation; the action of the virtual large vector will not affect the midpoint potential; VSVPWM achieves the balance of the midpoint potential by controlling that the average value of the midpoint potential current of the inflow and outflow bus bar in each modulation period is zero.

5. Simulation and Experimental Results Analysis

5.1. Analysis of Simulation Results

To confirm the accuracy of the theoretical analysis mentioned earlier and evaluate the efficacy of the proposed control strategy, a system model was constructed in MATLAB/Simulink (2021a), as depicted in Figure 11. The system parameters can be found in Table 2.
Figure 12 shows the grid current waveform when the system is in a stable state during Lg = 4.2 mH. After adopting the hybrid damping control strategy proposed in reference [24], the total harmonic distortion (THD) of grid-connected current is 1.23%, which improves the quality of grid-connected current under a weak power grid. In addition, by adding the damper control strategy proposed in this paper, the THD of grid-connected current is further reduced to 1.03%. Because the impedance of the network side is not very high, the characteristics of the weak network are not strong enough. The two damping strategies proposed in reference [24] and in this study ensure the stable operation of the grid-connected system, and the vibration reduction strategy proposed in this paper slightly improves the quality of the grid-connected current.
To further verify the effectiveness of this strategy in a weak grid, Figure 13 shows the grid current waveforms of the system when the grid impedance Lg increases to 8 mH. With the increase in grid impedance, the hybrid damping strategy proposed in reference [24] can stabilize the grid-connected system. However, this stability comes at the expense of reducing the current quality of the grid, with a total harmonic distortion (THD) of 2.67%. On the contrary, the feedforward compensation hybrid active damper proposed in this paper maintains a low THD level (1.33%) and reduces THD by 1.34%, which effectively improves the quality of grid current.
With the increase in the grid impedance (Lg = 10 mH), The harmonic of the grid current increases in the hybrid vibration control system of Reference [24], and the quality of the grid-connected current is seriously distorted, which leads to the unstable operation of the grid-connected system, as shown in Figure 14. However, the proposed damping control strategy can still have good grid-connected current quality, and the total harmonic distortion (THD) is only 2.33%, which can ensure the stability of the grid-connected system.
The simulation results show that the greater the grid impedance is, the worse the grid characteristics are, the worse the grid-connected condition of the inverter is, and the worse the current quality is. The coupling point voltage feedforward of grid-connected current and the control strategy of the hybrid active damper are adopted to make the system operate stably in different degrees of the weak grid while maintaining a good sinusoidal waveform. With the increase in the line impedance, the total harmonic distortion rate of grid-connected current can still be kept at a low level. Therefore, the proposed control strategy can effectively enhance the stability and adaptability of the system to weak grid scenarios.

5.2. Analysis of Experimental Results

In order to validate the accuracy and efficacy of the proposed control strategy in this paper, a three-phase bridge grid-tied inverter experimental platform that corresponds to the proposed strategy was constructed in the laboratory. The experimental parameters are consistent with the simulation parameters. The back-stage LCL filter of the test bed is connected to the power grid through auto-transformer, isolation-transformer, and line impedance (Lg). The ratio of the auto-transformer is 380 to 150. The complete experimental prototype is depicted in Figure 15.
The experimental setup comprises a programmable DC power supply from German EA company (EA-PSI 9500-60, Viersen, Germany), an NPC three-level inverter (YXPHM-TP310b-I) produced by Nanjing Yanxu Electric Co. Ltd. in Nanjing, China with signal detection and drive systems, an LCL filter, a grid-connected transformer, a rapid controller prototyping (RCP) of YXSPACE-10 produced by Nanjing Yanxu Electric Co. Ltd. in China, and a host computer. Prominent testing instruments include a Fluke 190-204S oscilloscope and a Fluke 435 II power quality analyzer produced by Fluke Corporation in Everett, WA, USA. Simulation analysis is carried out by constructing system models and controllers in the MATLAB/Simulink (2021a) environment on the host computer. The real-time control of the inverter is achieved using the RCP prototype controller, based on the results of the simulation analysis, to verify the practical effectiveness of the proposed algorithm. In order to simulate the grid impedance (Lg), a specific value of inductance is connected in series on the grid side.
The comparison between Figure 16 and Figure 17 shows that the experimental waveform confirms the effectiveness of the proposed control strategy. Figure 16 shows that in the absence of grid impedance, the two control strategies show stable operation and low harmonics, indicating that they meet the requirements of grid connection under the condition of a strong power grid. Figure 17a shows that when Lg = 4.2 mH and the hybrid damping strategy of Ref. [24] are adopted, the harmonic component of the grid current increases. However, the improved control strategy, as shown in Figure 17b, effectively reduces the harmonic component by 1.1% compared with the previous control system. The improved control strategy significantly improves the current quality of the power grid, thus expanding the scope of application of the weak power grid, enhancing the stability of the system, and improving the ability to suppress harmonics.

6. Conclusions

In order to solve the problem of resonant frequency deviation caused by grid impedance in an LCL grid-connected inverter system under the condition of a weak power grid, reduce the robustness of the system, and affect the stability of the grid connection, a hybrid active damping strategy with feedforward compensation is proposed. We design a hybrid active damping strategy with grid-connected current as a state variable to suppress the resonant peak of the LCL filter. Compared with the traditional capacitive current active damping method, this method does not need additional current sensors. In order to further improve the stability margin of the system and improve the adaptability of the system to the grid impedance (PM relative increase of about 15°), a first-order LPF is designed in the current loop, and a coupling point voltage feedforward strategy through HPF is adopted. Compared with the hybrid damping control strategy, this control strategy reduces the use of passive resistors, thus reducing the power loss of the system. In addition, under the control strategy of this paper, good current quality can be maintained even under the larger grid impedance. Simulation and experimental results verify the effectiveness of the control strategy and improve the current quality of the power grid; when the grid impedance is low, the current exhibits a favorable total harmonic distortion (THD) level of less than 1.5%. Even as the impedance increases, the current is still able to maintain a satisfactory THD level of less than 2.5%, which enhances the adaptability of the system within the weak power grid and has strong, robust stability (PM remained stable at about 30°). In future research, it is necessary to address the challenges posed by unbalanced power grids, as they can lead to significant detrimental effects. Future investigations should focus on studying unbalanced, weak power grids to mitigate their impact. Furthermore, the parameter identification module can be further integrated to enable real-time detection of grid impedance while dynamic adjustment of filter parameters to enhance grid-connected performance.

Author Contributions

Conceptualization, J.H. and P.Z.; Formal analysis, J.H. and Y.Z.; Funding acquisition, J.H.; Investigation, Y.Z.; Methodology, J.H. and Y.Z.; Software, Y.Z.; Resources, P.Z.; Supervision, J.H.; Validation, J.W.; Visualization, J.W.; Writing—original draft, Y.Z.; Writing—review & editing, Y.Z., J.H., P.Z. and J.W. All authors have read and agreed to the published version of the manuscript.

Funding

This research was funded by the National Nature Science Foundation of China, grant number U1504617, and University-Industry Collaborative Education Program, China, grant number 202101222007.

Data Availability Statement

All data generated or analyzed during this study are included in this published article.

Conflicts of Interest

The funding sponsors had no role in the design of the study; in the collection, analyses, or interpretation of data; in the writing of the manuscript, and in the decision to publish the results. The author Peng Zhang is an engineer in China Railway Engineering Equipment Group Co., Ltd., China, and has no potential commercial interests. The authors declare no conflicts of interest.

References

  1. Wu, Q.H.; Bose, A.; Singh, C.; Chow, J.H.; Mu, G.; Sun, Y.Z.; Liu, Z.X.; Li, Z.G.; Liu, Y. Control and Stability of Large-scale Power System with Highly Distributed Renewable Energy Generation: Viewpoints from Six Aspects. CSEE J. Power Energy Syst. 2023, 9, 8–14. [Google Scholar]
  2. Shah, H.; Chakravorty, J.; Chothani, N.G. Protection Challenges and Mitigation Techniques of Power Grid Integrated to Renewable Energy Sources: A Review. Energy Sources Part A Recovery Util. Environ. Eff. 2023, 45, 4195–4210. [Google Scholar] [CrossRef]
  3. Blaabjerg, F.; Teodorescu, R.; Liserre, M.; Timbus, A.V. Overview of Control and Grid Synchronization for Distributed Power Generation Systems. IEEE Trans. Ind. Electron. 2006, 53, 1398–1409. [Google Scholar] [CrossRef]
  4. Gupta, B.K.; Sekhar, K.R. A Current Controller Gain Characterization of Weak Grid Coupled Solar Inverter Through Impedance Interaction Modeling. IEEE Trans. Ind. Electron. 2023, 7, 2520–2530. [Google Scholar] [CrossRef]
  5. Lin, Z.; Ruan, X.; Zhang, H.; Wu, L. A Generalized Real-time Computation Method with Dual-sampling Mode to Eliminate the Computation Delay in Digitally Controlled Inverters. IEEE Trans. Power Electron. 2022, 37, 5186–8195. [Google Scholar] [CrossRef]
  6. Li, S.Q.; Zhou, S.S.; Li, H.P. Harmonic Suppression Strategy of LCL Grid-Connected PV Inverter Based on Adaptive QPR_PC Control. Electronics 2023, 12, 2282. [Google Scholar] [CrossRef]
  7. Xu, J.M.; Xie, S.J. LCL-resonance Damping Strategies for Grid-connected Inverters with LCL Filters: A Comprehensive Review. J. Mod. Power Syst. Clean Energy 2018, 6, 292–305. [Google Scholar] [CrossRef]
  8. Yang, L.; Yang, J.; Gao, M.; Watson, A.; Wheeler, P. Current Control of LCL-type Shunt APFs: Damping Characteristics, Stability Analysis, and Robust Design Against Grid Impedance Variation. IEEE J. Emerg. Sel. Topics Power Electron. 2021, 9, 5026–5042. [Google Scholar] [CrossRef]
  9. Radwan, A.A.A.; Mohamed, Y.A.-R.-I. Grid-connected Wind-solar Cogeneration Using Back-to-back Voltage-source Converters. IEEE Trans. Sustain. Energy 2020, 11, 315–325. [Google Scholar] [CrossRef]
  10. Li, X.; Lin, H. A Design Method of Phase-locked Loop for Grid-connected Converters Considering the Influence of Current Loops in Weak Grid. IEEE J. Emerg. Sel. Topics Power Electron. 2020, 8, 2420–2429. [Google Scholar] [CrossRef]
  11. Zeng, C.B.; Wang, H.W.; Miao, H. Grid-Voltage-Feedback Active Damping with Lead Compensation for LCL-Type Inverter Connected to Weak Grid. IEEE Access 2021, 9, 106813–106823. [Google Scholar] [CrossRef]
  12. Yang, Z.; Shah, C.; Chen, T.; Teichrib, J.; De Doncker, R.W. Virtual Damping Control Design of Three-phase Grid-tied PV Inverters for Passivity Enhancement. IEEE Trans. Power Electron. 2021, 36, 6251–6264. [Google Scholar] [CrossRef]
  13. Huang, X.; Wang, K.; Fan, B.; Yang, Q.; Li, G.; Xie, D.; Crow, M.L. Robust Current Control of Grid-tied Inverters for Renewable Energy Integration under Non-Ideal Grid Conditions. IEEE Trans. Sustain. Energy 2020, 11, 477–488. [Google Scholar] [CrossRef]
  14. Yang, L.; He, X.; Zhang, P.; Liu, S. Control Scheme and Performance Analysis of Dual-frequency Single-phase Grid-connected Inverter Interfaced with Weak and Distorted Grids. IEEE Access 2020, 8, 178639–178650. [Google Scholar] [CrossRef]
  15. Peña-Alzola, R.; Liserre, M.; Blaabjerg, F.; Sebastián, R.; Dannehl, J.; Fuchs, F.W. Analysis of the Passive Damping Losses in LCL-Filter-Based Grid Converters. IEEE Trans. Power Electron. 2013, 28, 2642–2646. [Google Scholar] [CrossRef]
  16. Rodriguez-Diaz, E.; Freijedo, F.D.; Vasquez, J.C.; Guerrero, J.M. Analysis and Comparison of Notch Filter and Capacitor Voltage Feedforward Active Damping Techniques for LCL Grid-connected Converters. IEEE Trans. Power Electron. 2019, 34, 3958–3972. [Google Scholar] [CrossRef]
  17. Kang, L.Y.; Zhang, J.B.; Zhou, H.L. Model Predictive Current Control with Fixed Switching Frequency and Dead-time Compensation for Single-phase PWM Rectifier. Electronics 2021, 10, 426. [Google Scholar] [CrossRef]
  18. An, Q.T.; Zhang, J.Q.; An, Q. Quasi-proportional-resonant Controller Based Adaptive Position Observer for Sensorless Control of PMSM Drives under Low Carrier Ratio. IEEE Trans. Ind. Electron. 2020, 67, 2564–2573. [Google Scholar] [CrossRef]
  19. Peña-Alzola, R.; Liserre, M.; Blaabjerg, F.; Ordonez, M.; Yang, Y. LCL-filter Design for Robust Active Damping in Grid-connected Converters. IEEE Trans. Ind. Inform. 2014, 10, 2192–2203. [Google Scholar] [CrossRef]
  20. Bao, C.L.; Ruan, X.B.; Wang, X.H.; Li, W.W.; Pan, D.H.; Weng, K. Step-by-Step Controller Design for LCL-type Grid-connected Inverter with Capacitor Current Feedback Active Damping. IEEE Trans. Power Electron. 2014, 29, 1239–1253. [Google Scholar]
  21. Pan, D.H.; Ruan, X.B.; Bao, C.L.; Li, W.W.; Wang, X.H. Optimized Controller Design for LCL-type Grid-connected Inverter to Achieve High Robustness Against Grid-impedance Variation. IEEE Trans. Ind. Electron. 2015, 62, 1537–1547. [Google Scholar] [CrossRef]
  22. Wang, X.; Blaabjerg, F.; Loh, P.C. Grid Current Feedback Active Damping for LCL Resonance in Grid-connected Voltage-source Converters. IEEE Trans. Power Electron. 2016, 31, 213–223. [Google Scholar] [CrossRef]
  23. Xu, J.M.; Xie, S.J.; Tang, T. Active Damping-based Control for Grid-connected LCL-filtered Inverter with Injected Grid Current Feedback Only. IEEE Trans. Ind. Electron. 2014, 1, 4746–4758. [Google Scholar] [CrossRef]
  24. Liu, H.Y.; Xu, D.G.; Li, L.; Gao, Q. Robust Damping Method for Voltage Source Converter with LCL-type Filter Under Weak Grid Conditions. CSEE J. Power Energy Syst. 2022, 1, 1428–1437. [Google Scholar]
Figure 1. Three-phase NPC LCL grid-connected inverter topology structure.
Figure 1. Three-phase NPC LCL grid-connected inverter topology structure.
Electronics 13 00144 g001
Figure 2. Control diagram of the grid-connected inverter (α).
Figure 2. Control diagram of the grid-connected inverter (α).
Electronics 13 00144 g002
Figure 3. Control diagram of the hybrid damping system (α).
Figure 3. Control diagram of the hybrid damping system (α).
Electronics 13 00144 g003
Figure 4. Open-loop Bode diagram of the hybrid damping system.
Figure 4. Open-loop Bode diagram of the hybrid damping system.
Electronics 13 00144 g004
Figure 5. Diagram of grid-connected current active damping (α).
Figure 5. Diagram of grid-connected current active damping (α).
Electronics 13 00144 g005
Figure 6. Diagram of hybrid active damping system with feedforward compensation (α).
Figure 6. Diagram of hybrid active damping system with feedforward compensation (α).
Electronics 13 00144 g006
Figure 7. Open-loop Bode plot of hybrid active damping system with feedforward compensation.
Figure 7. Open-loop Bode plot of hybrid active damping system with feedforward compensation.
Electronics 13 00144 g007
Figure 8. Open-loop Bode diagram of systems with changing filter parameters. (a) Bode diagrams of the system when the inverter-side inductance varies; (b) Bode diagrams of the system when the filter capacitor varies; (c) Bode diagrams of the system when the grid-side inductance varies.
Figure 8. Open-loop Bode diagram of systems with changing filter parameters. (a) Bode diagrams of the system when the inverter-side inductance varies; (b) Bode diagrams of the system when the filter capacitor varies; (c) Bode diagrams of the system when the grid-side inductance varies.
Electronics 13 00144 g008
Figure 9. Space voltage vector diagram of three-level inverter.
Figure 9. Space voltage vector diagram of three-level inverter.
Electronics 13 00144 g009
Figure 10. Space voltage vector diagram of VSVPWM.
Figure 10. Space voltage vector diagram of VSVPWM.
Electronics 13 00144 g010
Figure 11. LCL grid-connected inverter with feedforward compensation hybrid active damping.
Figure 11. LCL grid-connected inverter with feedforward compensation hybrid active damping.
Electronics 13 00144 g011
Figure 12. Steady-state grid-connected current waveform (Lg = 4.2 mH). (a) Hybrid damping; (b) Hybrid active damping with feedforward compensation.
Figure 12. Steady-state grid-connected current waveform (Lg = 4.2 mH). (a) Hybrid damping; (b) Hybrid active damping with feedforward compensation.
Electronics 13 00144 g012
Figure 13. Steady-state grid-connected current waveform (Lg = 8 mH). (a) Hybrid damping; (b) Hybrid active damping with feedforward compensation.
Figure 13. Steady-state grid-connected current waveform (Lg = 8 mH). (a) Hybrid damping; (b) Hybrid active damping with feedforward compensation.
Electronics 13 00144 g013
Figure 14. Steady-state grid-connected current waveform (Lg = 10 mH). (a) Hybrid damping; (b) Hybrid active damping with feedforward compensation.
Figure 14. Steady-state grid-connected current waveform (Lg = 10 mH). (a) Hybrid damping; (b) Hybrid active damping with feedforward compensation.
Electronics 13 00144 g014
Figure 15. Experimental prototype.
Figure 15. Experimental prototype.
Electronics 13 00144 g015
Figure 16. Experimental results of two strategies (Lg = 0 mH). (a) Hybrid damping; (b) Hybrid active damping with feedforward compensation.
Figure 16. Experimental results of two strategies (Lg = 0 mH). (a) Hybrid damping; (b) Hybrid active damping with feedforward compensation.
Electronics 13 00144 g016
Figure 17. Experimental results of two strategies (Lg = 4.2 mH). (a) Hybrid damping; (b) Hybrid active damping with feedforward compensation.
Figure 17. Experimental results of two strategies (Lg = 4.2 mH). (a) Hybrid damping; (b) Hybrid active damping with feedforward compensation.
Electronics 13 00144 g017
Table 1. The relationship between the voltage vector and the neutral-point current.
Table 1. The relationship between the voltage vector and the neutral-point current.
Classification of VectorsVectorNeutral-Point Current
Medium VectorOPNia
PONib
NPOic
ONPia
NOPib
PNOic
Positive Small VectorOPPia
POPib
NNOic
ONNia
NONib
PPOic
Negative Small VectorPOOia
OPOib
OONic
NOO−ia
ONOib
OOPic
Table 2. System parameters.
Table 2. System parameters.
ParameterNumerical Value
DC bus voltage, Udc350 V
Voltage divider capacitor, C1, C2680 μF
Inverter side inductance, L12.4 mH
Filter capacitor, C10 μF
Net side electrical feeling, L20.6 mH
Proportionality factor, Kp12
Resonance factor, Kr700
Cutoff bandwidth, ωc3.14
Frequency of sampling, fs10 kHz
Disclaimer/Publisher’s Note: The statements, opinions and data contained in all publications are solely those of the individual author(s) and contributor(s) and not of MDPI and/or the editor(s). MDPI and/or the editor(s) disclaim responsibility for any injury to people or property resulting from any ideas, methods, instructions or products referred to in the content.

Share and Cite

MDPI and ACS Style

Huang, J.; Zhao, Y.; Wang, J.; Zhang, P. A Hybrid Active Damping Strategy for Improving the Adaptability of LCL Converter in Weak Grid. Electronics 2024, 13, 144. https://doi.org/10.3390/electronics13010144

AMA Style

Huang J, Zhao Y, Wang J, Zhang P. A Hybrid Active Damping Strategy for Improving the Adaptability of LCL Converter in Weak Grid. Electronics. 2024; 13(1):144. https://doi.org/10.3390/electronics13010144

Chicago/Turabian Style

Huang, Jingtao, Yiju Zhao, Jie Wang, and Peng Zhang. 2024. "A Hybrid Active Damping Strategy for Improving the Adaptability of LCL Converter in Weak Grid" Electronics 13, no. 1: 144. https://doi.org/10.3390/electronics13010144

APA Style

Huang, J., Zhao, Y., Wang, J., & Zhang, P. (2024). A Hybrid Active Damping Strategy for Improving the Adaptability of LCL Converter in Weak Grid. Electronics, 13(1), 144. https://doi.org/10.3390/electronics13010144

Note that from the first issue of 2016, this journal uses article numbers instead of page numbers. See further details here.

Article Metrics

Back to TopTop