An SVPWM Algorithm for a Novel Multilevel Rectifier with DC-Side Capacitor Voltage Balance
Abstract
1. Introduction
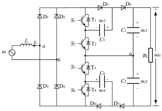
2. Topology and Principle of the Single-Phase Five-Level Rectifier
3. The Proposed SVPWM Algorithm for Single-Phase Five-Level Rectifier
3.1. Sector Division and Selection of Basis Synthetic Voltage Vector
3.2. Determine the SVPWM Sequence and Vector Action Time
4. Simulation and Experimental Results
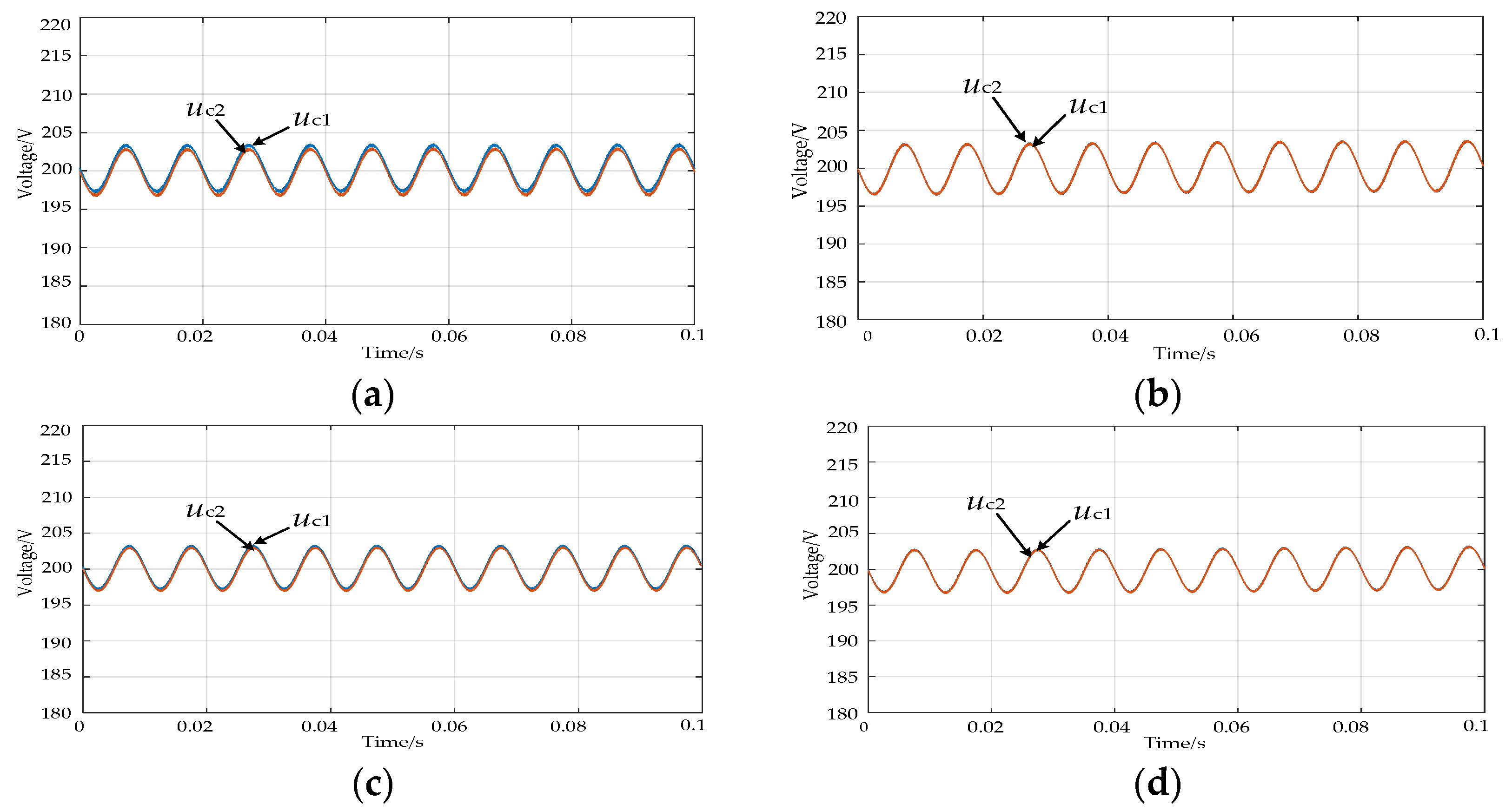
4.1. Simulation Results
4.2. Experimental Results
5. Discussion
6. Conclusions
Author Contributions
Funding
Data Availability Statement
Conflicts of Interest
References
- Fang, J.; Blaabjerg, F.; Liu, S.; Goetz, S.M. A Review of Multilevel Converters with Parallel Connectivity. IEEE Trans. Power Electron. 2021, 36, 12468–12489. [Google Scholar] [CrossRef]
- Ebrahimi, J.; Babaei, E.; Gharehpetian, G.B. A New Multilevel Converter Topology with Reduced Number of Power Electronic Components. IEEE Trans. Ind. Electron. 2012, 59, 655–667. [Google Scholar] [CrossRef]
- Norambuena, M.; Kouro, S.; Dieckerhoff, S.; Rodriguez, J. Reduced Multilevel Converter: A Novel Multilevel Converter with a Reduced Number of Active Switches. IEEE Trans. Ind. Electron. 2018, 65, 3636–3645. [Google Scholar] [CrossRef]
- Kim, J.Y.; Kim, H.S.; Baek, J.W. Analysis of Effective Three-Level Neutral Point Clamped Converter System for the Bipolar LVDC Distribution. Electronics 2019, 8, 691. [Google Scholar] [CrossRef]
- Tian, H.; Li, Y.W. Carrier-Based Stair Edge PWM (SEPWM) for Capacitor Balancing in Multilevel Converters with Floating Capacitors. IEEE Trans. Ind. Appl. 2018, 54, 3440–3452. [Google Scholar] [CrossRef]
- Farivar, G.; Ghias, A.M.Y.M.; Hredzak, B.; Pou, J.; Agelidis, V.G. Capacitor Voltages Measurement and Balancing in Flying Capacitor Multilevel Converters Utilizing a Single Voltage Sensor. IEEE Trans. Power Electron. 2017, 32, 8115–8123. [Google Scholar] [CrossRef]
- Yu, Y.; Konstantinou, G.; Hredzak, B.; Agelidis, V.G. Power Balance of Cascaded H-Bridge Multilevel Converters for Large-Scale Photovoltaic Integration. IEEE Trans. Power Electron. 2016, 31, 292–303. [Google Scholar] [CrossRef]
- Cheng, H.; Yang, D.; Wang, C. Research on the Nonlinear Control Strategy of Three-Phase Bridgeless Rectifier under Unbalanced Grids. Electronics 2021, 10, 3090. [Google Scholar] [CrossRef]
- Soeiro, T.B.; Kolar, J.W. Analysis of High-Efficiency Three-Phase Two- and Three-Level Unidirectional Hybrid Rectifiers. IEEE Trans. Ind. Electron. 2013, 60, 3589–3601. [Google Scholar] [CrossRef]
- Costa, P.J.S.; Ewerling, M.V.M.; Font, C.H.I.; Lazzarin, T.B. Unidirectional Three-Phase Voltage-Doubler SEPIC PFC Rectifier. IEEE Trans. Power Electron. 2021, 36, 6761–6773. [Google Scholar] [CrossRef]
- Cortez, D.F.; Barbi, I. A Family of High-Voltage Gain Single-Phase Hybrid Switched-Capacitor PFC Rectifiers. IEEE Trans. Power Electron. 2015, 30, 4189–4198. [Google Scholar] [CrossRef]
- Deng, J.; Cheng, H.; Wang, C.; Wu, S.; Si, M. Evaluation and Comprehensive Comparison of H-Bridge-Based Bidirectional Rectifier and Unidirectional Rectifiers. Electronics 2020, 9, 309. [Google Scholar] [CrossRef]
- Heldwein, M.L.; Mussa, S.A.; Barbi, I. Three-Phase Multilevel PWM Rectifiers Based on Conventional Bidirectional Converters. IEEE Trans. Power Electron. 2010, 25, 545–549. [Google Scholar] [CrossRef]
- Zhao, Y.; Li, Y.; Lipo, T.A. Force Commutated Three Level Boost Type Rectifier. IEEE Trans. Ind. Appl. 1995, 31, 155–161. [Google Scholar] [CrossRef]
- Kolar, J.W.; Zach, F.C. A novel three-phase utility interface minimizing line current harmonics of high-power telecommunications rectifier modules. IEEE Trans. Ind. Electron. 1997, 44, 456–467. [Google Scholar] [CrossRef]
- Itoh, J.-i.; Noge, Y.; Adachi, T. A Novel Five-Level Three-Phase PWM Rectifier with Reduced Switch Count. IEEE Trans. Power Electron. 2011, 26, 2221–2228. [Google Scholar] [CrossRef]
- Ooi, G.H.P.; Maswood, A.I.; Lim, Z. Five-Level Multiple-Pole PWM AC–AC Converters with Reduced Components Count. IEEE Trans. Ind. Electron. 2015, 62, 4739–4748. [Google Scholar] [CrossRef]
- Grbovic, P.J.; Lidozzi, A.; Solero, L.; Crescimbini, F. Five-Level Unidirectional T-Rectifier for High-Speed Gen-Set Applications. IEEE Trans. Ind. Appl. 2016, 52, 1642–1651. [Google Scholar] [CrossRef]
- Zhang, Y.; Chen, R.; Li, C.; Xin, Z.; Chen, R.; Li, W.; He, X.; Ma, H. A SiC and Si Hybrid Five-Level Unidirectional Rectifier for Medium Voltage Applications. IEEE Trans. Ind. Electron. 2022, 69, 7537–7548. [Google Scholar] [CrossRef]
- Hatti, N.; Hasegawa, K.; Akagi, H. A 6.6-kV Transformerless Motor Drive Using a Five-Level Diode-Clamped PWM Inverter for Energy Savings of Pumps and Blowers. IEEE Trans. Power Electron. 2009, 24, 796–803. [Google Scholar] [CrossRef]
- Hasegawa, K.; Akagi, H. A New DC-Voltage-Balancing Circuit Including a Single Coupled Inductor for a Five-Level Diode-Clamped PWM Inverter. IEEE Trans. Ind. Appl. 2011, 47, 841–852. [Google Scholar] [CrossRef]
- Mukherjee, D.; Kastha, D. A Reduced Switch Hybrid Multilevel Unidirectional Rectifier. IEEE Trans. Power Electron. 2019, 34, 2070–2081. [Google Scholar] [CrossRef]
- Cheng, H.; Zhao, Z.; Wang, C. A Novel Unidirectional Three-Phase Multilevel Rectifier Composed of Star-Connected Three Single-Phase Topology Based on Five-Level Flying Capacitor DC-DC Converter. IEEE Trans. Ind. Electron. 2022, 70, 5493–5503. [Google Scholar] [CrossRef]
- Yan, Q.; Zhou, Z.; Wu, M.; Yuan, X.; Zhao, R.; Xu, H. A Simplified Analytical Algorithm in abc Coordinate for the Three-Level SVPWM. IEEE Trans. Power Electron. 2021, 36, 3622–3627. [Google Scholar] [CrossRef]
- Zhang, J.; Wai, R. Design of New SVPWM Mechanism for Three-Level NPC ZSI via Line-Voltage Coordinate System. IEEE Trans. Power Electron. 2020, 35, 8593–8606. [Google Scholar] [CrossRef]
- Wu, L.; Li, J.; Lu, Y.; He, K. Strategy of Synchronized SVPWM for Dual Three-Phase Machines in Full Modulation Range. IEEE Trans. Power Electron. 2022, 37, 3272–3282. [Google Scholar] [CrossRef]





















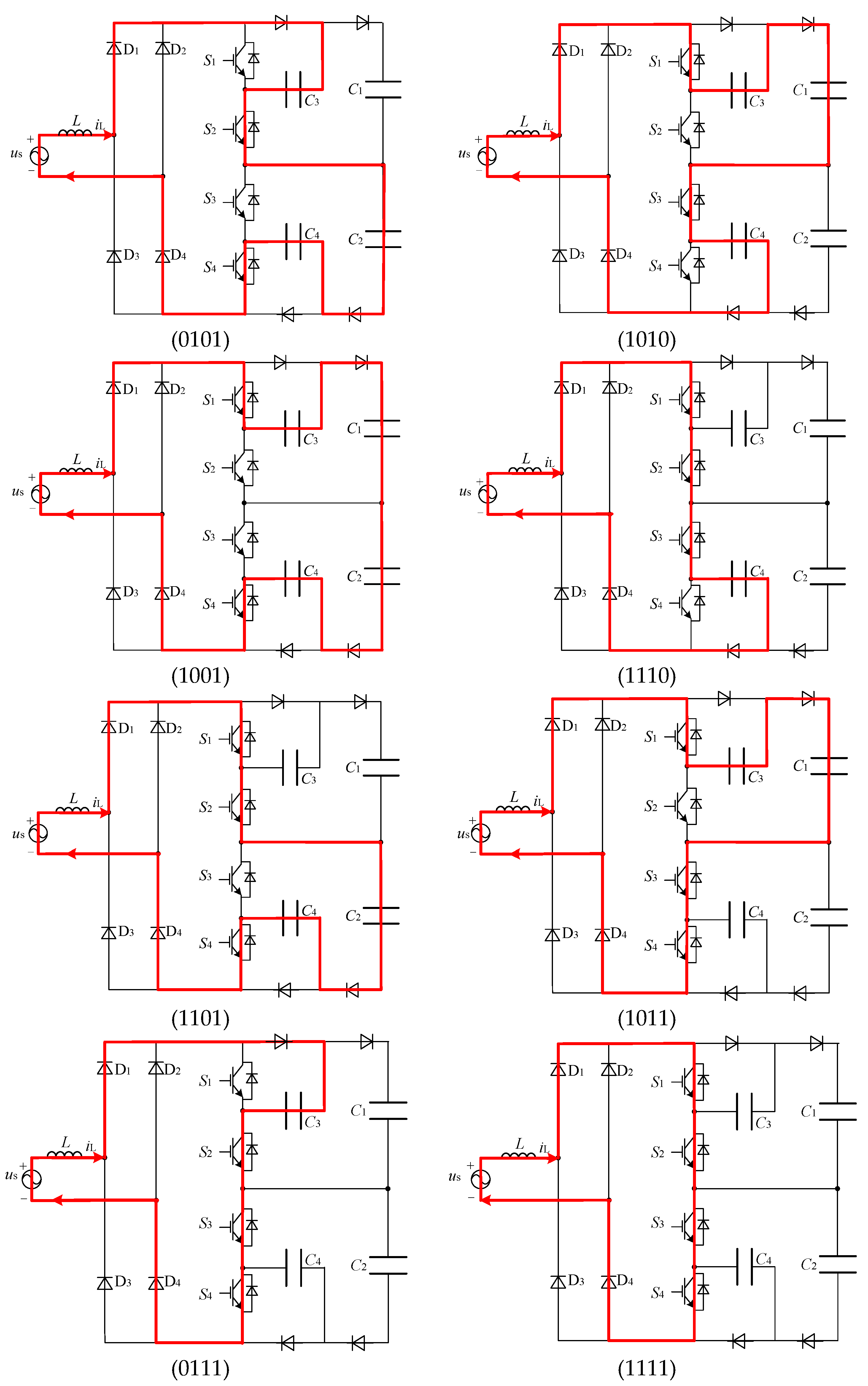
| (S1S2S3S4) | uao (iL > 0) | uao (iL < 0) | uab (iL > 0) | uab (iL < 0) |
|---|---|---|---|---|
| 0000 | udc/2 | −udc/2 | udc | −udc |
| 1000 | udc/4 | −udc/2 | 3udc/4 | −3udc/4 |
| 0100 | udc/4 | −udc/2 | 3udc/4 | −3udc/4 |
| 0010 | udc/2 | −udc/4 | 3udc/4 | −3udc/4 |
| 0001 | udc/2 | -udc/4 | 3udc/4 | −3udc/4 |
| 1100 | 0 | −udc/2 | udc/2 | −udc/2 |
| 0110 | udc/4 | −udc/4 | udc/2 | −udc/2 |
| 0011 | udc/2 | 0 | udc/2 | −udc/2 |
| 1010 | udc/4 | −udc/4 | udc/2 | −udc/2 |
| 0101 | udc/4 | −udc/4 | udc/2 | −udc/2 |
| 1001 | udc/4 | −udc/4 | udc/2 | −udc/2 |
| 1110 | 0 | −udc/4 | udc/4 | −udc/4 |
| 1011 | udc/4 | 0 | udc/4 | −udc/4 |
| 0111 | udc/4 | 0 | udc/4 | −udc/4 |
| 1101 | 0 | −udc/4 | udc/4 | −udc/4 |
| 1111 | 0 | 0 | 0 | 0 |
| (S1S2S3S4) | C1 | C2 | C3 | C4 |
|---|---|---|---|---|
| 0000 | Null | Null | Null | Null |
| 1000 | Null | Null | Discharge | Null |
| 0100 | Discharge | Charge | Charge | Null |
| 0010 | Charge | Discharge | Null | Charge |
| 0001 | Null | Null | Null | Discharge |
| 1100 | Discharge | Charge | Null | Null |
| 0110 | Null | Null | Charge | Charge |
| 0011 | Charge | Discharge | Null | Null |
| 1010 | Charge | Discharge | Discharge | Charge |
| 0101 | Discharge | Charge | Charge | Discharge |
| 1001 | Null | Null | Discharge | Discharge |
| 1110 | Null | Null | Null | Charge |
| 1011 | Charge | Discharge | Discharge | Null |
| 0111 | Null | Null | Charge | Null |
| 1101 | Discharge | Charge | Null | Discharge |
| 1111 | Null | Null | Null | Null |
| Parameters | Value |
|---|---|
| The AC grid voltage us/V | 220 |
| The AC inductance L/mH | 3 |
| DC-link reference voltage udc/V | 400 |
| Load resistance RL/Ω | 100 |
| Fundamental frequency f0/Hz | 50 |
| Switching frequency fs/kHz | 5 |
| DC-side capacitor C1/μF | 1100 |
| DC-side capacitor C2/μF | 1100 |
| DC-side capacitor C3/μF | 40 |
| DC-side capacitor C4/μF | 40 |
| The Previous Work | This Paper | |
|---|---|---|
| 1 | Propose the novel multilevel rectifier | Sort out the principle and give a space vector diagram |
| 2 | Adopt carrier-based phase-shift SPWM | Propose a specific SVPWM algorithm |
| 3 | Need additional voltage balancing control | Actively balancing capacitor voltage without additional voltage balancing control |
| 4 | Current quality (THD%) on the AC side is about 3.3% | Current quality (THD%) on the AC side is about 1.5% |
| 5 | The fluctuation of the neutral point voltage on the DC-link is large | The fluctuation of the neutral point voltage on the DC-link is reduced by about 60% compared to the SPWM |
| 6 | Voltage difference between two flying capacitors is large | Voltage difference between two flying capacitors is reduced by about 98% compared to the SPWM |
Disclaimer/Publisher’s Note: The statements, opinions and data contained in all publications are solely those of the individual author(s) and contributor(s) and not of MDPI and/or the editor(s). MDPI and/or the editor(s) disclaim responsibility for any injury to people or property resulting from any ideas, methods, instructions or products referred to in the content. |
© 2023 by the authors. Licensee MDPI, Basel, Switzerland. This article is an open access article distributed under the terms and conditions of the Creative Commons Attribution (CC BY) license (https://creativecommons.org/licenses/by/4.0/).
Share and Cite
Cheng, H.; Yang, D.; Wang, C.; Tian, C. An SVPWM Algorithm for a Novel Multilevel Rectifier with DC-Side Capacitor Voltage Balance. Electronics 2023, 12, 1637. https://doi.org/10.3390/electronics12071637
Cheng H, Yang D, Wang C, Tian C. An SVPWM Algorithm for a Novel Multilevel Rectifier with DC-Side Capacitor Voltage Balance. Electronics. 2023; 12(7):1637. https://doi.org/10.3390/electronics12071637
Chicago/Turabian StyleCheng, Hong, Daokuan Yang, Cong Wang, and Changgeng Tian. 2023. "An SVPWM Algorithm for a Novel Multilevel Rectifier with DC-Side Capacitor Voltage Balance" Electronics 12, no. 7: 1637. https://doi.org/10.3390/electronics12071637
APA StyleCheng, H., Yang, D., Wang, C., & Tian, C. (2023). An SVPWM Algorithm for a Novel Multilevel Rectifier with DC-Side Capacitor Voltage Balance. Electronics, 12(7), 1637. https://doi.org/10.3390/electronics12071637
