Sign in to use this feature.

Years

Between: -

Subjects

remove_circle_outline
remove_circle_outline
remove_circle_outline
remove_circle_outline
remove_circle_outline
remove_circle_outline
remove_circle_outline
remove_circle_outline
remove_circle_outline

Journals

remove_circle_outline
remove_circle_outline

Article Types

Countries / Regions

remove_circle_outline
remove_circle_outline
remove_circle_outline
remove_circle_outline

Search Results (230)

Search Parameters:
Keywords = macro-fiber composites

Order results
Result details
Results per page
Select all
Export citation of selected articles as:
19 pages, 349 KB  
Review
Celiac Disease as a Model of Intestinal Malnutrition: Mechanisms and Nutritional Management
by Vanessa Nadia Dargenio, Nicoletta Sgarro, Giovanni La Grasta, Martina Begucci, Stefania Paola Castellaneta, Costantino Dargenio, Leonardo Paulucci, Ruggiero Francavilla and Fernanda Cristofori
Nutrients 2025, 17(23), 3741; https://doi.org/10.3390/nu17233741 - 28 Nov 2025
Viewed by 264
Abstract
Background: In pediatric celiac disease (CD), intestinal malabsorption and the restrictive nature of a gluten-free diet (GFD) frequently result in persistent macro- and micronutrient imbalances, despite histological remission. The present review evaluates the evidence on nutritional adequacy of the GFD, identifies common deficiencies, [...] Read more.
Background: In pediatric celiac disease (CD), intestinal malabsorption and the restrictive nature of a gluten-free diet (GFD) frequently result in persistent macro- and micronutrient imbalances, despite histological remission. The present review evaluates the evidence on nutritional adequacy of the GFD, identifies common deficiencies, and considers biomarker strategies and dietary recommendations to optimize growth and metabolic health. Methods: A narrative review of the literature was conducted, focusing on studies of nutrient intake, product composition of gluten-free foods, biomarker assessment, and clinical outcomes in children with CD. Both macronutrient (protein, fat, carbohydrate, fiber) and micronutrient (iron, vitamin D, calcium, B-vitamins, zinc, magnesium) domains were included. Results: Children with CD on long-term GFD demonstrate higher intake of lipids (especially saturated fat) and simple carbohydrates, alongside consistently low intake of dietary fiber and key micronutrients. Gluten-free products often exhibit lower protein content, higher glycemic index, and reduced fortification compared to gluten-containing equivalents. Nutritional deficits contribute to impaired linear growth, delayed puberty and increased metabolic risk. Conclusions: Nutritional adequacy of the GFD cannot be assumed in children with CD. Routine monitoring using standardized biomarker panels, combined with personalized dietary counseling and improved formulation and fortification of gluten-free products, is essential to mitigate long-term adverse outcomes. Future work should advance precision nutrition approaches and public-health initiatives to optimize dietary quality in this vulnerable population. Full article
(This article belongs to the Section Nutritional Immunology)
33 pages, 3110 KB  
Article
Current Trends in Gluten-Free Biscuit Formulation Using Rice Flour Enriched with Chestnut Flour and Fruit Powders
by Daniela Stoin, Mariana-Atena Poiana, Ersilia Alexa, Ileana Cocan, Monica Negrea, Calin Jianu, Isidora Radulov, Mariana Suba and Catalin Ianasi
Foods 2025, 14(23), 4074; https://doi.org/10.3390/foods14234074 - 27 Nov 2025
Viewed by 211
Abstract
In response to the increasing consumer demand for healthier diets and the needs of individuals with gluten intolerance, chestnut flour (CF) emerges as a valuable unconventional ingredient for sustainable and functional nutrition. This study evaluated the nutritional, phytochemical, and functional properties of gluten-free [...] Read more.
In response to the increasing consumer demand for healthier diets and the needs of individuals with gluten intolerance, chestnut flour (CF) emerges as a valuable unconventional ingredient for sustainable and functional nutrition. This study evaluated the nutritional, phytochemical, and functional properties of gluten-free biscuits formulated with whole rice flour (RF), CF, and their mixtures, where RF was replaced by CF at 0% (control), 10%, 30%, 70%, 90%, and 100% (w/w). In addition, in the 50% CF formulation, 5% of RF was substituted with fruit powders rich in phenolic compounds and recognized as fortifying agents, such as chokeberry (CP), açaí (AP), and blueberry (BP). Proximate composition, macro- and microelement content, total phenolic content (TPC), total flavonoid content (TFC), and antioxidant activity (DPPH and FRAP assays) were determined for the individual flours, composite flours, fruit powders, and biscuit formulations. Structural characteristics were assessed using Small- and Wide-Angle X-ray Scattering (SAXS/WAXS) analysis and Fourier Transform Infrared Spectroscopy (FTIR). Results showed that CF incorporation enhanced both the nutritional and functional profile of flours and biscuits, increasing protein, fiber, lipid, and mineral contents while reducing carbohydrates, and improving TPC, TFC, DPPH, and FRAP values. Fortification with 5% CP, AP, or BP further boosted the phytochemical content of the biscuits, with the chokeberry-enriched sample exhibiting the highest TPC (348.88 mg GAE/100 g d.s.), TFC (253.82 mg QE/100 g d.s.), DPPH (50.36%), and FRAP (21.07 μM Fe2+/g d.s.). The combination of 50% CF and 5% CP provided dual benefits, significant bioactive enrichment alongside the preservation of desirable technological properties. Complementary SAXS/WAXS and FTIR analyses indicated that CF and fruit powders enhanced molecular interactions and matrix cohesion, which may contribute to improved texture and antioxidant potential of the biscuits. Overall, this formulation offers a promising and practical approach to developing functional gluten-free biscuits with enhanced nutritional, phytochemical, functional, and structural characteristics. Full article
(This article belongs to the Special Issue Formulation and Nutritional Aspects of Cereal-Based Functional Foods)
Show Figures

Graphical abstract

24 pages, 5555 KB  
Article
Non-Invasive Investigation of a 16th-Century Illuminated Scroll: Pigments, Fillers, and Metal-Based Decorations
by Lucilla Pronti, Martina Romani, Luca Lanteri, Francesco Bizzarri, Claudia Colantonio, Claudia Pelosi, Chiara Ruberto, Lisa Castelli, Anna Mazzinghi, Valeria Spizzichino and Mariangela Cestelli Guidi
Minerals 2025, 15(12), 1252; https://doi.org/10.3390/min15121252 - 26 Nov 2025
Viewed by 453
Abstract
The study and preservation of illuminated manuscripts, particularly miniatures on parchment, are crucial for understanding the artistic, cultural, and technological history of the past. This research investigates the materials used in a 16th-century illuminated scroll, analyzing both the miniatures and the written text [...] Read more.
The study and preservation of illuminated manuscripts, particularly miniatures on parchment, are crucial for understanding the artistic, cultural, and technological history of the past. This research investigates the materials used in a 16th-century illuminated scroll, analyzing both the miniatures and the written text through non-invasive techniques. A multi-analytical approach was applied, including optical microscopy, Hypercolorimetric Multispectral Imaging (HMI), infrared reflectography in the 950–1700 nm range, Fiber Optics Reflectance Spectroscopy (FORS), macro X-ray fluorescence (MA-XRF) spectroscopy, Raman spectroscopy, and External Reflection Fourier Transform Infrared (ER-FTIR) spectroscopy. These methods provided a comprehensive characterization of the painting materials’ chemical composition and the artistic techniques utilized, revealing new information on Renaissance materials and practices. The detected mineral pigments primarily include smalt, vermilion, lead white, and minium, which are consistent with materials commonly found in illuminated manuscripts. Aluminosilicate and calcite were identified as fillers or substrates utilized for organic dyes, particularly those generating pink hues. An uncommon finding was the green pigment, which was identified as copper hydroxynitrate. Furthermore, gold and silver were extensively employed in the decorative elements, both as metal foils and in shell pigment form. Finally, the capital letters were executed using smalt and vermilion, while the black text ink was characterized as iron gall ink, a composition typically employed on parchment supports. Full article
(This article belongs to the Special Issue Mineral Pigments: Properties Analysis and Applications)
Show Figures

Figure 1

18 pages, 3600 KB  
Article
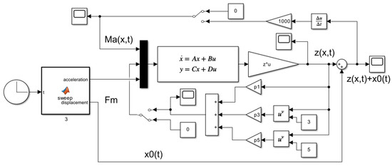
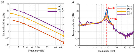
Active–Passive Vibration Control of Cantilever Beam Based on Magnetic Spring with Negative Stiffness and Piezoelectric Actuator
by Min Wang, Zhiwei Jiang, Wei Jiang, Xianghui Feng, Jiheng Ding, Yi Sun, Huayan Pu and Songquan Liao
Micromachines 2025, 16(12), 1307; https://doi.org/10.3390/mi16121307 - 21 Nov 2025
Viewed by 391
Abstract
To enhance the low-frequency vibration suppression capability of cantilever beams, a magnetically tunable piezoelectric cantilever beam structure (MTPCBS) is proposed in this paper. A magnetic spring with negative stiffness (NSMS) is fixed at the free end of a cantilever beam, forming a quasi-zero-stiffness [...] Read more.
To enhance the low-frequency vibration suppression capability of cantilever beams, a magnetically tunable piezoelectric cantilever beam structure (MTPCBS) is proposed in this paper. A magnetic spring with negative stiffness (NSMS) is fixed at the free end of a cantilever beam, forming a quasi-zero-stiffness structure. Meanwhile, a macro-fiber composite (MFC) patch is bonded near the root of the beam to implement active skyhook damping control for active vibration control. A theoretical model of the cantilever beam, NSMS, and MFC is established, and the displacement transmissibility of the MTPCBS is derived. The influences of the magnet distance of the NSMS and the control gain of the controller are investigated via simulation. Experimental results indicate that compared to the single beam, the effective vibration isolation frequency of the proposed MTPCBS shifts from 15.3 Hz to 4.6 Hz. When subjected to random vibration excitation ranging from 1 to 80 Hz, the root mean square (RMS) value of vibration decreases from 0.03 g to 1.77 × 10−3 g, with the vibration attenuation rate improving from −50% to 91%. The proposed MTPCBS and active–passive vibration control method for cantilever beams significantly enhances low-frequency vibration suppression capabilities, providing a feasible strategy for achieving broadband vibration suppression. Full article
(This article belongs to the Special Issue Exploration and Application of Piezoelectric Smart Structures)
Show Figures

Figure 1

22 pages, 11121 KB  
Article
Comprehensive Performance Evaluation of Conductive Asphalt Mixtures Using Multi-Phase Carbon Fillers
by Xiao Zhang, Yafeng Pang, Hongwei Lin and Xiaobo Du
Processes 2025, 13(11), 3752; https://doi.org/10.3390/pr13113752 - 20 Nov 2025
Viewed by 255
Abstract
This study explores the synergistic effects of recycled carbon fiber (RCF) and recycled carbon fiber powder (RCFP) on the performance of conductive asphalt mixtures (CAMs). Laboratory tests were conducted to evaluate optimal asphalt content (OAC), electrical and heating behavior, and key pavement properties, [...] Read more.
This study explores the synergistic effects of recycled carbon fiber (RCF) and recycled carbon fiber powder (RCFP) on the performance of conductive asphalt mixtures (CAMs). Laboratory tests were conducted to evaluate optimal asphalt content (OAC), electrical and heating behavior, and key pavement properties, including rutting, cracking, and freeze–thaw resistance. Results showed that OAC increased with RCF and RCFP dosage due to their high surface area and strong asphalt absorption. The composite achieved stable conductivity, where RCF formed a macro-scale skeleton and RCFP established a micro-bridging network, reducing resistivity to a minimum of 1.60 Ω·m. This dual conductive mechanism significantly enhanced heating efficiency, with a peak rate of 4.85 °C/min at 0.5% RCF + 3% RCFP. Mechanically, RCF provided three-dimensional reinforcement while RCFP improved cohesion, together enhancing high-temperature and freeze–thaw performance. However, low-temperature cracking resistance exhibited a parabolic trend due to the risk of material agglomeration at excessive dosages. Multi-indicator TOPSIS analysis identified 0.4% RCF + 3% RCFP as the optimal composition. Critically, this optimal mixture is also technically and economically feasible, demonstrating an excellent balance characterized by a low specific energy consumption of 2.38 W·h/°C and a competitive cost (≈CNY 528.4/t). This study provides a sustainable, energy-efficient, and multi-functional solution for pavement heating and de-icing in cold regions. Full article
(This article belongs to the Section Materials Processes)
Show Figures

Figure 1

21 pages, 2977 KB  
Article
Tribological and Micro-Mechanical Properties of Modified Composite Polypropylene
by Martin Ovsik, Adam Cesnek and Michal Stanek
Lubricants 2025, 13(11), 489; https://doi.org/10.3390/lubricants13110489 - 7 Nov 2025
Viewed by 414
Abstract
This study describes the effect of electron radiation on the macro- and micro-mechanical and tribological properties of composite polypropylene filled with 25% glass fiber. Micro-mechanical and tribological properties were investigated both on the sample surface and at various depths below the surface. Polypropylene [...] Read more.
This study describes the effect of electron radiation on the macro- and micro-mechanical and tribological properties of composite polypropylene filled with 25% glass fiber. Micro-mechanical and tribological properties were investigated both on the sample surface and at various depths below the surface. Polypropylene was irradiated with radiation doses of 15, 33, 45, 66 and 99 kGy. As the results show, electron radiation has an influence on the change in PP’s structure, in which due to the electron radiation, a crosslinked phase and an increase in crystallinity are formed. These changes in morphology are reflected in an enhancement of micro-mechanical and tribological properties both at the surface and in deeper layers below the surface. More crosslinking and recrystallization occur across the sample’s cross-section up to a depth of 2 mm, where greater micro-mechanical and tribological properties are also measured. The difference between the surface and the center of the material can be up to 32%. The optimum radiation dose appears to be 45 kGy, where the maximum crosslinking, highest crystallinity and best micro-mechanical and tribological properties are found. The difference between non-irradiated and irradiated filled PP is 52% in indentation hardness. In terms of macro-mechanical properties, the tensile modulus increased by 44% (45 kGy). This translates into higher surface wear resistance and the overall stiffness of the part. Higher doses of radiation cause the beginning of degradation processes, which are manifested by a decrease in the degree of embedding, crystallinity and thus micro-mechanical and tribological properties. Full article
Show Figures

Figure 1

14 pages, 509 KB  
Article
Investigating the Nutritional Properties, Chemical Composition (UPLC-HR-MS) and Safety (Ames Test) of Atriplex halimus L. Leaves and Their Potential Health Implications
by Maria Eleonora Foletti, Massimo Tacchini, Gianni Sacchetti, Annalisa Maietti, Mohamed Lamin Abdi Bellau, Marinella De Leo and Alessandra Guerrini
Plants 2025, 14(21), 3350; https://doi.org/10.3390/plants14213350 - 31 Oct 2025
Viewed by 440
Abstract
Motivated by the plant’s ethnopharmacological importance and the health conditions of the Sahrawi people, who have been living as refugees for over 50 years, this study comprehensively assessed the nutritional profile, secondary metabolite composition, in vitro bioaccessibility, and toxicological safety of Atriplex halimus [...] Read more.
Motivated by the plant’s ethnopharmacological importance and the health conditions of the Sahrawi people, who have been living as refugees for over 50 years, this study comprehensively assessed the nutritional profile, secondary metabolite composition, in vitro bioaccessibility, and toxicological safety of Atriplex halimus L. leaves. The proximate analysis demonstrated richness in dietary fiber (44.41 ± 0.11 g/100 g) and essential macro/microelements, notably iron (142.0 ± 2.41 mg/100 g). The lipid profile features essential polyunsaturated fatty acids, specifically linoleic and α-linolenic acid, accounting for 40.6 ± 7.0% of total fatty acids. The UPLC-HR--MS characterization of two extracts tentatively identified 13 specialized metabolites, including uncommon flavonoids such as highly glycosylated forms of isorhamnetin and syringetin. Caffeic acid 3-sulfate and caffeic acid 4-sulfate were identified by NMR. Although in vitro antioxidant activity (DPPH/FRAP tests) was minimal, the traditional decoction showed high total polyphenol bioaccessibility (71.52 ± 0.46%) during simulated gastrointestinal digestion following the harmonized static protocol. The Ames test (using Salmonella typhimurium TA98 and TA1535) confirmed toxicological safety, as neither extract induced mutagenic or genotoxic effects. In conclusion, the robust nutritional composition, in vitro proven safety, and high polyphenol bioaccessibility suggest A. halimus leaves as a promising, nutrient-rich functional ingredient. Full article
Show Figures

Figure 1

26 pages, 7816 KB  
Article
Study on Fiber-Fabric Hierarchical Reinforcement for High-Toughness Magnesium Phosphate Cement Composites
by Weipeng Feng, Yuan Fang, Chengman Wang, Peng Cui, Kunde Zhuang, Wenyang Zhang and Zhijun Dong
Polymers 2025, 17(21), 2844; https://doi.org/10.3390/polym17212844 - 24 Oct 2025
Viewed by 514
Abstract
Magnesium phosphate cement (MPC) has gained attention in specialized construction applications due to its rapid setting and high early strength, though its inherent brittleness limits structural performance. This study developed an innovative toughening strategy through synergistic reinforcement using hybrid fibers and carbon fiber-reinforced [...] Read more.
Magnesium phosphate cement (MPC) has gained attention in specialized construction applications due to its rapid setting and high early strength, though its inherent brittleness limits structural performance. This study developed an innovative toughening strategy through synergistic reinforcement using hybrid fibers and carbon fiber-reinforced polymer (CFRP) fabric capable of multi-scale crack control. The experimental program systematically evaluated the hybrid fiber system, dosage, and CFRP positioning effects through mechanical testing of 7-day cured specimens. The results indicated that 3.5% fiber dosage optimized flexural–compressive balance (45% flexural gain with <20% compressive reduction), while CFRP integration at 19 mm displacement enhanced flexural capacity via multi-scale reinforcement. Fracture analysis revealed that the combined system increases post-cracking strength by 60% through coordinated crack bridging at micro (fiber) and macro (CFRP) scales. These findings elucidated the mechanisms by which fiber–CFRP interaction mitigates MPC’s brittleness through hierarchical crack control while maintaining its rapid hardening advantages. The study established quantitative design guidelines, showing the fiber composition of CF/WSF/CPS15 = 1/1/1 with 19 mm CFRP placement achieves optimal toughness–flexural balance (ff/fc > 0.38). The developed composite system reduced brittleness through effective crack suppression across scales, confirming its capability to transform fracture behavior from brittle to quasi-ductile. This work advances MPC’s engineering applicability by resolving its mechanical limitations through rationally designed composite systems, with particular relevance to rapid repair scenarios requiring both early strength and damage tolerance, expanding its potential in specialized construction where conventional cement proves inadequate. Full article
(This article belongs to the Section Polymer Fibers)
Show Figures

Graphical abstract

23 pages, 5673 KB  
Article
Numerical Investigation of a Morphing Wing Section Controlled by Piezoelectric Patches
by Mario Rosario Chiarelli, Vincenzo Binante, Salvatore Bonomo, Stefano Botturi, Luca Giani, Jan Kunzmann, Aniello Cozzolino and Diego Giuseppe Romano
Actuators 2025, 14(10), 499; https://doi.org/10.3390/act14100499 - 15 Oct 2025
Viewed by 784
Abstract
One of the tasks of the FutureWings project, funded by the European Commission within the 7th framework, was to numerically validate the mechanical behavior of a wing whose deflections had to be controlled via a suitable distribution of piezoelectric patches. Starting from a [...] Read more.
One of the tasks of the FutureWings project, funded by the European Commission within the 7th framework, was to numerically validate the mechanical behavior of a wing whose deflections had to be controlled via a suitable distribution of piezoelectric patches. Starting from a reference geometry (a NACA 0012 airfoil), wing profiles were implemented and analyzed using the fluid–structure interaction analysis technique. The wing section was designed with a morphing profile in which both the front and rear parts self-deform via piezoelectric patches that serve actuators glued to the skin of the profile. A Macro Fiber Composite (MFC) was used as the piezoelectric actuator. Aeroelastic analyses were performed at low Mach numbers under the sea-level flight condition. Analysis of the technical solution was based on an examination of the aerodynamic coefficients and polar curves of the profile, as the control voltage of the patches can vary. The results were compared with those available in the literature. As a preliminary step, this work contributes to examining the current technical possibilities of this technology relating to the application of piezoelectric patches as actuators in the field of aerostructures. Full article
(This article belongs to the Special Issue Aerospace Mechanisms and Actuation—Second Edition)
Show Figures

Figure 1

17 pages, 3908 KB  
Article
Modeling and Experimental Analysis of Hybrid Cantilever Structures with Embedded MFC Patch
by Andrzej Mitura
Materials 2025, 18(19), 4610; https://doi.org/10.3390/ma18194610 - 5 Oct 2025
Viewed by 556
Abstract
This study presents the modeling and analysis of a composite structure incorporating an embedded macro fiber composite (MFC) patch. MFC actuators are available in several variants, with types P1 and P2 being the most commonly used. In this paper, an electromechanical model of [...] Read more.
This study presents the modeling and analysis of a composite structure incorporating an embedded macro fiber composite (MFC) patch. MFC actuators are available in several variants, with types P1 and P2 being the most commonly used. In this paper, an electromechanical model of the hybrid structure is developed, and experimental procedures are outlined for identifying selected system parameters. In the first phase of the study, two separate cantilever beam specimens are investigated—one with an embedded P1 patch and the other with a P2 patch. Their behaviors are tested and compared to identify and critically assess the advantages and limitations associated with each MFC type. In the second phase, a more complex system—a bistable cantilever shell—is examined. The choice of the appropriate MFC type (P1 or P2) for this structure is based on the findings obtained in the first phase. For the system incorporating the selected MFC patch, the dynamic response is analyzed in the vicinity of both stable equilibrium states, which are characterized by significantly different levels of pre-strain and pre-stress. The study concludes with highlights for the design of smart composite structures with integrated MFC patches. Full article
Show Figures

Figure 1

17 pages, 17502 KB  
Article
Multiscale Compressive Failure Analysis of Wrinkled Laminates Based on Multiaxial Damage Model
by Jian Shi, Guang Yang, Nan Sun, Jie Zheng, Jingjing Qian, Wenjia Wang and Kun Song
Materials 2025, 18(19), 4503; https://doi.org/10.3390/ma18194503 - 27 Sep 2025
Viewed by 419
Abstract
The waviness defect, a common manufacturing flaw in composite structures, can significantly impact the mechanical performance. This study investigates the effects of wrinkles on the ultimate load and failure modes of two Carbon Fiber Reinforced Composite (CFRC) laminates through compressive experiments and simulation [...] Read more.
The waviness defect, a common manufacturing flaw in composite structures, can significantly impact the mechanical performance. This study investigates the effects of wrinkles on the ultimate load and failure modes of two Carbon Fiber Reinforced Composite (CFRC) laminates through compressive experiments and simulation analyses. The laminates have stacking sequences of [0]10S and [45/0/−45/90/45/0/−45/0/45/0]S. Each laminate includes four different waviness ratios (the ratio of wrinkle amplitude to laminate thickness) of 0%, 10%, 20% and 30%. In the simulation, a novel multiaxial progressive damage model is implemented via the user material (UMAT) subroutine to predict the compressive failure behavior of wrinkled composite laminates. This multiscale analysis framework innovatively features a 7 × 7 generalized method of cells coupled with stress-based multiaxial Hashin failure criteria to accurately analyze the impact of wrinkle defects on structural performance and efficiently transfer macro-microscopic damage variables. When any microscopic subcell within the representative unit cell (RUC) satisfies a failure criterion, its stiffness matrix is reduced to a nominal value, and the corresponding failure modes are tracked through state variables. When more than 50% fiber subcells fail in the fiber direction or more than 50% matrix subcells fail in the transverse or thickness direction, it indicates that the RUC has experienced the corresponding failure modes, which are the tensile or compressive failure of fibers, matrix, or delamination in the three axial directions. This multiscale model accurately predicted the load–displacement curves and failure modes of wrinkled composites under compressive load, showing good agreement with experimental results. The analysis results indicate that wrinkle defects can reduce the ultimate load-carrying capacity and promote local buckling deformation at the wrinkled region, leading to changes in damage distribution and failure modes. Full article
Show Figures

Figure 1

21 pages, 4967 KB  
Article
In Vitro Evaluation and Comparative Analysis of Resorbable Membranes for Guided Bone Regeneration
by Donato Antonacci, Rossella Padula, Federico Gaudelli, Irene Catalano and Filiberto Mastrangelo
Medicina 2025, 61(9), 1720; https://doi.org/10.3390/medicina61091720 - 22 Sep 2025
Viewed by 760
Abstract
Background and Objectives: In vitro evaluation of macro and microscopic features of five resorbable barrier membranes used for Guided Bone Regeneration (GBR) in oral hard tissue surgery. Materials and Methods: Five different resorbable barrier membranes were analyzed by optical microscopy and [...] Read more.
Background and Objectives: In vitro evaluation of macro and microscopic features of five resorbable barrier membranes used for Guided Bone Regeneration (GBR) in oral hard tissue surgery. Materials and Methods: Five different resorbable barrier membranes were analyzed by optical microscopy and scanning electron microscopy (SEM). For each sample, surface appearance, the presence and size of ridges and depressions, number of layers, and the inner structure were recorded. Each membrane was cut into 1 × 1 cm squares to determine mass, density and thickness. In addition, an EDX microanalysis was performed. Results: Under optical microscopy, all membranes appeared rough, with ridges and depressions. In cross-section, only Sample 2 presented true stratification. On SEM, most membranes showed a three-dimensional collagen fiber architecture. Sample 3, a sheet of collagenated equine bone, differed accordingly. EDX spectra showed broadly overlapping elemental composition, characterized by N, O and C. The mass depends on the composition: bone-containing membranes weighed more; those composed predominantly of collagen weighed less. Conclusions: Pore size, surface density and roughness, and the type of cross-linking can influence cell interaction and may lead to different regenerative scenarios, potentially improving the quality and timing of tissue regeneration. Membrane selection should be dictated by the clinical scenario, prioritizing properties most advantageous for the defect. Full article
(This article belongs to the Special Issue Advances in Soft and Hard Tissue Management Around Dental Implants)
Show Figures

Figure 1

21 pages, 5307 KB  
Article
High-Performance Cementitious Composites with Tensile Strain Capacity Up to 18%
by Zongcai Deng and Wenzhe Li
J. Compos. Sci. 2025, 9(9), 502; https://doi.org/10.3390/jcs9090502 - 17 Sep 2025
Viewed by 893
Abstract
At present, the ductility of engineered cementitious composites (ECC) is not sufficient to achieve compatibility with steel, which limits the application of ECC in composite structures. To prepare ECC with ultra-high tensile strain, tensile tests on eighteen types of ECC with different mix [...] Read more.
At present, the ductility of engineered cementitious composites (ECC) is not sufficient to achieve compatibility with steel, which limits the application of ECC in composite structures. To prepare ECC with ultra-high tensile strain, tensile tests on eighteen types of ECC with different mix ratios were carried out. The effect of cementitious material composition, sand/binder ratio, and fiber hybridization on tensile properties was analyzed. Meanwhile, three types of ECC were developed and defined as ultra-high tensile property cementitious composites (UHTCC). UHTCC exhibits the characteristic of oversaturated cracking and obvious strain hardening during the tensile process. The tensile strain of UHTCC was up to 18.3% with an average tensile strength of 9.9 MPa. Meanwhile, UHTCC shows ultra-high flexural toughness and high compressive strength. In addition, the hybridization of PE fibers and macro-PP fibers has been proved to be beneficial to improve tensile strain capacity, with the cost of fibers decreased by 24.3%. To explore the causes of UHTCC’s ultra-high tensile strain, the state of the matrix and fibers after the tensile test was observed by scanning electron microscope. In addition, the cracking process of UHTCC was analyzed by comparing average crack spacing with the theoretical value. Further, a four-stage tensile constitutive model was proposed. And the new constitutive model has been verified to be applicable to three different types of UHTCC. Full article
(This article belongs to the Special Issue Recent Progress in Hybrid Composites)
Show Figures

Figure 1

15 pages, 4033 KB  
Article
Microstructural and Chemical Analysis of PBT/Glass Fiber Composites: Influence of Fiber Content and Manufacturing on Composite Performance
by Oumayma Hamlaoui, Riadh Elleuch, Hakan Tozan, Imad Tawfiq and Olga Klinkova
Fibers 2025, 13(9), 117; https://doi.org/10.3390/fib13090117 - 28 Aug 2025
Viewed by 1002
Abstract
This paper provides an in-depth analysis of the microstructural characteristics and the chemical content of Polybutylene Terephthalate (PBT) composites that have different contents of Glass Fiber (GF). Blending of VALOX 420 (30 wt% GF/PBT) with unreinforced VALOX 310 allowed the composites to be [...] Read more.
This paper provides an in-depth analysis of the microstructural characteristics and the chemical content of Polybutylene Terephthalate (PBT) composites that have different contents of Glass Fiber (GF). Blending of VALOX 420 (30 wt% GF/PBT) with unreinforced VALOX 310 allowed the composites to be prepared, with control of the concentration and distribution of the GF. The GF reinforcement and PBT matrix were characterized by an advanced microstructural spectrum and spatial analysis to show the influence of fiber density, dispersion, and chemical composition on performance. Findings indicate that GF content has a profound effect on microstructural properties and damage processes, especially traction effects in various regions of the specimen. These results highlight the significance of accurate control of GF during fabrication to maximize durability and performance, which can be used to inform the design of superior PBT/GF composites in challenging engineering applications. The implications of these results are relevant to a number of high-performance sectors, especially in automotive, electrical, and consumer electronic industries, where PBT/GF composites are found in extensive use because of their outstanding mechanical strength, dimensional stability, and thermal resistance. The main novelty of the current research is both the microstructural and chemical assessment of PBT/GF composites in different fiber contents, and this aspect is rather insufficiently studied in the literature. Although the mechanical performance or macro-level aging effects have been previously assessed, the Literature usually did not combine elemental spectroscopy or spatial microstructural mapping to correlate the fiber distribution with the damage mechanisms. Further, despite the importance of GF reinforcement in achieving the right balance between mechanical, thermal, and electrical performance, not much has been conducted in detail to describe the correlation between the microstructure and the evolution of damage in short-fiber composites. Conversely, this paper will use the superior spatial elemental analysis to bring out the effects of GF content and dispersion on micro-mechanisms like interfacial traction, cracking of the matrix, and fiber fracture. We, to the best of our knowledge, are the first to systematically combine chemical spectrum analysis with spatial mapping of PBT/GF systems with varied fiber contents—this allows us to give actionable information on material design and optimized manufacturing procedures. Full article
Show Figures

Figure 1

26 pages, 4117 KB  
Article
Defect Detection via Through-Transmission Ultrasound Using Neural Networks and Domain-Specific Feature Extraction
by Gary LeMay and Enkhsaikhan Boldsaikhan
J. Manuf. Mater. Process. 2025, 9(8), 271; https://doi.org/10.3390/jmmp9080271 - 11 Aug 2025
Viewed by 1201
Abstract
Defect detection in acoustically matched media remains a significant challenge, particularly when defects, such as fiberglass and polyamide residues, exhibit properties that match those of fiber-reinforced composite laminates as the base material. Techniques, such as through-transmission ultrasound (TTU), often miss subtle residues as [...] Read more.
Defect detection in acoustically matched media remains a significant challenge, particularly when defects, such as fiberglass and polyamide residues, exhibit properties that match those of fiber-reinforced composite laminates as the base material. Techniques, such as through-transmission ultrasound (TTU), often miss subtle residues as defects with the use of conventional amplitude-based TTU detection alone. There is a noticeable research gap in properly identifying such subtle residues in composites using TTU inspection. This study investigated the use of neural networks (NNs) to identify subtle defects in composites based on domain-specific feature extraction from TTU signals. Each signal waveform of each spatial TTU inspection is used as a discrete sample to obtain a larger dataset for each specimen. Domain-specific features were extracted separately from the time, frequency, and wavelet domains, resulting in independent feature vectors to emphasize the signal characteristics. The NN classification used 70% of the overall dataset for training and 30% for testing. Results reveal the features of the time- and frequency domains perform well, achieving macro-F1 scores of 0.96 and 0.97, respectively, while wavelet domain features perform lower with a macro-F1 score of 0.62. Wavelet-domain features perhaps need machine learning methods like recurrent NNs to correctly recognize subtle time-dependent signal variations. Full article
(This article belongs to the Special Issue Smart Manufacturing in the Era of Industry 4.0, 2nd Edition)
Show Figures

Figure 1

Back to TopTop