Sign in to use this feature.

Years

Between: -

Subjects

remove_circle_outline
remove_circle_outline
remove_circle_outline
remove_circle_outline
remove_circle_outline
remove_circle_outline
remove_circle_outline
remove_circle_outline
remove_circle_outline

Journals

remove_circle_outline
remove_circle_outline
remove_circle_outline
remove_circle_outline
remove_circle_outline
remove_circle_outline
remove_circle_outline
remove_circle_outline
remove_circle_outline
remove_circle_outline
remove_circle_outline
remove_circle_outline
remove_circle_outline
remove_circle_outline
remove_circle_outline
remove_circle_outline

Article Types

Countries / Regions

remove_circle_outline
remove_circle_outline
remove_circle_outline
remove_circle_outline

Search Results (1,112)

Search Parameters:
Keywords = loop cycle

Order results
Result details
Results per page
Select all
Export citation of selected articles as:
13 pages, 1855 KB  
Article
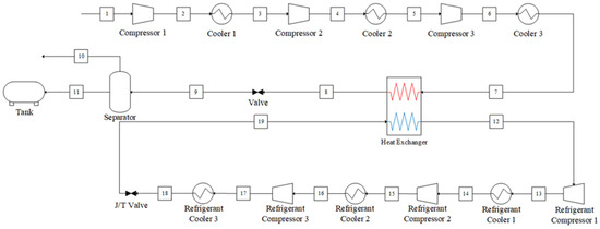
Design and Thermodynamic Analysis of CO2 Liquefaction Processes for Onboard Carbon Capture and Storage
by Sejun Park, Sangmin Ji, Yujin Cheon and Jinkwang Lee
J. Mar. Sci. Eng. 2025, 13(10), 1976; https://doi.org/10.3390/jmse13101976 - 15 Oct 2025
Viewed by 152
Abstract
This study evaluates the thermodynamic performance of the following two CO2 liquefaction processes for onboard carbon capture and storage (OCCS) on a 174,000 m3 LNG carrier: the Linde–Hampson and vapor compression refrigeration cycles. The cycles were designed based on realistic vessel [...] Read more.
This study evaluates the thermodynamic performance of the following two CO2 liquefaction processes for onboard carbon capture and storage (OCCS) on a 174,000 m3 LNG carrier: the Linde–Hampson and vapor compression refrigeration cycles. The cycles were designed based on realistic vessel operating conditions and compared using the specific energy consumption (SEC) as the primary performance indicator, alongside the coefficient of performance (COP). To enable a fair comparison of the two distinct cycles, a complementary COP metric was validated for the open-loop Linde–Hampson cycle by establishing a system-level definition of heat removal. The validity of this metric was confirmed by demonstrating that its optimal point (maximum COP) aligns with that of the primary metric (minimum SEC), ensuring thermodynamic consistency. The analysis reveals that the vapor compression cycle demonstrates superior performance, achieving an 8.35% higher COP and an 11.45% lower SEC than the Linde–Hampson cycle. This work provides a consistent methodology for the comparative assessment of open- and closed-loop liquefaction systems. Full article
(This article belongs to the Section Marine Energy)
Show Figures

Figure 1

15 pages, 1996 KB  
Article
Implementation of Acyclic Matching in Aerospace Technology for Honeycomb-Designed Satellite Constellations
by Saffren Sundher, Angel Dharmakkan, Govindarajan Arunachalam, Vidhya Mohanakrishnan and Manigandan Sekar
Mathematics 2025, 13(20), 3280; https://doi.org/10.3390/math13203280 - 14 Oct 2025
Viewed by 151
Abstract
Operational satellites are critical to modern aerospace infrastructure, supporting essential services such as communication, navigation, and global surveillance. However, the increasing density of satellites and space debris in Earth’s orbit has heightened the risk of collisions, thereby threatening network reliability. This study addresses [...] Read more.
Operational satellites are critical to modern aerospace infrastructure, supporting essential services such as communication, navigation, and global surveillance. However, the increasing density of satellites and space debris in Earth’s orbit has heightened the risk of collisions, thereby threatening network reliability. This study addresses the dual challenge of managing space debris and enhancing satellite network performance by applying the concept of acyclic matching from graph theory to satellite constellations modeled as honeycomb networks. Acyclic matching identifies edge subsets without shared nodes or cycles, enabling static signal rerouting through pre-computed, loop-free paths. This ensures fault tolerance and efficient resource allocation in increasingly complex satellite constellations. The proposed method derives the general solution for acyclic matching cardinality and determines the maximum matching set for n-dimensional honeycomb networks. This technique aligns with emerging trends in autonomous fault-tolerant systems and adaptive routing protocols, proving particularly relevant for large-scale satellite systems such as Starlink and global navigation constellations. By providing alternative communication paths in the event of satellite or link failures, the approach significantly enhances the scalability, reliability, and resilience of satellite networks, ensuring uninterrupted service and improved space traffic management in the face of rising orbital congestion. Full article
Show Figures

Figure 1

19 pages, 1111 KB  
Article
Life Cycle Assessment of the Construction and Demolition Waste Recovery Process
by Mateusz Malinowski, Zuzanna Basak, Stanisław Famielec, Arkadiusz Bieszczad, Sabina Angrecka and Stanisław Bodziacki
Materials 2025, 18(20), 4685; https://doi.org/10.3390/ma18204685 - 13 Oct 2025
Viewed by 282
Abstract
Effective recovery of materials from construction and demolition waste (CDW) remains a major problem and a real challenge in terms of implementing the circular economy. In many countries, this waste is landfilled due to the lack of modern technological lines for its recovery [...] Read more.
Effective recovery of materials from construction and demolition waste (CDW) remains a major problem and a real challenge in terms of implementing the circular economy. In many countries, this waste is landfilled due to the lack of modern technological lines for its recovery and recycling, including the sorting of materials suitable for reuse. Understanding the environmental impact of the CDW treatment process is important as it constitutes the final stage of building life cycle assessment and the basis for eco-design of construction processes. In addition, the recovered materials can be used as raw materials for construction, thereby closing the waste loop and aligning with the circular economy concept. The purpose of this study is to compare the environmental impact of three different CDW recovery technologies in order to identify the optimal option. The analysis was performed using the life cycle assessment (LCA) methodology, SimaPro 8.1 software, and the Ecoinvent v3.8 database. 1 Mg of processed CDW was adopted as the functional unit. It was found that the process of recovering materials from CDW allows for sorting over 13% of materials for recycling and approx. 40% of raw materials for reuse (stone aggregates). The conducted analyses showed that all three installations exert a negative impact on the environment. Solution No. 2 had the lowest total environmental impact (15.96 Pt) under the assumptions and datasets used in this study, presenting average electricity and fuel consumption and average weight of sorted materials for recycling. Installation No. 3, which sorts the largest volume of materials for recycling, also used the most electricity; therefore, it could not be considered as the solution with the minimal overall environmental impact. The research revealed that the treatment of CDW in a crusher, applied at all installations, is the process stage resulting in the greatest environmental pressure (16.92 Pt). The high level of sorted recyclable waste enabled a relatively low carbon footprint for processes No. 2 and No. 3, 18.7 and 17.6 kg CO2 eq, respectively (more than four times lower than for installation No. 1). Future analyses should focus on optimizing the CDW recovery process by avoiding the use of impact crushers, as adding more waste sorting equipment does not significantly enhance environmental benefits. Full article
(This article belongs to the Section Construction and Building Materials)
Show Figures

Figure 1

40 pages, 7197 KB  
Review
Pultrusion and Vitrimer Composites: Emerging Pathways for Sustainable Structural Materials
by Vishal Kumar, Khaled W. Shahwan, Wenbin Kuang, Kevin L. Simmons, Philip Taynton and Emily R. Cieslinski
J. Compos. Sci. 2025, 9(10), 559; https://doi.org/10.3390/jcs9100559 - 13 Oct 2025
Viewed by 459
Abstract
Pultrusion is a manufacturing process used to produce fiber-reinforced polymer composites with excellent mechanical, thermal, and chemical properties. The resulting materials are lightweight, durable, and corrosion-resistant, making them valuable in aerospace, automotive, construction, and energy sectors. However, conventional thermoset composites remain difficult to [...] Read more.
Pultrusion is a manufacturing process used to produce fiber-reinforced polymer composites with excellent mechanical, thermal, and chemical properties. The resulting materials are lightweight, durable, and corrosion-resistant, making them valuable in aerospace, automotive, construction, and energy sectors. However, conventional thermoset composites remain difficult to recycle due to their infusible and insoluble cross-linked structure. This review explores integrating vitrimer technology a novel class of recyclable thermosets with dynamic covalent adaptive networks into the pultrusion process. As only limited studies have directly reported vitrimer pultrusion to date, this review provides a forward-looking perspective, highlighting fundamental principles, challenges, and opportunities that can guide future development of recyclable high-performance composites. Vitrimers combine the mechanical strength (tensile strength and modulus) of thermosets with the reprocessability and reshaping of thermoplastics through dynamic bond exchange mechanisms. These polymers offer high-temperature reprocessability, self-healing, and closed-loop recyclability, where recycling efficiency can be evaluated by the recovery yield retention of mechanical properties and reuse cycles meeting the demand for sustainable manufacturing. Key aspects discussed include resin formulation, fiber impregnation, curing cycles, and die design for vitrimer systems. The temperature-dependent bond exchange reactions present challenges in achieving optimal curing and strong fiber–matrix adhesion. Recent studies indicate that vitrimer-based composites can maintain structural integrity while enabling recycling and repair, with mechanical performance such as flexural and tensile strength comparable to conventional composites. Incorporating vitrimer materials into pultrusion could enable high-performance, lightweight products for a circular economy. The remaining challenges include optimizing curing kinetics, improving interfacial adhesion, and scaling production for widespread industrial adoption. Full article
(This article belongs to the Section Polymer Composites)
Show Figures

Figure 1

27 pages, 369 KB  
Review
Industrial Scheduling in the Digital Era: Challenges, State-of-the-Art Methods, and Deep Learning Perspectives
by Alina Itu
Appl. Sci. 2025, 15(19), 10823; https://doi.org/10.3390/app151910823 - 9 Oct 2025
Viewed by 531
Abstract
Industrial scheduling plays a central role in Industry 4.0, where efficiency, robustness, and adaptability are essential for competitiveness. This review surveys recent advances in reinforcement learning, digital twins, and hybrid artificial intelligence (AI)–operations research (OR) approaches, which are increasingly used to address the [...] Read more.
Industrial scheduling plays a central role in Industry 4.0, where efficiency, robustness, and adaptability are essential for competitiveness. This review surveys recent advances in reinforcement learning, digital twins, and hybrid artificial intelligence (AI)–operations research (OR) approaches, which are increasingly used to address the complexity of flexible job-shop and distributed scheduling problems. We focus on how these methods compare in terms of scalability, robustness under uncertainty, and integration with industrial IT systems. To move beyond an enumerative survey, the paper introduces a structured analysis in three domains: comparative strengths and limitations of different approaches, ready-made tools and integration capabilities, and representative industrial case studies. These cases, drawn from recent literature, quantify improvements such as reductions in makespan, tardiness, and cycle time variability, or increases in throughput and schedule stability. The review also discusses critical challenges, including data scarcity, computational cost, interoperability with Enterprise Resource Planning (ERP)/Manufacturing Execution System (MES) platforms, and the need for explainable and human-in-the-loop frameworks. By synthesizing methodological advances with industrial impact, the paper highlights both the potential and the limitations of current approaches and outlines key directions for future research in resilient, data-driven production scheduling. Full article
(This article belongs to the Special Issue Advances in AI and Optimization for Scheduling Problems in Industry)
16 pages, 2810 KB  
Article
The Establishment of a Sheep Embryo Genomic Selection System
by Yubing Wang, Hao Qin, Ke Li, Jia Hao, Xingyuan Liu, Dayong Chen, Lei Cheng, Huijie He, Riga Wu, Yingjie Wu, Yinjuan Wang, Min Guo, Qin Li, Lei An, Jianhui Tian, Hongbing Han and Guangyin Xi
Int. J. Mol. Sci. 2025, 26(19), 9738; https://doi.org/10.3390/ijms26199738 - 7 Oct 2025
Viewed by 362
Abstract
Embryo genomic selection (EGS) is a contemporary breeding strategy that combines genomic selection (GS) methodology with embryo biotechnology. By conducting genotyping and genomic prediction at the pre-implantation stage, embryos with superior breeding value can be identified for transfer, markedly increasing breeding efficiency while [...] Read more.
Embryo genomic selection (EGS) is a contemporary breeding strategy that combines genomic selection (GS) methodology with embryo biotechnology. By conducting genotyping and genomic prediction at the pre-implantation stage, embryos with superior breeding value can be identified for transfer, markedly increasing breeding efficiency while reducing the uncertainty and temporal expenditure associated with conventional GS. This study establishes a reliable embryo biopsy-based GS pipeline for sheep, incorporating optimized whole-genome amplification and microcell genotyping techniques. We developed a high-efficiency in vitro sheep embryo production platform compatible with embryo biopsy. Systematic comparison of Multiple Displacement Amplification (MDA) and Multiple Annealing and Looping Based Amplification Cycles (MALBAC) whole-genome amplification systems yielded high-quality genotypes from biopsy samples of embryos containing as few as 10 cells. Imputation using 10× whole-genome sequencing data significantly increased both genotype call rates and accuracy. High concordance was observed between embryo and lamb genotypes, and genomic estimated breeding values (GEBVs) for key growth traits exhibited strong correlations (R2: 0.91–0.98). This system enables accurate preimplantation genomic evaluation and provides an efficient strategy to accelerate genetic improvement in sheep breeding programs. Full article
(This article belongs to the Section Molecular Genetics and Genomics)
Show Figures

Figure 1

16 pages, 1306 KB  
Review
Saying “Yes” to NONO: A Therapeutic Target for Neuroblastoma and Beyond
by Sofya S. Pogodaeva, Olga O. Miletina, Nadezhda V. Antipova, Alexander A. Shtil and Oleg A. Kuchur
Cancers 2025, 17(19), 3228; https://doi.org/10.3390/cancers17193228 - 3 Oct 2025
Viewed by 297
Abstract
Pediatric tumors such as neuroblastoma are characterized by a genome-wide ‘transcriptional burden’, surmising the involvement of multiple alterations of gene expression. Search for master regulators of transcription whose inactivation is lethal for tumor cells identified the non-POU domain-containing octamer-binding protein (NONO), a member [...] Read more.
Pediatric tumors such as neuroblastoma are characterized by a genome-wide ‘transcriptional burden’, surmising the involvement of multiple alterations of gene expression. Search for master regulators of transcription whose inactivation is lethal for tumor cells identified the non-POU domain-containing octamer-binding protein (NONO), a member of the Drosophila Behavior/Human Splicing family known for the ability to form complexes with macromolecules. NONO emerges as an essential mechanism in normal neurogenesis as well as in tumor biology. In particular, NONO interactions with RNAs, largely with long non-coding MYCN transcripts, have been attributed to the aggressiveness of neuroblastoma. Broadening its significance beyond MYCN regulation, NONO guards a subset of transcription factors that comprise a core regulatory circuit, a self-sustained loop that maintains transcription. As a component of protein–protein complexes, NONO has been implicated in the control of cell cycle progression, double-strand DNA repair, and, generally, in cell survival. Altogether, the pro-oncogenic roles of NONO justify the need for its inactivation as a therapeutic strategy. However, considering NONO as a therapeutic target, its druggability is a challenge. Recent advances in the inactivation of NONO and downstream signaling with small molecular weight compounds make promising the development of pharmacological antagonists of NONO pathway(s) for neuroblastoma treatment. Full article
(This article belongs to the Special Issue Precision Medicine and Targeted Therapies in Neuroblastoma)
Show Figures

Figure 1

15 pages, 4660 KB  
Article
Tuning Chemical Looping Steam Reforming of Methane Performance via Ni-Fe-Al Interaction in Spinel Ferrites
by Jun Hu, Hongyang Yu and Yanan Wang
Fuels 2025, 6(4), 76; https://doi.org/10.3390/fuels6040076 - 3 Oct 2025
Viewed by 318
Abstract
The chemical looping steam reforming of methane (CLSR) employing Fe-containing oxygen carriers can produce syngas and hydrogen simultaneously. However, Fe-based oxygen carriers exhibit low CH4 activation ability and cyclic stability. In this work, oxygen carriers with fixed Fe content and different Fe/Ni [...] Read more.
The chemical looping steam reforming of methane (CLSR) employing Fe-containing oxygen carriers can produce syngas and hydrogen simultaneously. However, Fe-based oxygen carriers exhibit low CH4 activation ability and cyclic stability. In this work, oxygen carriers with fixed Fe content and different Fe/Ni ratios were synthesized by the sol–gel method to investigate the effects of Ni-Fe-Al interactions on CLSR performance. Ni-Fe-Al interactions promote the growth of the spinel structure and regulate both the catalytic sites and the available lattice oxygen, resulting in the CH4 conversion and CO selectivity being maintained at 96–98% and above 98% for the most promising oxygen carrier, with an Fe2O3 content of 20 wt% and Fe/Ni molar ratio of 10. The surface, phase, and particle size were kept the same over 90 cycles, leading to high stability. During the CLSR cycles, conversion from Fe3+ to Fe2+/Fe0 occurs, along with transformation between Ni2+ in NiAl2O4 and Ni0. Overall, the results demonstrate the feasibility of using spinel containing earth-abundant elements in CLSR and the importance of cooperation between oxygen release and CH4 activation. Full article
Show Figures

Figure 1

21 pages, 2866 KB  
Article
Evaluation of the Adaptive Behavior of a Shell-Type Elastic Element of a Drilling Shock Absorber with Increasing External Load Amplitude
by Andrii Velychkovych, Vasyl Mykhailiuk and Andriy Andrusyak
Vibration 2025, 8(4), 60; https://doi.org/10.3390/vibration8040060 - 2 Oct 2025
Viewed by 291
Abstract
Vibration loads during deep drilling are one of the main causes of reduced service life of drilling tools and emergency failure of downhole motors. This work investigates the adaptive operation of an original elastic element based on an open cylindrical shell used as [...] Read more.
Vibration loads during deep drilling are one of the main causes of reduced service life of drilling tools and emergency failure of downhole motors. This work investigates the adaptive operation of an original elastic element based on an open cylindrical shell used as part of a drilling shock absorber. The vibration protection device contains an adjustable radial clearance between the load-bearing shell and the rigid housing, which provides the effect of structural nonlinearity. This allows effective combination of two operating modes of the drilling shock absorber: normal mode, when the clearance does not close and the elastic element operates with increased compliance; and emergency mode, when the clearance closes and gradual load redistribution and increase in device stiffness occur. A nonconservative problem concerning the contact interaction of an elastic filler with a coaxially installed shaft and an open shell is formulated, and as the load increases, contact between the shell and the housing, installed with a radial clearance, is taken into account. Numerical finite element modeling is performed considering dry friction in contact pairs. The distributions of radial displacements, contact stresses, and equivalent stresses are examined, and deformation diagrams are presented for two loading modes. The influence of different cycle asymmetry coefficients on the formation of hysteresis loops and energy dissipation is analyzed. It is shown that with increasing load, clearance closure begins from local sectors and gradually covers almost the entire outer surface of the shell. This results in deconcentration of contact pressure between the shell and housing and reduction of peak concentrations of equivalent stresses in the open shell. The results confirm the effectiveness of the adaptive approach to designing shell shock absorbers capable of reliably withstanding emergency overloads, which is important for deep drilling where the exact range of external impacts is difficult to predict. Full article
(This article belongs to the Special Issue Vibration Damping)
Show Figures

Figure 1

44 pages, 9564 KB  
Review
Oxidative Stress, Inflammation, and Cellular Senescence in Neuropathic Pain: Mechanistic Crosstalk
by Bojan Stojanovic, Ivana Milivojcevic Bevc, Milica Dimitrijevic Stojanovic, Bojana S. Stojanovic, Tatjana Lazarevic, Marko Spasic, Marko Petrovic, Ivana Stefanovic, Marina Markovic, Jelena Nesic, Danijela Jovanovic, Miodrag Peulic, Ana Azanjac Arsic, Ana Lukovic, Nikola Mirkovic, Stevan Eric and Nenad Zornic
Antioxidants 2025, 14(10), 1166; https://doi.org/10.3390/antiox14101166 - 25 Sep 2025
Viewed by 910
Abstract
Neuropathic pain is a chronic condition driven by intertwined mechanisms of oxidative stress, inflammation, and cellular senescence. Nerve injury and metabolic stress elevate reactive oxygen and nitrogen species, disrupt mitochondrial function, and activate the DNA-damage response, which stabilizes p53 and induces p16/p21-mediated cell-cycle [...] Read more.
Neuropathic pain is a chronic condition driven by intertwined mechanisms of oxidative stress, inflammation, and cellular senescence. Nerve injury and metabolic stress elevate reactive oxygen and nitrogen species, disrupt mitochondrial function, and activate the DNA-damage response, which stabilizes p53 and induces p16/p21-mediated cell-cycle arrest. These events promote a senescence-associated secretory phenotype (SASP) rich in cytokines, chemokines, and prostanoids that amplify neuroimmune signaling. In the spinal dorsal horn and dorsal root ganglia, microglia and astroglia respond to redox imbalance and danger cues by engaging NF-κB and MAPK pathways, increasing COX-2–dependent prostaglandin synthesis, and releasing mediators such as IL-1β and BDNF that enhance synaptic transmission and reduce inhibitory tone through KCC2 dysfunction. At the periphery, persistent immune-glial cross-talk lowers activation thresholds of nociceptors and sustains ectopic firing, while impaired autophagy and mitophagy further exacerbate mitochondrial dysfunction and ROS production. Collectively, these processes establish a feed-forward loop in which redox imbalance triggers senescence programs and SASP, SASP perpetuates neuroinflammation, and neuroinflammation maintains central sensitization—thereby consolidating a self-sustaining redox–senescence–inflammatory circuit underlying neuropathic pain chronicity. Full article
(This article belongs to the Special Issue Chronic Pain and Oxidative Stress)
Show Figures

Figure 1

30 pages, 10255 KB  
Article
Hybrid Design Optimization Methodology for Electromechanical Linear Actuators in Automotive LED Headlights
by Mario Đurić, Luka Selak and Drago Bračun
Actuators 2025, 14(10), 465; https://doi.org/10.3390/act14100465 - 24 Sep 2025
Viewed by 409
Abstract
The development of electromechanical linear actuators (EMLAs) aims at compactness, energy efficiency, and high reliability. Conventional design methods often rely on costly prototypes and individual considerations of mechanics, electromagnetics, and control dynamics. This leads to long development cycles, inadequate treatment of nonlinear effects, [...] Read more.
The development of electromechanical linear actuators (EMLAs) aims at compactness, energy efficiency, and high reliability. Conventional design methods often rely on costly prototypes and individual considerations of mechanics, electromagnetics, and control dynamics. This leads to long development cycles, inadequate treatment of nonlinear effects, and suboptimal performance. To address these challenges, our paper introduces a novel hybrid design methodology, integrating Analytical Modeling, Finite Element Analysis (FEA), Genetic Algorithms (GAs), and targeted experiments. Analytical Modeling provides rapid sizing, FEA combined with a GA refines geometry, and targeted experiments quantify nonlinear effects (friction, wear, thermal variability, and dynamic resonances). Unlike conventional methods, the integration is performed within iterative loops, using empirical data to refine simulation assumptions. As a result, development time is reduced by 30% and nonlinear effects are precisely addressed. The method is demonstrated on an automotive-grade EMLA. Its design is based on a claw-pole Permanent Magnet Stepper Motor, a trapezoidal lead screw, and an open-loop control with Hall effect end-position detection. After applying the method, the EMLA delivers more than 40 N of push force and achieves 600,000 actuations under the required conditions, making it suitable for various applications. Full article
(This article belongs to the Section High Torque/Power Density Actuators)
Show Figures

Figure 1

21 pages, 3479 KB  
Article
A Comprehensive Methodology for Soft Error Rate (SER) Reduction in Clock Distribution Network
by Jorge Johanny Saenz-Noval, Umberto Gatti and Cristiano Calligaro
Chips 2025, 4(4), 39; https://doi.org/10.3390/chips4040039 - 24 Sep 2025
Viewed by 352
Abstract
Single Event Transients (SETs) in clock-distribution networks are a major source of soft errors in synchronous systems. We present a practical framework that assesses SET risk early in the design cycle, before layout and parasitics, using a Vulnerability Function (VF) derived from Verilog [...] Read more.
Single Event Transients (SETs) in clock-distribution networks are a major source of soft errors in synchronous systems. We present a practical framework that assesses SET risk early in the design cycle, before layout and parasitics, using a Vulnerability Function (VF) derived from Verilog fault injection. This framework guides targeted Engineering Change Orders (ECOs), such as clock-net remapping, re-routing, and the selective insertion of SET filters, within a reproducible open-source flow (Yosys, OpenROAD, OpenSTA). A new analytical Soft Error Rate (SER) model for clock trees is also proposed, which decomposes contributions from the root, intermediate levels, and leaves, and is calibrated by SPICE-measured propagation probabilities, area, and particle flux. When coupled with throughput, this model yields a frequency-aware system-level Bit Error Rate (BERsys). The methodology was validated on a First-In First-Out (FIFO) memory, demonstrating a significant vulnerability reduction of approximately 3.35× in READ mode and 2.67× in WRITE mode. Frequency sweeps show monotonic decreases in both clock-tree vulnerability and BERsys at higher clock frequencies, a trend attributed to temporal masking and throughput effects. Cross-node SPICE characterization between 65 nm and 28 nm reveals a technology-dependent effect: for the same injected charge, the 28 nm process produces a shorter root-level pulse, which lowers the propagation probability relative to 65 nm and shifts the optimal clock-tree partition. These findings underscore the framework’s key innovations: a technology-independent, early-stage VF for ranking critical clock nets; a clock-tree SER model calibrated by measured propagation probabilities; an ECO loop that converts VF insights into concrete hardening actions; and a fully reproducible open-source implementation. The paper’s scope is architectural and pre-layout, with extensions to broader circuit classes and a full electrical analysis outlined for future work. Full article
Show Figures

Figure 1

15 pages, 1789 KB  
Article
Averaging-Based Method for Real-Time Estimation of Voltage Effective Value in Grid-Connected Inverters
by Byunggyu Yu
Electronics 2025, 14(18), 3733; https://doi.org/10.3390/electronics14183733 - 21 Sep 2025
Viewed by 319
Abstract
Accurate and timely estimation of the root-mean-square (RMS) voltage is essential for grid-connected inverter systems, where it underpins reference generation, synchronization, and protection functions. Conventional RMS estimation methods, based on squaring, averaging, and taking the square root of values over full-cycle windows, achieve [...] Read more.
Accurate and timely estimation of the root-mean-square (RMS) voltage is essential for grid-connected inverter systems, where it underpins reference generation, synchronization, and protection functions. Conventional RMS estimation methods, based on squaring, averaging, and taking the square root of values over full-cycle windows, achieve high accuracy but incur significant latency and computational overhead, thereby limiting their suitability for real-time control. Frequency-domain approaches, such as the FFT or wavelet analysis offer harmonic decomposition but are too complex for cost-sensitive embedded controllers. To address these challenges, this paper proposes an averaging-based RMS estimation method that exploits the proportionality between the mean absolute value of a sinusoidal waveform and its RMS. The method computes a moving average of the absolute voltage over a half-cycle window synchronized to the phase-locked loop (PLL) frequency, followed by a fixed scaling factor. This recursive implementation reduces the computational burden to a few arithmetic operations per sample while maintaining synchronization with off-nominal frequencies. Time-domain simulations under nominal (60 Hz) and deviated frequencies (57 Hz and 63 Hz) demonstrate that the proposed estimator achieves steady-state accuracy comparable to that of conventional and adaptive methods but with convergence within a half-cycle, thereby reducing latency by nearly 50%. These results confirm the method’s suitability for fast, reliable, and resource-efficient real-time inverter control in modern distribution grids. To provide a comprehensive evaluation, the paper first reviews conventional RMS estimation methods and their inherent limitations, followed by a detailed presentation of the proposed averaging-based approach. Simulation results under both nominal and off-nominal frequency conditions are then presented, along with a comparative analysis highlighting the advantages of the proposed method. Full article
(This article belongs to the Special Issue Optimal Integration of Energy Storage and Conversion in Smart Grids)
Show Figures

Figure 1

17 pages, 2065 KB  
Article
Enhancing Injection Molding Process by Implementing Cavity Pressure Sensors and an Iterative Learning Control (ILC) Methodology
by Diana Angélica García-Sánchez, Jan Mayén Chaires, Hugo Arcos-Gutiérrez, Isaías E. Garduño, Maria Guadalupe Navarro-Rojero, Adriana Gallegos-Melgar, José Antonio Betancourt-Cantera, Maricruz Hernández-Hernández and Victor Hugo Mercado-Lemus
Processes 2025, 13(9), 3010; https://doi.org/10.3390/pr13093010 - 21 Sep 2025
Viewed by 486
Abstract
Plastic injection molding is a widely used manufacturing process for producing plastic components. However, achieving optimal process stability and part quality remains a persistent challenge due to limited real-time feedback during production. The main objective of this study is to present a method [...] Read more.
Plastic injection molding is a widely used manufacturing process for producing plastic components. However, achieving optimal process stability and part quality remains a persistent challenge due to limited real-time feedback during production. The main objective of this study is to present a method to overcome this limitation by integrating in-mold cavity pressure sensors with an Iterative Learning Control (ILC) strategy to optimize key processing parameters autonomously. The ILC methodology established a closed-loop system; over successive production cycles, cavity pressure profiles were analyzed to automatically adjust the holding pressure, holding time, and switchover point. Each iteration refined the parameters based on sensor data, creating a learning-based optimization loop that accelerated the convergence to optimal settings. The methodology was validated by producing an automotive plastic component. The results demonstrate a 100% success rate in correcting ten critical dimensional errors, fulfilling all part tolerances. Additionally, the overall cycle time decreased by 8%, from 55.0 to 50.6 s. Other findings included updates to key process molding parameters, such as reducing holding pressure from 250 to 230 bar and holding time from 18 to 12 s, as well as increasing the switchover point from 41 to 72 mm. This research confirms that combining real-time cavity pressure monitoring with ILC offers a strong, data-driven framework for significantly improving quality, efficiency, and process stability in injection molding. Full article
(This article belongs to the Section Process Control and Monitoring)
Show Figures

Figure 1

27 pages, 10722 KB  
Article
Improved Operation of the Modified Non-Inverting Step-Down/Up (MNI-SDU) DC-DC Converter
by Juan A. Villanueva-Loredo, Julio C. Rosas-Caro, Panfilo R. Martinez-Rodriguez, Christopher J. Rodriguez-Cortes, Diego Langarica-Cordoba and Gerardo Vazquez-Guzman
Micromachines 2025, 16(9), 1063; https://doi.org/10.3390/mi16091063 - 20 Sep 2025
Viewed by 268
Abstract
This paper presents an enhanced operation strategy for a recently proposed converter called Modified Non-Inverting Step-Down/Up (MNI-SDU) DC-DC converter intended for battery voltage regulation. Unlike the conventional approach, where both switching stages share a single duty cycle, the proposed method controls asynchronously the [...] Read more.
This paper presents an enhanced operation strategy for a recently proposed converter called Modified Non-Inverting Step-Down/Up (MNI-SDU) DC-DC converter intended for battery voltage regulation. Unlike the conventional approach, where both switching stages share a single duty cycle, the proposed method controls asynchronously the two duty cycles through a fixed time offset to optimize performance. A methodology is developed to define suitable duty cycle ranges that ensure proper converter operation according to input/output voltage specifications, while simultaneously reducing the current and voltage ripples and electrical stress in the capacitor and semiconductors. Furthermore, a model-based control strategy is proposed, taking into account the enhanced operational characteristics. Consequently, a PI-PI current-mode controller is designed using loop shaping techniques to maintain the output voltage regulated at the desired level. The proposed approach is analyzed mathematically and validated through experimental results. The findings demonstrate that optimizing through asynchronous duty-cycle control with a fixed time offset improves ripple, stress values, and overall efficiency, while maintaining robust output voltage regulation, making this method well-suited for applications requiring compact and reliable power conversion. Full article
(This article belongs to the Topic Power Electronics Converters, 2nd Edition)
Show Figures

Figure 1

Back to TopTop