Sign in to use this feature.

Years

Between: -

Subjects

remove_circle_outline
remove_circle_outline
remove_circle_outline
remove_circle_outline
remove_circle_outline
remove_circle_outline
remove_circle_outline
remove_circle_outline
remove_circle_outline

Journals

remove_circle_outline
remove_circle_outline
remove_circle_outline
remove_circle_outline
remove_circle_outline
remove_circle_outline
remove_circle_outline
remove_circle_outline
remove_circle_outline
remove_circle_outline
remove_circle_outline
remove_circle_outline
remove_circle_outline
remove_circle_outline
remove_circle_outline
remove_circle_outline
remove_circle_outline
remove_circle_outline
remove_circle_outline
remove_circle_outline
remove_circle_outline
remove_circle_outline

Article Types

Countries / Regions

remove_circle_outline
remove_circle_outline
remove_circle_outline
remove_circle_outline
remove_circle_outline
remove_circle_outline

Search Results (4,701)

Search Parameters:
Keywords = large deformation

Order results
Result details
Results per page
Select all
Export citation of selected articles as:
29 pages, 15319 KB  
Article
Analysis and Optimization Research on the Failure Mechanism of the Sealing Structure of the High-Pressure Casing Hanger
by Yaoming Zhang, Xuliang Zhang, Fudong Liu, Pengcheng Wang, Jianfei Wang, Fei Zhan, Rui Ma and Yang Liu
Processes 2026, 14(6), 1028; https://doi.org/10.3390/pr14061028 - 23 Mar 2026
Abstract
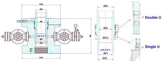
In order to design a new type of long-life and reliable casing hanger, this paper studied the failure mechanisms of the rubber sealing structures of the slip hanger and the mandrel hanger. Through tensile and compressive tests, the tests and analyses of different [...] Read more.
In order to design a new type of long-life and reliable casing hanger, this paper studied the failure mechanisms of the rubber sealing structures of the slip hanger and the mandrel hanger. Through tensile and compressive tests, the tests and analyses of different rubber structures were completed, data fitting was carried out, and the constitutive relationship of the rubber material was obtained. A superior constitutive model was applied to the sealing materials of the hanger. Numerical calculations were used to obtain the strength and sealing performance variation laws of the rubber sealing components with different structures, and the reasons for the failure of the conventional hanger were found. The results show that the rubber components and the ball-shaped metal sealing components will lose their elastic deformation under high-pressure and large-load conditions, and the reliability will decrease. Finally, a new type of metal sealing structure was designed. Compared with the previous metal sealing structures, this paper conducts a more in-depth and detailed study, and further presents the superiority of metal sealing in terms of structural dimensions and working principles. Experiments were conducted, and the results showed that this sealing structure can meet the usage requirements of the casing hanger with large loads and high pressure. The research results provide theoretical and application guidance for the design of long-life and reliable performance hanger sealing structures. Full article
(This article belongs to the Section Petroleum and Low-Carbon Energy Process Engineering)
Show Figures

Figure 1

21 pages, 15340 KB  
Article
Distinguishing Between Internal Ice Deformation, Weertman Sliding, and Coulomb Friction in Antarctic Ice Sheet Surface Speeds
by Hillel Rosenshine and Victor C. Tsai
Glacies 2026, 3(1), 5; https://doi.org/10.3390/glacies3010005 - 23 Mar 2026
Abstract
Future contributions to sea level rise from the Antarctic Ice Sheet due to climate change remain one of the largest uncertainties for future sea level. Improving predictions of ice mass loss is a major goal of numerical ice sheet models, but a major [...] Read more.
Future contributions to sea level rise from the Antarctic Ice Sheet due to climate change remain one of the largest uncertainties for future sea level. Improving predictions of ice mass loss is a major goal of numerical ice sheet models, but a major difficulty is that ice sheet models assume an empirical fit to modern-day observed speeds to infer sliding parameters. While this results in accurate modern-day comparisons, predictions for future or past climates that have substantially different conditions will be inaccurate if the empirical sliding law used is not appropriate. To help constrain which basal physics is most appropriate and therefore which basal parameterizations should be used in ice sheet models, here, we pursue an understanding of which physical mechanisms are most likely to explain the spatial variability in flowline speeds throughout the Antarctic Ice Sheet. Specifically, we compare observed flowline surface speeds with predictions of speeds from internal ice deformation and Weertman sliding using a conservative range of physical parameters. Despite large uncertainties, we find a number of flowlines where the predictions can be distinguished from each other and one can infer that one of the two mechanisms, or a third mechanism, Coulomb frictional failure, may likely be principally responsible. Geographic patterns in the dominant mechanism are observed. Weertman sliding appears dominant in several flowline clusters in East Antarctica, and there are regional consistencies in the estimated nearness to flotation at locations of inferred initiation of Coulomb failure. Weertman sliding at faster rates is also observed within regions of inferred Coulomb failure, consistent with theoretical expectations. The key finding that the dominant deformation mechanism varies along and between Antarctic flowlines may complicate how ice sheet models need to be parameterized if accurate predictions of future ice loss and sea level rise are to be accurate. Full article
Show Figures

Figure 1

24 pages, 7126 KB  
Article
3D Printing of Earth-Based Mixtures: Linking Material Design, Printability, and Structural Performance
by Daiquiri Zozaya, Hamideh Shojaeian, Francisco Uviña-Contreras and Maryam Hojati
Buildings 2026, 16(6), 1261; https://doi.org/10.3390/buildings16061261 - 23 Mar 2026
Abstract
The advancement of sustainable construction requires the development of earthen materials compatible with 3D printing (additive manufacturing), along with specified engineering standards. Many existing studies improve workability and early strength using chemical stabilizers such as cement; however, these additives increase embodied carbon and [...] Read more.
The advancement of sustainable construction requires the development of earthen materials compatible with 3D printing (additive manufacturing), along with specified engineering standards. Many existing studies improve workability and early strength using chemical stabilizers such as cement; however, these additives increase embodied carbon and undermine sustainability objectives. Challenges remain in the formulation of an earthen mixture that satisfies both printability and structural requirements for large-scale construction. Previous earth-based mixes have reported excessive shrinkage and inadequate compressive strength. This study presents the systematic optimization of a low-carbon, 3D-printable earthen mixture using locally sourced clay-loam soil from Belén, New Mexico (NM). The soil was modified with graded concrete sand and rice hull fiber to improve printing parameters such as buildability, extrudability, and printability while meeting the NM Earthen Building Code requirements for compressive and flexural strength. Soil characterization tests (particle size distribution, consistency, optimal water content) guided iterative refinement to enhance dimensional stability and mechanical performance. A baseline 2:1 soil-to-sand ratio (max aggregate size No. 4) was established. Incorporating 2% rice hull fiber and reducing max aggregate size to No. 16 (S67F2) early-age shrinkage was reduced from 12.33% to 3.48% (72% reduction) while maintaining a 28-day compressive strength exceeding 660 psi, more than twice the code minimum. The optimized mixture supported 24 printed layers without deformation, achieved 189 psi flexural strength (three times the code minimum), and produced a stable 2-ft-diameter dome with minimal cracking. Full article
(This article belongs to the Special Issue 3D-Printed Technology in Buildings)
Show Figures

Figure 1

13 pages, 2245 KB  
Article
Comparison of 45° and 90° Medial Row Anchor Insertion Angles in Double-Row Suture Bridge Rotator Cuff Repair: A Biomechanical and Finite Element Analysis
by Ali İhsan Kılıç, Samet Çıklaçandır, Mustafa Çeltik, Sercan Çapkin, Ali Ersen and Onur Başçı
Appl. Sci. 2026, 16(6), 3084; https://doi.org/10.3390/app16063084 - 23 Mar 2026
Abstract
Rotator cuff suture anchors have traditionally been inserted at the 45° “deadman” angle, but this recommendation was largely derived from single-row constructs and may not reflect the biomechanics of contemporary double-row suture bridge repairs. This study compared the biomechanical performance and stress distribution [...] Read more.
Rotator cuff suture anchors have traditionally been inserted at the 45° “deadman” angle, but this recommendation was largely derived from single-row constructs and may not reflect the biomechanics of contemporary double-row suture bridge repairs. This study compared the biomechanical performance and stress distribution of medial row anchors inserted at 45° versus 90° in a double-row suture bridge construct. Sixteen ovine humeri with intact infraspinatus tendons were randomized to 45° or 90° medial anchor insertion (n = 8 each), and double-row suture bridge repair was performed using 3.5 mm metallic and PEEK anchors. Specimens underwent uniaxial tensile testing (10-N preload, 5 mm/min) to failure, measuring yield load, failure load, displacement, stiffness, and energy absorption; additionally, a CT-based finite element model of the human humerus assessed von Mises stress, strain, and deformation under 200 N loading. Mean failure load was 161.96 ± 50.99 N for 45° and 185.61 ± 60.97 N for 90° (p = 0.447), and stiffness was 31.63 ± 8.18 N/mm versus 36.79 ± 9.26 N/mm (p = 0.291). Displacement at failure was greater with 90° insertion (8.11 ± 0.51 mm vs. 6.65 ± 0.83 mm; p = 0.002), while energy absorption was higher but not significantly different (p = 0.255). Finite element analysis demonstrated lower bone von Mises stress with 90° insertion (14.03 MPa) compared with 45° (24.77 MPa), with similar deformation. In double-row suture bridge repair, 90° medial anchor insertion provides comparable fixation strength to that at 45° while reducing bone stress, suggesting a biomechanical advantage. Full article
(This article belongs to the Special Issue Orthopaedic Biomechanics: Clinical Applications and Surgery)
Show Figures

Figure 1

25 pages, 3971 KB  
Article
Model Test and Bearing Characteristics of Prestressed Anchor Bolts in Tunnels
by Zihao Wang and Zeqi Zhu
CivilEng 2026, 7(1), 19; https://doi.org/10.3390/civileng7010019 - 22 Mar 2026
Viewed by 56
Abstract
Active support systems are being increasingly applied in the control of large deformation in soft rock tunnels, and exploring the bearing characteristics of prestressed anchor bolts is of great engineering value for improving the long-term stability of tunnel structures. To address the problems [...] Read more.
Active support systems are being increasingly applied in the control of large deformation in soft rock tunnels, and exploring the bearing characteristics of prestressed anchor bolts is of great engineering value for improving the long-term stability of tunnel structures. To address the problems of insufficient quantitative characterization of the bearing performance of prestressed anchor bolt support in soft rock tunnels and the difficulty of small-scale model tests in revealing the synergistic bearing law of support and surrounding rock, this study took a 350 km/h double-line high-speed railway tunnel as the prototype and established a large-scale tunnel structure model test system to conduct comparative tests under three working conditions: unsupported, ordinary bolt support, and prestressed anchor bolt support. By monitoring the tunnel failure process and mechanical response of the support structure throughout the test, the failure modes, bearing capacity, deformation characteristics, and axial force distribution of anchor bolts of tunnels under different support forms were systematically analyzed to quantitatively reveal the active support mechanism and bearing strengthening effect of prestressed anchor bolts. The results show that the design bearing capacity of the tunnel model with prestressed anchor bolt support is increased by 127.3% and 31.6% compared with that of the unsupported and ordinary bolt support models, and the ultimate bearing capacity is increased by 120.0% and 43.5%, respectively. Its secant stiffness in the initial loading stage reaches 80.0 kPa/mm, which is five times that of the ordinary bolt support and can effectively restrain the early plastic deformation of the surrounding rock. When the design bearing capacity is reached, the tensile stress of prestressed anchor bolts accounts for 40.2~69.8% of the ultimate tensile strength, with a more uniform axial force distribution and a much higher utilization rate of material mechanical properties than ordinary anchor bolts, which can fully mobilize the bearing potential of deep rock mass and realize the synergistic bearing of support and surrounding rock. This study accurately quantifies the bearing strengthening law of prestressed anchor bolts on tunnel support systems and clarifies the core mechanism of their active support. The research results provide important experimental basis and theoretical reference for the optimal design and engineering application of prestressed anchor bolts in soft rock tunnel engineering. Full article
(This article belongs to the Section Structural and Earthquake Engineering)
Show Figures

Figure 1

35 pages, 10157 KB  
Article
Mechanical Characteristics Analysis and Structural Optimization of Wheeled Multifunctional Motorized Crossing Frame
by Shuang Wang, Chunxuan Li, Wen Zhong, Kai Li, Hehuai Gui and Bo Tang
Appl. Sci. 2026, 16(6), 3034; https://doi.org/10.3390/app16063034 - 20 Mar 2026
Viewed by 36
Abstract
Wheeled multifunctional motorized crossing frames represent a new type of crossing equipment for high-voltage transmission line construction. The initial design is too conservative, having a large safety margin and high material redundancy. Therefore, it is necessary to study a lightweight design version. However, [...] Read more.
Wheeled multifunctional motorized crossing frames represent a new type of crossing equipment for high-voltage transmission line construction. The initial design is too conservative, having a large safety margin and high material redundancy. Therefore, it is necessary to study a lightweight design version. However, as the structure constitutes an assembly consisting of multiple components, it also exhibits relatively high complexity. In a lightweight design, optimizing multi-component and multi-size parameters can lead to structural interference and separation, seriously affecting the smooth progress of design optimization. Therefore, an optimization design method of a multi-parameter complex assembly structure is proposed to solve this problem. Firstly, the typical stress conditions of the wheeled multifunctional motorized crossing frame were analyzed using its structural model. Then, a finite element model of the beam was established in ANSYS 2021 R1 Workbench, and the mechanical characteristics were analyzed. The results show that the arm support is the key load-bearing component and has significant optimization potential. Subsequently, functional mapping relationships were established among the 14 dimension parameters of the arm support, reducing the number of design variables to six and successfully avoiding component separation or interference during optimization. Through global sensitivity analysis, the height, thickness, and length of the arm body were screened out as the core optimization parameters from six initial design variables. Then, 29 groups of sample points were generated via central composite design (CCD), and a response surface model reflecting the relationships among the arm body’s dimensional parameters, total mass, maximum stress, and maximum deformation was established using the Kriging method. Leave-one-out cross-validation (LOOCV) was performed, and the coefficients of determination (R2) for model fitting were all higher than 0.995, indicating extremely high prediction accuracy. Taking mass and deformation minimization as the optimization objectives, the MOGA algorithm was adopted to perform multi-objective optimization and determine the optimal engineering parameters. Simulation verification was conducted on the optimized arm support, and an eigenvalue buckling analysis was performed simultaneously to verify structural stability. Finally, the proposed optimization method was experimentally verified through mechanical performance tests of the full-scale prototype under symmetric and eccentric loads. The results show that the mass of the optimized arm support is reduced from 217.73 kg to 189.8 kg, with a weight reduction rate of 12.8%. Under an eccentric load of 70,000 N, the maximum deformation of the arm support is 8.9763 mm, the maximum equivalent stress is 314.86 MPa, and the buckling load factor is 6.08, all of which meet the requirements for structural stiffness, strength, and buckling stability. The maximum error between the experimental and finite element results is only 4.64%, verifying the accuracy and reliability of the proposed method. The proposed optimization methodology, validated on a wheeled multifunctional motorized crossing frame, serves as a transferable paradigm for the lightweight design of complex assemblies with coupled dimensional constraints, thereby offering a general reference for the structural optimization of multi-component transmission line equipment, construction machinery, and other multi-component engineering systems. Full article
Show Figures

Figure 1

22 pages, 891 KB  
Systematic Review
The Use of Augmented Reality for Navigation in Minimally Invasive Abdominal and Thoracic Soft-Tissue Surgery: A Systematic Review
by Inga Steinberga, Victor Gabriel El-Hajj, Laura Cercenelli, Mario Romero, Kenny A. Rodriguez-Wallberg, Erik Edström and Adrian Elmi-Terander
Sensors 2026, 26(6), 1962; https://doi.org/10.3390/s26061962 - 20 Mar 2026
Viewed by 121
Abstract
Surgical navigation and augmented reality (AR) are widely used in neurosurgery, spinal surgery, and orthopedics. However, their use in minimally invasive abdominal and thoracic soft-tissue surgery is limited, as tracking deformable, mobile organs is challenging. Recent advances in AR may address these challenges [...] Read more.
Surgical navigation and augmented reality (AR) are widely used in neurosurgery, spinal surgery, and orthopedics. However, their use in minimally invasive abdominal and thoracic soft-tissue surgery is limited, as tracking deformable, mobile organs is challenging. Recent advances in AR may address these challenges to improve intraoperative navigation. This systematic review, registered in PROSPERO (2024) and based on PRISMA guidelines, analyzes literature from 2014 to 2024 about AR in minimally invasive abdominal and thoracic soft-tissue surgery. It identifies target organs, describes AR hardware and software, and evaluates accuracy levels, usability outcomes, clinical benefits, technical limitations, and research needs. Searches of PubMed, Web of Science, and Embase for English-language studies found 1297 records, of which only 28 (2%) met the inclusion criteria. Nearly half (n =12; 42%) focused on liver surgery; none on gynecologic surgery. The AR devices varied in tracking methods, image processing, visualization, and display. Overall, AR improved anatomical guidance and procedural planning, especially in complex surgeries. Integration with robotic systems may further boost visualization, precision, and workflow, though challenges remain in standardization, large-cohort validation, and workflow integration. Full article
(This article belongs to the Special Issue Virtual, Augmented, and Mixed Reality in Biomedical Engineering)
Show Figures

Figure 1

33 pages, 18780 KB  
Article
Simulation Study on Fire Resistance Performance of Substation Frameworks with Fire-Retardant Coating Under Heating Curve Conditions Specified by ISO 834 Standard
by Hui Zhu, Xinglong Fang and Xufeng Shen
Fire 2026, 9(3), 133; https://doi.org/10.3390/fire9030133 - 20 Mar 2026
Viewed by 42
Abstract
To analyze the fire resistance performance of the substation framework protected by fire-retardant coating, herringbone column structure substation frameworks under heating curve conditions specified by the ISO 834 standard were simulated using ABAQUS software. Moreover, this study investigated the temperature field, stress field, [...] Read more.
To analyze the fire resistance performance of the substation framework protected by fire-retardant coating, herringbone column structure substation frameworks under heating curve conditions specified by the ISO 834 standard were simulated using ABAQUS software. Moreover, this study investigated the temperature field, stress field, and displacement characteristics of the substation structure under typical fire scene conditions. The research results indicate the following: (1) Without fire-retardant coating, the surface temperature of the bare substation framework reaches 500 °C within a short period, and a large temperature difference between the interior and exterior of the steel pipe is caused, which may induce brittle cracking within the steel. Within the 1000 s period from the start of heating, the strength of the steel structure decreases with the increase in temperature. Stress is gradually concentrated on the steel structure, and the heated part of the bare steel truss undergoes a deformation displacement of more than 0.1 m, making it susceptible to brittle fractures in the steel. The maximum deflection of the steel structures exceeds the critical value of 0.07 m. (2) With fire-retardant coating, the surface temperature of the steel can be maintained below 310 °C, and the stress in most areas of the substation framework remains below 170 Mpa. The displacement and deformation of the transformer frame are significantly reduced, and the deformation can be maintained below 0.02 m. All positions of the substation framework are in the upward expansion stage, and the deflection does not exceed 0.02 m. Full article
(This article belongs to the Special Issue Fire Safety in the Built Environment)
Show Figures

Figure 1

18 pages, 2851 KB  
Article
Investigating the Triaxial Mechanical Behaviour of Silicone Rubber Material
by Jie Yang, Nan Chen, Jun Gao, Yang Wang, Shuchang Long, Xiaohu Yao, Zhibin Wu and Junfeng Zhao
Polymers 2026, 18(6), 755; https://doi.org/10.3390/polym18060755 - 20 Mar 2026
Viewed by 89
Abstract
Silicone rubber is extensively used in engineering applications due to its toughness and impact resistance; however, traditional characterisation methods fail to capture its nonlinear deformation characterisation and triaxial mechanical behaviour. To address this, we derived a constitutive model within the framework of continuum [...] Read more.
Silicone rubber is extensively used in engineering applications due to its toughness and impact resistance; however, traditional characterisation methods fail to capture its nonlinear deformation characterisation and triaxial mechanical behaviour. To address this, we derived a constitutive model within the framework of continuum mechanics that assumes a condition of near incompressibility and conducted uniaxial, planar, and equibiaxial tension tests to fit the model parameters. Through systematic analysis of triaxial mechanical responses under these three loading modes, we determined the material’s nonlinear large-deformation behaviour and sensitivity to the biaxiality ratio. Comparative analyses with classical hyperelastic models show that the proposed model achieves a good balance between the number of parameters and fitting accuracy. After the parameter-fitting process, we performed finite element simulations of the three loading modes. The simulation results show good agreement with experimental data in terms of deformation patterns and stress–strain curves. This study provides a novel theoretical tool for evaluating the mechanical properties and structural designs of soft materials. Full article
(This article belongs to the Section Polymer Processing and Engineering)
Show Figures

Figure 1

17 pages, 21272 KB  
Article
Mechanical Response of Suction Anchors During Suction-Assisted Penetration in Layered Soils Based on the Material Point Method (MPM)
by Yu Zhou, Enze Yi and Huihuan Ma
Buildings 2026, 16(6), 1222; https://doi.org/10.3390/buildings16061222 - 19 Mar 2026
Viewed by 16
Abstract
Suction anchors are widely used in offshore wind power foundations, where their penetration behavior critically influences installation efficiency and safety. Existing studies mainly focus on homogeneous soils, while the mechanisms of suction-assisted penetration in layered seabed remain less understood. This study establishes a [...] Read more.
Suction anchors are widely used in offshore wind power foundations, where their penetration behavior critically influences installation efficiency and safety. Existing studies mainly focus on homogeneous soils, while the mechanisms of suction-assisted penetration in layered seabed remain less understood. This study establishes a numerical model based on the Material Point Method (MPM) to simulate suction anchor penetration in saturated soils, accounting for large deformations and hydro-mechanical coupling. The model is validated against physical tests, confirming the reliability of MPM. A series of simulations is conducted to examine penetration behavior under layered conditions, emphasizing the effects of stratigraphic sequence and configuration, including sand-over-clay (SC), clay-over-sand (CS), sand–clay–sand (SCS), and clay–sand–clay (CSC) profiles. The analysis reveals complex mechanical responses during penetration, including excess pore water pressure, soil displacement, effective stress, and penetration resistance. The results demonstrate that penetration behavior is governed by both the stratification sequence and the number of soil layers. Overall, this study clarifies the complex mechanical responses of suction caissons in layered soils, verifies the suitability of MPM for simulating large-deformation and hydro-mechanical coupling problems, and provides insights for the design and safe installation of suction caissons in stratified seabeds. Full article
(This article belongs to the Special Issue Advanced Research in Steel Structures)
Show Figures

Figure 1

19 pages, 5138 KB  
Article
Simulation of Large-Strain Tensile Necking in Single-Crystal Copper Specimens
by Lili Jin, Hai Wu and Keshi Zhang
Metals 2026, 16(3), 342; https://doi.org/10.3390/met16030342 - 18 Mar 2026
Viewed by 81
Abstract
The mechanical behavior, the necking process and the geometry of the neck in rectangular cross-section single-crystal copper specimens under macroscopic uniaxial large-strain tensile conditions were numerically simulated and analyzed using the classical Chaboche combined hardening model and the crystal plasticity constitutive model including [...] Read more.
The mechanical behavior, the necking process and the geometry of the neck in rectangular cross-section single-crystal copper specimens under macroscopic uniaxial large-strain tensile conditions were numerically simulated and analyzed using the classical Chaboche combined hardening model and the crystal plasticity constitutive model including the effect of back stress. The simulation results show that, although the classical Chaboche model can simulate the load–displacement curve during the tensile process, it cannot simulate the geometric shape change in the cross-section of the single-crystal copper specimen during the necking process. However, simulation using the crystal plasticity model can not only accurately simulate the macroscopic load–displacement mechanical curves of specimens with different crystal orientations (considering eight off-axis states) but also successfully displays the complex necking morphologies, consistent with experimental observations in the literature for various orientations. The research indicates that the classical Chaboche model lacks the ability to describe the deformation characteristics of single-crystal copper specimens; meanwhile, the crystal plasticity model has a significant advantage in simulating the necking process and characteristics of single-crystal materials under slip mechanisms and can effectively capture the differences in necking morphology caused by the crystal orientation, revealing, to a certain extent, the plastic deformation mechanism in single-crystal metallic materials. Full article
(This article belongs to the Section Computation and Simulation on Metals)
Show Figures

Figure 1

12 pages, 2931 KB  
Article
Dynamic Evolution of Reservoir Pressure, Temperature, and Deformation During Multi-Coalbed Methane Commingled Production
by Anxu Ding, Cui Xiao, Li Jia, Liang Wang and Shoujian Peng
Processes 2026, 14(6), 976; https://doi.org/10.3390/pr14060976 - 18 Mar 2026
Viewed by 81
Abstract
During multi-layer commingled production of coalbed methane (CBM), fluid interference induced by interlayer pressure differences is a major constraint on productivity, representing a dynamic coupling process of reservoir pressure, temperature, and deformation. To elucidate this mechanism, we constructed a four-layer superimposed reservoir physical [...] Read more.
During multi-layer commingled production of coalbed methane (CBM), fluid interference induced by interlayer pressure differences is a major constraint on productivity, representing a dynamic coupling process of reservoir pressure, temperature, and deformation. To elucidate this mechanism, we constructed a four-layer superimposed reservoir physical model using a self-developed large-scale true triaxial multi-field coupling test system, which reflects the geological conditions of the Eastern Yunnan and Western Guizhou region. We precisely regulated interlayer pressure differences and monitoring multi-physical parameters in real time to analyze the dynamic evolution of reservoir temperature, pressure, and deformation fields. The findings reveal that: (1) Increased interlayer pressure difference intensifies fluid interference in low-pressure reservoirs, causing abnormal pressure buildup. For example, when the pressure difference rose from 0.2 MPa to 0.6 MPa, the maximum pressure increase in Reservoir I grew from 1.03 MPa to 1.13 MPa. (2) The high-pressure reservoir (Reservoir IV) remained largely unaffected throughout production, with its temperature decline rate consistently correlated positively with pressure difference, indicating a distinct response behavior. (3) Reservoir deformation correlates positively with initial pressure. When the initial pressure of Reservoir II increased from 1.2 MPa to 1.6 MPa, its volumetric strain rose from 1.81‰ to 2.21‰, attributable to the combined effects of matrix shrinkage, elevated effective stress, and desorption-induced thermal cooling. This study demonstrates how interlayer pressure differences regulate the coupled evolution of reservoir pressure, temperature, and deformation, providing experimental evidence and theoretical support for identifying interference mechanisms and optimizing development strategies in CBM commingled production. Full article
(This article belongs to the Section Environmental and Green Processes)
Show Figures

Figure 1

32 pages, 103163 KB  
Article
Spatiotemporal Prediction and Pattern Analysis of Complex Ground Deformation Fields from Multi-Temporal InSAR
by Yuanzhao Fu, Jili Wang, Yi Zhang, Heng Zhang, Yulun Wu and Litao Kang
Remote Sens. 2026, 18(6), 925; https://doi.org/10.3390/rs18060925 - 18 Mar 2026
Viewed by 77
Abstract
Ground deformation is a major geohazard in many urban areas, requiring reliable monitoring and forecasting for hazard mitigation. Although Multi-Temporal InSAR enables high-resolution deformation monitoring, most prediction approaches rely on single-point modeling and fail to exploit spatial dependencies within deformation fields. This study [...] Read more.
Ground deformation is a major geohazard in many urban areas, requiring reliable monitoring and forecasting for hazard mitigation. Although Multi-Temporal InSAR enables high-resolution deformation monitoring, most prediction approaches rely on single-point modeling and fail to exploit spatial dependencies within deformation fields. This study proposes a spatiotemporally synchronous prediction framework for large-scale InSAR deformation fields, integrating sequence preprocessing, spatiotemporal modeling, and deformation pattern analysis. First-order differencing reduces sequence non-stationarity, while a patch-based encoder-decoder structure preserves spatial topology during dimensionality reduction. The core prediction model, built on PredRNNv2, captures the long-term spatiotemporal evolution of InSAR deformation sequences. In addition, independent component analysis (ICA) combined with K-means clustering identifies dominant deformation patterns and their geological associations. The framework is evaluated using synthetic datasets simulating multiple deformation mechanisms and Sentinel-1 InSAR time-series data over the Beijing Plain from 2015 to 2025. Results show that the model accurately captures deformation evolution and identifies transitions associated with groundwater regulation. These findings demonstrate the potential of deep spatiotemporal learning for large-scale InSAR deformation prediction and geohazard mechanism interpretation. Full article
Show Figures

Figure 1

24 pages, 8092 KB  
Article
Seismic Performance and Fragility Assessment of a Prefabricated Shear Wall System with Keyway Interlocking and Concentrated Reinforcement Connections
by Chao Deng, Wei Sun and Xiaoyong Luo
Buildings 2026, 16(6), 1201; https://doi.org/10.3390/buildings16061201 - 18 Mar 2026
Viewed by 130
Abstract
Prefabricated reinforced concrete shear wall structures have attracted significant attention due to their advantages in industrialized construction and sustainability. However, the structural performance of prefabricated shear wall systems still requires further investigation to ensure reliable seismic behavior under earthquake loading. In this study, [...] Read more.
Prefabricated reinforced concrete shear wall structures have attracted significant attention due to their advantages in industrialized construction and sustainability. However, the structural performance of prefabricated shear wall systems still requires further investigation to ensure reliable seismic behavior under earthquake loading. In this study, a fully prefabricated shear wall system incorporating keyway interlocking joints and concentrated reinforcement connections is proposed, and its nonlinear seismic behavior is systematically investigated through finite element modeling, parametric analysis, nonlinear time history analysis, and incremental dynamic analysis. The finite element models were validated against available experimental results and reproduced the hysteretic response, stiffness degradation, and load-carrying capacity with good agreement. The relative errors in peak load were within 5%, indicating the reliability of the adopted modeling approach. Parametric analyses indicate that axial compression ratio, concrete strength, and wall thickness significantly affect structural performance, while prefabricated walls exhibit slightly lower stiffness and strength than cast-in-place walls, with mean reduction factors of 0.88 and 0.91. An eight-story prefabricated shear wall building subjected to multiple scaled ground motions exhibits stable flexure-dominated deformation without joint sliding or soft-story mechanisms. Peak roof displacements reached 19.71 mm and 32.85 mm in the X and Y directions, with maximum interstory drift ratios of 1/892 and 1/724. These values are significantly smaller than the commonly adopted collapse drift limit of 1/120 specified in seismic design guidelines, indicating a relatively large deformation safety margin under the ground motions considered. Probabilistic seismic demand models were established based on both PGA and Sa(T1, 5%) intensity measures, showing strong correlations with the maximum interstory drift ratio. Fragility analysis demonstrates a high probability of remaining in intact or slight damage states under frequent and design-level earthquakes and a low collapse probability under rare earthquakes. These findings provide valuable insights for the design of next-generation prefabricated shear wall systems with mechanical interlocking joints and concentrated reinforcement connections. Full article
(This article belongs to the Section Building Structures)
Show Figures

Figure 1

20 pages, 8839 KB  
Article
Seismic Fragility Analysis of RC Diaojiao Frame Structure in Luding Red Bed Area Based on IDA
by Ailin Li, Wenwu Zhong, Cong Yu, Xin Zhang and Kun Xu
Buildings 2026, 16(6), 1189; https://doi.org/10.3390/buildings16061189 - 18 Mar 2026
Viewed by 44
Abstract
The reinforced concrete (RC) Diaojiao frame structure is a widely used building form in the Luding red bed area. A large area of damage occurred in the Luding earthquake in 2022. It is very important to carry out seismic fragility research for damage [...] Read more.
The reinforced concrete (RC) Diaojiao frame structure is a widely used building form in the Luding red bed area. A large area of damage occurred in the Luding earthquake in 2022. It is very important to carry out seismic fragility research for damage evaluation and post-earthquake emergency management. Based on the incremental dynamic analysis (IDA), this paper explores the dynamic response law of the structure: the structural damage is distributed in Floor 1 > Floor 2 > Floor 3, and the damage of the C1_1 component is the most serious. Through the quantitative analysis of the structural damage matrix, the probability of structural damage under frequent earthquakes of 7 degrees and 8 degrees can be ignored. The probability of severe damage (SD) of Floor 1, Floor 2, Floor 3 and the building under maximum considered earthquakes of 9 degrees is 58.25%, 53.03%, 2.71% and 36.79%, respectively. In this paper, PGA is used as an index to divide the damage state into four categories: elastic state, elastic-plastic state, plastic state and large deformation state. Based on the actual earthquake PGA, the structural damage can be determined quickly and accurately, which provides scientific support for the formulation of emergency measures. Full article
Show Figures

Figure 1

Back to TopTop