Sign in to use this feature.

Years

Between: -

Subjects

remove_circle_outline
remove_circle_outline
remove_circle_outline
remove_circle_outline
remove_circle_outline
remove_circle_outline
remove_circle_outline
remove_circle_outline
remove_circle_outline

Journals

Article Types

Countries / Regions

remove_circle_outline
remove_circle_outline
remove_circle_outline
remove_circle_outline

Search Results (175)

Search Parameters:
Keywords = granule size distribution

Order results
Result details
Results per page
Select all
Export citation of selected articles as:
19 pages, 5049 KB  
Article
Difference in Tableting of Lubricated Spray-Dried Mannitol and Fluid-Bed Granulated Isomalt
by Valentyn Mohylyuk, Kirils Kukuls, Alīna Jaroslava Frolova, Zoltán Márk Horváth, Tetiana Kolisnyk, Elżbieta Maria Buczkowska, Līga Pētersone and Adrien Pelloux
Pharmaceutics 2025, 17(12), 1566; https://doi.org/10.3390/pharmaceutics17121566 - 4 Dec 2025
Viewed by 322
Abstract
Background: Polyols are widely used as tablet diluents due to their high solubility, favourable taste, and ability to form robust tablets. Thus, commercially available polyols, such as mannitol and isomalt, can be considered for the preparation of low-drug-dose formulations with a high [...] Read more.
Background: Polyols are widely used as tablet diluents due to their high solubility, favourable taste, and ability to form robust tablets. Thus, commercially available polyols, such as mannitol and isomalt, can be considered for the preparation of low-drug-dose formulations with a high polyol load. Methods/Results: This study investigated spray-dried mannitol (Mannogem® XL Opal SD and Pearlitol® 200 SD) and fluid-bed granulated isomalt (galenIQ™ 720 and galenIQ™ 721) at magnesium stearate levels of 0.5 and 3.0 wt.% and consolidation pressures of 100 and 300 MPa. During the tableting of 100 consecutive tablets, materials displayed different ejection force profiles: galenIQ™ 720 and galenIQ™ 721 demonstrated low and stable ejection pressures; Mannogem® displayed a lubricant- and compaction pressure-dependent profile, whereas Pearlitol® produced the highest ejection forces, particularly at 0.5 wt.% magnesium stearate. To elucidate these differences, the used materials were characterised in terms of SEM imaging, moisture content, surface area and porosity analysis, particle size distribution, pXRD, and densification kinetics. Using a compaction simulator, key parameters including pressure–displacement profiles, mean yield pressure, and strain rate sensitivity of the unlubricated materials were experimentally determined, while pressure transmission, residual die-wall pressure, and friction coefficient were computed. Conclusions: The study concluded that variations in tableting properties were primarily governed by moisture content and, for mannitol grades, by manufacturing method-dependent differences in particle microstructure. These insights provide guidance for the rational selection of polyol excipients and appropriate lubrication levels in direct compression tablet formulations. Full article
Show Figures

Graphical abstract

26 pages, 8765 KB  
Article
Assessment of the Potential for Producing Geopolymer-Based Granulates as a Substitute for Natural Aggregates
by Magdalena Cempa, Jerzy Korol and Agnieszka Klupa
Materials 2025, 18(23), 5275; https://doi.org/10.3390/ma18235275 - 21 Nov 2025
Viewed by 434
Abstract
This study presents the development and evaluation of a technology for producing geopolymer-based granulates, which act as sustainable substitutes for natural aggregates by utilizing waste materials. The technology is demonstrated to be energy-efficient compared to other manufactured aggregate processes (such as sintering), as [...] Read more.
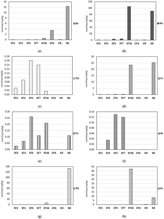
This study presents the development and evaluation of a technology for producing geopolymer-based granulates, which act as sustainable substitutes for natural aggregates by utilizing waste materials. The technology is demonstrated to be energy-efficient compared to other manufactured aggregate processes (such as sintering), as it relies on a cold-bonding process and achieves self-hardening at room temperature. The granulation of geopolymer materials using an intensive counter-current mixer represents an innovative solution in the field of producing substitutes for natural aggregates. Coal fly ash (CFA) was used as the primary aluminosilicate precursor, with composite regrind from decommissioned wind turbine blades (CR) and steelmaking dust (SD) tested as additives. Reactive solids and alkaline activator liquids were mixed and granulated in a single operation using an intensive counter-current mixer; moistening and surface powdering were applied to improve granule sphericity. The granules were cold-cured at room temperature and characterized after 28 days by grain size distribution, crushing resistance, water absorption, abrasion (micro-Deval), SEM/EDS and leaching tests. The results indicate that the additives significantly improved the mechanical performance: PM + PK granules reached crushing strengths > 6 MPa, while CFA + SD granules reached > 11 MPa, exceeding many commercial lightweight aggregates (such as LECA or Lytag), as detailed in the paper. The CFA + CR granulates exhibited a compact microstructure and the effective immobilization of several heavy metals, whereas the CFA + DS samples demonstrated the excessive leaching of Cr, Pb and Mo. The process achieved a high solid-to-liquid ratio (>2.0), reducing activator consumption. Composite regrind is recommended as a promising additive. Full article
(This article belongs to the Special Issue Advances in Waste Materials’ Valorization)
Show Figures

Graphical abstract

14 pages, 573 KB  
Article
Starch Granule Size Distribution and Pasting Properties from 14 Soft Wheat Varieties in Huaihe River Basin
by Abdul Rehman, Wenyin Zhou, Suhui Yan, Juan Chen, Tingting Yang, Jing Li, Yang Liu, Ruilian Zhang and Wenyang Li
Agronomy 2025, 15(11), 2489; https://doi.org/10.3390/agronomy15112489 - 27 Oct 2025
Viewed by 553
Abstract
Starch granule size distribution plays a vital role in determining the physicochemical properties and processing quality of soft wheat. This study analyzed fourteen soft wheat varieties cultivated in the Huaihe River Basin, an agriculturally important but underrepresented region, to evaluate starch granule size [...] Read more.
Starch granule size distribution plays a vital role in determining the physicochemical properties and processing quality of soft wheat. This study analyzed fourteen soft wheat varieties cultivated in the Huaihe River Basin, an agriculturally important but underrepresented region, to evaluate starch granule size distribution, pasting properties, and their interrelationship. The starch granules were categorized into four size classes, with the volume dominated by A-type granules (>10 μm), while numerically, the majority were <2.8 μm. Pasting characteristics measured by the Rapid Visco Analyzer revealed substantial variation among genotypes. Varieties with a higher proportion of A-type granules exhibited stronger pasting profiles, including higher peak and final viscosities, whereas those with more B-type granules showed lower values. These observations indicate a clear relationship between granule morphology and starch functionality. In the present study, there was a significant positive correlation between peak viscosity, final viscosity, and set-back viscosity. The volume % of granules > 10 μm showed a positive correlation with peak viscosity (r = 0.53 *), final viscosity (r = 0.57 *), and set-back (r = 0.53 *), while the volume percentage of granules < 10 μm was significantly negatively correlated with peak viscosity (r = −0.53 *), final viscosity (r = −0.57 *), and set-back (r = −0.53 *) value. It indicated that the higher the percentage of granules > 10 μm, the higher the peak viscosity, final viscosity, and set-back value in soft wheat grain. Full article
(This article belongs to the Section Plant-Crop Biology and Biochemistry)
Show Figures

Figure 1

16 pages, 3154 KB  
Article
Kernel Dehydration Characteristics Is Related to Kernel Microstructure and Starch Granule Size Distribution in Different Maize Varieties
by Xuejie Li, Fengxue Suo, Zengxu Li, Yang Yang, Xin Hao, Qing Sun, Wen Jiang, Letian Liu, Ziyue Wang, Zeqian Shi, Jiushuo Li and Xuefang Sun
Agronomy 2025, 15(11), 2471; https://doi.org/10.3390/agronomy15112471 - 24 Oct 2025
Viewed by 486
Abstract
In the Huang-Huai-Hai region, a high kernel moisture content remains a primary constraint for the mechanical harvesting of maize kernels. Recent studies have largely focused on the relationships among ear traits, meteorological factors, and kernel dehydration. However, the regulatory mechanisms underlying the influence [...] Read more.
In the Huang-Huai-Hai region, a high kernel moisture content remains a primary constraint for the mechanical harvesting of maize kernels. Recent studies have largely focused on the relationships among ear traits, meteorological factors, and kernel dehydration. However, the regulatory mechanisms underlying the influence of kernel microstructure and starch granule size distribution on dehydration characteristics remain unclear. In this study, the fast-dehydrating variety Jingnongke 728 (JNK728) and the slow-dehydrating variety Zhengdan 958 (ZD958) were selected as experimental materials to compare the varietal differences in kernel microstructure and starch granule size distribution, and to investigate their roles in regulating kernel dehydration characteristics. The results showed that JNK728 had a significantly higher kernel dehydration rate (KDR). Compared with ZD958, JNK728 exhibited average increases of 15.22% in the pre-physiological maturity dehydration rate (pre-KDR) and 97.72% in the post-physiological maturity dehydration rate (post-KDR). The higher accumulations of kernel total starch content and amylopectin content were also observed in JNK728. Kernels of JNK728 were characterized by thinner pericarp at 35 days after pollination (DAP), lower vitreousness and a higher proportion of floury endosperm. Additionally, JNK728 displayed more uniformly sized starch granules with smooth surfaces, wider intergranular spaces, and looser starch packing. Moreover, the volume, number, and surface area of large starch granules (≥10 μm) in JNK728, increased by 2.91%, 10.94%, and 4.95%, respectively. These findings enhance the understanding of the regulatory role of kernel microstructure and starch granule size distribution in dehydration characteristics, offering theoretical guidance for the development of mechanical maize kernel harvesting technologies in the Huang-Huai-Hai region. Full article
(This article belongs to the Section Farming Sustainability)
Show Figures

Figure 1

20 pages, 1247 KB  
Article
Effects and Mechanisms of Granulated Compost on Soil Nitrogen Supply and Crop Uptake: Preliminary Evidence from a 15N Tracing Field Experiment in Tobacco
by Chen Wang, Fenglei Guo, Shuaipeng Wu, Xinjing Fu, Xiaorong Zhao and Guitong Li
Agronomy 2025, 15(10), 2345; https://doi.org/10.3390/agronomy15102345 - 5 Oct 2025
Viewed by 645
Abstract
Organic fertilizer granulation represents a promising strategy for modifying nitrogen (N) release from compost in soil. Nevertheless, there is a lack of large-scale field trials exploring its impact on tobacco production and soil N supply. This research conducted a preliminary study by employing [...] Read more.
Organic fertilizer granulation represents a promising strategy for modifying nitrogen (N) release from compost in soil. Nevertheless, there is a lack of large-scale field trials exploring its impact on tobacco production and soil N supply. This research conducted a preliminary study by employing 15N tracing technology to investigate the effects of granular compost on soil N transformation and supply; on the yield and quality of tobacco leaves; and on the distribution of granular compost-derived N among the different soil N pools and tobacco plant organs. The results revealed that the 2 cm diameter granule organic fertilizer treatment (G2) significantly increased tobacco leaf yield by 15% compared to conventional fertilization (CK). However, the 4 cm diameter granule organic fertilizer (G4) treatment resulted in a reduction in leaf yield. Notably, the quality of tobacco leaves remained unaffected compared to conventional fertilization treatment; the N content ranged from 15 to 25 g kg−1, which was within the high-quality range. The results also indicated that direct N supply to the tobacco from granular compost was limited. The G2 and G4 treatments provided 2.8% and 2.2% of the N in the fertilizer to the tobacco plants, respectively, with more than 93% of the N in the tobacco plants derived from the soil. Therefore, both of these particle sizes of granular compost facilitated the absorption of soil N by tobacco plants. At the end of the growth period, the N content derived from the G4 granular fertilizer in the soil was significantly higher than that from the G2 fertilizer. This may be due to the slower nutrient release mechanism and longer release period of the G4 fertilizer compared to G2. Our results suggested that granulated compost fertilizer (both G2 and G4) has the potential to enhance soil N supply. Despite the elevated nitrogen levels observed in leaves treated with 4 cm diameter granular fertilizer, an integrated assessment of yield performance demonstrates that the 2 cm diameter granular organic fertilizer delivers superior economic benefits. However, G2 may also have a higher potential for N loss. Further investigations under field conditions are necessary to validate the applicability of granular fertilizer of different particle sizes and its specific mechanisms of impact. Full article
(This article belongs to the Section Soil and Plant Nutrition)
Show Figures

Figure 1

16 pages, 4233 KB  
Article
Theoretical Calculation Modeling of Thermal Conductivity of Geopolymer Foam Concrete in Building Structures Based on Image Recognition
by Yanqing Xu, Wenwen Chen, Jie Li, Qun Xie, Mingqiang Lin, Haibo Fang, Zhihao Du and Liqiang Jiang
Buildings 2025, 15(19), 3494; https://doi.org/10.3390/buildings15193494 - 28 Sep 2025
Viewed by 597
Abstract
A novel thermal conductivity prediction model was developed to address the complex influence of pore structure in porous materials. This model incorporates pore size (d) and a pore distribution parameter (t) to calculate the material’s thermal conductivity. To validate the model’s accuracy, geopolymer [...] Read more.
A novel thermal conductivity prediction model was developed to address the complex influence of pore structure in porous materials. This model incorporates pore size (d) and a pore distribution parameter (t) to calculate the material’s thermal conductivity. To validate the model’s accuracy, geopolymer foamed concrete (GFC) samples with varying pore structures were fabricated. These utilized ground granulated blast furnace slag (GGBS) as the precursor, a mixed solution of sodium hydroxide (NaOH) and sodium silicate as the alkaline activator, and sodium stearate (NaSt), hydroxypropyl methylcellulose (HPMC), and sodium carboxymethyl cellulose (CMC-Na) as foam stabilizers. Conventional pore size characterization techniques exhibit limitations; consequently, this research implements a high-fidelity machine vision-driven image analysis methodology. Pore size measurement is achieved through a combined technical approach involving equivalent diameter modeling and morphological optimization. The feasibility of the proposed theory is validated by our experimental data and data from previous literature, with the error between experimental and theoretical values maintained within 5%. The value of t increases with increasing porosity and increasing disorder in pore distribution. Based on the experimental data obtained in this study and the research data from previous scholars’ studies, the t value for porous materials can be categorized according to porosity: when porosity is approximately 30%, t ≈ 0.9; when porosity is 55~65%, t ranges from 1.2 to 1.3; and when porosity is approximately 80%, t ranges from 1.9 to 2.2. Full article
Show Figures

Figure 1

14 pages, 5358 KB  
Article
Mechanical Properties of EGC Incorporating Ternary Precursors
by Pingping He, Long Wang, Xin Yu, Yusong Liu, Lin Fan and Chen Chen
Buildings 2025, 15(16), 2919; https://doi.org/10.3390/buildings15162919 - 18 Aug 2025
Cited by 1 | Viewed by 513
Abstract
This study investigates the composition–property relationships in ternary engineered geopolymer composites (EGCs) using a simplex centroid design method to optimize the synergy between ground granulated blast furnace slag (GGBS), fly ash (FA), and metakaolin (MK). Mechanical testing revealed that compressive strength (>85 MPa) [...] Read more.
This study investigates the composition–property relationships in ternary engineered geopolymer composites (EGCs) using a simplex centroid design method to optimize the synergy between ground granulated blast furnace slag (GGBS), fly ash (FA), and metakaolin (MK). Mechanical testing revealed that compressive strength (>85 MPa) peaked at 75% GGBS/25% MK, demonstrating MK’s dominant role in enhancing densification, while flexural strength showed a negative correlation with GGBS content but consistent improvement with MK addition. Strain-hardening behavior was most pronounced in 75% GGBS/25% MK and 83% GGBS/8% FA/8% MK mixtures, with the latter achieving optimal precursor synergy. Fiber dispersion uniformity showed a strong linear correlation (R2 = 0.98) with tensile strain capacity, confirming its critical role in strain-hardening performance. Mercury intrusion porosimetry analysis demonstrated that the G83F8M8 mixture exhibited the lowest porosity (<10%) and finest pore size distribution (50–100 nm dominant), directly linking pore refinement to superior mechanical properties. Full article
Show Figures

Figure 1

15 pages, 2741 KB  
Article
Development of a Curcumin-Loaded Hyaluronic Acid Nanogel Formulation Using Wet Granulation Method for Enhanced Dissolution and Stability
by Natkhanang Mookkie Boonpetcharat, May Thu Thu Kyaw, Veerakiet Boonkanokwong and Jittima Amie Luckanagul
Gels 2025, 11(8), 585; https://doi.org/10.3390/gels11080585 - 29 Jul 2025
Cited by 1 | Viewed by 2048
Abstract
Curcumin is widely recognized for its various pharmacological properties, including antioxidant, anti-inflammatory, and anti-tumor activities. Nevertheless, the development of curcumin as a therapeutic agent is impeded by its limited oral bioavailability, which stems from its chemical instability, poor aqueous solubility, and rapid degradation. [...] Read more.
Curcumin is widely recognized for its various pharmacological properties, including antioxidant, anti-inflammatory, and anti-tumor activities. Nevertheless, the development of curcumin as a therapeutic agent is impeded by its limited oral bioavailability, which stems from its chemical instability, poor aqueous solubility, and rapid degradation. This study aimed to develop granule formulations incorporating poly(N-isopropylacrylamide)-grafted hyaluronic acid or HA-g-pNIPAM to enhance dissolution and protect curcumin from degradation. Three formulations were developed: F10 (HA-g-pNIPAM physically mixed with curcumin), F10 Encap (curcumin encapsulated within HA-g-pNIPAM), and F11 (curcumin granules without HA-g-pNIPAM). The stability results showed that F10 Encap effectively maintained curcumin content throughout the study period, retaining approximately 94% of its initial concentration by day 30, compared to 70% from F11 (p < 0.05) at 30 °C and 75% relative humidity. All dried curcumin granules exhibited excellent flowability, as determined by the angle of repose measurements. All three formulations exhibited a consistent particle size distribution across replicates, with a peak in the 150–180 μm size range. The sustained release observed for F10 Encap and F10 after the initial burst suggested that the HA-g-pNIPAM provided a controlled release mechanism, ensuring continuous curcumin dissolution over 240 min in gastric and intestinal conditions. These findings suggested that HA-g-pNIPAM improved dissolution and stability of curcumin. Full article
Show Figures

Graphical abstract

14 pages, 2752 KB  
Article
Nuclear Magnetic Resonance in Tire Waste Mortars
by Marta Ioana Moldoveanu, Daniela Lucia Manea, Elena Jumate, Raluca Iștoan, Radu Fechete and Tudor Panfil Toader
Appl. Sci. 2025, 15(12), 6895; https://doi.org/10.3390/app15126895 - 18 Jun 2025
Viewed by 603
Abstract
This study aims to investigate the application of nuclear magnetic resonance (NMR) to characterize mortars containing recycled rubber waste as an eco-innovative material for sustainable construction. The primary objective was to analyze the way rubber granules influence hydration kinetics, microstructural development and pore [...] Read more.
This study aims to investigate the application of nuclear magnetic resonance (NMR) to characterize mortars containing recycled rubber waste as an eco-innovative material for sustainable construction. The primary objective was to analyze the way rubber granules influence hydration kinetics, microstructural development and pore structure. The innovative mortar formulations incorporated rubber granules, casein, natural hydraulic lime (NHL), and latex. NMR analysis revealed distinct T2 relaxation time distributions correlated with different pore sizes and water states: shorter T2 values demonstrate strongly bound water in small pores, while longer T2 values are associated with loosely bound or free water in larger pores. The formulation with 3.5% NHL and 5% rubber granules exhibited optimal microstructural characteristics. These results reveal that NMR is a valuable, non-destructive tool for monitoring cementitious material evolution and supporting the use of tire-derived waste in eco-innovative mortar designs. Full article
Show Figures

Figure 1

15 pages, 2028 KB  
Article
Physicochemical Properties of Demineralized Bone Matrix and Calcium Hydroxide Composites Used as Bone Graft Material
by Octarina, Florencia Livia Kurniawan, Firda Amalia Larosa, Olivia Nauli Komala and Meircurius Dwi Condro Surboyo
Crystals 2025, 15(6), 564; https://doi.org/10.3390/cryst15060564 - 15 Jun 2025
Viewed by 1406
Abstract
Vertical bone defects can result in alveolar bone resorption, which may be addressed using composite grafts. A combination of demineralized bone matrix (DBM) and calcium hydroxide (Ca(OH)2) has potential as a bone substitute due to its biological and structural properties. This [...] Read more.
Vertical bone defects can result in alveolar bone resorption, which may be addressed using composite grafts. A combination of demineralized bone matrix (DBM) and calcium hydroxide (Ca(OH)2) has potential as a bone substitute due to its biological and structural properties. This study aimed to identify the optimal DBM–Ca(OH)2 ratio by evaluating their physicochemical properties relevant to bone regeneration. DBM gel and Ca(OH)2 powder were combined at ratios of 1:1, 2:1, 3:1, and 4:1. The mixtures were freeze-dried, ground, and sieved to create granules. The composites were analyzed in terms of their structural and chemical characteristics, including crystallinity, calcium ion release, functional group composition, particle size, surface morphology, and elemental distribution. Increasing the proportion of DBM reduced crystallinity and calcium ion release while influencing particle size. Among all groups, the 2:1 composite demonstrated the most balanced properties: moderate crystallinity, relatively high calcium release, and favorable particle size. Chemical analyses confirmed the presence and interaction of both organic and inorganic components, while elemental mapping showed a uniform distribution of the key elements essential for bone formation. The DBM–Ca(OH)2 composite at a 2:1 ratio has the most promising physicochemical profile, making it a strong candidate for bone graft applications. However, a limitation of this study is the absence of biological testing. Future research should investigate the in vitro and in vivo performance of this composite in bone regeneration. Full article
Show Figures

Figure 1

22 pages, 2868 KB  
Review
Review of Research Progress on Dry Granulation Technology for Blast Furnace Slag
by Hecheng Hu, Tuo Zhou, Ye Li, Bing Xia, Man Zhang, Nan Hu and Hairui Yang
Materials 2025, 18(12), 2802; https://doi.org/10.3390/ma18122802 - 14 Jun 2025
Viewed by 1693
Abstract
Blast furnace slag, a high-temperature molten by-product generated during the ironmaking process in the metallurgical industry, has garnered significant attention for its resource utilization technologies. Compared to the traditional water-quenching method, dry granulation offers notable advantages. This paper systematically compares and analyzes the [...] Read more.
Blast furnace slag, a high-temperature molten by-product generated during the ironmaking process in the metallurgical industry, has garnered significant attention for its resource utilization technologies. Compared to the traditional water-quenching method, dry granulation offers notable advantages. This paper systematically compares and analyzes the performance parameters of three typical dry treatment processes: mechanical crushing, air-quenching granulation, and centrifugal granulation. It reveals that the centrifugal granulation process demonstrates substantial technical superiority in key metrics, such as particle size distribution uniformity, particle morphology optimization, and heat recovery efficiency. Building on this, this study provides a comprehensive review of the current state of centrifugal granulation technology, from both experimental and simulation perspectives. Additionally, the combined processes of centrifugal granulation and air quenching can fully exploit the synergistic benefits of each technology, thereby enhancing overall efficiency. However, the wind’s cooling effect can lead to the premature solidification of molten slag when it splits into liquid filaments, resulting in slag wool. To address this, this paper proposes a centrifugal granulation device equipped with a windbreak board, which facilitates temperature zoning. This approach prevents premature solidification in the liquid filament region while ensuring the timely cooling and solidification of slag particles, offering a novel technical solution for optimizing centrifugal granulation in metallurgical solid waste resource utilization. Full article
(This article belongs to the Special Issue Nonconventional Technology in Materials Processing-3rd Edition)
Show Figures

Figure 1

13 pages, 2529 KB  
Article
Cryopreservation of Ovarian Tissue at the Stage of Vitellogenesis from Yellow Drum (Nibea albiflora) and Its Effects on Cell Viability and Germ Cell-Specific Gene Expression
by Li Zhou, Feiyan Li, Zhaohan Sun, Jia Chen and Kunhuang Han
Fishes 2025, 10(6), 288; https://doi.org/10.3390/fishes10060288 - 12 Jun 2025
Viewed by 787
Abstract
The cryopreservation of ovarian tissues from fish has recently been carried out for several endangered and commercially valuable species. However, previous studies in this context have focused on the cryopreservation of immature ovaries—mainly through slow freezing and vitrification—which requires specialized freezing equipment or [...] Read more.
The cryopreservation of ovarian tissues from fish has recently been carried out for several endangered and commercially valuable species. However, previous studies in this context have focused on the cryopreservation of immature ovaries—mainly through slow freezing and vitrification—which requires specialized freezing equipment or higher cryoprotectant concentrations to keep cell viability. Therefore, the aim of this study was to explore a convenient, rapid, efficient and less toxic method for the cryopreservation of ovaries at the stage of vitellogenesis from yellow drum (Nibea albiflora), an economically important marine fish. The ovaries at the stage of vitellogenesis were isolated and cut into blocks of approximately 1 cm3, then cryopreserved with 15% propylene glycol (PG), fetal bovine serum (FBS) and 0.2 M trehalose as cryoprotectants. Finally, the samples were treated using three different freezing procedures, including a −80 °C refrigerator, liquid nitrogen, and their combination. After 7 days, the tissues were thawed and digested, and the cell survival rates and gene expression levels were detected using cell viability assay kits and qRT-PCR, respectively. The results of the viability assay showed that the procedure of ovarian tissue storage at −80 °C in a refrigerator for 1 h, followed by transfer to liquid nitrogen, resulted in the highest cell survival rate (>90%). Furthermore, the germ cells at various phases were of normal size; presented a full, smooth surface and regular shape; and did not show any signs of cell rupture, atrophy, depression, granulation or cavitation. Furthermore, the qRT-PCR results revealed that genes related to reproductive development, such as vasa, foxl2, zp3 and gsdf, were all down-regulated under the optimal protocol, while the expression of the nanos2 gene (which is specifically distributed in oogonia) maintained a higher level, similar to that in the control group. This indicated that the viability of germ stem cells (oogonia) was not weakened after freezing and that oogonia could be isolated from the cryopreserved ovaries for germ cell transplantation. The present study successfully establishes an optimal cryopreservation protocol for ovarian tissues from Nibea albiflora, providing reference for the preservation of ovaries at the stage of vitellogenesis from other species. Full article
Show Figures

Figure 1

21 pages, 1565 KB  
Article
Merging Real-Time NIR and Process Parameter Measurements in a Fluidized Bed Granulation Process to Predict Particle Size
by Ozren Jovic, Marcus O’Mahony, Samuel Solomon, David Egan, Chris O’Callaghan, Caroline McCormack, Ian Jones, Patrick Cronin, Gavin M. Walker and Rabah Mouras
Pharmaceutics 2025, 17(6), 720; https://doi.org/10.3390/pharmaceutics17060720 - 29 May 2025
Viewed by 1015
Abstract
Background/Objectives: Controlling the critical quality attributes (CQAs), such as granule moisture level and particle size distribution, that impact product performance is essential for ensuring product quality in medicine manufacture. Oral solid dosage forms, such as tablets, often require appropriate powder flow for [...] Read more.
Background/Objectives: Controlling the critical quality attributes (CQAs), such as granule moisture level and particle size distribution, that impact product performance is essential for ensuring product quality in medicine manufacture. Oral solid dosage forms, such as tablets, often require appropriate powder flow for compaction and filling. Spray-dried fluidized bed granulation (FBG) is a key unit operation in the preparation of granulated powders. The determination of particle sizes in FBG using near-infrared spectroscopy (NIR) has been considered in the literature. Herein, for the first time, NIR is combined with process parameters to achieve improved prediction of the particle sizes in FBG. Methods: An inline model for particle size determination using both NIR and FBG process parameters was developed using the partial least square (PLS) method, or ‘merged-PLS model’. The particle size was predicted at the end point of the process, i.e., the last 10% of the particle-size data for each batch run. An additional two analyses included a merged-PLS model with 12 batches: (1) where nine batches were training and three batches were a test set; and (2) where 11 batches were training and one was a test batch. Results: For all considered particle size fractions, Dv10, Dv25, Dv50, Dv75, and Dv90, an improved root-mean-squared error of prediction (RMSEP) is obtained for the merged-PLS model compared to the NIR-only PLS model and compared to the process parameters alone model. Improved RMSEP is also achieved for the additional two analyses. Conclusions: The improved prediction performance of endpoint particle sizes by the merged-PLS model can help to enhance both the process understanding and the overall control of the FBG process. Full article
(This article belongs to the Special Issue Advances in Analysis and Modeling of Solid Drug Product)
Show Figures

Graphical abstract

16 pages, 2287 KB  
Article
Automated Quantitative Immunofluorescence Microscopy Approach for Diagnosis of Hereditary Thrombopathies: A Proof of Concept Using Bernard–Soulier Syndrome and Glanzmann Thrombasthenia
by Kevin Loos, Rawya Al-Rifai, Sandra Ohlenforst, Claudia Klein, Johannes Oldenburg, Anna Pavlova and Behnaz Pezeshkpoor
Genes 2025, 16(6), 621; https://doi.org/10.3390/genes16060621 - 23 May 2025
Viewed by 1348
Abstract
Inherited platelet disorders (IPDs) are rare bleeding disorders characterized by impaired platelet function and/or reduced blood platelet count. Their diagnosis typically relies on complex laboratory methods, including flow cytometry, aggregometry, and molecular genetic analysis. In recent years, immunofluorescence microscopy has been established as [...] Read more.
Inherited platelet disorders (IPDs) are rare bleeding disorders characterized by impaired platelet function and/or reduced blood platelet count. Their diagnosis typically relies on complex laboratory methods, including flow cytometry, aggregometry, and molecular genetic analysis. In recent years, immunofluorescence microscopy has been established as an alternative diagnostic method for IPDs. Background/Objectives: This study aims to validate a quantitative approach enhancing reproducibility through automated image analysis for diagnosing IPDs using immunofluorescence microscopy, with Bernard–Soulier Syndrome (BSS) and Glanzmann thrombasthenia (GT) as model IPDs. Methods: Native blood smears from patients with suspected BSS or GT were stained using a standardized immunofluorescence protocol targeting platelet surface glycoproteins, granules, and cytoskeletal components. The slides were analyzed using an automated fluorescence microscope, and a rule-based subpopulation analysis was implemented to quantify fluorescence signals. The results were compared to those of a healthy control group, as well as data from flow cytometry and molecular genetic testing. Results: The automated analysis successfully differentiated BSS and GT patients from healthy controls based on distinct fluorescence signal patterns. In BSS samples, CD42b (GPIbα) expression was absent or severely reduced, while GT samples showed a deficiency of CD41/CD61 (GPIIb/IIIa). The platelet size distribution confirmed macrothrombocytopenia in BSS patients. Flow cytometry and molecular genetic testing corroborated these findings, supporting the diagnostic reliability of the automated immunofluorescence microscopy approach. Conclusions: This proof-of-principle study demonstrates that automated quantitative immunofluorescence microscopy is a viable alternative for diagnosing IPDs, offering a standardized, objective, and efficient method, particularly in settings where flow cytometry is not feasible. Full article
(This article belongs to the Section Human Genomics and Genetic Diseases)
Show Figures

Figure 1

24 pages, 5466 KB  
Article
The Impact of the Feed Rate and the Binder Concentration on the Morphology of Spray-Dried Alumina–Polymer Nanocomposites
by Rahul Mitra, Lukas Fuchs, Orkun Furat, Yannik Sinnwell, Sergiy Antonyuk, Volker Schmidt and Urs Alexander Peuker
Processes 2025, 13(6), 1643; https://doi.org/10.3390/pr13061643 - 23 May 2025
Cited by 1 | Viewed by 1247
Abstract
Spray-drying is a flexible method for creating fine porous composites with controlled size and morphology. This study investigates how the morphology and porosity of the spray-dried powder of nano-alumina and polyvinylpyrrolidone (PVP-30) granules are affected by both the feed rate and the binder [...] Read more.
Spray-drying is a flexible method for creating fine porous composites with controlled size and morphology. This study investigates how the morphology and porosity of the spray-dried powder of nano-alumina and polyvinylpyrrolidone (PVP-30) granules are affected by both the feed rate and the binder concentration. Droplet size and velocity distributions, measured with a HiWatch system, showed that higher feed rates produce larger droplets with faster velocities, therefore affecting the final morphology of the dried product. The morphology of the dried granules was analyzed using inline SOPAT imaging. While mercury intrusion porosimetry quantified the nano-pore volume and nano-pore size of the granules, offline scanning electron microscopy (SEM) was also used to characterize the morphology of the dried product. The findings show that, while raising the binder concentration produces a more compact morphology with a lower nano-pore volume, higher feed rates produce larger granules with a larger nano-pore volume. This study offers fundamental insights that can support the future development of control strategies for optimizing the production of spray-dried porous alumina–polymer nanocomposites by means of knowledge about the relationship between these process parameters and product qualities. Full article
(This article belongs to the Section Materials Processes)
Show Figures

Figure 1

Back to TopTop