Sign in to use this feature.

Years

Between: -

Subjects

remove_circle_outline
remove_circle_outline
remove_circle_outline
remove_circle_outline
remove_circle_outline
remove_circle_outline
remove_circle_outline
remove_circle_outline
remove_circle_outline

Journals

remove_circle_outline
remove_circle_outline
remove_circle_outline
remove_circle_outline
remove_circle_outline
remove_circle_outline
remove_circle_outline
remove_circle_outline
remove_circle_outline
remove_circle_outline
remove_circle_outline
remove_circle_outline
remove_circle_outline
remove_circle_outline
remove_circle_outline
remove_circle_outline

Article Types

Countries / Regions

remove_circle_outline
remove_circle_outline
remove_circle_outline
remove_circle_outline
remove_circle_outline
remove_circle_outline

Search Results (2,836)

Search Parameters:
Keywords = flow parameter prediction

Order results
Result details
Results per page
Select all
Export citation of selected articles as:
17 pages, 6382 KB  
Article
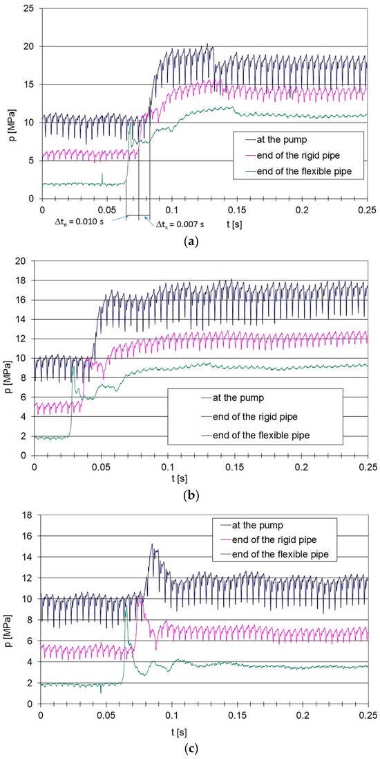
Determination of Pressure Wave Propagation Velocity in Closed Hydraulic Pipes
by Michał Stosiak, Paulius Skačkauskas, Linas Juknevičius and Mykola Karpenko
Machines 2026, 14(2), 165; https://doi.org/10.3390/machines14020165 (registering DOI) - 1 Feb 2026
Abstract
This paper focuses on determining the propagation velocity of pressure waves in closed hydraulic pipes. It is shown that under transient conditions, the propagation velocity of pressure waves depends, among other things, on temperature, pressure and the substitute bulk modulus. Accurate knowledge of [...] Read more.
This paper focuses on determining the propagation velocity of pressure waves in closed hydraulic pipes. It is shown that under transient conditions, the propagation velocity of pressure waves depends, among other things, on temperature, pressure and the substitute bulk modulus. Accurate knowledge of the pressure wave propagation velocity is crucial for predicting pressure amplitudes during transient flows, including the phenomenon of water hammer. Excessive pressure amplitudes in the pipe can lead to critical pipeline damage and increased vibrations. Experimental studies were conducted to determine the pressure wave propagation velocity in flexible steel-braided pipes and in a rigid pipe over a wide range of internal pressures. The results of the analyses presented in the papers may be helpful to scientists and engineers when designing pipelines and selecting the strength parameters of pipes, taking into account the possible maximum values of internal pressure amplitudes. Full article
(This article belongs to the Special Issue Advances in Noise and Vibrations for Machines: Second Edition)
Show Figures

Figure 1

30 pages, 6718 KB  
Article
Data-Driven Site Selection Based on CO2 Injectivity in the San Juan Basin
by Donna Christie Essel, William Ampomah, Najmudeen Sibaweihi and Dung Bui
Energies 2026, 19(3), 764; https://doi.org/10.3390/en19030764 (registering DOI) - 1 Feb 2026
Abstract
CO2 injection success hinges on the injectivity index, a major determinant of storage feasibility. This study develops a machine learning (ML)-driven framework optimized for CO2 injectivity prediction, benchmarking its robustness and real-world applicability against an empirical correlation developed in the literature. [...] Read more.
CO2 injection success hinges on the injectivity index, a major determinant of storage feasibility. This study develops a machine learning (ML)-driven framework optimized for CO2 injectivity prediction, benchmarking its robustness and real-world applicability against an empirical correlation developed in the literature. The framework is applied to the Entrada Formation in the San Juan Basin, a laterally extensive sandstone unit with limited structural complexity across most of the basin, except for localized uplift in the Hogback region. A numerical model was calibrated to perform sensitivity analysis to identify the dominant parameters influencing injectivity. A dataset of these parameters generated through experimental design informs the development of several ML-based proxies and the best model is selected based on error metrics. These metrics include coefficient of determination (R2), mean absolute error (MAE), and mean squared error (MSE). The effective permeability-thickness product was obtained by the Peaceman’s well model, fractional flow slope, and Dykstra–Parsons coefficient were identified as the most influential parameters impacting the objective function. Train–test and blind test validation identified the Ridge model as the best, achieving an R2 ≈ 0.994. The Ridge model which was used to map the Entrada Formation closely matches field-based correlations in the literature, confirming both its physical validity and the Entrada Formation’s strong injectivity potential, with slight deviations explained by the inclusion of additional parameters. This study reduces dependence on computationally intensive simulations while improving prediction accuracy. By benchmarking against established correlations, it enhances model reliability across diverse reservoir conditions. The proposed framework enables rapid, data-driven well placement and feasibility evaluations, streamlining decision-making for CO2 storage projects. Full article
(This article belongs to the Collection Feature Papers in Carbon Capture, Utilization, and Storage)
Show Figures

Figure 1

30 pages, 1315 KB  
Review
Abrasive Water Jet Machining (AWJM) of Titanium Alloy—A Review
by Aravinthan Arumugam, Alokesh Pramanik, Amit Rai Dixit and Animesh Kumar Basak
Designs 2026, 10(1), 13; https://doi.org/10.3390/designs10010013 (registering DOI) - 31 Jan 2026
Abstract
Abrasive water jet machining (AWJM) is a non-traditional machining process that is increasingly employed for shaping hard-to-machine materials, particularly titanium (Ti)-based alloys such as Ti-6Al-4V. Owing to its non-thermal nature, AWJM enables effective material removal while minimising metallurgical damage and preserving subsurface integrity. [...] Read more.
Abrasive water jet machining (AWJM) is a non-traditional machining process that is increasingly employed for shaping hard-to-machine materials, particularly titanium (Ti)-based alloys such as Ti-6Al-4V. Owing to its non-thermal nature, AWJM enables effective material removal while minimising metallurgical damage and preserving subsurface integrity. The process performance is governed by several interacting parameters, including jet pressure, abrasive type and flow rate, nozzle traverse speed, stand-off distance, jet incident angle, and nozzle design. These parameters collectively influence key output responses such as the material removal rate (MRR), surface roughness, kerf geometry, and subsurface quality. The existing studies consistently report that the jet pressure and abrasive flow rate are directly proportional to MRR, whereas the nozzle traverse speed and stand-off distance exhibit inverse relationships. Nozzle geometry plays a critical role in jet acceleration and abrasive entrainment through the Venturi effect, thereby affecting the cutting efficiency and surface finish. Optimisation studies based on the design of the experiments identify jet pressure and traverse speed as the most significant parameters controlling the surface quality in the AWJM of titanium alloys. Recent research demonstrates the effectiveness of artificial neural networks (ANNs) for process modelling and optimisation of AWJM of Ti-6Al-4V, achieving high predictive accuracy with limited experimental data. This review highlights research gaps in artificial intelligence-based fatigue behaviour prediction, computational fluid dynamics analysis of nozzle wear mechanisms and jet behaviour, and the development of hybrid AWJM systems for enhanced machining performance. Full article
(This article belongs to the Special Issue Studies in Advanced and Selective Manufacturing Technologies)
25 pages, 8004 KB  
Article
Effects of Discharge and Tailwater Depth on Local Scour of Multi-Grain Beds by Circular Wall Jets
by Amir H. Azimi and Homero Hernandez
Fluids 2026, 11(2), 42; https://doi.org/10.3390/fluids11020042 - 30 Jan 2026
Viewed by 97
Abstract
The scour process of sand particles and multi-grain size and density particles were studied to investigate the segregation process of different particles in a confined channel. The effects of jet intensity and submergence as two controlling parameters were studied, and scour characteristics and [...] Read more.
The scour process of sand particles and multi-grain size and density particles were studied to investigate the segregation process of different particles in a confined channel. The effects of jet intensity and submergence as two controlling parameters were studied, and scour characteristics and profiles were measured. The time history of the scouring process was measured and the results were compared with the scour process in a uniform sand bed as benchmark tests. Experimental data revealed that the eroded area of different particle types increased with the jet intensity, but the erosion of relatively heavier particles was limited due to jet diffusion. The local erosion was affected by the level of submergence and more erosion occurred near the nozzle at low submergence. Increasing the jet Froude number increased the area of deposition, while submergence reduced the overall area of deposition. As submergence increased from 4 to 12, the area of sand particles reduced by more than 50% while the jet intensity was constant. In shallow submergence, increasing jet intensity from 1.46 to 2.11 increased the area of lead balls by 120%, whereas in relatively deep submergence, incrementing jet intensity increased the area of lead balls by more than five times. The effect of flow intensity on variations of scour dimensions was quantified by the densimetric Froude number. While a densimetric Froude number based on mean particle size, D50, was found to be suitable to estimate maximum scour bed in uniform sand beds, experimental data indicated that the best fit is achievable to predict maximum scour depth in multi-grain size and density once D95 is used. Semi-empirical models were proposed to predict scour dimensions as a function of the densimetric Froude number. Full article
(This article belongs to the Topic Advances in Environmental Hydraulics, 2nd Edition)
Show Figures

Figure 1

15 pages, 2949 KB  
Article
U-Net-Based Daytime and Nighttime Prediction of Surface Suspended Sediment Concentrations in Wenzhou Coastal Waters
by Miao Zhang, Peixiong Chen, Bangyi Tao and Xin Zhou
J. Mar. Sci. Eng. 2026, 14(3), 282; https://doi.org/10.3390/jmse14030282 - 29 Jan 2026
Viewed by 142
Abstract
This study constructs a time-dependent model to predict the nighttime suspended sediment concentration near Wenzhou based on the convolutional neural network U-Net, which integrates the high-resolution Delft3D (version 4.03.01) hydrodynamic model and GOCI satellite observation data. The model’s prediction accuracy is significantly improved [...] Read more.
This study constructs a time-dependent model to predict the nighttime suspended sediment concentration near Wenzhou based on the convolutional neural network U-Net, which integrates the high-resolution Delft3D (version 4.03.01) hydrodynamic model and GOCI satellite observation data. The model’s prediction accuracy is significantly improved by replacing the original tide level with the tide level variation and increasing the temporal resolution of the flow field to 15 min via sensitivity analysis of the model’s input parameters. The validation results show that the model can maintain high consistency with GOCI observations in short-term prediction, with a structural similarity index (SSIM) of 0.82. For multi-hour continuous nighttime predictions, while quantitative uncertainty increases with the forecast horizon, the model successfully captures the spatial evolution patterns and maintains stable structural characteristics. The model effectively provides missing remote sensing nighttime observations as well as a new method for full-cycle prediction of nearshore SSC. Full article
(This article belongs to the Section Physical Oceanography)
Show Figures

Figure 1

26 pages, 12263 KB  
Article
Development and Long–Term Operation of a Three-Dimensional Displacement Monitoring System for Nuclear Power Plant Piping
by Damjan Lapuh, Peter Virtič and Andrej Štrukelj
Sensors 2026, 26(3), 895; https://doi.org/10.3390/s26030895 - 29 Jan 2026
Viewed by 149
Abstract
Ensuring the structural integrity of high-energy piping systems is a critical requirement for the safe operation of nuclear power plants. This paper presents the design, implementation, and three-year operational validation of a three-dimensional displacement monitoring system installed on the steam generator blowdown pipeline [...] Read more.
Ensuring the structural integrity of high-energy piping systems is a critical requirement for the safe operation of nuclear power plants. This paper presents the design, implementation, and three-year operational validation of a three-dimensional displacement monitoring system installed on the steam generator blowdown pipeline of the Krško Nuclear Power Plant. The system was developed to verify that the plant’s operating procedures will not induce excessive dynamic displacements during operation. The measurement system configuration utilizes three non-collinear inductive displacement transducers from Hottinger Baldwin Messtechnik (HBM WA/500 mm-L), mounted via miniature universal joints to a reference plate and to a defined observation point on the pipeline. This arrangement enables the real-time monitoring of X, Y, and Z displacements within a spherical measurement volume of approximately 0.5 m. Data are continuously acquired via an HBM QuantumX MX840B amplifier and processed using CATMAN Easy-AP software through a fiber-optic communication link between the containment and control areas. The system has operated continuously for more than three years under elevated temperature and radiation conditions, confirming its reliability and robustness. The correlation of the measured displacements with process parameters such as the flow rate, pressure, and temperature provides valuable insight into transient events and contributes to predictive maintenance strategies. The presented methodology demonstrates a practical and radiation-tolerant approach for the continuous structural monitoring of nuclear plant piping systems. Full article
(This article belongs to the Special Issue Fault Diagnosis Based on Sensing and Control Systems)
Show Figures

Figure 1

20 pages, 44374 KB  
Article
Admission EASIX Score Predicts Coronary No-Reflow and In-Hospital Mortality in STEMI Patients Undergoing Primary PCI
by Yusuf Bozkurt Şahin, Veysel Ozan Tanık, Sinan Boz, Murat Akdoğan, Çağatay Tunca, Özden Seçkin, Alperen Taş and Bülent Özlek
J. Clin. Med. 2026, 15(3), 1063; https://doi.org/10.3390/jcm15031063 - 29 Jan 2026
Viewed by 61
Abstract
Background: Early risk stratification in ST-elevation myocardial infarction (STEMI) remains critical, particularly for anticipating adverse outcomes such as the coronary no-reflow phenomenon (NRP) and early mortality. The Endothelial Activation and Stress Index (EASIX), calculated from routine laboratory parameters, has emerged as a potential [...] Read more.
Background: Early risk stratification in ST-elevation myocardial infarction (STEMI) remains critical, particularly for anticipating adverse outcomes such as the coronary no-reflow phenomenon (NRP) and early mortality. The Endothelial Activation and Stress Index (EASIX), calculated from routine laboratory parameters, has emerged as a potential biomarker reflecting systemic endothelial dysfunction. This study evaluated the prognostic value of admission EASIX for the NRP and in-hospital mortality in STEMI patients undergoing primary percutaneous coronary intervention (pPCI). Methods: In this retrospective single-center cohort, 1931 STEMI patients treated with pPCI between January 2023 and January 2025 were included. EASIX was calculated at admission. NRP was defined as post-PCI TIMI flow ≤ 2 or TIMI 3 flow with impaired myocardial blush (TMPG ≤ 1). Multivariable logistic regression, reclassification analyses (NRI/IDI), ROC analysis, and calibration methods were used to assess predictive performance. Sensitivity and interaction analyses were conducted. Results: NRP occurred in 14.1%, and in-hospital mortality was 2.5%. EASIX was independently associated with both outcomes (NRP: adjusted OR 1.485, 95% CI 1.286–1.715; mortality: adjusted OR range 1.371–2.096 across models; all p < 0.001). EASIX significantly improved risk reclassification for both NRP and in-hospital mortality (NRI > 0.20). ROC-AUCs were 0.706 for NRP and 0.810 for mortality. Restricted cubic spline and LOWESS analyses revealed nonlinear risk escalation. Calibration plots and Brier scores confirmed model reliability. Associations persisted across ischemic time and renal function strata. Conclusions: Admission EASIX is independently associated with NRP and in-hospital mortality in STEMI. Easily accessible and integrative, EASIX may enhance early risk stratification. External validation is warranted before clinical implementation. Full article
(This article belongs to the Special Issue Contemporary Trends in Cardiovascular Prevention)
Show Figures

Figure 1

28 pages, 3661 KB  
Article
A Hybrid Ionic Liquid–HPAM Flooding for Enhanced Oil Recovery: An Integrated Experimental and Numerical Study
by Mohammed A. Khamis, Omer A. Omer, Faisal S. Altawati and Mohammed A. Almobarky
Polymers 2026, 18(3), 359; https://doi.org/10.3390/polym18030359 - 29 Jan 2026
Viewed by 136
Abstract
Declining recovery factors from mature oil fields, coupled with the technical challenges of recovering residual oil under harsh reservoir conditions, necessitate the development of advanced enhanced oil recovery (EOR) techniques. While promising, chemical EOR often faces economic and technical hurdles in high-salinity, high-temperature [...] Read more.
Declining recovery factors from mature oil fields, coupled with the technical challenges of recovering residual oil under harsh reservoir conditions, necessitate the development of advanced enhanced oil recovery (EOR) techniques. While promising, chemical EOR often faces economic and technical hurdles in high-salinity, high-temperature environments where conventional polymers like hydrolyzed polyacrylamide (HPAM) degrade and fail. This study presents a comprehensive numerical investigation that addresses this critical industry challenge by applying a rigorously calibrated simulation framework to evaluate a novel hybrid EOR process that synergistically combines an ionic liquid (IL) with HPAM polymer. Utilizing core-flooding data from a prior study that employed the same Berea sandstone core plug and Saudi medium crude oil, supplemented by independently measured interfacial tension and contact angle data for the same chemical system, we built a core-scale model that was history-matched with RMSE < 2% OOIP. The calibrated polymer transport parameters—including a low adsorption capacity (~0.012 kg/kg-rock) and a high viscosity multiplier (4.5–5.0 at the injected concentration)—confirm favorable polymer propagation and effective in -situ mobility control. Using this validated model, we performed a systematic optimization of key process parameters, including IL slug size, HPAM concentration, salinity, temperature, and injection rate. Simulation results identify an optimal design: a 0.4 pore volume (PV) slug of IL (Ammoeng 102) reduces interfacial tension and shifts wettability toward water-wet, effectively mobilizing residual oil. This is followed by a tailored HPAM buffer in diluted formation brine (20% salinity, 500 ppm), which enhances recovery by up to 15% of the original oil in place (OOIP) over IL flooding alone by improving mobility control and enabling in-depth sweep. This excellent history match confirms the dual-displacement mechanism: microscopic oil mobilization by the IL, followed by macroscopic conformance improvement via HPAM-induced flow diversion. This integrated simulation-based approach not only validates the technical viability of the hybrid IL–HPAM flood but also delivers a predictive, field-scale-ready framework for heterogeneous reservoir systems. The work provides a robust strategy to unlock residual oil in such challenging reservoirs. Full article
(This article belongs to the Special Issue Application of Polymers in Enhanced Oil Recovery)
Show Figures

Figure 1

22 pages, 5916 KB  
Article
Effects of the Scrap Steel Ratio and Bottom-Blowing Process Parameters on the Fluid Flow Characteristics in a Physical Model of a Steelmaking Converter
by Fei Yuan, Xuan Liu, Anjun Xu and Xueying Li
Metals 2026, 16(2), 160; https://doi.org/10.3390/met16020160 - 29 Jan 2026
Viewed by 77
Abstract
The amount of scrap steel and selection of blowing process parameters are known to influence the fluid flow characteristics of the melt pool in converter steelmaking. However, few studies have considered the effects of scrap steel and blowing process parameters together. In this [...] Read more.
The amount of scrap steel and selection of blowing process parameters are known to influence the fluid flow characteristics of the melt pool in converter steelmaking. However, few studies have considered the effects of scrap steel and blowing process parameters together. In this study, a physical model of a converter is established to investigate the influences of the amount of scrap steel and bottom-blowing process parameters on the fluid flow characteristics of the melt pool. Particle image velocimetry is used to measure the velocity distribution in the melt pool, and the stimulus–response method is used to measure the mixing time of the melt pool under different operating conditions. The results show that increasing the scrap steel ratio worsens the dynamic conditions of the melt pool. The best of the explored combinations is achieved at a scrap steel ratio of 20% and with six nozzles. The mixing time decreases as the gas flow rate increases, but the rate of decrease also decreases. Based on the results, the mixing time can be predicted from the gas flow rate and the number of nozzles. A relationship between the stirring power and mixing time of a converter using the bottom-blowing process is established. Full article
Show Figures

Figure 1

11 pages, 5975 KB  
Article
Rheological Characterization of Cerebrospinal Fluid Under Different Temperature Conditions
by Thessa-Carina Bauer, Elke Bradt, Sabine Hild, Andreas Gruber, Tobias Rossmann, Francisco Ruiz-Navarro, Johannes Oberndorfer, Harald Stefanits and Milan Kracalik
Fluids 2026, 11(2), 38; https://doi.org/10.3390/fluids11020038 - 28 Jan 2026
Viewed by 132
Abstract
The flow behavior of fluids can be characterized by rheology and is especially used in the field of polymeric materials. This study focused on characterizing cerebrospinal fluid (CSF) of patients who developed hydrocephalus after subarachnoid hemorrhage (SAH) with rheology. Samples were drawn from [...] Read more.
The flow behavior of fluids can be characterized by rheology and is especially used in the field of polymeric materials. This study focused on characterizing cerebrospinal fluid (CSF) of patients who developed hydrocephalus after subarachnoid hemorrhage (SAH) with rheology. Samples were drawn from an external ventricular drainage (EVD) at four pre-defined time points after the initial hemorrhage. The CSF samples were analyzed using a rotational rheometer with a double gap geometry. In addition to the characterization of viscoelastic parameters, the cumulative storage factor was calculated to determine the interactions in the fluid. In order to investigate the temperature dependence of the CSF properties, the oscillatory measurements were implemented at certain temperatures that simulated specific conditions, such as 5 °C, at which temperature the CSF samples were stored; 35 °C for hypothermic conditions; 37 °C for physiologic conditions; and 40 °C for elevated body temperature. The overall goal was to evaluate whether rheology-based parameters may help in the prediction of shunt dependence for post-hemorrhagic hydrocephalus patients. For this aim, rheological parameters were correlated to certain laboratory parameters, such as erythrocyte and leukocyte count, glucose, lactate, and total protein concentration. Full article
(This article belongs to the Section Non-Newtonian and Complex Fluids)
Show Figures

Figure 1

23 pages, 3874 KB  
Article
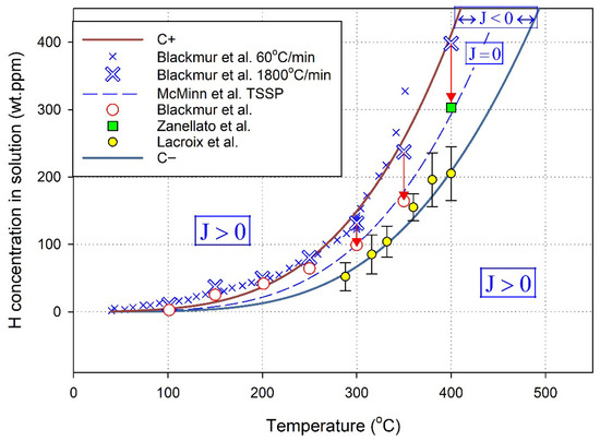
Hysteresis in Precipitation–Dissolution Cycling of Hydrides in Zirconium Alloys Is an Illusion
by Glenn McRae and Christopher Coleman
Hydrogen 2026, 7(1), 18; https://doi.org/10.3390/hydrogen7010018 - 28 Jan 2026
Viewed by 74
Abstract
Experimental results are compiled to show apparent hysteresis seen in hydride thermal precipitation–dissolution cycling in zirconium alloys using X-ray diffraction, dynamic elastic modulus techniques, and differential scanning calorimetry (DSC). Gibbs’ phase rule is used to justify a description of a stable hydride in [...] Read more.
Experimental results are compiled to show apparent hysteresis seen in hydride thermal precipitation–dissolution cycling in zirconium alloys using X-ray diffraction, dynamic elastic modulus techniques, and differential scanning calorimetry (DSC). Gibbs’ phase rule is used to justify a description of a stable hydride in the H-Zr system in terms of a control volume with a hydride at its core, surrounded by a stress gradient that produces a stabilizing gradient of hydrogen in the solution. The conditions for a stable hydride are derived when the flux of hydrogen in solid solution is zero. DSC heat flow curves are analyzed with a thermodynamic model that predicts concentrations of hydrogen in a solution during temperature cycling and a description of experimental results that show how concentrations evolve at a constant temperature to the same final state when cycling is paused, from which hysteresis is deemed an illusion. The control volume is supported by previous energy calculations, performed with density functional theory. Implications of replacing the order parameter for phase field methods with the gradient of the yield stress are discussed. A practical method for forming a stable hydride is presented. Full article
(This article belongs to the Special Issue Atomic and Molecular Clusters for Hydrogen Storage)
Show Figures

Figure 1

20 pages, 3651 KB  
Article
Sensitivity Analysis of Process Parameters on Deposition Quality and Multi-Objective Prediction in Ion-Assisted Electron Beam Evaporation of Ta2O5 Films
by Yaowei Wei, Jianchong Li, Wenze Ma, Hongqin Lei, Fei Zhang, Zhenfei Luo, Henan Liu, Xianghui Huang, Linjie Zhao and Mingjun Chen
Micromachines 2026, 17(2), 166; https://doi.org/10.3390/mi17020166 - 27 Jan 2026
Viewed by 115
Abstract
Tantalum pentoxide (Ta2O5) films deposited on fused silica substrates are critical components of high-power laser systems. Ion-assisted electron beam evaporation (IAD-EBE) is the mainstream technique for fabricating Ta2O5 films. However, it commonly requires extensive experimental efforts [...] Read more.
Tantalum pentoxide (Ta2O5) films deposited on fused silica substrates are critical components of high-power laser systems. Ion-assisted electron beam evaporation (IAD-EBE) is the mainstream technique for fabricating Ta2O5 films. However, it commonly requires extensive experimental efforts for deposition quality optimization, while each coating cycle is extremely time-consuming. To solve this issue, this work establishes a dataset targeting the surface roughness (Rq) and refractive index (n) of Ta2O5 films using atomic force microscopy, as well as ellipsometer and deposition experiments. Influence of assisting ion source beam voltage (V)/current (I) and Ar (Q1)/O2 (Q2) flow rate on the n and Rq of Ta2O5 films are analyzed. Combining energy-field mechanism analysis with a Bayesian optimization approach (PI-BO), both deposition quality prediction and feature analysis of process parameters are achieved. The determination coefficient/mean absolute error for the prediction models of n and Rq reach 0.927/0.013 nm and 0.821/0.049 nm, respectively. Based on sensitivity analysis, the weight factors of V, I, Q1, and Q2 affecting n/Rq of Ta2O5 films are determined to be 0.616/0.274, 0.199/0.144, 0.113/0.582, and 0.072/0.000. V and Q2 are identified as the core factors for regulating deposition quality. The optimal ranges for V and Q2 are 600~700 V and 70~80 sccm, respectively. This study proposes a PI-BO method for predicting Rq and n of Ta2O5 films under small-data conditions, while determining the preferred parameter ranges and their sensitivity weight factors. These findings provide effective theoretical support and technical guidance for IAD-EBE strategy design and optimization of optical films in high-power laser systems. Full article
(This article belongs to the Special Issue Advances in Digital Manufacturing and Nano Fabrication)
Show Figures

Figure 1

13 pages, 324 KB  
Article
On the Description of Turbulent Transport in Magnetic Confinement Systems
by Jan Weiland and Tariq Rafiq
Physics 2026, 8(1), 12; https://doi.org/10.3390/physics8010012 - 27 Jan 2026
Viewed by 101
Abstract
We show how a source-aware fluid closure framework for turbulent transport performs well on the confinement timescale in magnetically confined plasmas. A central result is that whether a source is resonant with the turbulence determines which fluid moments must be retained. Using a [...] Read more.
We show how a source-aware fluid closure framework for turbulent transport performs well on the confinement timescale in magnetically confined plasmas. A central result is that whether a source is resonant with the turbulence determines which fluid moments must be retained. Using a nonlinear current formulation, we show that resonance broadening—the dominant kinetic nonlinearity—cancels linear resonances and thereby justifies a quasilinear fluid closure already on the turbulence timescale. We derive a practical negative-energy criterion and identify parameter regimes satisfied by ion-temperature-gradient (ITG) modes (slab and toroidal), with parallel ion compressibility and magnetic curvature controlling the sign. The framework clarifies when velocity-space dynamics must be retained in the kinetic Fokker–Planck equation (for example, for fast-particle instabilities at frequencies about 102 higher than drift-wave frequencies). The present study provides additional support for our model by predicting transport that increases with radius and by showing—consistent with nonlinear kinetic simulations—that the diamagnetic flow dominates the Reynolds stress. Altogether, the results obtained provide a consistent, reduced-cost path to fluid closures that retain the essential kinetic physics while remaining tractable on confinement timescales. Full article
14 pages, 2547 KB  
Article
Hot-Formed, High-Strength, Integrated Automotive Parts: Numerical Analysis and Process Optimization
by Chunlin Li, Xin Xu, Xiao Liang, Li Lin, Rendong Liu and Xiaodong Li
Metals 2026, 16(2), 151; https://doi.org/10.3390/met16020151 - 26 Jan 2026
Viewed by 170
Abstract
Hot-forming, as a typical representative forming technology of high-strength steel (HSS), is one of the most effective ways to manufacture structural components for achieving automotive lightweighting goal. In this paper, a newly-developed commercial microalloyed hot-formed steel is selected and its hot-forming is studied [...] Read more.
Hot-forming, as a typical representative forming technology of high-strength steel (HSS), is one of the most effective ways to manufacture structural components for achieving automotive lightweighting goal. In this paper, a newly-developed commercial microalloyed hot-formed steel is selected and its hot-forming is studied by experiments and simulations. The new steel has a wide undercooled austenite region, providing more suitable condition for the manufacturing of one-piece large-sized integrated parts. The high-temperature mechanical behaviors of the investigated steel show that the flow stress obviously decreases with the increase in deformation temperature, and it increases with the increasing strain rate. An integrated component assembly of the rear floor and longitudinal beam is selected as a typical one-piece integrated part when performing the hot-forming simulation to evaluate the formability. The influences of the key process parameters, namely forming velocity and frictional coefficient, on formability are further analyzed. Finally, the Latin Hypercube Sampling (LHS) method is used to generate the parameter combination and the Response Surface Method (RSM) is adopted in optimization. As a result, an optimal process parameter combination is obtained and its predicted result matches the simulated one very well, with a relative error of only 2.57%. The research results of this paper are favorable for understanding the mechanical behaviors of the hot-formed steel at elevated temperatures, improving the formability and providing a reference for the development of large-sized integrated hot-formed parts. Full article
Show Figures

Figure 1

21 pages, 9088 KB  
Article
GMM-Enhanced Mixture-of-Experts Deep Learning for Impulsive Dam-Break Overtopping at Dikes
by Hanze Li, Yazhou Fan, Luqi Wang, Xinhai Zhang, Xian Liu and Liang Wang
Water 2026, 18(3), 311; https://doi.org/10.3390/w18030311 - 26 Jan 2026
Viewed by 177
Abstract
Impulsive overtopping generated by dam-break surges is a critical hazard for dikes and flood-protection embankments, especially in reservoirs and mountainous catchments. Unlike classical coastal wave overtopping, which is governed by long, irregular wave trains and usually characterized by mean overtopping discharge over many [...] Read more.
Impulsive overtopping generated by dam-break surges is a critical hazard for dikes and flood-protection embankments, especially in reservoirs and mountainous catchments. Unlike classical coastal wave overtopping, which is governed by long, irregular wave trains and usually characterized by mean overtopping discharge over many waves, these dam-break-type events are dominated by one or a few strongly nonlinear bores with highly transient overtopping heights. Accurately predicting the resulting overtopping levels under such impulsive flows is therefore important for flood-risk assessment and emergency planning. Conventional cluster-then-predict approaches, which have been proposed in recent years, often first partition data into subgroups and then train separate models for each cluster. However, these methods often suffer from rigid boundaries and ignore the uncertainty information contained in clustering results. To overcome these limitations, we propose a GMM+MoE framework that integrates Gaussian Mixture Model (GMM) soft clustering with a Mixture-of-Experts (MoE) predictor. GMM provides posterior probabilities of regime membership, which are used by the MoE gating mechanism to adaptively assign expert models. Using SPH-simulated overtopping data with physically interpretable dimensionless parameters, the framework is benchmarked against XGBoost, GMM+XGBoost, MoE, and Random Forest. Results show that GMM+MoE achieves the highest accuracy (R2=0.9638 on the testing dataset) and the most centralized residual distribution, confirming its robustness. Furthermore, SHAP-based feature attribution reveals that relative propagation distance and wave height are the dominant drivers of overtopping, providing physically consistent explanations. This demonstrates that combining soft clustering with adaptive expert allocation not only improves accuracy but also enhances interpretability, offering a practical tool for dike safety assessment and flood-risk management in reservoirs and mountain river valleys. Full article
Show Figures

Figure 1

Back to TopTop