Determination of Pressure Wave Propagation Velocity in Closed Hydraulic Pipes
Abstract
1. Introduction
1.1. Literature Background
1.2. Problem Description
2. Method for Determining the Substitute Bulk Modulus of the Working Fluid and Hydraulic Pipe
3. Method for Testing the Substitute Bulk Modulus
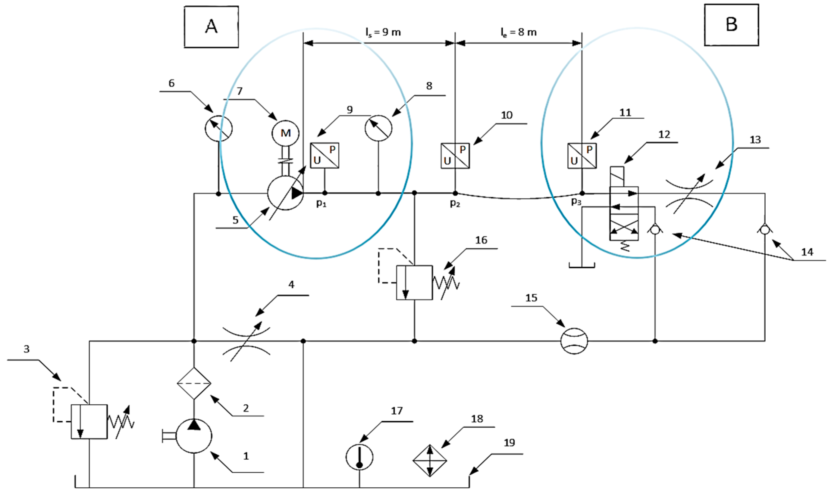
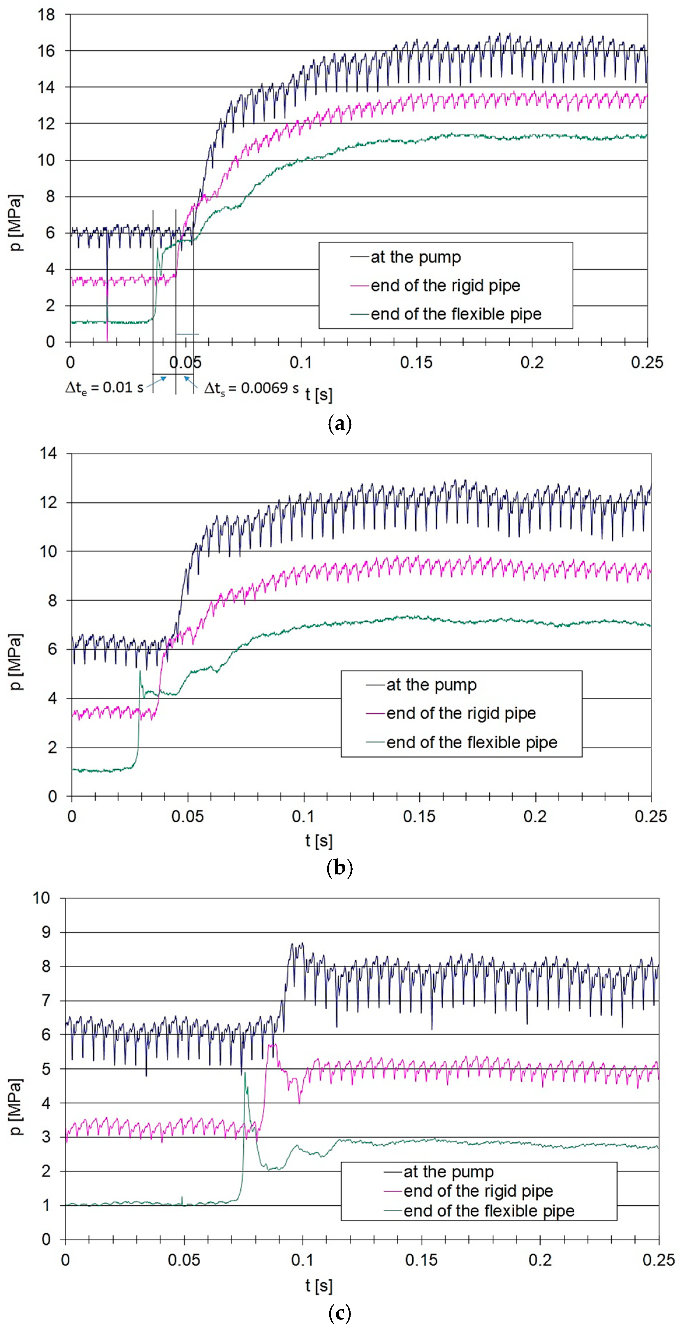
4. Experimental Studies of Pressure Wave Propagation Velocity
5. Conclusions
Author Contributions
Funding
Data Availability Statement
Conflicts of Interest
References
- Kumari, N.; Ganesh, U.; Bharat, P.; Swapnil, C.; Vijaya, R. A tractor hydraulic assisted embedded microprocessor-based penetrometer for soil compaction measurement. J. Terramech. 2023, 110, 1–12. [Google Scholar] [CrossRef]
- Wang, Y.; Zhai, B.; Chen, Y.; Huo, L.; Du, L.; Liu, T.; Zhang, A.; Zhang, Q. Design and performance research of water–glycol deep-sea valve-controlled hydraulic cylinder system based on on-line regulation of ambient pressure. Ocean. Eng. 2024, 313, 119492. [Google Scholar] [CrossRef]
- Liu, X.; Li, D.; Qi, P.; Qiao, W.; Shang, Y.; Jiao, Z. A local resistance coefficient model of aircraft hydraulics bent pipe using laser powder bed fusion additive manufacturing. Exp. Therm. Fluid Sci. 2023, 147, 110961. [Google Scholar] [CrossRef]
- Wei, Q.; Huailiang, Z.; Wenqian, S.; Wei, L. Stress response of the hydraulic composite pipe subjected to random vibration. Compos. Struct. 2021, 255, 112958. [Google Scholar] [CrossRef]
- Karpenko, M.; Stosiak, M.; Šukevičius, Š.; Skačkauskas, P.; Urbanowicz, K.; Deptuła, A. Hydrodynamic Processes in Angular Fitting Connections of a Transport Machine’s Hydraulic Drive. Machines 2023, 11, 355. [Google Scholar] [CrossRef]
- Nishimura, S.; Matsunaga, T. Analysis of response lag in hydraulic power steering system. JSAE Rev. 2000, 21, 41–46. [Google Scholar] [CrossRef]
- European Commission. Communication from the Commission to the European Parliament, the Council, the European Economic and Social Committee and the Committee of the Regions; European Commission: Brussels, Belgium, 2011; Available online: https://eur-lex.europa.eu/LexUriServ/LexUriServ.do?uri=COM:2011:0885:FIN:EN:PDF (accessed on 21 December 2025).
- Ren, Y.; Tang, H.; Xiang, J. Experimental and numerical investigations of hydraulic resonance characteristics of a high-frequency excitation system. Mech. Syst. Signal Process. 2019, 131, 617–632. [Google Scholar] [CrossRef]
- Stosiak, M.; Karpenko, M.; Ivannikova, V.; Maskeliūnaitė, L. The impact of mechanical vibrations on pressure pulsation, considering the nonlinearity of the hydraulic valve. J. Low Freq. Noise Vib. Act. Control 2025, 44, 706–719. [Google Scholar] [CrossRef]
- Stosiak, M.; Bury, P.; Karpenko, M. The influence of hydraulic hose length on dynamic pressure waveforms including wave phenomena. Sci. Rep. 2025, 15, 31548. [Google Scholar] [CrossRef] [PubMed]
- Li, Y.; Liu, W.; Ren, J.; Cui, M.; Nikolaitchik, M. A new framework incorporating long short-term memory and physics-informed neural networks for solving transient fluid flow problems in turbine vanes. Int. Commun. Heat Mass Transf. 2025, 168, 109482. [Google Scholar] [CrossRef]
- Lorenz, J.; Hildner, M.; Bogert, W.; Zhu, B.; Yee, S.; Fazeli, N.; Shih, A. Modeling of the high-viscosity fluid transient flow for material deposition in direct ink writing. Addit. Manuf. 2025, 109, 104836. [Google Scholar] [CrossRef]
- Tong, Z.; Shu, Z.; Liu, D.; Tong, S. Investigating flow-induced vibration in pump-turbines using a multi-scale fluid-structure interaction approach considering clearance flow effects. Sustain. Energy Technol. Assess. 2025, 82, 104487. [Google Scholar] [CrossRef]
- Xi, X.; Liu, C.; Pan, Y.; Zhang, R.; Song, S.; Xu, S.; Liu, H. Numerical investigation of in-nozzle cavitation and flow characteristics in diesel engines using a multi-fluid quasi-VOF model coupled with a cavitation model. Int. J. Heat Fluid Flow 2025, 115, 109858. [Google Scholar] [CrossRef]
- Guo, M.; Liu, C.; Liu, S.; Zhang, J.; Ke, Z.; Yan, Q.; Khoo, B. On the transient cavitation characteristics of viscous fluids around a hydrofoil. Ocean Eng. 2023, 267, 113205. [Google Scholar] [CrossRef]
- Deng, S.; Yi, L.; Li, X.; Yang, Z.; Zhang, N. A diagnostic model for hydraulic fracture in naturally fractured reservoir utilising water-hammer signal. Eng. Fract. Mech. 2025, 325, 111347. [Google Scholar] [CrossRef]
- Dong, X.; Zhu, H.; Wang, X.; He, L.; Liu, Z.; Gong, W.; Zhan, L.; Tang, J.; Yi, X. Research and application of hydraulic fracturing fluid entry depth detection method based on water-hammer signal. Geoenergy Sci. Eng. 2025, 246, 213556. [Google Scholar] [CrossRef]
- Plouraboué, F. Review on water-hammer waves mechanical and theoretical foundations. Eur. J. Mech.-B Fluids 2024, 108, 237–271. [Google Scholar] [CrossRef]
- Star, S.; Penuela Escobar, L.; Meerkerk, M.; Pothof, I.; Heinsbroek, A. Temperature effects on water hammer phenomena in pipelines. Appl. Therm. Eng. 2025, 264, 125408. [Google Scholar] [CrossRef]
- Cao, Y.; Ma, H.; Guo, X.; Chen, W.; Wang, W.; Zhao, T.; Lin, J. Fluid pulsation excitation characterization and pipeline vibration response analysis. Mech. Syst. Signal Process. 2025, 231, 112691. [Google Scholar] [CrossRef]
- Wang, Y.; Xue, D.; Wu, B.; Wang, X.; He, L. Failure analysis and forming process optimization of high-pressure sealed hydrogen pipelines under stress assembly conditions. Eng. Fail. Anal. 2025, 182, 110084. [Google Scholar] [CrossRef]
- Joukowsky, N. Uber den hydraulischen Stoss in Wasserleitungsróhren (On the hydraulic hammer in water supply pipes). In Mómoires de IF Acadćmie Impćriale des Sciences de St.-Pćtersbourg; Académie Impériale des Sciences: St. Petersburg, Russia, 1900; Volume nr 5, 82p. (In German) [Google Scholar]
- Kudźma, Z. Tłumienie Pulsacji Ciśnienia i Hałasu w Układach Hydraulicznych w Stanach Przejściowych i Ustalonych; Oficyna Wydawnicza Politechniki Wrocławskiej: Wrocław, Poland, 2012; 261p. (In Polish) [Google Scholar]
- Herer, C.; Gutowska, I. Thermal-Hydraulic Principles and Safety Analysis Guidelines of PWRs and iPWR-SMRs; Academic Press: Cambridge, MA, USA, 2025; 250p. [Google Scholar]
- Thorley, A. Fluid Transients in Pipeline Systems, 2nd ed.; Wiley–Blackwell Publisher: Hoboken, NJ, USA, 2004; 304p. [Google Scholar]
- Zhang, Z. Hydraulic Transients and Computations; Springer: Cham, Switzerland, 2020; 318p. [Google Scholar] [CrossRef]
- Hyvärinen, J.; Karlsson, M.; Zhou, L. Study of concept for hydraulic hose dynamics investigations to enable understanding of the hose fluid–structure interaction behavior. Adv. Mech. Eng. 2014, 12, 1687814020916110. [Google Scholar] [CrossRef]
- Grossschmidta, G.; Harf, M. Model-based simulation of hydraulic hoses in an intelligent environment. Int. J. Fluid Power 2018, 19, 27–41. [Google Scholar] [CrossRef]
- Vacca, A.; Franzoni, G. Hydraulic Fluid Power: Fundamentals, Applications, and Circuit Design; John Wiley and Sons Ltd.: Hoboken, NJ, USA, 2021; 704p. [Google Scholar]
- Kim, T.; Boehman, A. Experimental Measurement of the Isothermal Bulk Modulus of Compressibility and Speed of Sound of Conventional and Alternative Jet Fuels. Energy Fuels 2021, 35, 13813–13829. [Google Scholar] [CrossRef]
- Manaf, M.; Hamsa, M. Variation of Bulk Modulus, Its First Pressure Derivative, and Thermal Expansion Coefficient with Applied High Hydrostatic Pressure. Adv. Condens. Matter Phys. 2023, 2023, 9518475. [Google Scholar] [CrossRef]
- Kela, L.; Vähäoja, P. Measuring Pressure Wave Velocity in a Hydraulic System. Int. J. Mech. Mechatron. Eng. 2009, 3, 67–73. [Google Scholar]
- Kajaste, J.; Kauranne, H.; Ellman, A.; Pietola, M. Experimental validation of different models for effective bulk modulus of hydraulic fluid. In Proceedings of the Ninth Scandinavian International Conference on Fluid Power, SICFP’05, Linköping, Sweden, 1–3 June 2005; pp. 1–16. [Google Scholar]
- Shudong, Y.; Aihua, T.; Yulin, L.; Junxiang, Z.; Peng, Z.; Lin, Z. Experimental measurements of bulk modulus for two types of hydraulic oil at pressures to 140MPa and temperatures to 180 °C. In 10th International Fluid Power Conference; Technische Universität Dresden: Dresden, Germany, 2016; pp. 193–204. [Google Scholar]
- Kollek, W.; Kudźma, Z.; Stosiak, M.; Mackiewicz, J. Possibilities of diagnosing cavitation in hydraulic systems. Arch. Civ. Mech. Eng. 2007, 7, 61–73. [Google Scholar] [CrossRef]
- Karpenko, M.; Prentkovskis, O.; Šukevičius, Š. Research on high-pressure hose with repairing fitting and influence on energy parameter of the hydraulic drive. Eksploat. Niezawodn.–Maint. Reliab. 2022, 24, 25–32. [Google Scholar] [CrossRef]














Disclaimer/Publisher’s Note: The statements, opinions and data contained in all publications are solely those of the individual author(s) and contributor(s) and not of MDPI and/or the editor(s). MDPI and/or the editor(s) disclaim responsibility for any injury to people or property resulting from any ideas, methods, instructions or products referred to in the content. |
© 2026 by the authors. Licensee MDPI, Basel, Switzerland. This article is an open access article distributed under the terms and conditions of the Creative Commons Attribution (CC BY) license.
Share and Cite
Stosiak, M.; Skačkauskas, P.; Juknevičius, L.; Karpenko, M. Determination of Pressure Wave Propagation Velocity in Closed Hydraulic Pipes. Machines 2026, 14, 165. https://doi.org/10.3390/machines14020165
Stosiak M, Skačkauskas P, Juknevičius L, Karpenko M. Determination of Pressure Wave Propagation Velocity in Closed Hydraulic Pipes. Machines. 2026; 14(2):165. https://doi.org/10.3390/machines14020165
Chicago/Turabian StyleStosiak, Michał, Paulius Skačkauskas, Linas Juknevičius, and Mykola Karpenko. 2026. "Determination of Pressure Wave Propagation Velocity in Closed Hydraulic Pipes" Machines 14, no. 2: 165. https://doi.org/10.3390/machines14020165
APA StyleStosiak, M., Skačkauskas, P., Juknevičius, L., & Karpenko, M. (2026). Determination of Pressure Wave Propagation Velocity in Closed Hydraulic Pipes. Machines, 14(2), 165. https://doi.org/10.3390/machines14020165

