Sign in to use this feature.

Years

Between: -

Subjects

remove_circle_outline
remove_circle_outline
remove_circle_outline
remove_circle_outline
remove_circle_outline
remove_circle_outline
remove_circle_outline
remove_circle_outline
remove_circle_outline

Journals

remove_circle_outline
remove_circle_outline
remove_circle_outline
remove_circle_outline
remove_circle_outline
remove_circle_outline
remove_circle_outline
remove_circle_outline
remove_circle_outline
remove_circle_outline
remove_circle_outline
remove_circle_outline
remove_circle_outline
remove_circle_outline
remove_circle_outline
remove_circle_outline
remove_circle_outline
remove_circle_outline
remove_circle_outline
remove_circle_outline
remove_circle_outline
remove_circle_outline
remove_circle_outline
remove_circle_outline
remove_circle_outline
remove_circle_outline
remove_circle_outline
remove_circle_outline
remove_circle_outline
remove_circle_outline
remove_circle_outline
remove_circle_outline

Article Types

Countries / Regions

remove_circle_outline
remove_circle_outline
remove_circle_outline
remove_circle_outline
remove_circle_outline
remove_circle_outline
remove_circle_outline
remove_circle_outline

Search Results (6,779)

Search Parameters:
Keywords = electronics industry

Order results
Result details
Results per page
Select all
Export citation of selected articles as:
27 pages, 4292 KB  
Article
Mechanism of Long-Term Corrosion Protection for Silicone Epoxy Coatings Reinforced by BN-PDA-CeO2 Ternary Composites in Harsh Environments
by Xianlian Mu, Tao Jin, Pengfei Xie, Rongcao Yu, Bin Li and Xin Yuan
Nanomaterials 2026, 16(2), 121; https://doi.org/10.3390/nano16020121 (registering DOI) - 16 Jan 2026
Abstract
Corrosion in harsh environments causes global economic losses exceeding 3 trillion US dollars annually. Traditional silicone epoxy (SE) coatings are prone to failure due to insufficient physical barrier properties and lack of active protection. In this study, cerium dioxide (CeO2) was [...] Read more.
Corrosion in harsh environments causes global economic losses exceeding 3 trillion US dollars annually. Traditional silicone epoxy (SE) coatings are prone to failure due to insufficient physical barrier properties and lack of active protection. In this study, cerium dioxide (CeO2) was in situ grown on the surface of hexagonal boron nitride (h-BN) mediated by polydopamine (PDA) to prepare BN-PDA-CeO2 ternary nanocomposites, which were then incorporated into SE coatings to construct a multi-scale synergistic corrosion protection system. Fourier transform infrared spectroscopy (FT-IR), X-ray diffraction (XRD), and transmission electron microscopy (TEM) confirmed the successful preparation of the composites, where PDA inhibited the agglomeration of h-BN and CeO2 was uniformly loaded. Electrochemical tests showed that the corrosion inhibition efficiency of the extract of this composite for 2024 aluminum alloy reached 99.96%. After immersing the composite coating in 3.5 wt% NaCl solution for 120 days, the coating resistance (Rc) and charge transfer resistance (Rct) reached 8.5 × 109 Ω·cm2 and 1.2 × 1010 Ω·cm2, respectively, which were much higher than those of pure SE coatings and coatings filled with single/binary fillers. Density functional theory (DFT) calculations revealed the synergistic mechanisms: PDA enhanced interfacial dispersion (adsorption energy of −0.58 eV), CeO2 captured Cl (adsorption energy of −4.22 eV), and Ce3+ formed a passive film. This study provides key technical and theoretical support for the design of long-term corrosion protection coatings in harsh environments such as marine and petrochemical industries. Full article
(This article belongs to the Special Issue Research and Applications of Anti-Corrosion Nanocoatings)
Show Figures

Figure 1

20 pages, 2354 KB  
Article
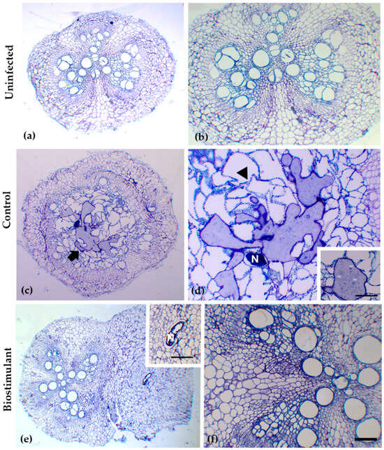
Combined Effects of Vegetable Oil-, Micronutrient-, and Activated Flavonoid-Based Biostimulants on Photosynthesis, Nematode Suppression, and Fruit Quality of Cucumber (Cucumis sativus L.)
by Georgia Ouzounidou, Niki-Sophia Antaraki, Antonios Anagnostou, George Daskas and Ioannis-Dimosthenis Adamakis
Plants 2026, 15(2), 274; https://doi.org/10.3390/plants15020274 - 16 Jan 2026
Abstract
The agricultural industry faces increasing environmental degradation due to the intensive use of conventional chemical fertilizers, leading to water pollution and alterations in soil composition. In addition, root-knot and cyst nematodes are major constraints to cucumber production, causing severe root damage and yield [...] Read more.
The agricultural industry faces increasing environmental degradation due to the intensive use of conventional chemical fertilizers, leading to water pollution and alterations in soil composition. In addition, root-knot and cyst nematodes are major constraints to cucumber production, causing severe root damage and yield losses worldwide, underscoring the need for sustainable alternatives to conventional fertilization and pest management. Under greenhouse conditions, a four-month cultivation trial evaluated vegetable oil-, micronutrient-, and activated flavonoid-based biostimulants, applying Key Eco Oil® (Miami, USA) via soil drench (every 15 days) combined with foliar sprays of CropBioLife® (Victoria, Australia) and KeyPlex 120® (Miami, USA) (every 7 days). Results showed reduced parasitic nematodes by 66% in soil and decreased gall formation by 41% in roots. Chlorophyll fluorescence and infrared gas analysis revealed higher oxygen-evolving complex efficiency (38%), increased PSII electron transport, improved the fluorescence decrease ratio, also known as the vitality index (Rfd), and higher CO2 assimilation compared to conventional treatments. Processed cucumbers showed higher sugar and nearly double ascorbic acid content, with improved flesh consistency and color. Therefore, the application of these bioactive products significantly reduced nematode infestation while enhancing plant growth and physiological performance, underscoring their potential as sustainable tools for crop cultivation and protection. These results provide evidence that sustainable bioactive biostimulants improve plant resilience, productivity, and nutritional quality, offering also an environmentally sound approach to pest management. Full article
(This article belongs to the Special Issue Plants 2025—from Seeds to Food Security)
Show Figures

Figure 1

24 pages, 3149 KB  
Article
Screening, Identification, and Degradation Mechanism of Polyester Fiber-Degrading Bacteria
by Zixuan Chen, Jing Tang, Shengjuan Peng, Qin Chen, Jianfeng Bai and Weihua Gu
Microorganisms 2026, 14(1), 207; https://doi.org/10.3390/microorganisms14010207 - 16 Jan 2026
Abstract
Polyester fibers are extensively used in textiles, packaging, and industrial applications due to their durability and excellent mechanical properties. However, high-crystallinity polyester fibers represent a major challenge in plastic waste management due to their resistance to biodegradation. This study evaluated the biodegradation potential [...] Read more.
Polyester fibers are extensively used in textiles, packaging, and industrial applications due to their durability and excellent mechanical properties. However, high-crystallinity polyester fibers represent a major challenge in plastic waste management due to their resistance to biodegradation. This study evaluated the biodegradation potential of environmental Bacillus isolates, obtained from mold-contaminated black bean plastic bags, toward polyethylene terephthalate (PET) and industrial-grade polyester fibers under mesophilic conditions. Among thirteen isolates, five (Bacillus altitudinis N5, Bacillus subtilis N6, and others) exhibited measurable degradation within 30 days, with mass losses up to 5–6% and corresponding rate constants of 0.04–0.05 day−1. A combination of complementary characterization techniques, including mass loss analysis, scanning electron microscopy (SEM), gel permeation chromatography (GPC), and gas chromatography/mass spectrometry (GC/MS), together with Fourier-transform infrared spectroscopy (FTIR), thermogravimetric/differential scanning calorimetry (TGA/DSC), and water contact angle (WCA) analysis, was employed to evaluate the biodegradation behavior of polyester fibers. Cross-analysis of mass loss, surface morphology, molecular weight reduction, and degradation products suggests a surface erosion-dominated degradation process, accompanied by ester-bond hydrolysis and preferential degradation of amorphous regions. FTIR, TGA/DSC, and WCA analyses further reflected chemical, thermal, and surface property changes induced by biodegradation rather than directly defining the degradation mechanism. The findings highlight the capacity of mesophilic Bacillus species to partially depolymerize polyester fibers under mild environmental conditions, providing strain resources and mechanistic insight for developing low-energy bioprocesses for polyester fiber waste management. Full article
(This article belongs to the Section Microbial Biotechnology)
Show Figures

Figure 1

19 pages, 2956 KB  
Article
Mechanisms and Efficacy of Thermally Modified Dolomite-Rich Phosphate Tailings as a Novel Adsorbent for Phosphorus Removal
by Yongjie Guo, Caixia Guo, Jiangli Li, Yuanchong Huang, Shuai Xu, Xing Zhao and Kunzhi Li
Water 2026, 18(2), 235; https://doi.org/10.3390/w18020235 - 16 Jan 2026
Abstract
The global environmental challenges of solid waste accumulation and aquatic eutrophication demand innovative and sustainable strategies. This study introduces a circular “waste-treats-waste” approach by converting dolomite-rich phosphate tailings (PT), a widespread industrial by-product, into a high-value adsorbent for phosphorus (P) removal. Thermal modification [...] Read more.
The global environmental challenges of solid waste accumulation and aquatic eutrophication demand innovative and sustainable strategies. This study introduces a circular “waste-treats-waste” approach by converting dolomite-rich phosphate tailings (PT), a widespread industrial by-product, into a high-value adsorbent for phosphorus (P) removal. Thermal modification at 950 °C for 1 h dramatically enhanced the adsorption capacity by approximately 45 times, from 2.52 mg/g (raw PT) to 112.41 mg/g. This performance is highly competitive with, and often superior to, many engineered adsorbents. The calcination process was pivotal, decomposing carbonates into highly active CaO and MgO while developing a porous structure. Using a multi-technique characterization approach (X-ray diffraction (XRD), Fourier transform infrared spectra (FTIR), TESCAN VEGA3 tungsten filament scanning electron microscope (SEM), the Brunauer–Emmett–Teller method (BET)), the key immobilization mechanism was identified as hydroxyapatite formation, driven by Ca2+/Mg2+-phosphate precipitation and surface complexation. Nonlinear regression analysis revealed that the adsorption kinetics obeyed the pseudo-second-order model, and the equilibrium data were best described by the Freundlich isotherm. This indicates a chemisorption process occurring on a heterogeneous surface, consistent with the complex structure created by thermal modification. Notably, post-adsorption pore structure expansion suggested synergistic pore-filling and surface reorganization. This work not only demonstrates a circular economy paradigm for repurposing industrial solid waste on a global scale but also offers a cost-effective and high-performance pathway for controlling phosphorus pollution in aquatic systems, contributing directly to resource efficiency and sustainable environmental remediation. Full article
(This article belongs to the Section Wastewater Treatment and Reuse)
Show Figures

Figure 1

17 pages, 9328 KB  
Article
Effect of Cr on Strength and Conductivity Properties of Cu-0.1Zr Alloys After Aging
by Jiao Huang, Jidan Chen, Jinting Pan, Shihao Gao and Lifeng Fan
Metals 2026, 16(1), 93; https://doi.org/10.3390/met16010093 - 14 Jan 2026
Viewed by 16
Abstract
The Cu-Cr-Zr alloy is regarded as an optimal material for high-end electronic information industries owing to its high electrical strength, high conductivity, and outstanding softening resistance. Nevertheless, the impacts of Cr content and microstructure evolution on performance enhancement during the processing stage remain [...] Read more.
The Cu-Cr-Zr alloy is regarded as an optimal material for high-end electronic information industries owing to its high electrical strength, high conductivity, and outstanding softening resistance. Nevertheless, the impacts of Cr content and microstructure evolution on performance enhancement during the processing stage remain unclear. In this research, Cu-xCr-0.1Zr alloys with varying Cr contents were fabricated via the thermo-mechanical approach. The microstructure evolution, as well as the mechanical and electrical properties before and after aging were investigated. It was discovered that Cr can mitigate the grain deformation degree of the copper alloy during cold rolling, notably augment the proportion of large-angle grain boundaries, and diminish the dislocation density induced by plastic deformation. As the Cr content increases, the conductivity of the sample declines from 86% IACS (0Cr) to 34.1% IACS (1.8Cr), and the tensile strength rises from 435 MPa (0Cr) to 542 MPa (1.8Cr) after cold rolling; the conductivity decreases from 89.4% IACS (0Cr) to 77.3% IACS (1.8Cr), and the tensile strength increases from 278 MPa to 607 MPa (1.0Cr). Based on the comprehensive outcomes, the aged 1.0Cr sample, with a tensile strength of 607 MPa and a conductivity of 80.9% IACS, satisfies the performance requirements of high-strength and high-conductivity copper alloys. Full article
Show Figures

Figure 1

24 pages, 6265 KB  
Article
On the Study of Performance Enhancement of 3D Printing and Industrial Application on Aviation Devices
by Hui-Pei Chang and Yung-Lan Yeh
Aerospace 2026, 13(1), 90; https://doi.org/10.3390/aerospace13010090 - 14 Jan 2026
Viewed by 27
Abstract
Three-dimensional printing is the most commonly used method for producing customized or mock-up products for industrial applications. In particular, aviation devices for drones usually require a high spatial resolution to satisfy the small size requirement. In practical applications of drones, the two main [...] Read more.
Three-dimensional printing is the most commonly used method for producing customized or mock-up products for industrial applications. In particular, aviation devices for drones usually require a high spatial resolution to satisfy the small size requirement. In practical applications of drones, the two main tasks are inspection and detection. However, the working environment is often filled with flammable gases, such as natural gas or petroleum gas. Thus, the parts of drones that can easily produce an electrical spark, such as electronic connectors, should be specially protected. In this study, atmosphere control was applied to enhance the printing performance and manufacture of anti-explosion devices. The results demonstrate that atmosphere control can efficiently improve the print quality and that the print resolution of a commercial 3D printer can be enhanced to reach the mm scale. In the anti-pressure testing via a high-pressure smoke experiment, the manufactured anti-explosion devices for drones showed an appropriate intrinsic safety level, suggesting that they can be used in drones used for daily inspections of pipelines in petrochemical plants. The two main contributions of this study are the development of a practical method for improving FDM 3D printers and an anti-explosion device for drones. Full article
Show Figures

Figure 1

10 pages, 2784 KB  
Communication
Corrosion of Carbon Steel in an Arsenic Trioxide Reduction Atmosphere Using Carbonaceous Materials for Elemental Arsenic Production
by Xiao Long, Wenbo Luo, Kai Zheng, Bo Feng, Xiang Li and Jierui Li
Materials 2026, 19(2), 336; https://doi.org/10.3390/ma19020336 - 14 Jan 2026
Viewed by 25
Abstract
Elemental arsenic (As) is essential for diverse industrial applications. Most elemental As in China is produced by reducing gaseous arsenic trioxide (As2O3) with carbonaceous materials in steel reactors. This study aimed to extend the reactor lifespan through corrosion experiments [...] Read more.
Elemental arsenic (As) is essential for diverse industrial applications. Most elemental As in China is produced by reducing gaseous arsenic trioxide (As2O3) with carbonaceous materials in steel reactors. This study aimed to extend the reactor lifespan through corrosion experiments and analysis. In this study, corroded regions of steel reactors were inspected after each production batch, and the corrosion process was examined. X-ray diffraction (XRD) was used to identify the major corrosion products, X-ray fluorescence (XRF) was used to measure the composition of corroded area, scanning electron microscopy (SEM) and energy-dispersive spectroscopy (EDS) were used to inspect the features and elemental distributions of the corroded steel-plate cross-sections. The results revealed that the steel wall near the charcoal zone exhibited the highest corrosion rate. Tin (Sn), selenium (Se), and antimony (Sb) did not promote the corrosion process, whereas carbon (C) accelerated it by forming an Fe–As–C system at the grain boundaries of the steel matrix, characterized by a low melting temperature. The important source of C responsible for initiating corrosion was solid-state C particles originating from reused materials from previous batches. Additionally, owing to the high processing temperature, oxygen (O) was transferred to the inner side of the steel wall before the dramatical corrosion of the matrix by elemental As and C. Results of this study provide references to increase the lifespan of steel reactors for elemental As production. Full article
Show Figures

Figure 1

23 pages, 2493 KB  
Article
Production and Characterization of Novel Photocatalytic Materials Derived from the Sustainable Management of Agro-Food By-Products
by Christina Megetho Gkaliouri, Eleftheria Tsampika Laoudikou, Zacharias Ioannou, Sofia Papadopoulou, Vasiliki Anastasia Giota and Dimitris Sarris
Molecules 2026, 31(2), 300; https://doi.org/10.3390/molecules31020300 - 14 Jan 2026
Viewed by 31
Abstract
Porous photocatalysts from agricultural waste, i.e., apricot and peach shell, with titanium dioxide were prepared by a carbonaceous method, the adsorption and photocatalytic degradation and its kinetics about methylene blue (MB) were studied systematically. The properties of the prepared composite sorbents were characterized [...] Read more.
Porous photocatalysts from agricultural waste, i.e., apricot and peach shell, with titanium dioxide were prepared by a carbonaceous method, the adsorption and photocatalytic degradation and its kinetics about methylene blue (MB) were studied systematically. The properties of the prepared composite sorbents were characterized using Brunauer–Emmett–Teller, surface area, scanning electron microscopy, and energy dispersive spectroscopy analyses. Several key factors, including radiation, pH, temperature, initial MB concentration, contact time, and sorbent dosage, as well as photocatalytic activity were investigated. All the waste-TiO2 adsorbents showed improved adsorption and photodegradation performance compared to commercial charchoal-TiO2. The produced materials presented high specific surface areas especially those derived from apricot shell-TiO2 with a combination of type I and IV adsorption isotherms with a hysteresis loop indicating micro and mesopore structures. In addition, under UV radiation, the composite sorbents exhibited greater MB removal efficiency than non-radiated composite sorbents. The examined conditions have shown the best MB adsorption results at pH greater than 7.5, temperature 30 °C, contact time 120 min, initial concentration 0.5 mg/L MB, and sorbent dosage equal to 2.0 g/L C/MB. The total removal rate of MB is 98.5%, while the respective amount of commercial charcoal-TiO2 is equal to 75.0%. The kinetic model that best describes the experimental data of MB degradation from the photocatalytic materials is the pseudo-second order model. In summary, this work highlights the effectiveness and feasibility of transforming agricultural waste into carbonaceous composite sorbent for the removal of cationic dyes from wastewater. Future work will involve scaling up the synthesis of the catalyst and evaluating its performance using bed reactors for industrial processes. Full article
Show Figures

Graphical abstract

15 pages, 4731 KB  
Article
AI-Assisted Multi-Physics Evaluation of Mission Profile-Based Traction Inverter Design for Sustainability
by Chi Zhang and Riccardo Negri
World Electr. Veh. J. 2026, 17(1), 43; https://doi.org/10.3390/wevj17010043 - 14 Jan 2026
Viewed by 34
Abstract
As the global transition toward carbon neutrality accelerates, the sustainability of power electronics has received growing attention from both academia and industry. Nevertheless, standardized methodologies for evaluating the sustainability of power electronic systems—particularly traction inverters—remain limited, largely due to the absence of comprehensive [...] Read more.
As the global transition toward carbon neutrality accelerates, the sustainability of power electronics has received growing attention from both academia and industry. Nevertheless, standardized methodologies for evaluating the sustainability of power electronic systems—particularly traction inverters—remain limited, largely due to the absence of comprehensive databases and unified assessment frameworks. Leveraging industrial extensive design experience, this paper presents an enhanced methodology for sustainability evaluation of traction inverters. The proposed framework combines advanced component-level modelling with multi-physics-based analysis to more accurately quantify the environmental impacts associated with different power semiconductor technologies. A Random Forest (RF)-based algorithm is employed for junction temperature (TJ) estimation, offering reliable thermal data crucial for sustainability assessment. Experimental validation on a prototype automotive inverter confirms the accuracy and robustness of the RF-based TJ estimation approach, ensuring realistic thermal–environmental coupling within the evaluation workflow. From a thermal perspective, the sizing of power electronics key components (PEKCs) is performed with high precision, enabling a more accurate estimation of power electronics-related material (PERM) usage. Combined with a preliminary CO2-equivalent (CO2e) emissions database, this allows sustainability assessment to be integrated directly into the design stage of the traction inverter. The effectiveness of the proposed approach is demonstrated through a comparative evaluation of three representative inverter topologies. Full article
Show Figures

Figure 1

18 pages, 1527 KB  
Article
Optimization of Biodiesel Production from Waste Cooking Oil Using a Construction Industry Waste Cement as a Heterogeneous and Reusable Catalyst
by Jing Sun, Hongwei Chen, Hongjian Shen, Xiang Luo, Zezhou Lin and Honglei Zhang
Nanomaterials 2026, 16(2), 108; https://doi.org/10.3390/nano16020108 - 14 Jan 2026
Viewed by 52
Abstract
Biodiesel, which is a blend of fatty acid methyl esters (FAME), has garnered significant attention as a promising alternative to petroleum-based diesel fuel. Nevertheless, the commercial production of biodiesel faces challenges due to the high costs associated with feedstock and the non-recyclable homogeneous [...] Read more.
Biodiesel, which is a blend of fatty acid methyl esters (FAME), has garnered significant attention as a promising alternative to petroleum-based diesel fuel. Nevertheless, the commercial production of biodiesel faces challenges due to the high costs associated with feedstock and the non-recyclable homogeneous catalyst system. To address these issues, a solid catalyst derived from construction industry waste cement was synthesized and utilized for biodiesel production from waste cooking oil (WCO). The catalyst’s surface and physical characteristics were analyzed through various techniques, including Scanning Electron Microscopy-Energy Dispersive Spectroscopy (SEM-EDS), X-ray diffraction (XRD), X-ray photoelectron spectroscopy (XPS), and Fourier Transform Infrared Spectroscopy (FTIR). The waste-cement catalyst demonstrated remarkable catalytic performance and reusability in the transesterification of WCO with methanol for biodiesel synthesis. A maximum biodiesel yield of 98.1% was obtained under the optimal reaction conditions of reaction temperature 65 °C; methanol/WCO molar ratio 16:1; calcined cement dosage 3 g; and reaction time 8 h. The apparent activation energy (Ea) from the reaction kinetic study is 35.78 KJ·mol−1, suggesting that the transesterification reaction is governed by kinetic control rather than diffusion. The biodiesel produced exhibited high-quality properties and can be utilized in existing diesel engines without any modifications. This research presents a scalable, environmentally benign pathway for WCO transesterification, thereby contributing significantly to the economic viability and long-term sustainability of the global biodiesel industry. Full article
Show Figures

Figure 1

25 pages, 570 KB  
Article
Digital Supply Chain Integration and Sustainable Performance: Unlocking the Green Value of Data Empowerment in Resource-Intensive Sectors
by Wanhong Li, Di Liu, Yuqing Zhan and Na Li
J. Theor. Appl. Electron. Commer. Res. 2026, 21(1), 38; https://doi.org/10.3390/jtaer21010038 - 14 Jan 2026
Viewed by 42
Abstract
In the rapidly evolving digital economy, the expansion of business-to-business e-commerce ecosystems has compelled traditional industries to integrate into digital supply chains to achieve sustainable development. Industrial e-commerce is no longer limited to online transactions but extends to the digital transformation of backend [...] Read more.
In the rapidly evolving digital economy, the expansion of business-to-business e-commerce ecosystems has compelled traditional industries to integrate into digital supply chains to achieve sustainable development. Industrial e-commerce is no longer limited to online transactions but extends to the digital transformation of backend operations. Drawing upon the perspective of the digital business ecosystem, this study investigates how digital supply chain integration, manifested through digital transformation, impacts energy efficiency. By utilizing a panel fixed effects model and advanced text mining techniques on a dataset of 721 listed firms in the resource-intensive sectors of China spanning from 2011 to 2023, this research constructs a novel index to quantify corporate digital maturity based on semantic analysis. The empirical results demonstrate that digital transformation significantly enhances energy efficiency by facilitating optimized resource allocation and data-driven decision making required by modern digital markets. Mechanism analysis reveals that green innovation functions as a pivotal mediator that bridges the gap between digital investments and environmental performance. Furthermore, this relationship is found to be contingent upon corporate social responsibility strategies, ownership structures, and the scale of the firm. This study contributes to the electronic commerce literature by elucidating how traditional manufacturers can leverage digital technologies and green innovation to navigate the twin transition of digitalization and sustainability, offering theoretical implications for platform governance in industrial sectors. Full article
Show Figures

Figure 1

16 pages, 9276 KB  
Article
Study of Co-Combustion of Pellets and Briquettes from Lignin in a Mixture with Sewage Sludge
by Andrey Zhuikov, Tatyana Pyanykh, Mikhail Kolosov, Irina Grishina, Olga Fetisova, Petr Kuznetsov and Stanislav Chicherin
Energies 2026, 19(2), 397; https://doi.org/10.3390/en19020397 - 14 Jan 2026
Viewed by 110
Abstract
Improving the thermal utilisation of organic production waste to generate energy is integral to solving one of the most pressing issues of our time: transitioning away from fossil fuels. In this context, the thermal utilisation of organic waste, particularly sewage sludge (SS) and [...] Read more.
Improving the thermal utilisation of organic production waste to generate energy is integral to solving one of the most pressing issues of our time: transitioning away from fossil fuels. In this context, the thermal utilisation of organic waste, particularly sewage sludge (SS) and lignin-containing by-products from the biochemical industry, is of considerable scientific and practical interest. This study provides a thorough analysis of the co-combustion processes involving SS, lignin-based pellets and briquettes, and their mixtures with various component ratios. The aim of the work is to evaluate the fuel properties, thermokinetic characteristics, and potential for synergistic interactions during joint fuel combustion, considering the mechanical impact on lignin during granulation. The aim is to optimise conditions for the thermal utilisation of industrial waste. The study employed standard analytical methods: the thermophysical properties of the fuels were determined; morphological analysis of the particle surface was conducted using scanning electron microscopy; and X-ray fluorescence analysis was performed to identify the inorganic oxide phase. It has been established that lignin briquettes have the highest lower heating value, exceeding that of lignin pellets and sewage sludge by 7% and 27%, respectively. Thermogravimetric analysis (TGA) in an oxidising atmosphere (air, heating rate of 10 °C/min) made it possible to determine the following key combustion parameters: the ignition temperature of the coke residue (Ti); the temperature at which oxidation is complete (Tb); the maximum combustion rate (Rmax); and the combustion efficiency index (Q). The ignition temperature of the coke residue was 262.1 °C for SS, 291.8 °C for lignin pellets, and 290.0 °C for lignin briquettes. Analysis of co-combustion revealed non-linear behaviour in the thermograms, indicating synergistic effects, which are manifested by a decrease in the maximum combustion rate compared to the additive prediction, particularly in mixtures with a moderate lignin content (25–50%). It was established that the main synergistic interactions between the mixture components occurred during moisture evaporation and the combustion of coke residue. These results are valuable for designing and operating power plants that focus on co-combusting industrial organic waste, and they contribute to the development of thermal utilisation technologies within closed production cycles. Full article
(This article belongs to the Section I2: Energy and Combustion Science)
Show Figures

Figure 1

23 pages, 1151 KB  
Article
CNN–BiLSTM–Attention-Based Hybrid-Driven Modeling for Diameter Prediction of Czochralski Silicon Single Crystals
by Pengju Zhang, Hao Pan, Chen Chen, Yiming Jing and Ding Liu
Crystals 2026, 16(1), 57; https://doi.org/10.3390/cryst16010057 - 13 Jan 2026
Viewed by 132
Abstract
High-precision prediction of the crystal diameter during the growth of electronic-grade silicon single crystals is a critical step for the fabrication of high-quality single crystals. However, the process features high-temperature operation, strong nonlinearities, significant time-delay dynamics, and external disturbances, which limit the accuracy [...] Read more.
High-precision prediction of the crystal diameter during the growth of electronic-grade silicon single crystals is a critical step for the fabrication of high-quality single crystals. However, the process features high-temperature operation, strong nonlinearities, significant time-delay dynamics, and external disturbances, which limit the accuracy of conventional mechanism-based models. In this study, mechanism-based models denote physics-informed heat-transfer and geometric models that relate heater power and pulling rate to diameter evolution. To address this challenge, this paper proposes a hybrid deep learning model combining a convolutional neural network (CNN), a bidirectional long short-term memory network (BiLSTM), and self-attention to improve diameter prediction during the shoulder-formation and constant-diameter stages. The proposed model leverages the CNN to extract localized spatial features from multi-source sensor data, employs the BiLSTM to capture temporal dependencies inherent to the crystal growth process, and utilizes the self-attention mechanism to dynamically highlight critical feature information, thereby substantially enhancing the model’s capacity to represent complex industrial operating conditions. Experiments on operational production data collected from an industrial Czochralski (Cz) furnace, model TDR-180, demonstrate improved prediction accuracy and robustness over mechanism-based and single data-driven baselines, supporting practical process control and production optimization. Full article
(This article belongs to the Section Inorganic Crystalline Materials)
Show Figures

Figure 1

17 pages, 2730 KB  
Article
Effect of Artificial Aging Conditions on Mechanical Properties of EN AW 6056 Aluminum Alloy
by Gizem Ay, Mehmet Okan Görtan and Fatih Çağırankaya
Metals 2026, 16(1), 88; https://doi.org/10.3390/met16010088 - 13 Jan 2026
Viewed by 132
Abstract
The 6xxx series aluminum alloys are preferred in many industrial applications because they can achieve relatively high strength levels through heat treatment. It is known that, as in the case of the EN AW 6056 alloy, the addition of small amounts of copper [...] Read more.
The 6xxx series aluminum alloys are preferred in many industrial applications because they can achieve relatively high strength levels through heat treatment. It is known that, as in the case of the EN AW 6056 alloy, the addition of small amounts of copper to materials in this series can further enhance their mechanical properties. In the current study, the effect of artificial aging conditions on the mechanical properties of EN AW 6056 aluminum alloy has been investigated. The ratio of Mg to Si and Cu content of the alloy were 0.939 and 0.92, respectively. The aging process was conducted at temperatures of 170, 180, and 190 °C, with corresponding aging durations of 1, 2, 3, 4, 6, 8, 12, 15, 18, 21, and 24 h. The maximum hardness was obtained in samples aged at 170 °C for 12 h, corresponding to the transition to over-aging condition. In contrast, the highest tensile strength was achieved in samples aged at 190 °C for 4 h, representing the peak-aged condition. Transmission electron microscopy (TEM) analyses revealed distinct microstructural characteristics for the peak-aged and transition to over-aging conditions. In the peak-aged state, needle-shaped β″ precipitates, lath-like Q′ phases, and L phases with narrow rectangular cross-sections were observed. In contrast, lath-like L precipitates were absent in the transition to over-aging condition. Full article
(This article belongs to the Special Issue Processing, Microstructure and Properties of Aluminium Alloys)
Show Figures

Figure 1

22 pages, 7101 KB  
Article
Mineralogical Characterization of REE-Y Occurrences in the A-Type Serra Da Mesa Granitic Massif, Goiás, Brazil
by Angélica María Zapata Montoya, Nilson Francisquini Botelho and Federico Alberto Cuadros Jimenez
Minerals 2026, 16(1), 75; https://doi.org/10.3390/min16010075 - 13 Jan 2026
Viewed by 45
Abstract
Rare earth elements (REEs) are not scarce in nature; however, they rarely occur in economically viable concentrations. Over recent decades, demand for REE has increased substantially due to advances in high-technology industries and the expansion of clean energy technologies. At present, global REE [...] Read more.
Rare earth elements (REEs) are not scarce in nature; however, they rarely occur in economically viable concentrations. Over recent decades, demand for REE has increased substantially due to advances in high-technology industries and the expansion of clean energy technologies. At present, global REE production is highly concentrated, leading to instability in the international market and reinforcing the need to identify new resources. This study presents a mineralogical characterization of REE+Y occurrences in the Serra da Mesa Granitic Massif (SMGM), the type granite of the Tocantins Subprovince, Goiás Tin Province, Brazil. The objective is to evaluate its potential for REE+Y enrichment in ion-adsorption–type (IA-type) weathering profiles. Petrography, electron probe microanalysis (EPMA), and scanning electron microscopy (SEM) were applied to samples of the parental granite and associated alluvial sediments. The main REE-bearing minerals identified are allanite, bastnäsite-(Y), fluocarbonates, xenotime-(Y), zircon, and fergusonite-(Y), showing wide compositional variability. Bastnäsite-(Y) and xenotime display the highest REE+Y contents, reaching up to 74.2 wt.% and 65.1 wt.%, respectively. Bastnäsite and other fluocarbonates occur as alteration products of allanite, indicating REE+Y mobilization associated with F- and CO2-rich fluids under low-temperature hydrothermal conditions. Alteration textures and low EPMA analytical totals suggest hydration, metamictization, and fluid-mediated neoformation processes. The abundance of REE+Y-bearing minerals, their susceptibility to weathering, and the presence of secondary fluocarbonates indicate that the SMGM represents a promising target for IA-type REE+Y mineralization within the Goiás Tin Province. Full article
(This article belongs to the Special Issue Ion-Adsorption-Type REE Deposits)
Show Figures

Figure 1

Back to TopTop