Sign in to use this feature.

Years

Between: -

Subjects

remove_circle_outline
remove_circle_outline
remove_circle_outline
remove_circle_outline
remove_circle_outline

Journals

Article Types

Countries / Regions

Search Results (20)

Search Parameters:
Keywords = cylinder-piston group

Order results
Result details
Results per page
Select all
Export citation of selected articles as:
21 pages, 4766 KB  
Article
Study on the Influence of Diesel Fuel Substitution Ratio on the Characteristics of Dual-Fuel Free-Piston Engines
by Zhaoju Qin, Zhiao Zhang, Weihong Weng, Chenyang Yin, Zhen Han and Weizheng Zhang
Appl. Sci. 2025, 15(24), 13189; https://doi.org/10.3390/app152413189 - 16 Dec 2025
Viewed by 78
Abstract
The diesel substitution ratio is a key parameter influencing the combustion characteristics and energy conversion efficiency of hydrogen diesel dual-fuel free-piston engines. This study develops a thermodynamic hydrodynamic coupled model for a dual-fuel free engine to investigate the effects of five substitution ratios [...] Read more.
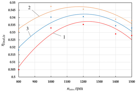
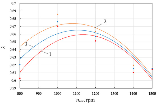
The diesel substitution ratio is a key parameter influencing the combustion characteristics and energy conversion efficiency of hydrogen diesel dual-fuel free-piston engines. This study develops a thermodynamic hydrodynamic coupled model for a dual-fuel free engine to investigate the effects of five substitution ratios (15%, 20%, 25%, 30%, and 35%) on in-cylinder mixture formation, combustion characteristics, and emission performance. The key novelty of this work lies in employing this fully coupled combustion-dynamics model to systematically optimize the hydrogen–diesel substitution ratio, which explicitly captures the critical feedback between combustion and the piston’s unique motion. The cumulative heat release served as the key quantitative metric. The analyzed parameters included the gas mixture fraction, turbulent kinetic energy, flow trajectories, in-cylinder pressure and temperature, combustion reaction rate, unburned equivalent ratio, cumulative heat release and its rate, heat release rate, and emission mass. The results demonstrate that the engine’s overall performance is optimal at a substitution ratio of 25%. At this ratio, a peak volumetric mixture fraction of 0.0088 was achieved with a broad distribution range, indicating significantly improved spatial fuel uniformity. The flow field exhibited organized swirl patterns that enhanced fuel dispersion. The peak in-cylinder pressure reached 7.2 MPa, which was 0.044 MPa higher than that of the 20% group. The combustion temperature remained stable, with a peak value of 1606 K, exceeding the 20% and 30% groups by 7 K and 16 K, respectively. The heat release phase was well-synchronized with the piston motion, ensuring a high proportion of premixed combustion for thorough fuel oxidation. Although nitrogen oxide (NOx) emissions were slightly higher, the reduction in soot was substantially greater than in the 20% group, leading to overall superior performance compared to the other substitution ratios. This study develops a thermodynamic hydrodynamic coupled model for a dual-fuel free-piston engine by leveraging the interaction between piston motion and combustion. This paper presents a novel strategy for optimizing the substitution ratio in a free piston engine via a fully coupled combustion-dynamics model. Full article
(This article belongs to the Section Applied Thermal Engineering)
Show Figures

Figure 1

11 pages, 1330 KB  
Article
Failure Analysis of ICE Cylinder Units and Technology for Their Elimination
by Volodymyr Dzyura, Pavlo Maruschak, Roman Bytsa, Roman Komar, Volodymyr Teslia and Abdellah Menou
Eng 2025, 6(7), 152; https://doi.org/10.3390/eng6070152 - 4 Jul 2025
Viewed by 732
Abstract
The mechanisms of in-service damage caused to the cylinder units of internal combustion engines (ICE) during their operation are analyzed. Long-term operation under harsh conditions, failure to comply with operating conditions, and breach of design and technology standards were found to be the [...] Read more.
The mechanisms of in-service damage caused to the cylinder units of internal combustion engines (ICE) during their operation are analyzed. Long-term operation under harsh conditions, failure to comply with operating conditions, and breach of design and technology standards were found to be the major reasons for the initiation and propagation of in-service defects. The life of ICE cylinder liners is proposed to be extended by forming regular microreliefs. This represents a promising surface engineering strategy. Axial lines of the regular microrelief’s grooves were considered using analytical dependencies, which helped determine their coordinates and those of their equidistant. The authors simulated the pattern according to which the groove axes of type II regular microrelief could be aligned on the inner surface of the cylinder liner. To this end, a tool with three deforming elements was used. Technical means have been developed to implement this technology on the working surfaces of the liner–piston group’s mating parts. Full article
Show Figures

Figure 1

18 pages, 7684 KB  
Article
Experimental Investigation of a Free-Form Honed Cylinder Liner for Heavy-Duty Engines
by Frederik Stelljes, Florian Pohlmann-Tasche and Friedrich Dinkelacker
Lubricants 2024, 12(4), 132; https://doi.org/10.3390/lubricants12040132 - 16 Apr 2024
Cited by 1 | Viewed by 2293
Abstract
For future internal combustion engines, driven by regenerative fuels, efficiency is more important than ever. One approach to reduce the losses inside the piston cylinder unit (PCU) is to improve the alignment of the liner and the piston. Therefore, a cylinder liner with [...] Read more.
For future internal combustion engines, driven by regenerative fuels, efficiency is more important than ever. One approach to reduce the losses inside the piston cylinder unit (PCU) is to improve the alignment of the liner and the piston. Therefore, a cylinder liner with a free form was developed at the Institute of Technical Combustion (ITV) of the Leibniz University Hannover which compensates radial and linear deformations along the stroke. The layout is based on a FEM simulation. The liner was manufactured by the Institute of Production Engineering and Machine Tools (IFW) of Leibniz University of Hannover with a novel turn-milling process. The liner was investigated on the heavy-duty Floating-Liner engine of ITV with a displacement of 1991 ccm and a bore diameter of 130 mm. The experimental results show improvement in the friction losses over the whole engine map in the range of 9% and up to 17.3% compared to a serial liner. Sealing efficiency could be improved up to 28.8%, depending on the operational point. Overall, the investigation aims for lower fuel consumption which would in result fewer emissions. Full article
Show Figures

Figure 1

16 pages, 2219 KB  
Article
Methodological Aspects of Assessing the Thermal Load on Diesel Engine Parts for Operation on Alternative Fuel
by Sergejus Lebedevas and Edmonas Milašius
J. Mar. Sci. Eng. 2024, 12(2), 325; https://doi.org/10.3390/jmse12020325 - 13 Feb 2024
Cited by 3 | Viewed by 2124
Abstract
The decarbonization of maritime transport has become a crucial strategy for the adoption of renewable low-carbon fuels (LCFs) (MARPOL 73/78 (Annex VI) and COM (2021) 562-final 2021/0210 (COD)). In 2018, 98% of operated marine diesel engines ran on fossil fuels. The application of [...] Read more.
The decarbonization of maritime transport has become a crucial strategy for the adoption of renewable low-carbon fuels (LCFs) (MARPOL 73/78 (Annex VI) and COM (2021) 562-final 2021/0210 (COD)). In 2018, 98% of operated marine diesel engines ran on fossil fuels. The application of LCFs, according to expert assessments (DNV GL), is considered the most effective solution to the decarbonization challenge in the maritime sector. This publication presents methodological proposals related to assessing the reliability of operational diesel engines when transitioning to low- carbon fuels. The proposed methodology implements an interconnected assessment of the combustion cycle parameters and the limiting reliability factors of the thermal load on the most critical components of the cylinder–piston group. The optimization of the combustion cycle parameters for the indicators of energy and the environmental efficiency of low-carbon fuel applications was combined with the evaluation and assurance of permissible values of the thermal load factors on the components to determine the overall reliability of the engine. Thus, the possibility of overload and engine failures was already eliminated at the retrofitting design stage. The algorithm for the parametric analysis was grounded in the practical application of established α-formulae for the heat exchange intensity, such as those of the Central Diesel Engine Research Institute and G. Woschni. This approach was combined with modeling the combustion cycle parameters by employing statistical or single-zone mathematical models such as IMPULS and AVL BOOST. The α-formulae for low carbon fuels were verified based on the thermal balance data. The structure of the solutions for the effectiveness of the practical implementation of this methodology was comprehensively oriented towards diesel “families”, as exemplified by the models 15/15 (pmi = 1.2, 1.4, and 1.6 MPa). The long-term goal of the obtained results in the structure of comprehensive decarbonization research was to assess the factors of the reliable operation of characteristic groups of medium-speed (350–1000 rpm) and high-speed (1000–2100 rpm) marine engines for reliable operation in the medium term on ammonia. Full article
(This article belongs to the Special Issue Advanced Research on the Sustainable Maritime Transportation)
Show Figures

Figure 1

19 pages, 1857 KB  
Article
Experimental Study Results Processing Method for the Marine Diesel Engines Vibration Activity Caused by the Cylinder-Piston Group Operations
by Olga Afanaseva, Oleg Bezyukov, Dmitry Pervukhin and Dmitry Tukeev
Inventions 2023, 8(3), 71; https://doi.org/10.3390/inventions8030071 - 12 May 2023
Cited by 48 | Viewed by 3306
Abstract
The article discusses the method and results of processing statistical data from an experimental study of vibrations in marine diesel engines caused by the operation of cylinder-piston groups. The results of the application of a ranking method for identifying factors that influence vibration [...] Read more.
The article discusses the method and results of processing statistical data from an experimental study of vibrations in marine diesel engines caused by the operation of cylinder-piston groups. The results of the application of a ranking method for identifying factors that influence vibration in marine diesel engines are presented to determine the most significant ones. A series of experiments were conducted according to special plans to actively implement the random balance method. This helped to establish the correctness of selecting the most significant factors from a variety of factors that influence the process under study. The article presents a mathematical model that enables the calculation of current values and prediction of changes in the most significant indicators, with the clearance between the piston and the cylinder liner being the most important. Full article
(This article belongs to the Topic Ship Dynamics, Stability and Safety)
Show Figures

Figure 1

23 pages, 5010 KB  
Article
Numerical Analysis of Unsteady Heat Transfer in the Chamber in the Piston Hybrid Compressor with Regenerative Heat Exchange
by Victor Shcherba, Anatoliy Khait, Evgeniy Nosov and Evgeniy Pavlyuchenko
Machines 2023, 11(3), 363; https://doi.org/10.3390/machines11030363 - 7 Mar 2023
Cited by 8 | Viewed by 2438
Abstract
The adjoint thermodynamic and heat exchange processes in the new class piston compressor with regenerative heat exchange are considered in the paper. The implicit tridiagonal matrix algorithm is implemented to study the unsteady thermal conductivity in the cylinder–piston group. After the formulation of [...] Read more.
The adjoint thermodynamic and heat exchange processes in the new class piston compressor with regenerative heat exchange are considered in the paper. The implicit tridiagonal matrix algorithm is implemented to study the unsteady thermal conductivity in the cylinder–piston group. After the formulation of proper initial and boundary conditions, the optimal relationship between temporal and spatial discretization steps is determined. Two different time steps are used in the numerical solution of the two-way coupled fast thermodynamic and slow heat exchange models. The relationship between those time steps is determined as well. The conducted numerical experiments allow the analysis of the dynamics of heat exchange in the cylinder–piston group, temperature variation in different parts of the cylinder–piston group, the impact of the heat transfer processes on isothermal and adiabatic efficiency, the impact of heat exchange dynamics on the thermodynamic cycle, as well as other thermodynamic and energetic effects. Full article
(This article belongs to the Special Issue Advances in Positive Displacement Compressors)
Show Figures

Figure 1

26 pages, 6716 KB  
Article
Development and Research of a Promising Pumpless Liquid Cooling System for Reciprocating Compressors
by V. E. Shcherba, A. Khait, E. A. Pavlyuchenko and I. Yu. Bulgakova
Energies 2023, 16(3), 1191; https://doi.org/10.3390/en16031191 - 21 Jan 2023
Cited by 7 | Viewed by 2588
Abstract
A new pumpless liquid cooling system for a single-stage two-cylinder reciprocating compressor has been developed from the analysis of work processes and cooling systems of reciprocating compressors, where one piston compresses and moves gas and coolant in the cooling system. The intensification of [...] Read more.
A new pumpless liquid cooling system for a single-stage two-cylinder reciprocating compressor has been developed from the analysis of work processes and cooling systems of reciprocating compressors, where one piston compresses and moves gas and coolant in the cooling system. The intensification of the coolant movement increases in the machine, which can reduce the temperature of the cylinder–piston group and increase the indicator efficiency and the compressor feed rate. A mathematical model of working processes in a reciprocating compressor and its cooling system has been developed on the basic fundamental laws of conservation of energy, mass and motion. A prototype was developed and tested to obtain new knowledge about the processes in the machine and confirm the assumptions made while developing the mathematical model. After a series of experiments, the influence of cooling on the working processes in a reciprocating compressor, the technical work carried out in each working process, the energy and consumption characteristics of a reciprocating compressor with a developed cooling system were established. There was a validation performed of the developed mathematical model of work processes in the machine and the assumptions made. According to the developed mathematical model of work processes, a numerical experiment was carried out, which established: the coolant flow rate decreases with an increase in discharge pressure and increases with an increase in the crankshaft speed when the discharge pressure changes from 0.4 MPa to 0.8 MPa, a decrease in the indicator isothermal efficiency due to the leakage and non-isothermal nature of the compression process, as well as a decrease in the return work in the process of reverse expansion, leading to a decrease in the indicator isothermal efficiency of more than 15%; due to the equalization of pressures in the gas cavities with an increase in discharge pressure, the coolant consumption is reduced by (15 ± 17)%; with an increase in the angular speed of the crankshaft from 800 rpm to 1500 rpm, the coolant flow rate increases by more than 2.5 times, this increase in coolant flow rate is due to an increase in hydraulic resistance due to an increase in gas velocity; in the range from 1000 to 1200 rpm, a maximum of the indicator isothermal efficiency and compressor feed rate is observed; maximum indicator isothermal efficiency and the supply ratio is observed at a coolant flow rate in the range from 800 mL/min to 900 mL/min. Full article
(This article belongs to the Section B: Energy and Environment)
Show Figures

Figure 1

12 pages, 6790 KB  
Article
Effect of Groove Texture on Deformation and Sealing Performance of Engine Piston Ring
by Tingkun Chen, Lin Wang, Jin Xu, Tianyu Gao, Xiuzhang Qin, Xiaobin Yang, Qian Cong, Jingfu Jin and Chaozong Liu
Machines 2022, 10(11), 1020; https://doi.org/10.3390/machines10111020 - 3 Nov 2022
Cited by 6 | Viewed by 3077
Abstract
During the present study, a double groove texture was designed on the surface of a piston ring to improve the sealing performance between the piston ring and cylinder liner. The experimental design method was used to fabricate the test plan according to the [...] Read more.
During the present study, a double groove texture was designed on the surface of a piston ring to improve the sealing performance between the piston ring and cylinder liner. The experimental design method was used to fabricate the test plan according to the groove width, depth, and spacing. By using the thermal–structural coupling analysis method, the finite element analysis of the standard piston ring and the textured piston ring was carried out to simulate the deformation state of the cylinder liner system of the piston ring group during the working stroke. The piston rings with different parameters designed by the test scheme were manufactured by wire electrical discharge machining, and the self-made experiment device carried out the sealing test. The results showed that the groove texture could improve the sealing performance of the piston ring, and the analyzed results demonstrated that the groove texture had little effect on the maximum deformation of the piston ring. Still, it could significantly reduce the minimum deformation of the piston ring group. A piston ring with groove texture would improve the sealing performance and reduce the deformation during the work stroke. During the test, the average deformation of the No.7 piston ring group, with a groove depth of 1 mm, a groove width of 0.5 mm, and a groove spacing of 0.1 mm, was the smallest, about 29.6% lower than that of the standard piston ring group. The sealing performance of the No.7 piston ring group was the best, and the reduction rate of the top gas leakage rate was 52.18%. During the present study, the sealing performance of the piston ring was improved by designing the grooved structure on the piston ring surface, thereby improving the fuel economy and power performance of the engine. The present study could provide a reference for the engineering field to design a piston ring with high sealing performance. Full article
(This article belongs to the Section Vehicle Engineering)
Show Figures

Figure 1

19 pages, 3120 KB  
Article
Method and a Device for Testing the Friction Force in Precision Pairs of Injection Apparatus of the Self-Ignition Engines
by Jan Monieta
Energies 2022, 15(19), 6898; https://doi.org/10.3390/en15196898 - 21 Sep 2022
Cited by 2 | Viewed by 2411
Abstract
This article reviews the state of the knowledge and technology in the field of friction-loss measurements in internal combustion piston engines. The dependencies that describe the loss of energy in combustion engines and injection apparatus are presented. Currently, very little can be found [...] Read more.
This article reviews the state of the knowledge and technology in the field of friction-loss measurements in internal combustion piston engines. The dependencies that describe the loss of energy in combustion engines and injection apparatus are presented. Currently, very little can be found in the literature on the study of frictional forces in injection apparatus, but mainly in the piston–cylinder group, so this work significantly fills that gap. The aim of this article is to construct a device and to develop a method for assessing the technical state of injector nozzles to minimize friction losses in internal combustion engines at the stages of evaluation, design, production and operation. This article presents a stand for determining the maximum friction forces due to gravity loading by water-jet control. This article also presents test results on the maximum friction force between a needle and a body of injector nozzles in piston combustion engines on a designed and purpose-built stand outside of the combustion engine. Various designs and injector nozzles are made from various types of alloy steel for marine and automotive piston internal combustion engines fueled with distillation or residual fuels, and are tested. The research concerned conventional elements for the injection apparatus as well as electronically controlled subsystems. Precision pairs of injection equipment are selected for the tests: new ones are employed after the storage period and operated in natural conditions. The elements dismantled from the internal combustion engines are tested in the presence of fuel or calibration oil of similar properties. The maximum static frictional forces under the hydrostatic loading are measured, alongside the parameters for the dynamic movement of the nozzle needles from bodies of the injector nozzle as time, speed, acceleration and dynamic force. The influence of the angular position of the needle in relation to the bodies of the precision pairs conventional internal combustion engines, the diametral clearance between the nozzle body and needle, and the surface conditions on the values of the maximum friction force are also presented. Errors in shape and position result in the uniqueness of the friction force at the mutual angular position of the needle in relation to the nozzle body, and the decrease in diametral clearance and deterioration of the surface state increase the friction losses. A model was elaborated of the influence of various factors on the value of the maximum friction force. Full article
Show Figures

Graphical abstract

16 pages, 4080 KB  
Article
Analysis of and Experimental Research on a Hydraulic Traction System Based on a Digital Hydraulic Transformer
by Weijian Li, Zhuxin Zhang, Tao Liu, Hengyi Cao, Tao Ni and Yafei Wang
Sensors 2022, 22(10), 3624; https://doi.org/10.3390/s22103624 - 10 May 2022
Cited by 6 | Viewed by 2837
Abstract
In this study, we designed a new type of digital hydraulic transformer using four gear–pump/motor units with a displacement ratio of 20:21:22:23 and two control valve groups that consist of four solenoid directional valves. The driving [...] Read more.
In this study, we designed a new type of digital hydraulic transformer using four gear–pump/motor units with a displacement ratio of 20:21:22:23 and two control valve groups that consist of four solenoid directional valves. The driving gear shafts of the four gear–pump/motor units are fixedly connected to achieve synchronous rotation. The two control valve groups are respectively installed through an integrated valve block on the inlet and outlet of each gear–pump/motor unit. With the objective of reducing the installed power and energy consumption of hydraulic traction systems, we propose a new energy-saving hydraulic system based on a digital hydraulic transformer. This hydraulic system uses a digital hydraulic transformer as a pressure/flow control element. By controlling the power on/off states of eight solenoid directional valves, the digital hydraulic transformer can realize a change in output flow and then a change in speed of the hydraulic cylinder piston rod. Through the theoretical derivation and simulation analysis of the hydraulic system pressure/flow change process, and the experimental verification of the built hydraulic traction system based on the experimental platform, a conclusion is drawn that the proposed digital hydraulic transformer can change the output pressure/flow of a hydraulic system through a binary digital control, verifying the feasibility of the pressure change principle of the designed digital hydraulic transformer and the rationality of the hydraulic traction system circuit. Full article
(This article belongs to the Section Physical Sensors)
Show Figures

Figure 1

28 pages, 2742 KB  
Article
Method of Evaluation of Materials Wear of Cylinder-Piston Group of Diesel Engines in the Biodiesel Fuel Environment
by Magdalena Kapłan, Kamila Klimek, Grzegorz Maj, Dmytro Zhuravel, Andrii Bondar, Viktoriia Lemeshchenko-Lagoda, Boris Boltianskyi, Larysa Boltianska, Hanna Syrotyuk, Serhiy Syrotyuk, Ryszard Konieczny, Gabriel Filipczak, Dorota Anders, Barbara Dybek and Grzegorz Wałowski
Energies 2022, 15(9), 3416; https://doi.org/10.3390/en15093416 - 7 May 2022
Cited by 6 | Viewed by 2801
Abstract
This article concerns the method of material consumption assessment of the cylinder-piston group of diesel engines in the biodiesel environment. The obtained experimental dependences of the wear coefficients on the example of the tribounit cylinder liner and the piston ring can be used [...] Read more.
This article concerns the method of material consumption assessment of the cylinder-piston group of diesel engines in the biodiesel environment. The obtained experimental dependences of the wear coefficients on the example of the tribounit cylinder liner and the piston ring can be used to forecast the resource use during operation under specific conditions of the engine and the environment as a whole. The article systematizes the types of biofuels, depending on the type of raw materials from which they were made, taking into account the process and application. The physical and chemical aspects of the catalysts used for biofuels were indicated. The applied experimental methods for tribological wear of the piston-cylinder pair were analyzed. B70 biodiesel was used in the research, i.e., 70% mineral diesel oil and 30% methyl esters of rapeseed oil. Experimental tribotechnical studies of the influence of biofuels on the behavior of various materials have shown that when using this type of fuel, it is necessary to replace the materials from which some parts of the cylinder-piston group are made. To solve this problem, research has been carried out on a specially designed friction machine. The novelty in the article concerns the association, based on the literature, of hydrogen consumption causing material wear in friction contacts. The mechanism of the interaction of various construction materials during such friction has been disclosed. Full article
Show Figures

Figure 1

21 pages, 5680 KB  
Article
A New Coupled Approach for Enthalpy Pumping Consideration in a Free Piston Stirling Engine (FPSE)
by Mahdi Majidniya, Mohamed Tahar Mabrouk, Abdelhamid Kheiri, Benjamin Remy and Thierry Boileau
Appl. Mech. 2022, 3(2), 339-359; https://doi.org/10.3390/applmech3020021 - 25 Mar 2022
Cited by 2 | Viewed by 3645
Abstract
One group of losses that can considerably affect the performance of Free Piston Stirling Engines’ (FPSE) is the enthalpy pumping and the shuttle effect, which are due to the gap standing between the cylinder and the displacer. The shuttle effect is induced by [...] Read more.
One group of losses that can considerably affect the performance of Free Piston Stirling Engines’ (FPSE) is the enthalpy pumping and the shuttle effect, which are due to the gap standing between the cylinder and the displacer. The shuttle effect is induced by the periodic displacer motion between the hot and the cold sources. The enthalpy pumping, which is the subject of the present study, is due to the short-circuit-like flow between the hot and cold spaces. To study these losses, first, a fine nonlinear dynamic model of the FPSE is developed and validated. Then, to study the enthalpy pumping based on that, a coupled model (for the first time) and a decoupled model are presented. The difference between the two models is that the first one provides a dynamic and a thermic linkage between the Stirling and loss model, while the second one studies them separately. The effect of the gap size on both loss models was investigated. The coupled and decoupled modeling results were quite different due to the considerable effect of the enthalpy pumping on the FPSE response. The results showed that the enthalpy pumping in the decoupled model exceeds the total output power when the gap exceeds 30 μm, and when the gap exceeds 70 μm, the enthalpy pumping is around ten times larger than the output power. In contrast, the enthalpy pumping in the coupled model is always less than the output power, which is logical. Thus, the coupled one was presented as the adapted model that should be considered for further FPSE studies. Full article
(This article belongs to the Special Issue Applied Thermodynamics: Modern Developments)
Show Figures

Figure 1

22 pages, 18064 KB  
Article
New Ways to Measure Mechanical Losses by Motoring an ICE with Increased Cylinder Pressure
by Radek Procházka, Aleš Dittrich, Robert Voženílek and Stanislav Beroun
Appl. Sci. 2022, 12(4), 2155; https://doi.org/10.3390/app12042155 - 18 Feb 2022
Cited by 5 | Viewed by 3815
Abstract
The article shows the results of measuring the mechanical losses of a piston engine in two new ways and explains the necessary engine modification for these measurements. At the same time, it compares the results of measuring mechanical losses in the internal combustion [...] Read more.
The article shows the results of measuring the mechanical losses of a piston engine in two new ways and explains the necessary engine modification for these measurements. At the same time, it compares the results of measuring mechanical losses in the internal combustion engine (ICE) in the current (hitherto exploited) way and in new ways. The first method is not replacing the cylinder charge and regulating the cylinder pressure by feeding compressed air through self-acting valves into the cylinders of the motoring engine. The second method is a closed working cycle by means of an exhaust–intake connection, in which the load pressure in the cylinder is adjusted and maintained by a controlled-intake air supply. With the current method of measuring mechanical losses of a reciprocating internal combustion engine (ICE) by motoring, there are less than half the pressures in the cylinder compared to the pressures during real engine operation (i.e., in the combustion mode). Lower pressures in the cylinder reduce the force load on the piston group and the crank mechanism, and the detected mechanical losses in the engine are thus significantly reduced compared to the reality. In the laboratories of the propulsion units of the Faculty of Mechanical Engineering of the Technical University in Liberec, research is underway on a new method of measuring mechanical losses of a reciprocating internal combustion engine by motoring with charge pressure profiles in engine cylinders comparable to cylinder pressures during standard engine operation. The paper shows the results of measuring the mechanical losses of a piston engine in two new ways and explains the necessary adjustment of the engine for these measurements. At the same time, it compares the results of measuring mechanical losses in a reciprocating engine in the current (hitherto used) way and new ways. The first method is not changing the cylinder charge and regulating the pressure in the cylinder by inserting compressed air through automatic valves into the cylinders of the motoring engine. The second method is a closed working circuit involving connecting the exhaust to the intake, in which the charge pressure in the cylinder is set and maintained by a controlled supply of compressed air to the intake manifold. The first method proved to be a more suitable way to investigate mechanical losses in ICE and determine the dependence of these losses on the pressure conditions in the engine cylinder. Full article
(This article belongs to the Special Issue Advanced Engine Technologies and Innovative Vehicle Driving Systems)
Show Figures

Figure 1

23 pages, 13747 KB  
Review
Research on the Operating Characteristics of Hydraulic Free-Piston Engines: A Systematic Review and Meta-Analysis
by Fukang Ma, Shuanlu Zhang, Zhenfeng Zhao and Yifang Wang
Energies 2021, 14(12), 3530; https://doi.org/10.3390/en14123530 - 14 Jun 2021
Cited by 7 | Viewed by 5511
Abstract
The hydraulic free-piston engine (HFPE) is a kind of hybrid-powered machine which combines the reciprocating piston-type internal combustion engine and the plunger pump as a whole. In recent years, the HFPE has been investigated by a number of research groups worldwide due to [...] Read more.
The hydraulic free-piston engine (HFPE) is a kind of hybrid-powered machine which combines the reciprocating piston-type internal combustion engine and the plunger pump as a whole. In recent years, the HFPE has been investigated by a number of research groups worldwide due to its potential advantages of high efficiency, energy savings, reduced emissions and multi-fuel operation. Therefore, our study aimed to assess the operating characteristics, core questions and research progress of HFPEs via a systematic review and meta-analysis. We included operational control, starting characteristics, misfire characteristics, in-cylinder working processes and operating stability. We conducted the literature search using electronic databases. The research on HFPEs has mainly concentrated on four kinds of free-piston engine, according to piston arrangement form: single piston, dual pistons, opposed pistons and four-cylinder complex configuration. HFPE research in China is mainly conducted in Zhejiang University, Tianjin University, Jilin University and the Beijing Institute of Technology. In addition, in China, research has mainly focused on the in-cylinder combustion process while a piston is free by considering in-cylinder combustion machinery and piston dynamics. Regarding future research, it is very important that we solve the instabilities brought about by chance fluctuations in the combustion process, which will involve the hydraulic system’s efficiency, the cyclical variation, the method of predicting instability and the recovery after instability. Full article
Show Figures

Figure 1

15 pages, 3518 KB  
Article
CFD/FEA Co-Simulation Framework for Analysis of the Thermal Barrier Coating Design and Its Impact on the HD Diesel Engine Performance
by Sean Moser, K. Dean Edwards, Tobias Schoeffler and Zoran Filipi
Energies 2021, 14(8), 2044; https://doi.org/10.3390/en14082044 - 7 Apr 2021
Cited by 14 | Viewed by 3811
Abstract
Thermal barrier coatings (TBCs) have been investigated both experimentally and through simulation for mixing controlled combustion (MCC) concepts as a method for reducing heat transfer losses and increasing cycle efficiency, but it is still a very active research area. Early studies were inconclusive, [...] Read more.
Thermal barrier coatings (TBCs) have been investigated both experimentally and through simulation for mixing controlled combustion (MCC) concepts as a method for reducing heat transfer losses and increasing cycle efficiency, but it is still a very active research area. Early studies were inconclusive, with different groups discovering obstacles to realizing the theoretical potential. Nuanced papers have shown that coating material properties, thickness, microstructure, and surface morphology/roughness all can impact the efficacy of the thermal barrier coating and must be accounted for. Adding to the complexities, a strong spatial and temporal heat flux inhomogeneity exists for mixing controlled combustion (diesel) imposed onto the surfaces from the impinging flame jets. In support of the United States Department of Energy SuperTruck II program goal to achieve 55% brake thermal efficiency on a heavy-duty diesel engines, this study sought to develop a deeper insight into the inhomogeneous heat flux from mixing controlled combustion on thermal barrier coatings and to infer concrete guidance for designing coatings. To that end, a co-simulation approach was developed that couples high-fidelity computational fluid dynamics (CFD) modeling of in-cylinder processes and combustion, and finite element analysis (FEA) modeling of the thermal barrier-coated and metal engine components to resolve spatial and temporal thermal boundary conditions. The models interface at the surface of the combustion chamber; FEA modeling predicts the spatially resolved surface temperature profile, while CFD develops insights into the effect of the thermal barrier coating on the combustion process and the boundary conditions on the gas side. The paper demonstrates the capability of the framework to estimate cycle impacts of the temperature swing at the surface, as well as identify critical locations on the piston/thermal barrier coating that exhibit the highest charge temperature and highest heat fluxes. In addition, the FEA results include predictions of thermal stresses, thus enabling insight into factors affecting coating durability. An example of the capability of the framework is provided to illustrate its use for investigating novel coatings and provide deeper insights to guide future coating design. Full article
(This article belongs to the Special Issue Recent Advances in Internal Combustion Engines)
Show Figures

Figure 1

Back to TopTop