Sign in to use this feature.

Years

Between: -

Subjects

remove_circle_outline
remove_circle_outline
remove_circle_outline
remove_circle_outline
remove_circle_outline

Journals

Article Types

Countries / Regions

Search Results (13)

Search Parameters:
Keywords = coated proppant

Order results
Result details
Results per page
Select all
Export citation of selected articles as:
20 pages, 2734 KB  
Article
Development and Characterization of High-Strength Coalbed Fracturing Proppant Based on Activated Carbon Skeleton
by Kai Wang, Chenye Guo, Qisen Gong, Gen Li, Xiaoyue Zhuo, Peng Zhuo and Chaoxian Chen
Energies 2025, 18(18), 4854; https://doi.org/10.3390/en18184854 - 12 Sep 2025
Viewed by 570
Abstract
To address the challenges of low permeability, high gas adsorption, and a fragile structure in coalbed methane reservoirs, this study developed a high-strength composite proppant with an activated carbon skeleton via nitric acid pretreatment, silica–alumina sol coating, and calcination. Orthogonal experiments optimized the [...] Read more.
To address the challenges of low permeability, high gas adsorption, and a fragile structure in coalbed methane reservoirs, this study developed a high-strength composite proppant with an activated carbon skeleton via nitric acid pretreatment, silica–alumina sol coating, and calcination. Orthogonal experiments optimized the preparation conditions: 30–40 mesh activated carbon, Si/Al molar ratio of 4:1, calcination at 650 °C for 2 h. The resulting proppant exhibited an excellent performance: a single-particle compressive strength of 55.5 N, porosity of 33.2%, crushing rate of only 2.3% under 50 MPa closure pressure, and permeability 48.5% higher than quartz sand. In simulated acidic coalbed environments (pH 3–5), its acid corrosion rate was <2.8%, and it enhanced methane desorption by 16.2% compared to pure coal. Additionally, the proppant showed a superior transport performance in fracturing fluids, with better distribution uniformity in fractures than ceramsite, and its hydrophobic surface (contact angle 115.32°) improved fracturing fluid flowback efficiency. This proppant integrates high strength, good conductivity, gas desorption promotion, and corrosion resistance, offering a novel material solution for efficient coalbed methane extraction. Full article
(This article belongs to the Special Issue Advances in Unconventional Reservoirs and Enhanced Oil Recovery)
Show Figures

Figure 1

24 pages, 5866 KB  
Article
Multiscale Characterization of Thermo-Hydro-Chemical Interactions Between Proppants and Fluids in Low-Temperature EGS Conditions
by Bruce Mutume, Ali Ettehadi, B. Dulani Dhanapala, Terry Palisch and Mileva Radonjic
Energies 2025, 18(15), 3974; https://doi.org/10.3390/en18153974 - 25 Jul 2025
Cited by 1 | Viewed by 1070
Abstract
Enhanced Geothermal Systems (EGS) require thermochemically stable proppant materials capable of sustaining fracture conductivity under harsh subsurface conditions. This study systematically investigates the response of commercial proppants to coupled thermo-hydro-chemical (THC) effects, focusing on chemical stability and microstructural evolution. Four proppant types were [...] Read more.
Enhanced Geothermal Systems (EGS) require thermochemically stable proppant materials capable of sustaining fracture conductivity under harsh subsurface conditions. This study systematically investigates the response of commercial proppants to coupled thermo-hydro-chemical (THC) effects, focusing on chemical stability and microstructural evolution. Four proppant types were evaluated: an ultra-low-density ceramic (ULD), a resin-coated sand (RCS), and two quartz-based silica sands. Experiments were conducted under simulated EGS conditions at 130 °C with daily thermal cycling over a 25-day period, using diluted site-specific Utah FORGE geothermal fluids. Static batch reactions were followed by comprehensive multi-modal characterization, including scanning electron microscopy with energy-dispersive spectroscopy (SEM-EDS), X-ray diffraction (XRD), and micro-computed tomography (micro-CT). Proppants were tested in both granular and powdered forms to evaluate surface area effects and potential long-term reactivity. Results indicate that ULD proppants experienced notable resin degradation and secondary mineral precipitation within internal pore networks, evidenced by a 30.4% reduction in intragranular porosity (from CT analysis) and diminished amorphous peaks in the XRD spectra. RCS proppants exhibited a significant loss of surface carbon content from 72.98% to 53.05%, consistent with resin breakdown observed via SEM imaging. While the quartz-based sand proppants remained morphologically intact at the macro-scale, SEM-EDS revealed localized surface alteration and mineral precipitation. The brown sand proppant, in particular, showed the most extensive surface precipitation, with a 15.2% increase in newly detected mineral phases. These findings advance understanding of proppant–fluid interactions under low-temperature EGS conditions and underscore the importance of selecting proppants based on thermo-chemical compatibility. The results also highlight the need for continued development of chemically resilient proppant formulations tailored for long-term geothermal applications. Full article
Show Figures

Figure 1

17 pages, 2902 KB  
Article
Analysis of Sand Production Mechanisms in Tight Gas Reservoirs: A Case Study from the Wenxing Gas Area, Northwestern Sichuan Basin
by Qilin Liu, Xinyao Zhang, Cheng Du, Kaixiang Di, Shiyi Xie, Huiying Tang, Jing Luo and Run Shu
Processes 2025, 13(7), 2278; https://doi.org/10.3390/pr13072278 - 17 Jul 2025
Cited by 1 | Viewed by 1120
Abstract
In tight sandstone gas reservoirs, proppant flowback severely limits stable gas production. This study uses laboratory flowback experiments and field analyses of the ShaXimiao tight sandstone in the Wenxing gas area to investigate the mechanisms controlling sand production. The experiments show that displacing [...] Read more.
In tight sandstone gas reservoirs, proppant flowback severely limits stable gas production. This study uses laboratory flowback experiments and field analyses of the ShaXimiao tight sandstone in the Wenxing gas area to investigate the mechanisms controlling sand production. The experiments show that displacing fluid viscosity significantly affects the critical sand-flow velocity: with high-viscous slickwater (5 mPa·s), the critical velocity is 66% lower than with low-viscous formation water (1.15 mPa·s). The critical velocity for coated proppant is three times that of the mixed quartz sand and coated proppant. If the confining pressure is maintained, but the flow rate is further increased after the proppant flowback, a second instance of sand production can be observed. X-ray diffraction (XRD) tests were conducted for sand produced from practical wells to help find the sand production reasons. Based on experimental and field data analysis, sand production in Well X-1 primarily results from proppant detachment during rapid shut-in/open cycling operations, while in Well X-2, it originates from proppant crushing. The risk of formation sand production is low for both wells (the volumetric fraction of calcite tested from the produced sands is smaller than 0.5%). These findings highlight the importance of fluid viscosity, proppant consolidation, and pressure management in controlling sand production. Full article
(This article belongs to the Special Issue Advances in Enhancing Unconventional Oil/Gas Recovery, 2nd Edition)
Show Figures

Figure 1

12 pages, 4596 KB  
Article
Numerical Simulation and Application of Coated Proppant Transport in Hydraulic Fracturing Systems
by Qiang Du, Hua Yang, Shipeng He, Pingxuan Deng, Xun Yang, Chen Lin, Zhiyun Sun, Lan Ren, Hanxiang Yin, Bencheng He and Ran Lin
Processes 2025, 13(4), 1062; https://doi.org/10.3390/pr13041062 - 2 Apr 2025
Cited by 1 | Viewed by 973
Abstract
The enhancement of proppant conductivity in shale gas fracturing can be effectively achieved through the implementation of coated proppants. After soaking, non-curable viscous resin-coated proppants exhibit progressive viscosity development and spontaneous agglomeration during the transportation phase. Furthermore, upon fracture closure, the formed proppant [...] Read more.
The enhancement of proppant conductivity in shale gas fracturing can be effectively achieved through the implementation of coated proppants. After soaking, non-curable viscous resin-coated proppants exhibit progressive viscosity development and spontaneous agglomeration during the transportation phase. Furthermore, upon fracture closure, the formed proppant agglomerates demonstrate significant stability and do not flow back with the fracturing fluid through the wellbore. While contemporary research has mostly focused on proppant coating methodologies, the transportation process of these proppants remains insufficiently investigated. To fill this knowledge gap, a sophisticated migration two-phase flow coupling model was developed utilizing the computational fluid dynamics–discrete element method (CFD-DEM) approach. This model incorporates the bond contact forces between film-coated proppant particles, accounting for their distinctive cementing characteristics during transport. Through comprehensive numerical simulations, the transport properties of film-coated proppants were systematically analyzed. Field application indicated that compared with conventional continuous sand fracturing, the amount of proppant after treatment with viscous resin film was reduced by 35% and the production was increased by about 25–30%. Additionally, the optimization of the field-scale coated proppant transport processes was achieved through the implementation of a lower fracturing displacement combined with staged sand addition. Full article
(This article belongs to the Section Chemical Processes and Systems)
Show Figures

Figure 1

13 pages, 12300 KB  
Article
Preparation and Properties of Lightweight Amphiphobic Proppant for Hydraulic Fracturing
by Guang Wang, Qinyue Ma, Longqiang Ren and Jirui Hou
Polymers 2024, 16(18), 2575; https://doi.org/10.3390/polym16182575 - 12 Sep 2024
Cited by 5 | Viewed by 2100
Abstract
The wettability of the proppant is crucial in optimizing the flowback of fracturing fluids and improving the recovery of the produced hydrocarbons. Neutral wet proppants have been proven to improve the fluid flow by reducing the interaction between the fluid and the proppant [...] Read more.
The wettability of the proppant is crucial in optimizing the flowback of fracturing fluids and improving the recovery of the produced hydrocarbons. Neutral wet proppants have been proven to improve the fluid flow by reducing the interaction between the fluid and the proppant surface. In this study, a lightweight amphiphobic proppant (LWAP) was prepared by coating a lightweight ceramic proppant (LWCP) with phenolic resin, epoxy resin, polytetrafluoroethylene (PTFE), and trimethoxy(1H,1H,2H,2H-heptadecafluorodecyl)silane (TMHFS) using a layer-by-layer method. The results indicated that the LWAP exhibited a breakage ratio of 2% under 52 MPa (7.5 K) closure stress, with an apparent density of 2.12 g/cm3 and a bulk density of 1.21 g/cm3. The contact angles of water and olive oil were 125° and 104°, respectively, changing to 124° and 96° after displacement by water and diesel oil. A comparison showed that the LWAP could transport over a significantly longer distance than the LWCP, with the length increasing by more than 80%. Meanwhile, the LWAP displayed notable resistance to scale deposition on the proppant surface compared to the LWCP. Furthermore, the maintained conductivity of the LWAP was higher than that of the LWCP after displacement by water and oil phases alternately. The modified proppant could minimize production declines during hydrocarbon extraction in unconventional reservoirs. Full article
(This article belongs to the Section Polymer Applications)
Show Figures

Graphical abstract

17 pages, 9645 KB  
Article
Research on the Erosion Law and Protective Measures of L360N Steel for Surface Pipelines Used in Shale Gas Extraction
by Shaoquan Huo, Lincai Peng, Yunpeng Li, Yong Xu, Hongbing Huang and Xi Yuan
Materials 2024, 17(17), 4278; https://doi.org/10.3390/ma17174278 - 29 Aug 2024
Cited by 1 | Viewed by 1263
Abstract
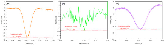
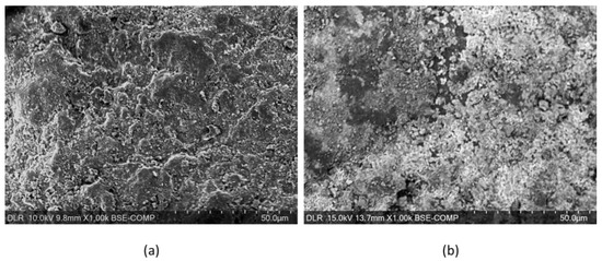
The erosion of surface pipelines induced by proppant flowback during shale gas production is significant. The surface pipelines in a shale gas field in the Sichuan Basin experienced perforation failures after only five months of service. To investigate the erosion features of L360N, [...] Read more.
The erosion of surface pipelines induced by proppant flowback during shale gas production is significant. The surface pipelines in a shale gas field in the Sichuan Basin experienced perforation failures after only five months of service. To investigate the erosion features of L360N, coatings, and ceramics and optimize the selection of two protective materials, a gas–solid two-phase flow jet erosion experimental device was used to explore the erosion resistance of L360N, coatings, and ceramics under different impact velocities (15 m/s, 20 m/s, and 30 m/s). An energy dispersive spectroscope, a scanning electron microscope, and a laser confocal microscope were employed to analyze erosion morphologies. With the increase in flow velocity, the erosion depth and erosion rate of L360N, coating, and ceramic increased and peaked under an impact velocity of 30 m/s. The maximum erosion rate and maximum erosion depth of L360N were, respectively, 0.0350 mg/g and 37.5365 µm. Its primary material removal mechanism was the plowing of solid particles, and microcracks were distributed on the material surface under high flow velocities. The maximum erosion rate and maximum erosion depth of the coating were, respectively, 0.0217 mg/g and 18.9964 µm. The detachment of matrix caused by plowing is the main material removal mechanism. The maximum erosion rate and maximum erosion depth of ceramics were, respectively, 0.0108 mg/g and 12.4856 µm. The erosion mechanisms were micro-cutting and plowing. Under different particle impact velocities, different erosion morphologies were observed, but the primary erosion mechanism was the same. The erosion resistance of the ceramics was higher than that of the coatings. Therefore, ceramic lining materials could be used to protect the easily eroded parts, such as pipeline bends and tees, and reduce the failure rate by more than 93%. The study provided the data and theoretical basis for the theoretical study on oil and gas pipeline erosion and pipeline material selection. Full article
Show Figures

Figure 1

11 pages, 3870 KB  
Article
Using an Al-Incorporated Deep Black Pigment Coating to Enhance the Solar Absorptance of Iron Oxide-Rich Particles
by Gözde Alkan, Peter Mechnich and Johannes Pernpeintner
Coatings 2023, 13(11), 1925; https://doi.org/10.3390/coatings13111925 - 10 Nov 2023
Cited by 3 | Viewed by 1993
Abstract
The use of solid particles as direct heat absorbance and storage media promises enhanced storage densities in concentrated solar power (CSP) technologies. The long-term optical performance of those particles, which aim to be operational over years, is crucial. Dry powder coating with a [...] Read more.
The use of solid particles as direct heat absorbance and storage media promises enhanced storage densities in concentrated solar power (CSP) technologies. The long-term optical performance of those particles, which aim to be operational over years, is crucial. Dry powder coating with a deep black Cu-Mn-oxide pigment in a resonant acoustic mixer and subsequent sintering was employed to improve the long-term optical performance of hematite-rich spherical particles, which aimed to replace the state-of-the-art bauxite proppants. Due to the specific reactivity of the hematite particles, a new strategy using an Al-modified composition of the initial deep black pigment was required. The Al modification diminishes cation diffusion into hematite, allowing the formation of spinel-type Fe-Mn-Cu-Al-oxide coatings with favorable long-term temperature and optical stability. The effect of chemical composition of the coating layer on the coating process mechanism was discussed and the need for an elongated sintering time was noticed to ensure the termination of stable spinel phase formation. The structural and optical measurements revealed the enhancement of the properties of hematite absorber particles through this new modified coating process. Full article
Show Figures

Figure 1

10 pages, 5580 KB  
Communication
A Study on a New Type of High-Performance Resin-Coated Sand for Petroleum Fracturing Proppants
by Xiaohong Wei, Yuting Wang, Tian Yang and Yaru Song
Coatings 2023, 13(11), 1841; https://doi.org/10.3390/coatings13111841 - 27 Oct 2023
Cited by 12 | Viewed by 2963
Abstract
This study investigates a new type of high-performance coated sand as a petroleum fracturing proppant material. Modified quartz sand was coated with a layer of low-density resin to reduce the overall density of the proppant, thereby improving the suspension of the proppant in [...] Read more.
This study investigates a new type of high-performance coated sand as a petroleum fracturing proppant material. Modified quartz sand was coated with a layer of low-density resin to reduce the overall density of the proppant, thereby improving the suspension of the proppant in the fracturing fluid. Resins play an important role in the preparation of coated sand fracturing proppants. The mechanism of sand formation was studied by examining the phase composition and microstructure of the coated sand proppant. The results demonstrate that when the polyimide resin content is 6% and the curing temperature is 180 °C, the proppant exhibited the best performance with an apparent density of 1.592 g/cm3 and a breakage ratio of only 3.22% under 55.2 MPa. Compared with the widely used epoxy resin-coated support agent and phenolic resin-coated support agent in the early stage, their crushing rate decreased by 5% and their acid solubility decreased by 2%. Hence, this study is worthy of attention. Full article
Show Figures

Figure 1

12 pages, 8406 KB  
Article
A New Coated Proppant for Packing Fractures in Oil Reservoirs
by Haidong Wang, Haodong Kang, Jiaxin Liu, Fei Wang, Chunyao Wang, Fengyuan Yang and Yunfeng Zhang
Coatings 2023, 13(7), 1238; https://doi.org/10.3390/coatings13071238 - 11 Jul 2023
Cited by 6 | Viewed by 1922
Abstract
The method of packing conventional proppant into fractures is used to maintain high liquid permeability. In this study, by coating a hydrophobic material on the surface of a proppant, the layer packed with this coated proppant was endowed with water-plugging and oil-permeability capacities. [...] Read more.
The method of packing conventional proppant into fractures is used to maintain high liquid permeability. In this study, by coating a hydrophobic material on the surface of a proppant, the layer packed with this coated proppant was endowed with water-plugging and oil-permeability capacities. Moreover, several research experiments were carried out to verify the proposed method: a water plugging capacity (WPC) test of the coated proppant layer, compression and temperature resistance tests of the coated proppant (temperature range from 90 to 210 °C; pressure range from 5.9 to 91.4 MPa), and a 3D test of the oil recovery enhancement. The results show that the proppant coating has good compression resistance, and the proppant begins to break at 27.3 MPa. The upper limit of the temperature resistance of the coating is 170 °C. The WPC of the layer packed with coated proppant was still reliable during fracture, which was enhanced by at least 20% compared with that of the layer packed with a conventional proppant. The fracture packed with the coated proppant had superior working performance compared with that packed with a conventional proppant. It can reduce the flow capacity of the water phase breaking into the dominant flow passage so as to delay the rise in the water production of the oil well and prolong the duration of oil production. In this way, oil recovery could be increased by about 7.7%. In conclusion, the technology proposed in this paper has particular water-plugging and oil-permeating characteristics, with remarkable technical advantages, thus providing a new idea for the development of water control in fracture reservoirs. Full article
Show Figures

Figure 1

14 pages, 4659 KB  
Review
Progress of Polymer Application in Coated Proppant and Ultra-Low Density Proppant
by Tao Chen, Jie Gao, Yuan Zhao, Tian Liang, Guowen Hu and Xiaobing Han
Polymers 2022, 14(24), 5534; https://doi.org/10.3390/polym14245534 - 17 Dec 2022
Cited by 21 | Viewed by 3870
Abstract
Design, synthesis and application of low-density proppant (LDP) are of great significance for efficient and clean exploitation of low permeability oil and gas. On the basis of a brief introduction of hydraulic fracturing and the application of traditional proppants, this review systematically summarized [...] Read more.
Design, synthesis and application of low-density proppant (LDP) are of great significance for efficient and clean exploitation of low permeability oil and gas. On the basis of a brief introduction of hydraulic fracturing and the application of traditional proppants, this review systematically summarized the polymer application progress in LDP, including coated sand, coated ceramics, coated nutshells, especially for polymer composites based ultra-low density proppant (ULDP). Finally, the existing problems and future development direction are also prospected. Full article
(This article belongs to the Special Issue Advances in Polymer Composites II)
Show Figures

Figure 1

9 pages, 2197 KB  
Article
Graphene and Resin Coated Proppant with Electrically Conductive Properties for In-Situ Modification of Shale Oil
by Siyuan Chen, Fanghui Liu, Yang Zhou, Xiuping Lan, Shouzhen Li, Lulu Wang, Quan Xu, Yeqing Li and Yan Jin
Energies 2022, 15(15), 5599; https://doi.org/10.3390/en15155599 - 2 Aug 2022
Cited by 5 | Viewed by 2445
Abstract
Proppant is an essential material in hydraulic fracturing, and it can support artificial fractures for a long time. However, few people have applied proppant and conductive materials in the in-situ modification of shale oil. Here, we developed a graphene and resin coated (GRC) [...] Read more.
Proppant is an essential material in hydraulic fracturing, and it can support artificial fractures for a long time. However, few people have applied proppant and conductive materials in the in-situ modification of shale oil. Here, we developed a graphene and resin coated (GRC) proppant with electrically conductive properties. The electrical conductivity of the GRC proppant improved by four orders of magnitude. The GRC proppant has a 54.58% improvement in suspension and 22.75% increase in settlement time at 0.25 wt% concentration compared with uncoated proppant. The GRC proppant’s adhesion reached 68.34 nN under 1 μN load force, increasing by 63.13% compared to uncoated proppant. This new electrically conductive proppant can be used as a conductive carrier to improve the efficiency of electric heating in in-situ modification technology of shale oil. Full article
(This article belongs to the Special Issue Energy Storage and Conversion Based on Low-Dimensional Nanostructure)
Show Figures

Figure 1

10 pages, 4017 KB  
Article
Improved Performance of Ceramic Solar Absorber Particles Coated with Black Oxide Pigment Deposited by Resonant Acoustic Mixing and Reaction Sintering
by Gözde Alkan, Peter Mechnich and Johannes Pernpeintner
Coatings 2022, 12(6), 757; https://doi.org/10.3390/coatings12060757 - 31 May 2022
Cited by 10 | Viewed by 3646
Abstract
Spherical particles based on bauxite-type raw materials, commonly referred to as proppants, are state-of-the-art for particle receivers of concentrated solar power plants. Particles are heated in a fluidized reactor by focused sunlight and are transported to a heat-exchanger or a storage tank. Therefore, [...] Read more.
Spherical particles based on bauxite-type raw materials, commonly referred to as proppants, are state-of-the-art for particle receivers of concentrated solar power plants. Particles are heated in a fluidized reactor by focused sunlight and are transported to a heat-exchanger or a storage tank. Therefore, key properties for absorber particles are high solar absorptance and mechanical endurance. Due to their relatively poor content of color-giving transition-metal cations, bauxite-derived proppants show limited solar absorptance, which is even deteriorating by long-term heat exposure. A deep-black Cu, Mn, Fe- pigment with a spinel structure was employed to coat standard proppants in order to improve solar absorptance. The coating process was performed by high-energy, high-speed mixing of proppants and small quantities of spinel powders in a resonant acoustic mixer. A continuous powder coating is achieved by electrostatic attraction between the proppant surface and the coating particles. Consolidation and strong attachment of the coating is achieved by the subsequent sintering beyond the spinel melting temperature. Chemical reaction and bonding between spinel coating and proppant lead to the incorporation of Al, Mg and Ti into the spinel structure. Coated bauxite proppants exhibit a significantly improved, long-term stable solar absorption accompanied by a promising abrasion resistance. The presented coating methodology is considered to be scalable to industrial production. Full article
Show Figures

Graphical abstract

18 pages, 5094 KB  
Article
A Note on the Influence of Smectite Coating on the Coefficient of Restitution of Natural Sand Particles Impacting Granitic Blocks
by Lina Luo, Jing Ren, Sathwik S. Kasyap and Kostas Senetakis
Coatings 2021, 11(8), 996; https://doi.org/10.3390/coatings11080996 - 20 Aug 2021
Cited by 7 | Viewed by 3195
Abstract
The study of the collision behavior of solid objects has received a significant amount of research in various fields such as industrial applications of powders and grains, impacts of proppants and between proppant and rocks during hydraulic fracturing, and the study of debris [...] Read more.
The study of the collision behavior of solid objects has received a significant amount of research in various fields such as industrial applications of powders and grains, impacts of proppants and between proppant and rocks during hydraulic fracturing, and the study of debris flows and avalanches and the interactions of landslide materials with protective barriers. This problem has predominantly been studied through the coefficient of restitution (COR), which is computed from the dropping and rebound paths of particles; its value corresponds to 1 for perfectly elastic impacts and 0 for perfectly plastic impacts (i.e., at the collision there is no rebound of the particle). Often, the colliding particles (or particle–block systems) are not perfectly clean, and there is debris (or dust) on their surfaces, forming a coating, which is a highly possible scenario in the debris flows of natural particles and fragments; however, the topic of the influence of natural coatings on the surfaces of particles on the collision behavior of particle–block systems has been largely overlooked. Thus, the present study attempts to provide preliminary results with respect to the influence of natural coating on the surfaces of sand grains in the COR values of grain–block systems using a stiff granitic block as an analogue wall. Montmorillonite powder, which belongs to the smectite clay group, was used and a sample preparation method was standardized to provide a specific amount of clay coating on the surfaces of the sand grains. The results from the study showed a significant influence of the smectite coating in the COR values of the grain–block systems, which was predominantly attributed to the dissipation of energy at the collision moment because of the compression of the soft coating of microparticles. Additionally, the method of analysis for calculating the COR values based on one and two high-speed cameras was explored, as the impacts of natural grains involve deviations from the vertical, which influences the rebound paths. Thus, a sensitivity analysis was performed investigating the differences in the COR values in two-dimensional and three-dimensional analysis of the impact tests. Full article
Show Figures

Figure 1

Back to TopTop