Next Article in Journal
Wear Resistance, Patterns of Wear and Plastic Properties of Cr,Mo-(Cr,Mo,)N-(Cr,Mo,Al)N Composite Coating with a Nanolayer Structure
Previous Article in Journal
Design of Ti-Zr-Ta Alloys with Low Elastic Modulus Reinforced by Spinodal Decomposition
 
 
Font Type:
Arial Georgia Verdana
Font Size:
Aa Aa Aa
Line Spacing:
Column Width:
Background:
Article

Improved Performance of Ceramic Solar Absorber Particles Coated with Black Oxide Pigment Deposited by Resonant Acoustic Mixing and Reaction Sintering

1
Institute of Materials Research, German Aerospace Center, 51147 Cologne, Germany
2
Institute of Solar Research, German Aerospace Center (DLR), 51147 Cologne, Germany
*
Author to whom correspondence should be addressed.
Coatings 2022, 12(6), 757; https://doi.org/10.3390/coatings12060757
Submission received: 29 April 2022 / Revised: 24 May 2022 / Accepted: 25 May 2022 / Published: 31 May 2022

Abstract

:
Spherical particles based on bauxite-type raw materials, commonly referred to as proppants, are state-of-the-art for particle receivers of concentrated solar power plants. Particles are heated in a fluidized reactor by focused sunlight and are transported to a heat-exchanger or a storage tank. Therefore, key properties for absorber particles are high solar absorptance and mechanical endurance. Due to their relatively poor content of color-giving transition-metal cations, bauxite-derived proppants show limited solar absorptance, which is even deteriorating by long-term heat exposure. A deep-black Cu, Mn, Fe- pigment with a spinel structure was employed to coat standard proppants in order to improve solar absorptance. The coating process was performed by high-energy, high-speed mixing of proppants and small quantities of spinel powders in a resonant acoustic mixer. A continuous powder coating is achieved by electrostatic attraction between the proppant surface and the coating particles. Consolidation and strong attachment of the coating is achieved by the subsequent sintering beyond the spinel melting temperature. Chemical reaction and bonding between spinel coating and proppant lead to the incorporation of Al, Mg and Ti into the spinel structure. Coated bauxite proppants exhibit a significantly improved, long-term stable solar absorption accompanied by a promising abrasion resistance. The presented coating methodology is considered to be scalable to industrial production.

Graphical Abstract

1. Introduction

Thermal energy storage (TES) integrated concentrating solar power (CSP) is one of the most promising renewable energy technologies which overcomes off-sun condition drawback and leads to enhanced solar-to-electricity ratios [1,2,3]. Solid particles employed in direct solar receivers as direct solar heat storage and transfer medium offer higher storage densities at reduced costs [4]. Higher operational temperatures and larger temperature ranges with respect to the state-of-art molten salt plants and relatively fewer thermal losses when compared with indirect receivers makes the direct particle receiver concept an indispensable candidate [5,6].
Sintered bauxite-type ceramic proppants, originally used in the fracking/oil drilling industries, are the most frequently considered particles for direct particle receivers. Suitable sphericity, high heat capacity, high mechanical stability and acceptable solar weighted absorptance in as-received conditions were revealed in several studies [4,7,8]. In our previous work, promising high temperature structural stability and thermo-physical properties were reported in the case of well-crystallized bauxite-derived proppants [9]. Despite several beneficious properties, Siegel et al. [8] and Roop et al. [10] reported a significant decrease in solar weighted absorptance after thermal exposure, which limits their long-term operability due to efficiency losses. In order to overcome the limited optical performance of bauxite-type proppants, modification of the surface is required. There are plenty of studies concentrating on structural and chemical durable solar absorber coatings to enhance the efficiency of indirect solar receivers. Silicon based commercial paintings such as PyromarkTM and several spinel-type pigments based on cobalt-, nickel-, copper- and iron-oxide were examined to enhance the solar weighted absorptance of receiver components, and promising results were also reported on thermal aging resistance and structural integrity [11,12,13,14]. Since the direct solar receiver concept utilizing solid particles is relatively new with respect to molten solar salt CSP plants, there do not exist many investigations of solar absorber coatings on solid particles. Siegel et al. and Gobereit et al. elucidated the composition modification of the bauxite proppants by addition of inorganic, dark pigments, in which proppants and pigments are mixed and fired in a pellet form to measure the solar weighted absorptance [8,10]. Gobereit et al. reported pigment ‘black 26′ (Mn, Fe-spinel [15]) as the most promising candidate among other commercial pigments to enhance the color of bauxite-based proppants [16]. In the same study, the coating of proppants by Fe-Mn-spinel pigments was elucidated. Despite a certain enhancement of the solar weighted absorptance, a discontinuous layer of coating with poor attachment to the proppant surface resulted in low abrasion resistance and high dust formation in the particle receiver.
To the best of our knowledge, in the open literature there exists no study conducted on the coating of proppants to enhance long time absorptance efficiency. In this work, we present a novel dry coating process, utilizing a resonance acoustic mixer to deposit a commercial deep-black pigment powder on the proppants surface followed by heat treatment and reaction-bonding. Bauxite proppants were analyzed in as-received condition and after coating in terms of their phase components, microstructure, abrasion resistance and solar absorptance in a comparative manner, emphasizing the possible outperformance of spinel-coated bauxite-type proppants in long-term CSP operation.

2. Materials and Methods

BauxLite (BL) proppants with a mesh size of 16/30 produced by Saint-Gobain (Courbevoie, France) and deep-black pigment (Kremer Pigmente GmbH & Co. KG, Aichstetten, Germany) were used in this study. Black pigment was applied to the surface of proppants by a dry powder coating method, using a resonance acoustic mixer (RAM, Resodyn, Butte, MT, USA) [17]. In a typical coating run, 1 wt.% of black pigment and 99 wt.% BL proppants were poured in a plastic vessel and vigorously agitated by the RAM running at 100 g acceleration. Owing to the electrostatic attraction between pigment powder and proppant particles, a uniform pigment layer on top of the proppant surface is achieved after only 10 s of agitation. Subsequently, a heat treatment at 1200 °C for 2 h was applied to ensure the bonding of pigments to the proppant surface. A schematic diagram of the process is represented in Figure 1.
In order to reveal the chemical and optical stability of the coating, samples were kept at 1000 °C for 1 week in air atmosphere in a box furnace (Nabertherm, Lilienthal, Germany). For direct comparison purposes, as received proppants were also exposed to thermal aging.
Thermal stability and chemical reactions of the black pigment were analyzed under a synthetic air atmosphere (80% N2, 20% O2; flow rate 10 mL/min) by simultaneous thermal analysis (STA 409 F3 Jupiter, Netzsch, Germany). Phase components were analyzed by X-ray powder diffraction (XRD; D8 Advance, Bruker AXS, Karlsruhe, Germany). Microstructure and chemical analysis were performed by scanning electron microscopy (SEM; Ultra 55, Zeiss, Wetzlar, Germany) and energy-dispersive spectroscopy (EDS; UltiMate, Oxford, Abingdon, UK). Optical properties and absorptance of the proppants were measured by spectrometry with an internal integrating sphere of 150 mm diameter (Lambda 950, Perkin Elmer, Hessen, Germany) according to the method described by Gobereit et al. [16]. Evaluation and solar weighting (ASTM G 173—03 direct + circumsolar) were performed in the range of wavelengths from 320 to 2500 nm. The surface mass loss for as-received and coated proppants were evaluated as a preliminary assessment of long-term abrasion-resistance [9,16]. In a typical experiment, 20 g of proppants were filled into 0.1 L polymer bottles and agitated in a 3D Turbula mixer (WAB Group, Muttenz, Switzerland) in order to stimulate intensive particle-particle collisions for up to 24 h. Subsequently, particles were washed with DI (de-ionized) water and kept in an ultrasonic bath for 30 min to remove the sticking dust from the particle surface. After drying at 80 °C for 1 h, the weight of the dried proppants was measured to record the time-dependent mass loss. A detailed surface investigation of the proppants in their as received state, after coating, thermal aging and abrasion tests, was performed by SEM in low vacuum condition (SU 3800, Hitachi High-Tech Europe, Krefeld, Germany).

3. Results and Discussion

For successful powder coating, i.e., sufficient bonding strength and coating durability, a high sintering activity of powders or the presence of a liquid phase is crucial. Thermal analysis of the as received pigment powders (see Figure 8) (Figure 6) indicated melting at approximately 1100 °C, which was considered to be beneficial for the coating process. Therefore; a sintering temperature of 1200 °C was determined to ensure full melting of the pigment to promote better coverage of the proppant surface and good adherence. Figure 1 depicts the proppants surface before and after coating in a comparative manner. Whereas the uncoated proppants show a yellow-to-brown, widely scattering color (Figure 2a), the homogenous blackening of the pigment coated proppants is evident (Figure 2b).
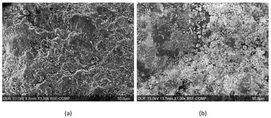
In the as-received condition, small crystals and pores resulting in irregular rough surfaces are observed as can be seen in Figure 3a. After the coating process, uniformly distributed lighter crystals corresponding to spinel crystals are visible in Figure 3b. When compared with the as received condition, it is evident that coating can improve the surface quality of the proppants, which is implied by their more compact and smoother appearance.
As a promising adhesion of the pigment layer to the proppant surface could be detected by surface microscopy, detailed analysis of underlying effects was performed. As the processing temperature was chosen above the pigment melting temperature, possible chemical interaction of the black pigment and BL proppants was investigated. For this purpose, pigment powders and ground proppants were mixed in a 50/50 wt.% ratio, heated for 2h at 1200 °C, and subsequently analyzed by XRD. Figure 4 shows two XRD profiles of pre- and post-thermal treatment powder mixtures, respectively. Evidently, after 2h at 1200 °C, XRD peaks associated with the spinel-type phase are displaced towards higher 2-theta values: XRD profile fitting yielded a cubic lattice constant of a = 0.8297 nm for the initial black spinel-type pigment (spinel #1), which is close to that of Cu1.4Mn1.6O4 (PDF 71-1145, a = 0.8305 nm). After thermal treatment, a new type of spinel, #2, is detected with the refined spinel lattice constant decreasing to = 0.8251 nm. Evidently, spinel #2 is forming at the expense of spinel #1 by chemical reaction with the Al and Fe-rich BL powder. Employing a simple rule of mixture, the present 0.8251 nm lattice constant can be deduced if about 33% of a “FeAl2O4-component” (Hercynite, PDF 86-2320, a = 0.8165 nm) is “dissolved” in the initial spinel #1 structure.
Figure 5 represents microstructural features and overlayed EDS mappings of the BL proppant before and after deep-black pigment coating. Typical proppant morphology comprising corundum particles, iron bearing crystals and the surrounding glass matrix was not substantially affected by the coating process [9].
Consistent with XRD results, EDS spot analyses reveal the incorporation of Fe, Al, Ti and Mg components of proppants into spinel #2 crystals, which are formed upon sintering. The data in Table 1 reveals the significantly different chemical composition of spinel #2 compared to the initial pigment spinel #1. Figure 4 also reveals a uniform distribution of spinel#2 crystals with sub-micron size at the proppant surface. Due to the formation of this stable spinel structure, there were no pigment constituents significantly diffusing towards the proppant inner region. This is evidently favorable in terms of conserving the coating-related darker color and enhanced optical properties of proppants.
Microstructural and phase analysis indicate that through the dry coating method, a structural and chemical stable spinel coating at the proppant surface can be achieved. To assess the endurance of the coating, coated proppants after one-week of thermal aging were analyzed in terms of their microstructure and chemistry using SEM/EDS, as given in Figure 6.
EDS mapping of thermal aged proppants indicates that the spinel coating layer remains stable after thermal aging at the surface without significant degradation. Moreover, chemical analysis in Table 1 shows that the composition is mostly stable after thermal aging. Only a coupled change at the spinel A-site with a small depletion of Cu, Mg and relative enrichment of Mn was detected by EDS point analyses. The cation composition at the spinel B-site with Al, Fe, and Ti is seemingly unchanged after thermal aging. As the sensitivity of EDS analyses is limited for small compositional changes, surface analyses of the coated particles was also performed by XRD and lattice parameter refinements in order to corroborate the results. A closer look reveals the presence of two different spinel phases with significantly different cubic lattice constants (Figure 7). Evidently, the minor spinel #3 with a smaller lattice constant (a = 0.8162 nm) is growing during thermal aging at the expense of the major spinel #2 (a = 0.8245 nm), as indicated by simultaneous increasing and decreasing peak intensities, respectively. This observation supports the chemical evolution as detected by EDS, where the composition of the spinel A-site (Cu2+, Mn2+, Mg2+) is changing towards a smaller average cation radius. A simple estimation using cation radii in six-fold O2− coordination as compiled by Shannon and Prewitt [18] and EDS analyses from Table 1 results in an average A-site cation radius of 0.071 nm after sintering and 0.069 nm after thermal aging, which is in good agreement with the progressive growth of spinel #3 with a smaller lattice constant.
Simultaneous thermal analyses (STA) in an 80/20% Ar/O2-mixture were performed to gain insight in the high temperature behavior of as-received deep-black, spinel pigments (spinel #1) and the Al-containing spinel (spinel #2) newly formed at the surface of coated bauxite-type proppants. The latter spinel was synthesized according the EDS analysis ‘sintered coating’ given in Table 1 by co-decomposition of nitrate-salts and subsequent heat treatment at 800 °C. Figure 8 shows the DSC curves plotted in a temperature range from 300 to 1300 °C. As-received spinel #1 exhibits two major endothermic reactions at 950 and 1150 °C, respectively. The former peak is evidently connected to a reversible thermal reduction accompanied by partial O2 release as indicated by TGA mass-loss (data not presented in this work). The latter peak is due to melting of the powder. On the other hand, the as-synthesized spinel #2 exhibits only a diffuse and weak exothermic reaction at about 650 °C, but no corresponding strong endothermic reactions at higher temperatures. It can thus be concluded that spinel #2 has a much higher thermal stability than the original deep-black spinel #1. Consequently, a favorably high thermal stability of AlFeMnCu-spinel coated bauxite-type proppants is expected.
A key for the performance of black-pigment coated proppants in CSP applications is their optical behavior. The absorptance spectra in the range of 320–2500 nm of BL proppants in as received condition, after coating and thermal aging, are plotted in Figure 9.
The solar weighted absorptance has been calculated according to ASTM 173d standards, as given in Table 2. The solar absorptance value of 0.89 for BL in as-received condition has significantly decreased to 0.78 after one week of thermal aging. The black spinel coating slightly enhanced slightly the solar absorptance in the as received state from 0.89 to 0.92. Beyond this increase, optical analysis reveals the stability of coated proppants’ absorptance after thermal aging with the value of 0.91. Consistent with microstructural findings, the spinel #2 layer at the surface remains stable through thermal aging, which is considered very promising for the efficient and long-term stable CSP operation of proppants.
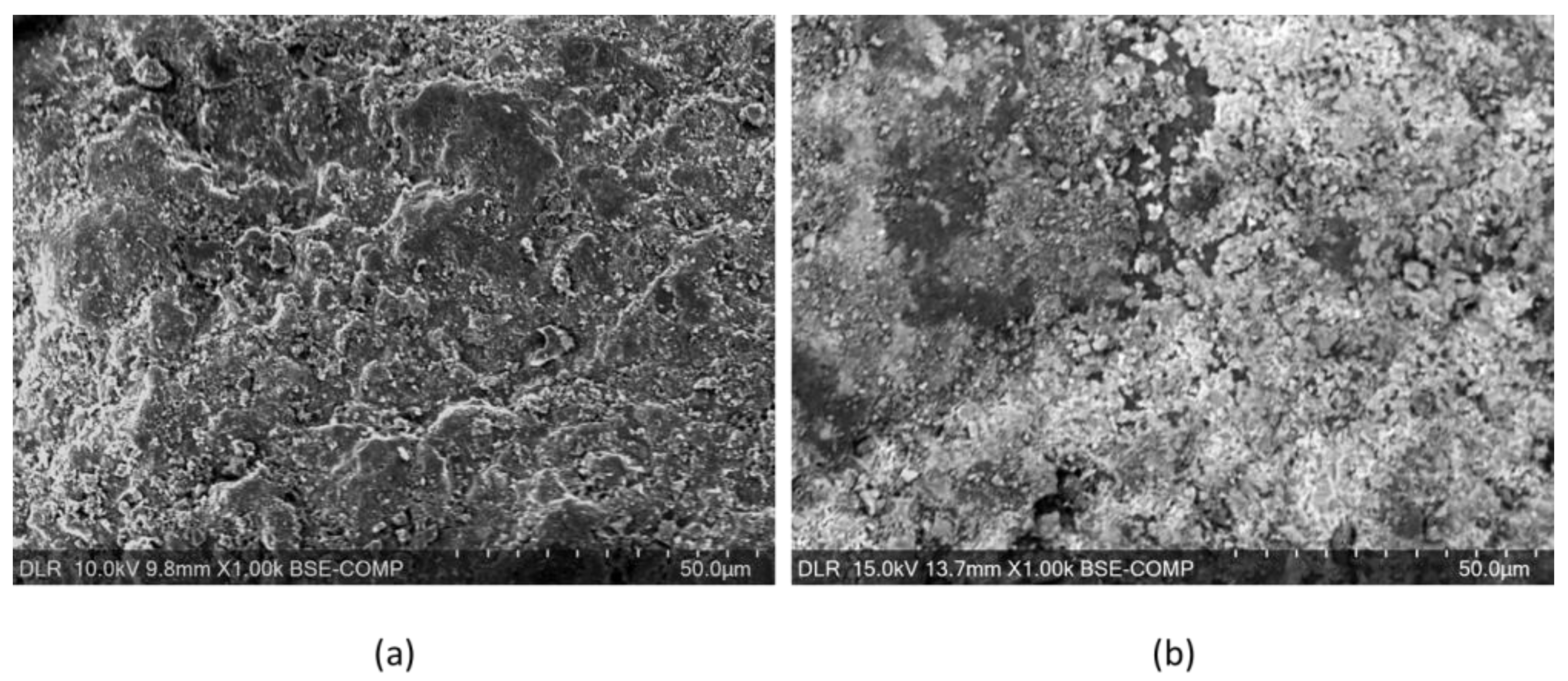
Beyond absorptance, mechanical durability of coatings and stable attachment to the proppant surface is also very crucial to ensure long-term operation with minimized loss of pigments and dust formation. Preliminary, qualitative abrasion tests were performed with uncoated and coated particles filled in a plastic bottle which was agitated for four hours in a 3D Turbula mixer, respectively. The moving particle bed stimulates the area where particle-particle friction and collisions occur. Figure 10 shows the surface of BL 16/30 proppants with and without coating after abrasion tests.
When compared with the as-received condition (see Figure 2a), the degraded surface with increased surface roughness due to materials that were rubbed away are observed after preliminary abrasion tests of the proppants without coating (Figure 10a). Compared to uncoated proppants, the surface of coated proppants seems less affected by abrasion. Lighter contrasted crystalline regions corresponding to pigment crystals can still be observed after 4 h of abrasion tests with relatively less surface degradation. Beyond SEM qualitative analysis, the mass loss due to the abrasion were measured as 0.22 wt.% and 0.08 wt.% for proppants with and without coating; respectively. These preliminary tests indicate that coating improves the surface properties of the proppants with minimized dust formation and abrasion mass losses.

4. Conclusions

A commercial deep-black, spinel-type pigment was applied as a surface layer of bauxite proppants through a time efficient dry powder coating method using resonant acoustic mixing (RAM). A subsequent sintering process at 1200 °C makes use of the low melting point (1100 °C) of Cu(Mn0.76Fe0.24)2O4 spinel type black pigment, which favors the coverage of the proppants and the formation of a well-integrated coating layer. Beyond physical attachment to the proppants surface, phase and chemical analyses also revealed a chemical interaction between the proppant and pigment which forms a high temperature stable and Al- rich spinel (Mn0.28Cu0.42Mg0.3)(Al0.64Fe0.35Ti0.01)2O4 phase at the surface. Optical measurement revealed that initial and post-thermal aging solar weighted absorptance of proppants were significantly enhanced by coating. Moreover, reduced mass losses due to the abrasion in preliminary abrasion tests indicated the enhancement of surface properties by a mechanically stable coating layer. The use of RAM provides the homogenous application of pigments to the proppants owing to an electrostatic attraction between large proppants and fine pigment particles. The subsequent sintering at a temperature slightly above the pigment’s melting point ensures the uniform coverage of the proppant surfaces followed by a chemical reaction between the pigment spinel and Al-, Mg- and Ti-components of proppants into a new coating spinel with higher temperature stability and high solar absorptance. This study indicates that RAM followed by reaction sintering is a promising coating method to achieve structurally and chemically stable coatings by the proper selection of materials and process parameters. It is also worthy of mention that this time-efficient method with great potential of up-scaling is very promising for industrial applications.

Author Contributions

Conceptualization, G.A. and P.M.; methodology, G.A. and P.M.; investigation, G.A., P.M. and J.P.; data curation, G.A., P.M. and J.P.; writing—original draft preparation, G.A. and P.M.; writing—review and editing, G.A, P.M. and J.P. All authors have read and agreed to the published version of the manuscript.

Funding

This project has received funding from the European Union’s Horizon 2020 Research and Innovation Action (RIA) under grant agreement No. 958418.”

Institutional Review Board Statement

Not applicable.

Informed Consent Statement

Not applicable.

Data Availability Statement

Data is contained within the article.

Conflicts of Interest

The authors declare that they have no conflict of interest.

References

  1. Palacios, A.; Barreneche, C.; Navarro, M.E.; Ding, Y. Thermal Energy Storage Technologies for Concentrated Solar Power—A Review from a Materials Perspective. Renew. Energy 2020, 156, 1244–1265. [Google Scholar] [CrossRef]
  2. Sarbu, I.; Sebarchievici, C. A Comprehensive Review of Thermal Energy Storage. Sustainability 2018, 10, 191. [Google Scholar] [CrossRef] [Green Version]
  3. Esen, M. Thermal performance of a solar-aided latent heat store used for space heating by heat pump. Sol. Energy 2000, 69, 15–25. [Google Scholar] [CrossRef]
  4. Calderón, A.; Barreneche, C.; Palacios, A.; Segarra, M.; Prietto, C.; Rodriguez-Sanchez, A.; Fernandez, A.I. Review of solid particle materials for heat transfer fluid and thermal energy storage in solar thermal power plants. Energy Storage 2019, 1, e63. [Google Scholar] [CrossRef] [Green Version]
  5. Ho, C.K.; Iverson, B.D. Review of high-temperature central receiver designs for concentrating solar power, Renew. Sustain. Energy Rev. 2014, 29, 835–846. [Google Scholar] [CrossRef] [Green Version]
  6. Buck, R.; Giuliano, S. Solar Tower System Temperature Range Optimization for Reduced LCOE. AIP Conf. Proc. 2019, 2126, 030010. [Google Scholar] [CrossRef] [Green Version]
  7. Siegel, N.; Gross, M.; Ho, C.; Phan, T.; Yuan, J. Physical Properties of Solid Particle Thermal Energy Storage Media for Concentrating Solar Power Applications. Energy Procedia 2014, 49, 1015–1023. [Google Scholar] [CrossRef] [Green Version]
  8. Siegel, N.; Gross, M.; Coury, R. The development of direct absorption and storage media for falling particle solar central receivers. J. Solar Energy Eng. 2015, 137, 041003. [Google Scholar] [CrossRef]
  9. Alkan, G.; Mechnich, P.; Barbri, H.; Flucht, F.; Sergeev, D.; Müller, M. Evaluation of Ceramic Proppants as Heat Transfer and Storage medium. In Proceedings of the 27th SolarPACES Conference, Online, 27 September–1 October 2021. in press. [Google Scholar]
  10. Roop, J.; Jeter, S.; Abdel-Khalik, S.; Ho, C. Optical properties of select particulates after high-temperature treatment exposure. In Proceedings of the 8th International Conference on Energy Sustainability, Boston, MA, USA, 30 June–2 July 2014; pp. ES2014–ES6504. [Google Scholar]
  11. Isravel, R.S.; Saravanan, S.; Vijayan, V. A review of material and coatings in solar collectors. Mater. Today Proc. 2020, 21, 497–499. [Google Scholar] [CrossRef]
  12. Ladgaonkar, P.S.; Abhishek, A.P.; Patil, A.M. Review Paper on Selective Coating of Absorber Tube for Parabolic Trough Collector. Int. J. Eng. Sci. Res. Technol. 2014, 3, 6005–6008. [Google Scholar]
  13. Harzallah, R.; Larnicol, M.; Campana, F. Development of high performances solar absorber coatings. AIP Conf. Proc. 2019, 2126, 030026. [Google Scholar]
  14. Ambrosini, A.; Lambert, T.; Bencomo, M.; Hall, A.; van Every, K.; Siegel, N.; Ho., C. Improved High Temperature Solar Absorbers for use in Concentrating Solar Power Central Receiver Applications. Energy Sustain. 2011, 54686, 587–594. [Google Scholar]
  15. The Color of Art Pigment Database. Available online: http://www.artiscreation.com/black.html# (accessed on 29 April 2022).
  16. Gobereit, B.; Amsbeck, L.; Happich, C.; Schmücker, M. Assessment and improvement of optical properties of particles for solid particle receiver. Sol. Energy 2020, 199, 844–851. [Google Scholar] [CrossRef]
  17. Resodyn Acoustic Mixers, Milling and Coating with RAM. Available online: https://resodynmixers.com/download/milling-and-coating-with-ram/ (accessed on 29 April 2022).
  18. Shannon, R.D.; Prewitt, C.T. Effective Ionic Radii in Oxides and Fluorides. Acta Cryst. 1969, B25, 925–945. [Google Scholar] [CrossRef]
Figure 1. Schematic diagram of the RAM coating process and subsequent reaction sintering.
Figure 1. Schematic diagram of the RAM coating process and subsequent reaction sintering.
Coatings 12 00757 g001
Figure 2. Optical microscope image of BL 1630 bauxite proppants (a) before and (b) after coating with black spinel-type pigment.
Figure 2. Optical microscope image of BL 1630 bauxite proppants (a) before and (b) after coating with black spinel-type pigment.
Coatings 12 00757 g002
Figure 3. SEM micrographs revealing the surface of BL 1630 bauxite proppants (a) before and (b) after coating with black spinel-type pigment.
Figure 3. SEM micrographs revealing the surface of BL 1630 bauxite proppants (a) before and (b) after coating with black spinel-type pigment.
Coatings 12 00757 g003
Figure 4. XRD profiles of mixed bauxite-type proppant and spinel-type powders before and after sintering (2h/1200 °C). Tick marks show a significant shift of spinel peaks toward higher 2-values (squares) and massively decreasing peak intensities of mullite (diamonds).
Figure 4. XRD profiles of mixed bauxite-type proppant and spinel-type powders before and after sintering (2h/1200 °C). Tick marks show a significant shift of spinel peaks toward higher 2-values (squares) and massively decreasing peak intensities of mullite (diamonds).
Coatings 12 00757 g004
Figure 5. SEM/EDS Mapping of bauxite proppant BL 1630 (a) before and (b) after black spinel coating.
Figure 5. SEM/EDS Mapping of bauxite proppant BL 1630 (a) before and (b) after black spinel coating.
Coatings 12 00757 g005
Figure 6. SEM/EDS Mapping of black spinel coated bauxite proppant BL 1630 after thermal aging.
Figure 6. SEM/EDS Mapping of black spinel coated bauxite proppant BL 1630 after thermal aging.
Coatings 12 00757 g006
Figure 7. XRD profiles taken from the surface of spinel-coated bauxite proppants reveal the presence of two spinel phases (#2, #3). After thermal aging (168 h/1000 °C), the peak intensities of spinel #3 with smaller lattice parameters have increased significantly.
Figure 7. XRD profiles taken from the surface of spinel-coated bauxite proppants reveal the presence of two spinel phases (#2, #3). After thermal aging (168 h/1000 °C), the peak intensities of spinel #3 with smaller lattice parameters have increased significantly.
Coatings 12 00757 g007
Figure 8. DSC curves of as-received spinel #1 and newly formed spinel #2 (Table 1). The CuMnFe spinel exhibits two major endothermic reactions at 950 and 1150 °C, whereas the AlFeCuMn-spinel is stable in this temperature range.
Figure 8. DSC curves of as-received spinel #1 and newly formed spinel #2 (Table 1). The CuMnFe spinel exhibits two major endothermic reactions at 950 and 1150 °C, whereas the AlFeCuMn-spinel is stable in this temperature range.
Coatings 12 00757 g008
Figure 9. Solar absorptance of uncoated (BL) and black pigment coated bauxite proppants before and after thermal aging (TA).
Figure 9. Solar absorptance of uncoated (BL) and black pigment coated bauxite proppants before and after thermal aging (TA).
Coatings 12 00757 g009
Figure 10. SEM Microstructures revealing the surfaces of (a) uncoated and (b) coated proppants after 4 h of abrasion test.
Figure 10. SEM Microstructures revealing the surfaces of (a) uncoated and (b) coated proppants after 4 h of abrasion test.
Coatings 12 00757 g010
Table 1. Chemical composition of spinel-type pigment in as-received condition, after coating process and thermal aging.
Table 1. Chemical composition of spinel-type pigment in as-received condition, after coating process and thermal aging.
EDS at.%MnCuFeAlMgTiCalculated Spinel Formula AB2O4
spinel #12417.87.4---Cu(Mn0.76Fe0.24)2O4
spinel #24.46.59.517.44.70.3(Mn0.28Cu0.42Mg0.3)(Al0.64Fe0.35Ti0.01)2O4
spinel #35.75.99.617.640.3(Mn0.36Cu0.27Mg0.25)(Al0.64Fe0.35Ti0.01)2O4
Table 2. Enhancement of solar weighted absorptance by deep black pigment coating.
Table 2. Enhancement of solar weighted absorptance by deep black pigment coating.
Solar AbsorptanceBLBL CoatedEnhancement
Before TA0.890.923.4%
After TA0.780.9117%
Publisher’s Note: MDPI stays neutral with regard to jurisdictional claims in published maps and institutional affiliations.

Share and Cite

MDPI and ACS Style

Alkan, G.; Mechnich, P.; Pernpeintner, J. Improved Performance of Ceramic Solar Absorber Particles Coated with Black Oxide Pigment Deposited by Resonant Acoustic Mixing and Reaction Sintering. Coatings 2022, 12, 757. https://doi.org/10.3390/coatings12060757

AMA Style

Alkan G, Mechnich P, Pernpeintner J. Improved Performance of Ceramic Solar Absorber Particles Coated with Black Oxide Pigment Deposited by Resonant Acoustic Mixing and Reaction Sintering. Coatings. 2022; 12(6):757. https://doi.org/10.3390/coatings12060757

Chicago/Turabian Style

Alkan, Gözde, Peter Mechnich, and Johannes Pernpeintner. 2022. "Improved Performance of Ceramic Solar Absorber Particles Coated with Black Oxide Pigment Deposited by Resonant Acoustic Mixing and Reaction Sintering" Coatings 12, no. 6: 757. https://doi.org/10.3390/coatings12060757

APA Style

Alkan, G., Mechnich, P., & Pernpeintner, J. (2022). Improved Performance of Ceramic Solar Absorber Particles Coated with Black Oxide Pigment Deposited by Resonant Acoustic Mixing and Reaction Sintering. Coatings, 12(6), 757. https://doi.org/10.3390/coatings12060757

Note that from the first issue of 2016, this journal uses article numbers instead of page numbers. See further details here.

Article Metrics

Back to TopTop