Sign in to use this feature.

Years

Between: -

Subjects

remove_circle_outline
remove_circle_outline
remove_circle_outline
remove_circle_outline
remove_circle_outline
remove_circle_outline
remove_circle_outline

Journals

Article Types

Countries / Regions

Search Results (25)

Search Parameters:
Keywords = binary sustainable concrete

Order results
Result details
Results per page
Select all
Export citation of selected articles as:
35 pages, 3305 KB  
Article
Cost–Performance Multi-Objective Optimization of Quaternary-Blended Cement Concrete
by Yassir M. Abbas, Ammar Babiker, Abobakr Elwakeel and Mohammad Iqbal Khan
Buildings 2025, 15(22), 4074; https://doi.org/10.3390/buildings15224074 (registering DOI) - 12 Nov 2025
Abstract
The development of sustainable concrete capable of trading off the mechanical performance and cost remains a persistent scientific and engineering challenge. Although previous research has employed multi-objective optimization for binary and ternary cement blends, the simultaneous optimization of quaternary-blended systems, incorporating multiple supplementary [...] Read more.
The development of sustainable concrete capable of trading off the mechanical performance and cost remains a persistent scientific and engineering challenge. Although previous research has employed multi-objective optimization for binary and ternary cement blends, the simultaneous optimization of quaternary-blended systems, incorporating multiple supplementary cementitious materials, has received little systematic attention. This study addresses this gap by introducing an interpretable artificial intelligence (AI)-driven approach that integrates the Category Boosting (CatBoost) algorithm with the Non-Dominated Sorting Genetic Algorithm II (NSGA-II) to model and optimize the compressive strength (CS) and total cost of quaternary-blended concretes. A curated database of 810 experimentally documented mixtures was used to train and validate the model. CatBoost achieved superior predictive performance (R2 = 0.987, MAE = 1.574 MPa), while Shapley additive explanations identified curing age, water-to-binder ratio, and Portland cement content as the dominant parameters governing CS. Multi-objective optimization produced Pareto-optimal elite mixtures achieving CS of 51–80 MPa, with a representative 60 MPa mix requiring approximately 62% less cement than conventional designs. The findings establish a scientifically grounded, interpretable methodology for data-driven design of low-carbon, high-performance concretes and demonstrate, for the first time, the viability of AI-assisted multi-criteria optimization for complex quaternary-blended systems. This framework offers both methodological innovation and practical guidance for implementing sustainable construction materials. Full article
(This article belongs to the Section Building Materials, and Repair & Renovation)
27 pages, 7963 KB  
Article
Synergistic Effects of Fly Ash and Oyster Shell Powder in Ternary Low-Carbon Cementitious Materials: Macro–Micro Experimental Studies and Life Cycle Evaluation
by Kang-Jia Wang, Ki-Bong Park and Xiao-Yong Wang
Appl. Sci. 2025, 15(21), 11319; https://doi.org/10.3390/app152111319 - 22 Oct 2025
Viewed by 269
Abstract
As a result of global urbanization, the construction industry has mainly emitted CO2 from ordinary Portland cement (OPC). Partially replacing cement with supplementary cementitious materials is a widely studied approach for reducing emissions. While previous studies have explored binary systems such as [...] Read more.
As a result of global urbanization, the construction industry has mainly emitted CO2 from ordinary Portland cement (OPC). Partially replacing cement with supplementary cementitious materials is a widely studied approach for reducing emissions. While previous studies have explored binary systems such as fly ash (FA)–cement and oyster shell powder (OSP)–cement, limited research has been conducted on ternary systems that combine FA, OSP, and cement. The differences in macro- and microsustainability performance between binary and ternary mixes remain unclear and require further exploration. To address this gap, this study verified the feasibility of using FA and OSP for partially replacing OPC in concrete. The environmental and mechanical performances of these materials were evaluated through macro- and microlevel experiments, as well as through life cycle assessments (LCAs). The results show that there is a synergistic effect in the FA-OSP-OPC ternary mixed cement (28-day strength: 40.44 MPa), which promotes the hydration of the three-component cement. Compared with the FA-OPC (28-day strength: 39.38 MPa) and OSP-OPC (28-day strength: 26.85 MPa) two-component cements, the strength is increased by 2.7% and 50.61%, respectively. At the same time, the resistivity of the three-component cement is also increased. The resistivity is increased by 19.27% ((50.69 − 42.5)/42.5) compared with the pure cement group. On this basis, the three-component cement also reduces carbon emissions by about 15% ((13.09 − 11.19)/13.09). FA-OSP-OPC ternary mixed cement improves strength and durability, reduces carbon emissions, and is an excellent new ternary mixed gel material that can be sustainably utilized. Full article
(This article belongs to the Section Civil Engineering)
Show Figures

Figure 1

19 pages, 1302 KB  
Article
Low-Carbon, Low-Shrinkage Concrete Design Based on Paste–Aggregate Binary Model
by Chunming Lian, Xiong Zhang, Lu Han, Weijun Wen, Wenbiao Lin and Lifang Han
Materials 2025, 18(14), 3292; https://doi.org/10.3390/ma18143292 - 12 Jul 2025
Viewed by 642
Abstract
This study presents a performance-based concrete mix design methodology rooted in the paste–aggregate binary framework, aiming to reduce binder content while ensuring optimal workability and strength. We found that inter-particle spacing (SPT) and paste rheology jointly govern fresh concrete behavior, with slump increasing [...] Read more.
This study presents a performance-based concrete mix design methodology rooted in the paste–aggregate binary framework, aiming to reduce binder content while ensuring optimal workability and strength. We found that inter-particle spacing (SPT) and paste rheology jointly govern fresh concrete behavior, with slump increasing nonlinearly with SPT and a critical transition zone around 20–35 µm; paste yield stress controls slump, while plastic viscosity governs segregation resistance. A two-level strength model was developed to predict concrete strength from paste properties based on compactness and hydration (R2 = 0.90). Fixing SPT at 25 µm was identified as optimal for achieving balanced flowability with minimal paste volume. This approach effectively decouples aggregate packing optimization from paste calibration, offering a physically interpretable and practical framework for designing sustainable, low-carbon, and low-shrinkage concrete. Full article
Show Figures

Figure 1

16 pages, 1500 KB  
Article
Optimizing Aggregate Systems Based on a Binary Paste–Aggregate Model
by Chunming Lian, Xiong Zhang, Lu Han, Weiguo Shen, Lifang Han and Weijun Wen
Materials 2025, 18(13), 3047; https://doi.org/10.3390/ma18133047 - 26 Jun 2025
Viewed by 577
Abstract
This study presents a systematic method for mix design for optimizing the aggregate proportions in concrete, aiming to minimize paste volume while ensuring adequate workability. Based on a binary paste–aggregate system model, the method refines the calculation of the aggregate packing density by [...] Read more.
This study presents a systematic method for mix design for optimizing the aggregate proportions in concrete, aiming to minimize paste volume while ensuring adequate workability. Based on a binary paste–aggregate system model, the method refines the calculation of the aggregate packing density by excluding fine particles smaller than 75 μm and incorporating inter-particle interactions across multiple size fractions. A modified approach for calculating the aggregate’s specific surface area is introduced, which accounts for both intra-fraction particle size variation and particle morphology through image-based shape coefficients. Inter-particle spacing is identified as a key control parameter of concrete flowability. Using this criterion, an optimization strategy is developed to determine the ideal aggregate composition that achieves the required spacing with the least amount of paste. Experimental validation confirms that the model reliably predicts paste demand while maintaining desired workability and compressive strength. This physics-based, interpretable approach offers a practical alternative to data-intensive machine learning models and contributes to more sustainable and efficient concrete mix design. Full article
(This article belongs to the Section Construction and Building Materials)
Show Figures

Figure 1

21 pages, 5254 KB  
Article
Performance of Concrete Incorporating Waste Glass Cullet and Snail Shell Powder: Workability and Strength Characteristics
by Udeme Udo Imoh, Akindele Christopher Apata and Majid Movahedi Rad
Buildings 2025, 15(13), 2161; https://doi.org/10.3390/buildings15132161 - 21 Jun 2025
Viewed by 1363
Abstract
This study investigates the combined use of waste glass cullet (WGC) and snail shell powder (SSP) as a sustainable binary cementitious system to enhance the mechanical performance and durability of concrete, particularly for rigid pavement applications. Nine concrete mixes were formulated: a control [...] Read more.
This study investigates the combined use of waste glass cullet (WGC) and snail shell powder (SSP) as a sustainable binary cementitious system to enhance the mechanical performance and durability of concrete, particularly for rigid pavement applications. Nine concrete mixes were formulated: a control mix, four mixes with 5%, 10%, 15%, and 20% WGC as partial cement replacement, and four corresponding mixes with 1% SSP addition. Slump, compressive strength, and flexural strength were evaluated at various curing ages. Results showed that while WGC reduced workability due to its angular morphology (slump decreased from 30 mm to 20 mm at 20% WGC), the inclusion of SSP slightly mitigated this reduction (21 mm at 20% WGC + 1% SSP). At 28 days, compressive strength increased from 40.0 MPa (control) to 45.0 MPa with 20% WGC and further to 48.0 MPa with the addition of SSP. Flexural strength also improved from 7.0 MPa (control) to 7.8 MPa with both WGC and SSP. These improvements were statistically significant (p < 0.05) and supported by correlation analysis, which revealed a strong inverse relationship between WGC content and slump (r = −0.97) and strong positive correlations between early and later-age strength. Microstructural analyses (SEM/EDX) confirmed enhanced matrix densification and pozzolanic activity. The findings demonstrate that up to 20% WGC with 1% SSP not only enhances strength development but also provides a viable, low-cost, and eco-friendly alternative for producing durable, load-bearing, and sustainable concrete for rigid pavements and infrastructure applications. This approach supports circular economic principles by valorizing industrial and biogenic waste streams in civil construction. Full article
(This article belongs to the Section Building Materials, and Repair & Renovation)
Show Figures

Figure 1

21 pages, 8115 KB  
Article
Quality Characteristics of Sustainable High-Performance Concrete Formulated from Binary, Ternary, and Quaternary Supplementary Cementitious Materials Under Various Curing Conditions
by Mohammad Iqbal Khan, Yassir M. Abbas and Galal Fares
Materials 2024, 17(23), 5831; https://doi.org/10.3390/ma17235831 - 27 Nov 2024
Cited by 1 | Viewed by 846
Abstract
The formulation of binary, ternary, and quaternary supplementary cementitious materials (SCMs) on an optimized silica fume amount using fly ash, ultrafine (MQ), and limestone powders (LS) is the most sustainable approach to recycling these types of solid wastes for durable concrete. The optimum [...] Read more.
The formulation of binary, ternary, and quaternary supplementary cementitious materials (SCMs) on an optimized silica fume amount using fly ash, ultrafine (MQ), and limestone powders (LS) is the most sustainable approach to recycling these types of solid wastes for durable concrete. The optimum replacement level of 10% silica fume was blended with different replacement levels of 5, 8, 10, and 15% MQ to formulate different ternary mixes to evaluate the filling effect of MQ. Different ternary mixes containing 10% silica fume and 5, 10, and 15% LS were also produced to examine the effectiveness of both ternary mixtures with either MQ or LS. The quaternary mixtures with 10% silica fume optimized with 20% fly ash and 10% MQ or 10% LS were evaluated for compressive strength, chloride permeability, and porosity. The MQ showed the best filling effect compared to LS. The hot curing conditions significantly enhanced the performance of ternary and quaternary mixtures. Two effects of fillers were observed: the diluting effect brought on by replacement levels and the enhanced filling effect. At early curing, the strength loss resulting from the high replacement level was around 39%; however, this drop could be minimized to approximately 7% under hot curing conditions. It has been demonstrated that the binary, ternary, and quaternary systems offer the best solution to the environmental and durability issues caused by cement. The economic analysis highlights that optimized HPC mixtures with SCMs and fillers, particularly the quaternary mix, achieve superior cost-efficiency and mechanical performance, demonstrating their potential for sustainable and high-performance engineering applications. Full article
Show Figures

Figure 1

17 pages, 4222 KB  
Article
3D Printing of Fiber-Reinforced Calcined Clay-Limestone-Based Cementitious Materials: From Mixture Design to Printability Evaluation
by Haodao Li, Jingjie Wei and Kamal H. Khayat
Buildings 2024, 14(6), 1666; https://doi.org/10.3390/buildings14061666 - 5 Jun 2024
Cited by 7 | Viewed by 2677
Abstract
Sustainability and limitations in embedded reinforcement are the main obstacles in digital fabrication with concrete. This study proposed a 3D printable fiber-reinforced calcined clay-limestone-based cementitious material (FR-LC3). The binder systems incorporating calcined clay (CC) and limestone filler (LF) were optimized by [...] Read more.
Sustainability and limitations in embedded reinforcement are the main obstacles in digital fabrication with concrete. This study proposed a 3D printable fiber-reinforced calcined clay-limestone-based cementitious material (FR-LC3). The binder systems incorporating calcined clay (CC) and limestone filler (LF) were optimized by determining the flow characteristics and water retention ability of the paste. The effect of fiber volume on the key fresh and mechanical properties of the fiber-reinforced mortars made with the optimized binder was evaluated. A combination of offline assessments and inline printing were employed to investigate the printability of the FR-LC3 with various binder systems and viscosity-modifying admixture (VMA) dosages. The results revealed that the binary system with 20% CC and the ternary system containing 30% CC and 15% LF were highly advantageous, with enhanced packing density, robustness, and water retention ability. Incorporating 2% 6-mm steel fiber contributed to the highest 28-day compressive and flexural strengths and toughness without significantly compromising the fluidity. Finally, the developed FR-LC3 mixtures were successfully printed using an extrusion-based 3D printer. The LF addition in the ternary system decreased the maximum buildable height of a single-wall printed object while reducing the SP/VMA ratio significantly increased the height due to enhanced yield stress and thixotropy. Full article
(This article belongs to the Special Issue 3D Printing and Low-Carbon Technologies in Cementitious Composites)
Show Figures

Figure 1

43 pages, 19525 KB  
Article
Predictive Modeling and Experimental Validation for Assessing the Mechanical Properties of Cementitious Composites Made with Silica Fume and Ground Granulated Blast Furnace Slag
by Usama Asif, Shazim Ali Memon, Muhammad Faisal Javed and Jong Kim
Buildings 2024, 14(4), 1091; https://doi.org/10.3390/buildings14041091 - 14 Apr 2024
Cited by 26 | Viewed by 2553
Abstract
Using sustainable cement-based alternatives, such as secondary cementitious raw materials (SCMs), could be a viable option to decrease CO2 emissions resulting from cement production. Previously conducted studies to determine the optimal mix designs of concrete primarily focused on either experimental approaches or [...] Read more.
Using sustainable cement-based alternatives, such as secondary cementitious raw materials (SCMs), could be a viable option to decrease CO2 emissions resulting from cement production. Previously conducted studies to determine the optimal mix designs of concrete primarily focused on either experimental approaches or empirical modeling techniques. However, in these experimental approaches, few tests could be performed for optimization due to time restrictions and lack of resources, and empirical modeling methods cannot be relied on without external validation. The machine learning-based approaches are further characterized by certain shortcomings, including a smaller number of data points, a less robust connection among the controlling factors, and a lack of comparative analyses among machine learning models. Furthermore, the literature on predicting the performance of concrete utilizing binary SCMs (silica fume (SF) and ground granulated blast furnace slag (GGBS)) is not available. Therefore, to address these drawbacks, this research aimed to integrate ML-based models with experimental validations for accurate predictions of the compressive strength (CS) and tensile strength (TS) of concrete that includes SF and GGBS as SCMs. Three soft computing techniques, namely the ANN, ANFIS, and GEP methods, were used for prediction purposes. Eight major input parameters, including the W/B ratio, cement, GGBS, SF, coarse aggregates, fine aggregates, superplasticizer, and the age of the specimens, were considered for modeling. The validity of the established models was assessed by using external experimental validation criteria, statistical metrics, and performance measures. In addition, sensitivity and parametric analyses were performed. Based on statistical measures, the ANFIS models outperformed other models with higher correlation and lower statistical error values. However, the GEP models exhibited superior performance compared to ANFIS and ANN with respect to the closeness of the RMSE, MAE, RSE, and R2 values between the training, validation, and testing sets for both the CS and TS models. Experimental validation showed strong evidence for the applicability of the proposed models with an R2 of 0.88 and error percentages of less than 10%. Sensitivity and parametric investigations demonstrated that the input variables exhibited the patterns described in the experimental dataset and the available literature. Hence, the proposed models are accurate, have better prediction performance, and can be used for design purposes. Full article
(This article belongs to the Special Issue Advances in Sustainable Building Materials)
Show Figures

Figure 1

14 pages, 7578 KB  
Article
The Compressive Strength and Microstructure of Alkali-Activated Mortars Utilizing By-Product-Based Binary-Blended Precursors
by Otman M. M. Elbasir, Megat Azmi Megat Johari, Zainal Arifin Ahmad, Nuha S. Mashaan and Abdalrhman Milad
Appl. Mech. 2023, 4(3), 885-898; https://doi.org/10.3390/applmech4030046 - 11 Aug 2023
Cited by 5 | Viewed by 2718
Abstract
Researchers have investigated the feasibility of using ultrafine palm oil fuel ash (u-POFA) as a cement replacement material because of its potential to reduce the environmental impact of concrete production. u-POFA, a by-product of palm oil fuel combustion, is a suitable replacement for [...] Read more.
Researchers have investigated the feasibility of using ultrafine palm oil fuel ash (u-POFA) as a cement replacement material because of its potential to reduce the environmental impact of concrete production. u-POFA, a by-product of palm oil fuel combustion, is a suitable replacement for Portland cement in concrete mixes because of its sustainability and cost-effectiveness. This study investigated the microstructural and compressive strengths of alkali-activated mortars (AAMs) based on fly ash (FA) and granulated blast-furnace slag (GBFS) being added with varying percentages of u-POFA. The mixture samples were prepared in eighteen mortars using sodium metasilicate (Na2SiO3) as the source material and sodium hydroxide (NaOH) as the alkaline activator. This study used field-emission scanning electron microscopy coupled with energy-dispersive X-ray spectrometry, X-ray diffraction, X-ray fluorescence, and Fourier-transform infrared spectroscopy to characterize the binary-blended mortars after 28 days of curing and determined the strength of the FA+GBFS (87.80 MPa), u-POFA+GBFS (88.87 MPa), and u-POFA+FA mortars (54.82 MPa). The mortars’ compressive strength was influenced by the CaO/SiO2 and SiO2/Al2O3 ratios in the mixture, which was directly due to the formation rate of geopolymer products of the calcium–alumina–silicate–hydrate (C–(A)–S–H), aluminosilicate (N–A–S–H), and calcium–silicate–hydrate (C–S–H) phases. Based on the contents of FA and GBFS, u-POFA significantly enhanced concrete strength; therefore, u-POFA used in a suitable proportion could enhance binary-blended AAMs’ microstructure. Full article
Show Figures

Figure 1

30 pages, 19927 KB  
Article
The Implementation of a Binary Blend of Waste Glass Powder and Coal Bottom Ash as a Partial Cement Replacement toward More Sustainable Mortar Production
by Stephen Babajide Olabimtan and Mohammad Ali Mosaberpanah
Sustainability 2023, 15(11), 8776; https://doi.org/10.3390/su15118776 - 29 May 2023
Cited by 7 | Viewed by 4058
Abstract
One way the sustainability and efficiency of concrete production can be improved is by incorporating waste by-products into the mix. This can help reduce the use of natural resources, such as river sand, and prevent the pollution of valuable land. Two specific examples [...] Read more.
One way the sustainability and efficiency of concrete production can be improved is by incorporating waste by-products into the mix. This can help reduce the use of natural resources, such as river sand, and prevent the pollution of valuable land. Two specific examples of waste by-products that can be used in the concrete industry are waste glass powder and coal bottom ash. This study presents an experimental investigation that analyzes the influence of adding glass powder and waste bottom ash from 0% to 20% with a 5% interval to produce high-performance mortar for rheological, mechanical, and durability properties cured under different conditions (wet and dry) and temperatures (20 °C), and at several curative processes at 7 and 28 days. The water/cement ratio is a constant 0.35. According to the research findings, blending glass powder and coal bottom ash in the production of mortar results in a significant improvement in performance, particularly in terms compressive and flexural strength (3.4–20.8%) (1.7–20.3%), while employing a 10% WGP and 10% CBA binary blend provides a large increase in the flexural strength (10.6%). In the fire resistance test, 15% WGP and 5% CBA has the maximum bond strength at 200 °C (2.6%). In SEM pictures of WGP and CBA, it is found that the two materials have a low porosity compared to the control cement mortar. Furthermore, the study finds that 10% glass powder and 10% coal bottom ash combined with cement paste is the best percentage of waste by-products to use in the creation of high-performance mortar. This ratio was discovered to be the most successful in terms of increasing mechanical, rheological, and durability qualities. Full article
(This article belongs to the Section Sustainable Materials)
Show Figures

Figure 1

16 pages, 5068 KB  
Article
Mechanical Properties and Corrosion Behavior of Dual-Filler-Epoxy-Coated Steel Rebar under a Corrosive Environment
by Xingyu Wang, Qi Cao, Fujian Tang, Hong Pan, Xi Chen and Zhibin Lin
Coatings 2023, 13(3), 604; https://doi.org/10.3390/coatings13030604 - 12 Mar 2023
Cited by 11 | Viewed by 4279
Abstract
The deterioration of steel rebar in reinforced concrete is a major issue that reduces RC structures’ durability and structural integrity. Significant efforts have been devoted to developing high-performance coatings to provide efficient protection of the rebar, and one promising approach is to utilize [...] Read more.
The deterioration of steel rebar in reinforced concrete is a major issue that reduces RC structures’ durability and structural integrity. Significant efforts have been devoted to developing high-performance coatings to provide efficient protection of the rebar, and one promising approach is to utilize nanofiller as additives to improve the performance of polymer resins. This study aimed to improve the corrosion resistance of steel rebar by applying an epoxy coating with graphene nanoplatelets (GNPs) and silica nanopowders (NSs) as additives. The corrosion behavior of nanocomposite-coated rebars was characterized via an electrochemical impedance spectroscopy (EIS) test, and salt spray exposure was utilized to evaluate the durability of the coated rebars. Investigation of abrasion resistance and mechanical properties of the coatings was conducted using the falling sand test and tensile coupon test. In addition, the nanocomposites were scanned by micro-CT to explore the effect of binary nanofillers on the intactness of the polymeric matrix. The GNP-NS hybrid filler reduced the void fraction to 0.002%, whereas the void fraction in pure epoxy was 0.07%. Significant reinforcement was found in the mechanical properties; the addition of GNP-NS hybrid filler increased the tensile strength to 37.1 MPa, a 56% increase compared to the pure epoxy. Additionally, the GNP-NS hybrid fillers have led to an improvement of 16% in the Young’s modulus. In terms of corrosion resistance, the Rc value of rebar coated with GNP-NS coating was about three times greater than the ones coated with a single-filler epoxy coating during the initial test, and this value remained undegraded after 200 hr of exposure. In contrast, the group containing hybrid fillers displayed the lowest thickness loss following abrasion testing, with a 74% reduction in thickness loss, showing the coating’s high abrasion resistance. Hence, the results reveal that GNP-NS hybrid fillers have superior wear resistance, mechanical capabilities, anticorrosion properties, and durability. This research provides valuable insights into developing and implementing high-performance polymeric material to protect steel rebars in concrete structures, therefore significantly increasing the sustainability of concrete structures. Full article
(This article belongs to the Special Issue Advanced Anticorrosion Coatings and Coating Testing)
Show Figures

Figure 1

27 pages, 5455 KB  
Article
Sustainable Design of Self-Consolidating Green Concrete with Partial Replacements for Cement through Neural-Network and Fuzzy Technique
by Shaoyong Han, Dongsong Zheng, Bahareh Mehdizadeh, Emad Abouel Nasr, Mayeen Uddin Khandaker, Mohammad Salman and Peyman Mehrabi
Sustainability 2023, 15(6), 4752; https://doi.org/10.3390/su15064752 - 7 Mar 2023
Cited by 69 | Viewed by 3436
Abstract
In order to achieve a sustainable mix design, this paper evaluates self-consolidating green concrete (SCGC) properties by experimental tests and then examines the design parameters with an artificial intelligence technique. In this regard, cement was partially replaced in different contents with granulated blast [...] Read more.
In order to achieve a sustainable mix design, this paper evaluates self-consolidating green concrete (SCGC) properties by experimental tests and then examines the design parameters with an artificial intelligence technique. In this regard, cement was partially replaced in different contents with granulated blast furnace slag (GBFS) powder, volcanic powder, fly ash, and micro-silica. Moreover, fresh and hardened properties tests were performed on the specimens. Finally, an adaptive neuro-fuzzy inference system (ANFIS) was developed to identify the influencing parameters on the compressive strength of the specimens. For this purpose, seven ANFIS models evaluated the input parameters separately, and in terms of optimization, twenty-one models were assigned to different combinations of inputs. Experimental results were reported and discussed completely, where furnace slag represented the most effect on the hardened properties in binary mixes, and volcanic powder played an effective role in slump retention among other cement replacements. However, the combination of micro-silica and volcanic powder as a ternary mix design successfully achieved the most improvement compared to other mix designs. Furthermore, ANFIS results showed that binder content has the highest governing parameters in terms of the strength of SCGC. Finally, when compared with other additive powders, the combination of micro-silica with volcanic powder provided the most strength, which has also been verified and reported by the test results. Full article
(This article belongs to the Section Environmental Sustainability and Applications)
Show Figures

Figure 1

15 pages, 5121 KB  
Article
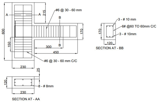
Influence of Slag-Based Geopolymer Concrete on the Seismic Behavior of Exterior Beam Column Joints
by Settiannan Karuppannan Maniarasan, Palanisamy Chandrasekaran, Sridhar Jayaprakash and Gobinath Ravindran
Sustainability 2023, 15(3), 2327; https://doi.org/10.3390/su15032327 - 27 Jan 2023
Cited by 10 | Viewed by 2724
Abstract
In reinforced concrete (RC) constructions, the beam-column junctions are very sensitive to lateral and vertical loads. In the event of unforeseen earthquake and wind loads, this insufficient joint performance can lead to the failure of the entire structure. Cement industries emit a large [...] Read more.
In reinforced concrete (RC) constructions, the beam-column junctions are very sensitive to lateral and vertical loads. In the event of unforeseen earthquake and wind loads, this insufficient joint performance can lead to the failure of the entire structure. Cement industries emit a large amount of greenhouse gases during production, thus contributing to global warming. The nature of cement concrete is fragile. Cement output must be reduced in order to ensure environmental sustainability. Geopolymer concrete (GC), which is a green and low-carbon material, can be used in beam-column joints. M30 grade BBGC was developed and employed in the current study. Alkaline liquids are produced when sodium silicate and sodium hydroxide are mixed at room temperature. The alkaline liquid to fly ash ratio was fixed at 0.5, and the concentration of NaOH was fixed at 8 M. The mechanical properties of the Binary Blended Geopolymer concrete (BBGC), containing fly ash and GGBS, at proportions ranging from 0% to 100%, were investigated. This study was further expanded to examine the behavior of two groups of binary blended geopolymer concrete (BBGC) exterior beam-column joints, with cross sections of 230 mm × 120 mm and 170 mm × 120 mm. The column heights and lengths were both 600 mm under reverse cyclic loads in order to simulate earthquake conditions. The failure mechanism, ductility, energy absorption capacity, initial crack load, ultimate load carrying capacity, and structural performance was evaluated. The test findings showed that BBGC with 20% fly ash and 80% GGBS had the highest compressive strength and split tensile strength. When compared with other beam column joints, those containing 20% fly ash and 80% GGBS performed better under cyclic loading. The test findings imply that GGBS essentially enhances the joint performance of BBGC. The microstructural SEM and EDS studies revealed the reasons behind the improvement in strength of the GGBS fly ash-based Geopolymer concrete. Full article
Show Figures

Figure 1

21 pages, 6586 KB  
Article
Using Computer Vision for Monitoring the Quality of 3D-Printed Concrete Structures
by Shanmugaraj Senthilnathan and Benny Raphael
Sustainability 2022, 14(23), 15682; https://doi.org/10.3390/su142315682 - 25 Nov 2022
Cited by 26 | Viewed by 5567
Abstract
Concrete 3D printing has the potential to reduce material and process waste in construction. Thus, it contributes to making the construction industry more sustainable through the use of digital-fabrication technologies. While concrete 3D printing is attractive due to its potential to realize complex [...] Read more.
Concrete 3D printing has the potential to reduce material and process waste in construction. Thus, it contributes to making the construction industry more sustainable through the use of digital-fabrication technologies. While concrete 3D printing is attractive due to its potential to realize complex designs, practical challenges include an increased chance of defects and deformities. Quality assessment of 3D-printed elements is essential for large-scale implementation. Workability of concrete is known to decrease with printing time and it impacts extrudability. It is usually visible in 3D-printed elements, with the lower layers having a smooth finish, while the top layers have cracks and discontinuities. A computer-vision-based quality assessment method is proposed in this paper using a two-bin Linear Binary Pattern textural analysis. Information entropy is used as the metric for measuring the texture variation within each layer and its changes over the layers are studied. A higher entropy value is found for layers having deformities. Finally, through the error-minimization technique, a threshold entropy value is calculated and, using this, the printed layers can be assessed and corrective actions taken. This paper contributes to developing a non-intrusive quality assessment technique for concrete 3D-printed elements. Full article
(This article belongs to the Special Issue Structural Health Monitoring and Sustainable Built Structures)
Show Figures

Figure 1

18 pages, 3605 KB  
Article
Predicting the Compressive Strength of Concrete Containing Binary Supplementary Cementitious Material Using Machine Learning Approach
by Nozar Moradi, Mohammad Hadi Tavana, Mohammad Reza Habibi, Moslem Amiri, Mohammad Javad Moradi and Visar Farhangi
Materials 2022, 15(15), 5336; https://doi.org/10.3390/ma15155336 - 3 Aug 2022
Cited by 51 | Viewed by 3269
Abstract
Several advantages of supplementary cementitious materials (SCMs) have led to widespread use in the concrete industry. Many various SCMs with different characteristics are used to produce sustainable concrete. Each of these materials has its specific properties and therefore plays a different role in [...] Read more.
Several advantages of supplementary cementitious materials (SCMs) have led to widespread use in the concrete industry. Many various SCMs with different characteristics are used to produce sustainable concrete. Each of these materials has its specific properties and therefore plays a different role in enhancing the mechanical properties of concrete. Multiple and often conflicting demands of concrete properties can be addressed by using combinations of two or more SCMs. Thus, understanding the effect of each SCM, as well as their combination in concrete, may pave the way for further utilization. This study aims to develop a robust and time-saving method based on Machine Learning (ML) to predict the compressive strength of concrete containing binary SCMs at various ages. To do so, a database containing a mixture of design, physical, and chemical properties of pozzolan and age of specimens have been collected from literature. A total of 21 mix design containing binary mixes of fly ash, metakaolin, and zeolite were prepared and experimentally tests to fill the possible gap in the literature and to increase the efficiency and accuracy of the ML-based model. The accuracy of the proposed model was shown to be accurate and ML-based model is able to predict the compressive strength of concrete containing any arbitrary SCMs at ay ages precisely. By using the model, the optimum replacement level of any combination of SCMs, as well as the behavior of binary cementitious systems containing two different SCMs, can be determined. Full article
(This article belongs to the Special Issue Concrete Technology and Mechanical Properties of Concretes)
Show Figures

Figure 1

Back to TopTop