Mechanical Properties and Corrosion Behavior of Dual-Filler-Epoxy-Coated Steel Rebar under a Corrosive Environment
Abstract
1. Introduction
2. Experimental Program
2.1. Materials
2.2. Preparation of Nanocomposite-Coated Rebar Samples
2.3. Characterization of the Nanoparticle-Filled Composite Coating
2.4. Corrosion Resistance of the Coated Rebar
2.5. Abrasion Resistance of the Coated Rebar
2.6. Evaluation of the Bonding between the Nanocomposite and Concrete Surface
3. Results and Discussion
3.1. The Appearance and Viscosity of the Developed Composites
3.2. Micro-CT Defect Analysis of the Composites
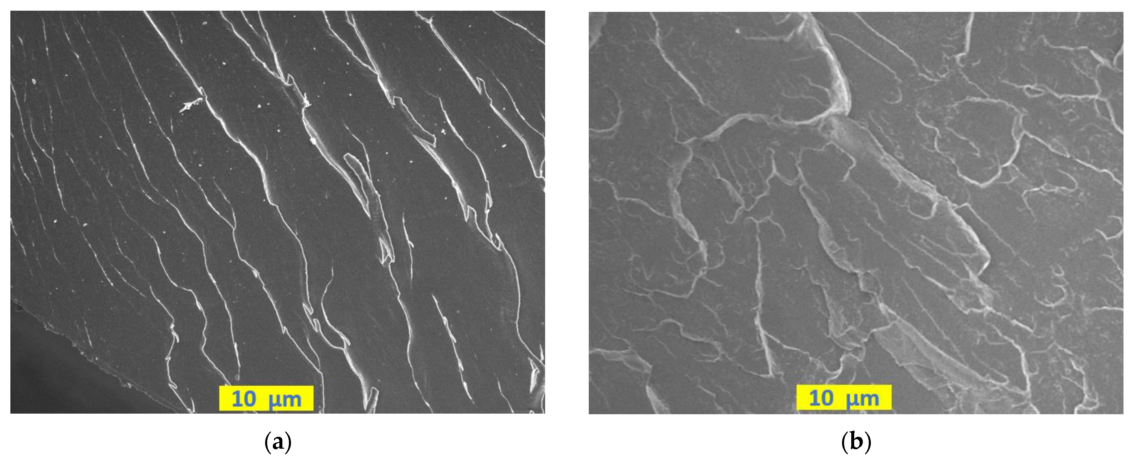
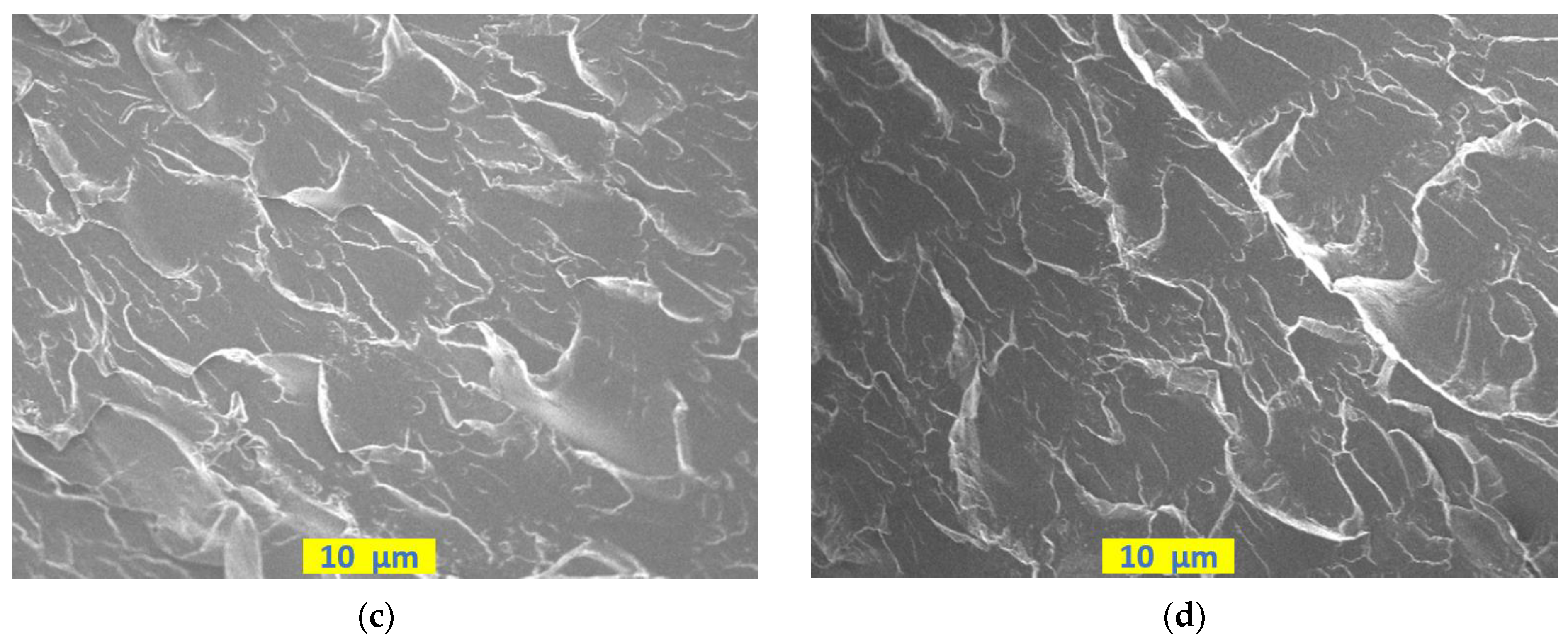
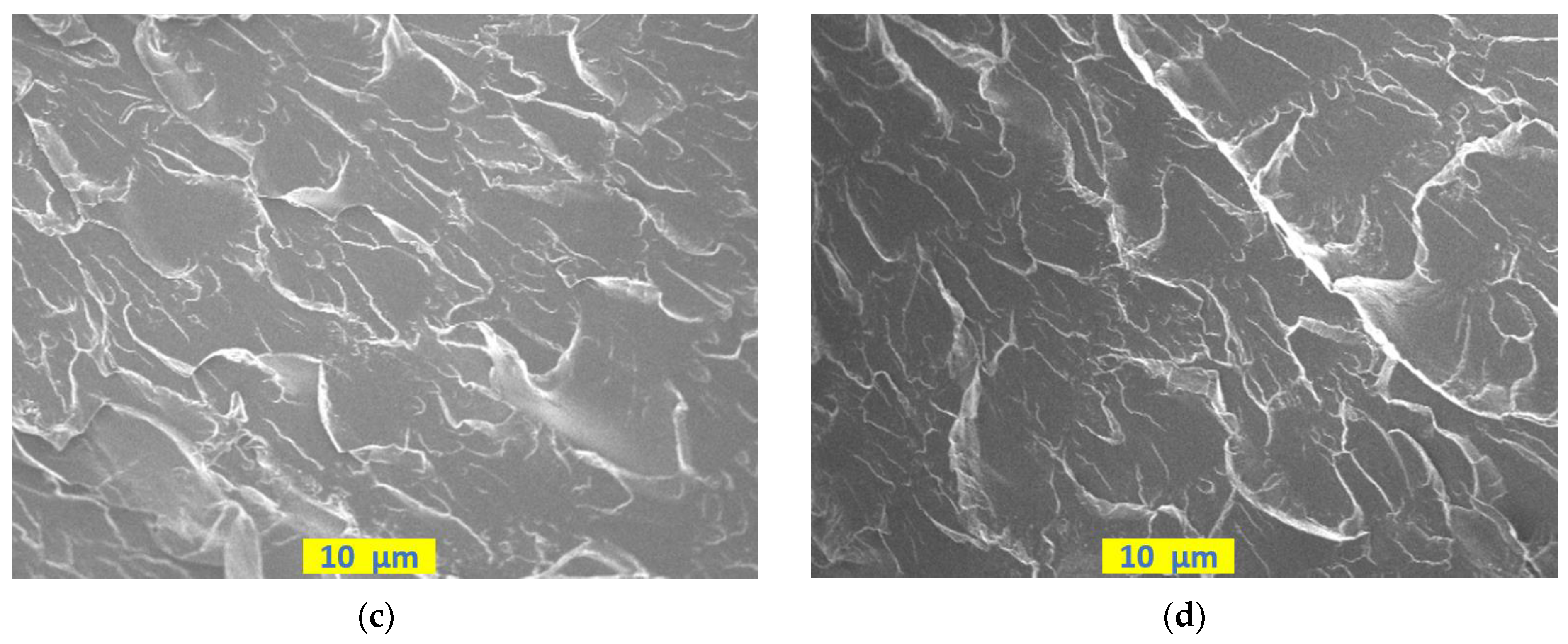
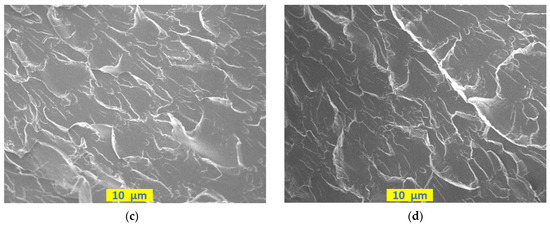
3.3. Tensile Properties of the Prepared Composites
3.4. Anticorrosion Performance of the Coated Rebars
3.5. Abrasion Resistance of the Coated Rebars
3.6. Direct Adhesion between Nanocomposite and Concrete Surface
4. Conclusions
- The micro-CT test was used to study the nanoparticle shape’s effect on the composite’s void fraction. The NS nanoparticles mitigated the voids in the coating matrix, while an increased void fraction was found in the specimen with the GNP. In the GNP-NS epoxy sample, the presence of NS nanofillers was able to mitigate the voids, which improved the intactness of the coating, leading to a better overall performance.
- The rebar protected by the GS-E coating had outstanding corrosion resistance even in severely corrosive environments. The GS-E coating acted as an intact layer to block the penetration of corrosive media.
- The abrasion resistance of the coating significantly improved after the GNP-NS additives were mixed, increasing 2.8 times compared to that of the neat epoxy. Thus, rebar coated with a GS-E coating will have a tougher surface with greater resistance against abrasion damage.
- The incorporation of GNP-NS nanoparticles led to the best mechanical properties, as these coatings had the highest tensile strength, ultimate strain, and Young’s modulus of all the tested samples. Additionally, the results from the adhesion test indicate that previous nanoreinforcement does not compromise the bonding in the interface between epoxy coating and the concrete surface.
Author Contributions
Funding
Institutional Review Board Statement
Informed Consent Statement
Data Availability Statement
Acknowledgments
Conflicts of Interest
References
- Kamde, D.; Pillai, R.G. Effect of surface preparation on corrosion of steel rebars coated with cement-polymer-composites (CPC) and embedded in concrete. Constr. Build. Mater. 2019, 237, 117616. [Google Scholar] [CrossRef]
- James, A.; Bazarchi, E.; Chiniforush, A.A.; Aghdam, P.P.; Hosseini, M.R.; Akbarnezhad, A.; Martek, I.; Ghodoosi, F. Rebar corrosion detection, protection, and rehabilitation of reinforced concrete structures in coastal environments: A review. Constr. Build. Mater. 2019, 126, 1026–1039. [Google Scholar] [CrossRef]
- Dong, S.; Zhao, B.; Lin, C.; Du, R.; Hu, R.; Zhang, G.X. Corrosion behavior of epoxy/zinc duplex coated rebar embedded in concrete in ocean environment. Constr. Build. Mater. 2012, 28, 72–78. [Google Scholar] [CrossRef]
- Sharma, N.; Sharma, S.; Sharma, S.; Mehta, R. Evaluation of corrosion inhibition and self healing capabilities of nanoclay and tung oil microencapsulated epoxy coatings on rebars in concrete. Constr. Build. Mater. 2020, 259, 120278. [Google Scholar] [CrossRef]
- Carvajal, A.M.; Vera, R.; Corvo, F.; Castañeda, A. Diagnosis and rehabilitation of real reinforced concrete structures in coastal areas. Corros. Eng. Sci. Technol. 2012, 47, 70–77. [Google Scholar] [CrossRef]
- Sadati, S.; Arezoumandi, M.; Shekarchi, M. Long-term performance of concrete surface coatings in soil exposure of marine environments. Constr. Build. Mater. 2015, 94, 656–663. [Google Scholar] [CrossRef]
- Qureshi, T.; Wang, G.; Mukherjee, S.; Islam, A.; Filleter, T.; Singh, C.V.; Panesar, D.K. Graphene-based anti-corrosive coating on steel for reinforced concrete infrastructure applications: Challenges and potential. Constr. Build. Mater. 2022, 351, 128947. [Google Scholar] [CrossRef]
- Wang, X.; Tang, F.; Cao, Q.; Qi, X.; Pan, H.; Lin, Z.; Battocchi, D. Nano-modified functional composite coatings for metallic structures: Part II—Mechanical and damage tolerance. Surf. Coat. Technol. 2020, 401, 126274. [Google Scholar] [CrossRef]
- Ge, T.; Zhao, W.; Wu, X.; Wu, Y.; Shen, L.; Ci, X.; He, Y. Design alternate epoxy-reduced graphene oxide/epoxy-zinc multilayer coatings for achieving long-term corrosion resistance for Cu. Mater. Des. 2019, 186, 108299. [Google Scholar] [CrossRef]
- Cui, M.; Ren, S.; Chen, J.; Liu, S.; Zhang, G.; Zhao, H.; Wang, L.; Xue, Q. Anticorrosive performance of waterborne epoxy coatings containing water-dispersible hexagonal boron nitride (h-BN) nanosheets. Appl. Surf. Sci. 2017, 397, 77–86. [Google Scholar] [CrossRef]
- Wang, X.; Pearson, M.; Pan, H.; Li, M.; Zhang, Z.; Lin, Z. Nano-modified functional composite coatings for metallic structures: Part I-Electrochemical and barrier behavior. Surf. Coat. Technol. 2020, 401, 126286. [Google Scholar] [CrossRef]
- Wang, X.; Tang, F.; Cao, Q.; Qi, X.; Pearson, M.; Li, M.; Pan, H.; Zhang, Z.; Lin, Z. Comparative Study of Three Carbon Additives: Carbon Nanotubes, Graphene, and Fullerene-C60, for Synthesizing Enhanced Polymer Nanocomposites. Nanomaterials 2020, 10, 838. [Google Scholar] [CrossRef] [PubMed]
- Yue, L.; Pircheraghi, G.; Monemian, S.A.; Manas-Zloczower, I. Epoxy composites with carbon nanotubes and graphene nanoplatelets—Dispersion and synergy effects. Carbon 2014, 78, 268–278. [Google Scholar] [CrossRef]
- Nuruddin, M.; Hosur, M.; Gupta, R.; Hosur, G.; Tcherbi-Narteh, A.; Jeelani, S. Cellulose Nanofibers-Graphene Nanoplatelets Hybrids Nanofillers as High-Performance Multifunctional Reinforcements in Epoxy Composites. Polym. Polym. Compos. 2017, 25, 273–284. [Google Scholar] [CrossRef]
- Kumar, A.; Kumar, K.; Ghosh, P.; Yadav, K. MWCNT/TiO2 hybrid nano filler toward high-performance epoxy composite. Ultrason. Sonochemistry 2018, 41, 37–46. [Google Scholar] [CrossRef]
- Hosur, M.; Mahdi, T.; Islam, M.; Jeelani, S. Mechanical and viscoelastic properties of epoxy nanocomposites reinforced with carbon nanotubes, nanoclay, and binary nanoparticles. J. Reinf. Plast. Compos. 2017, 36, 667–684. [Google Scholar] [CrossRef]
- Xie, X.-L.; Mai, Y.-W.; Zhou, X.-P. Dispersion and alignment of carbon nanotubes in polymer matrix: A review. Mater. Sci. Eng. R Rep. 2005, 49, 89–112. [Google Scholar] [CrossRef]
- Liu, S.; Gu, L.; Zhao, H.; Chen, J.; Yu, H. Corrosion Resistance of Graphene-Reinforced Waterborne Epoxy Coatings. J. Mater. Sci. Technol. 2016, 32, 425–431. [Google Scholar] [CrossRef]
- Wan, Y.-J.; Tang, L.-C.; Yan, D.; Zhao, L.; Li, Y.-B.; Wu, L.-B.; Jiang, J.-X.; Lai, G.-Q. Improved dispersion and interface in the graphene/epoxy composites via a facile surfactant-assisted process. Compos. Sci. Technol. 2013, 82, 60–68. [Google Scholar] [CrossRef]
- Kang, Y.; Chen, X.; Song, S.; Yu, L.; Zhang, P. Friction and wear behavior of nanosilica-filled epoxy resin composite coatings. Appl. Surf. Sci. 2012, 258, 6384–6390. [Google Scholar] [CrossRef]
- Conradi, M.; Kocijan, A.; Kek-Merl, D.; Zorko, M.; Verpoest, I. Mechanical and anticorrosion properties of nanosilica-filled epoxy-resin composite coatings. Appl. Surf. Sci. 2014, 292, 432–437. [Google Scholar] [CrossRef]
- Liu, H.-Y.; Wang, G.-T.; Mai, Y.-W.; Zeng, Y. On fracture toughness of nano-particle modified epoxy. Compos. Part B Eng. 2011, 42, 2170–2175. [Google Scholar] [CrossRef]
- Wang, X.; Tang, F.; Qi, X.; Lin, Z. Mechanical, electrochemical, and durability behavior of graphene nano-platelet loaded epoxy-resin composite coatings. Compos. Part B Eng. 2019, 176, 107103. [Google Scholar] [CrossRef]
- Kong, J.; Sun, J.; Tong, Y.; Dou, Q.; Wei, Y.; Thitsartarn, W.; Yeo, J.C.C.; He, C. Carbon nanotubes-bridged-fumed silica as an effective binary nanofillers for reinforcement of silicone elastomers. Compos. Sci. Technol. 2018, 169, 232–241. [Google Scholar] [CrossRef]
- Nikolaeva, A.L.; Gofman, I.V.; Yakimansky, A.V.; Ivan’kova, E.M.; Abalov, I.V.; Baranchikov, A.E.; Ivanov, V.K. Polyimide-Based Nanocomposites with Binary CeO2/Nanocarbon Fillers: Conjointly Enhanced Thermal and Mechanical Properties. Polymers 2020, 12, 1952. [Google Scholar] [CrossRef] [PubMed]
- Ramezanzadeh, B.; Haeri, Z. A facile route of making silica nanoparticles-covered graphene oxide nanohybrids (SiO2-GO); fabrication of SiO2-GO/epoxy composite coating with superior barrier and corrosion protection performance. Chem. Eng. J. 2016, 303, 511–528. [Google Scholar] [CrossRef]
- Wang, X.; Lin, Z. Morphologic and synergistic effects of GNP/NS binary-filler-based multifunctional coatings with robust anti-corrosion and hydrophobic properties. Prog. Org. Coat. 2021, 157, 106286. [Google Scholar] [CrossRef]
- Yang, S.; Liu, J.; Pan, F.; Yin, X.; Wang, L.; Chen, D.; Zhou, Y.; Xiong, C.; Wang, H. Fabrication of self-healing and hydrophilic coatings from liquid-like graphene@ SiO2 hybrids. Compos. Sci. Technol. 2016, 136, 133–144. [Google Scholar] [CrossRef]
- ASTM D638-14; Standard Test Method for Tensile Properties of Plastics. ASTM International: West Conshohocken, PA, USA, 2014. Available online: https://www.astm.org/d0638-14.html (accessed on 1 March 2023).
- ASTM B117-19; Standard Practice for Operating Salt Spray (Fog) Apparatus. ASTM International: West Conshohocken, PA, USA, 2019. Available online: https://www.astm.org/b0117-19.html (accessed on 1 March 2023).
- ASTM D968-22; Standard Test Methods for Abrasion Resistance of Organic Coatings by Falling Abrasive. ASTM International: West Conshohocken, PA, USA, 2022. Available online: https://www.astm.org/d0968-22.html (accessed on 1 March 2023).
- Tuteja, A.; Duxbury, P.M.; Mackay, M.E. Multifunctional Nanocomposites with Reduced Viscosity. Macromolecules 2007, 40, 9427–9434. [Google Scholar] [CrossRef]
- Jain, S.; Goossens, J.G.P.; Peters, G.W.M.; van Duin, M.; Lemstra, P.J. Strong decrease in viscosity of nanoparticle-filled polymer melts through selective adsorption. Soft Matter. 2008, 4, 1848–1854. [Google Scholar] [CrossRef]
- Lyon, S.; Bingham, R.; Mills, D. Advances in corrosion protection by organic coatings: What we know and what we would like to know. Prog. Org. Coat. 2017, 102, 2–7. [Google Scholar] [CrossRef]
- Ramezanzadeh, B.; Ghasemi, E.; Mahdavian, M.; Changizi, E.; Moghadam, M.M. Covalently-grafted graphene oxide nanosheets to improve barrier and corrosion protection properties of polyurethane coatings. Carbon 2015, 93, 555–573. [Google Scholar] [CrossRef]
- Liu, S.; Chevali, V.S.; Xu, Z.; Hui, D.; Wang, H. A review of extending performance of epoxy resins using carbon nanomaterials. Compos. Part B Eng. 2018, 136, 197–214. [Google Scholar] [CrossRef]
- Zakaria, M.R.; Kudus, M.H.A.; Akil, H.M.; Thirmizir, M.Z.M. Comparative study of graphene nanoparticle and multiwall carbon nanotube filled epoxy nanocomposites based on mechanical, thermal and dielectric properties. Compos. Part B Eng. 2017, 119, 57–66. [Google Scholar] [CrossRef]
- Wang, F.; Drzal, L.T.; Qin, Y.; Huang, Z. Mechanical properties and thermal conductivity of graphene nanoplatelet/epoxy composites. J. Mater. Sci. 2014, 50, 1082–1093. [Google Scholar] [CrossRef]
- Alsaadi, M.; Bulut, M.; Erkliğ, A.; Jabbar, A. Nano-silica inclusion effects on mechanical and dynamic behavior of fiber reinforced carbon/Kevlar with epoxy resin hybrid composites. Compos. Part B Eng. 2018, 152, 169–179. [Google Scholar] [CrossRef]
- Wang, X.; Qi, X.; Lin, Z.; Wang, J.; Gong, N. Electrochemical Characterization of the Soils Surrounding Buried or Embedded Steel Elements. Pipelines 2016, 2016, 110–116. [Google Scholar]
- Mukhopadhyay, P.; Gupta, R.K. Trends and frontiers in graphene-based polymer nanocomposites. Plast. Eng. 2011, 67, 32–42. [Google Scholar] [CrossRef]
- Alishahi, E.; Shadlou, S.; Rad, S.D.; Ayatollahi, M.R. Effects of Carbon Nanoreinforcements of Different Shapes on the Mechanical Properties of Epoxy-Based Nanocomposites. Macromol. Mater. Eng. 2012, 298, 670–678. [Google Scholar] [CrossRef]
- Fan, W.; Du, W.; Li, Z.; Dan, N.; Huang, J. Abrasion resistance of waterborne polyurethane films incorporated with PU/silica hybrids. Prog. Org. Coat. 2015, 86, 125–133. [Google Scholar] [CrossRef]
- Daniels, M.; Francis, L. Silane Adsorption Behavior, Microstructure, and Properties of Glycidoxypropyltrimethoxysilane-Modified Colloidal Silica Coatings. J. Colloid Interface Sci. 1998, 205, 191–200. [Google Scholar] [CrossRef] [PubMed]
- Alam, M.A.; Samad, U.A.; Alam, M.; Anis, A.; Al-Zahrani, S.M. Enhancement in Nanomechanical, Thermal, and Abrasion Properties of SiO2 Nanoparticle-Modified Epoxy Coatings. Coatings 2020, 10, 310. [Google Scholar] [CrossRef]
- Bharti, P.; Prusty, R.K.; Ray, B.C. Tribological, Mechanical, and Thermal Behavior of Titanium Dioxide and Graphene Nanoplatelet Embedded Epoxy Based Hybrid Nanocomposite. Polym. Sci. Ser. A 2022, 64, 504–518. [Google Scholar]
- Kim, D.; Chung, I.; Kim, G. Study on mechanical and thermal properties of fiber-reinforced Epoxy/Hybrid-silica composite. Fibers Polym. 2013, 14, 2141–2147. [Google Scholar] [CrossRef]














Disclaimer/Publisher’s Note: The statements, opinions and data contained in all publications are solely those of the individual author(s) and contributor(s) and not of MDPI and/or the editor(s). MDPI and/or the editor(s) disclaim responsibility for any injury to people or property resulting from any ideas, methods, instructions or products referred to in the content. |
© 2023 by the authors. Licensee MDPI, Basel, Switzerland. This article is an open access article distributed under the terms and conditions of the Creative Commons Attribution (CC BY) license (https://creativecommons.org/licenses/by/4.0/).
Share and Cite
Wang, X.; Cao, Q.; Tang, F.; Pan, H.; Chen, X.; Lin, Z. Mechanical Properties and Corrosion Behavior of Dual-Filler-Epoxy-Coated Steel Rebar under a Corrosive Environment. Coatings 2023, 13, 604. https://doi.org/10.3390/coatings13030604
Wang X, Cao Q, Tang F, Pan H, Chen X, Lin Z. Mechanical Properties and Corrosion Behavior of Dual-Filler-Epoxy-Coated Steel Rebar under a Corrosive Environment. Coatings. 2023; 13(3):604. https://doi.org/10.3390/coatings13030604
Chicago/Turabian StyleWang, Xingyu, Qi Cao, Fujian Tang, Hong Pan, Xi Chen, and Zhibin Lin. 2023. "Mechanical Properties and Corrosion Behavior of Dual-Filler-Epoxy-Coated Steel Rebar under a Corrosive Environment" Coatings 13, no. 3: 604. https://doi.org/10.3390/coatings13030604
APA StyleWang, X., Cao, Q., Tang, F., Pan, H., Chen, X., & Lin, Z. (2023). Mechanical Properties and Corrosion Behavior of Dual-Filler-Epoxy-Coated Steel Rebar under a Corrosive Environment. Coatings, 13(3), 604. https://doi.org/10.3390/coatings13030604

