Influence of Slag-Based Geopolymer Concrete on the Seismic Behavior of Exterior Beam Column Joints
Abstract
1. Introduction
2. Materials and Mixture Proportions
3. Experimental Investigation
3.1. Mehcanical Properties of Concrete
3.2. Flexural Behavior of the Beam Column Joints
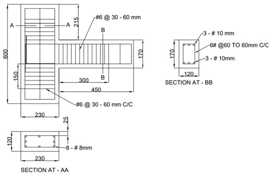
3.2.1. Specimen Details
3.2.2. Casting and Curing of Specimens
3.2.3. Experimental Setup and Testing Procedure
4. Results and Discussion
4.1. Compressive Strength
4.2. Split Tensile Strength
4.3. Beam Column Joints
4.4. Ductility
4.5. Energy Absorption Capacity
4.6. Mode of Failure
4.7. SEM and EDS of Geopolymer Concrete
5. Conclusions
- The maximum compressive strength and split tensile strength were obtained for GCF20G80; they were 54% and 60% higher than GCF100G0, respectively.
- The addition of fly ash and GGBS increased the ultimate strength, ductility, and energy dissipation capability. This demonstrates that binary blend geopolymer concrete may be utilized efficiently in beam column joints.
- The ductility factor for the beam column joint, with 20% fly ash and 80% GGBS (GCF20G80), had 22% higher ductility compared with the beam column joint comprising 100% fly ash.
- The cumulative energy dissipation of the GCF20G80 was improved by a maximum of 16.8% compared with the cumulative energy dissipation of the GCF100G0 specimen.
- Numerous cracks were identified in the GCF20G80 specimens, and the width of cracks was observed to be higher in the GCF100G0 specimens than the GCF20G80 specimens.
- It was found that by adding 80% GGBS to fly ash-based Geopolymer concrete, the mechanical characteristics of the concrete improved, and the production of the C-S-H gel increased, thus resulting in denser microstructures.
- SEM and EDS pictures demonstrate that the Geopolymer is tightly packed, and it has fewer pores; the pictures show that a partial replacement of fly ash with GGBS enhanced the mechanical characteristics of the GC. This was primarily caused by the production of additional geopolymeric gels.
- The microstructural study revealed that there were other crystalline state developments arising from different components, including Si, Ca, Al, and Na.
- A binary mixture of geopolymer concrete can be used as a superior alternative to traditional cement concrete for constructions that must withstand unforeseen events, such as earthquakes and wind stresses.
- By focusing on critical role areas, this report illuminated a path ahead for further research and the development of GC in the construction field. The use of GC will result in the sustainable utilization of industrial byproducts, and it can be employed as a novel cementitious material that produces lower CO2 emissions than standard concrete. More research on commercially accessible activator solutions is required to manufacture large quantities of GC and apply it to all ‘ready-mix’ concrete plants. The studies recommend using less than 20% fly ash for fly ash-GGBS-based GC.
Supplementary Materials
Author Contributions
Funding
Institutional Review Board Statement
Informed Consent Statement
Data Availability Statement
Conflicts of Interest
References
- McLellan, B.C.; Williams, R.P.; Lay, J.; Van Riessen, A.; Corder, G.D. Costs and carbon emissions for geopolymer pastes in comparison to ordinary portland cement. J. Clean. Prod. 2011, 19, 1080–1090. [Google Scholar] [CrossRef]
- Garcia-Lodeiro, I.; Palomo, A.; Fernández-Jiménez, A. Alkali—Aggregate reaction in activated flyash systems. Cem. Concr. Res. 2007, 37, 175–183. [Google Scholar] [CrossRef]
- Komljenović, M.; Baščarević, Z.; Bradić, V. Mechanical and microstructural properties of alkali-activated flyash geopolymers. J. Hazard. Mater. 2010, 181, 35–42. [Google Scholar] [CrossRef] [PubMed]
- Kong, D.L.Y.; Sanjayan, J.G. Damage behavior of geopolymer composites exposed to elevated temperatures. Cem. Concr. Compos. 2008, 30, 986–991. [Google Scholar] [CrossRef]
- Turner, L.K.; Collins, F.G. Carbon dioxide equivalent (CO2-e) emissions: A comparison between geopolymer and OPC cement concrete. Constr. Build. Mater. 2013, 43, 125–130. [Google Scholar] [CrossRef]
- Van Deventer, J.S.J.; Provis, J.L.; Duxson, P. Technical and commercial progress in the adoption of geopolymer cement. Miner. Eng. 2012, 29, 89–104. [Google Scholar] [CrossRef]
- Okoye, F.N. Geopolymer binder: A veritable alternative to Portland cement. Mater. Today Proc. 2017, 4, 5599–5604. [Google Scholar] [CrossRef]
- Maniarasan, S.K.; Kumar, V.S.; Chandrasekaran, P. Fly ash Based Self-Cleaning Geopolymer Concrete Using Nanotechnology-A Review. Int. J. Sci. Technol. Res. 2017, 9, 1631–1639. [Google Scholar]
- Bellum, R.R.; Muniraj, K.; Madduru, S.R.C. Influence of activator solution on microstructural and mechanical properties of geopolymer concrete. Materialia 2020, 10, 100659. [Google Scholar] [CrossRef]
- Ashveenkumar, P.; Preethi, M.; Prashanth, P. Mechanical properties of geopolymer concrete with varying cement content using flyash and ground granulated blast furnace slag. Int. J. Eng. Sci. Technol. 2021, 13, 57–64. [Google Scholar] [CrossRef]
- Verma, M.; Upreti, K.; Vats, P.; Singh, S.; Mishra, D.K.; Tiwari, B. Experimental Analysis of Geopolymer Concrete: A Sustainable and Economic Concrete Using the Cost Estimation Model. Adv. Mater. Sci. Eng. 2022, 2022, 16. [Google Scholar] [CrossRef]
- Al Bakri Abdullah, M.M.; Kamarudin, H.; Abdulkareem, O.A.K.A.; Ghazali, C.M.R.; Rafiza, A.R.; Norazian, M.N. Optimization of alkaline activator/flyash ratio on the compressive strength of manufacturing fly ash-based geopolymer. Appl. Mech. Mater. 2012, 110, 734–739. [Google Scholar]
- Waqas, R.M.; Butt, F.; Zhu, X.; Jiang, T.; Tufail, R.F. A Comprehensive Study on the Factors Affecting the Workability and Mechanical Properties of Ambient Cured Flyssh and Slag Based Geopolymer Concrete. Appl. Sci. 2021, 11, 8722. [Google Scholar] [CrossRef]
- Sridhar, J.; Jegatheeswaran, D.; Dash, B. Mechanical Properties of Latex Modified Nylon Fibre Reinforced Concrete with Partial Replacement of Cement by Flyash. Eco. Env. Con. 2022, 11, S164–S169. [Google Scholar] [CrossRef]
- Ryu, G.S.; Lee, Y.B.; Koh, K.T.; Chung, Y.S. The mechanical properties of flyash-based geopolymer concrete with alkaline activators. Constr. Build. Mater. 2013, 47, 409–418. [Google Scholar] [CrossRef]
- Ramujee, K.; PothaRaju, M. Mechanical properties of geopolymer concrete composites. Mater. Today Proc. 2017, 4, 2937–2945. [Google Scholar] [CrossRef]
- Lv, Q.; Yu, J.; Ji, F.; Gu, L.; Chen, Y.; Shan, X. Mechanical Property and Microstructure of Flyash-Based Geopolymer Activated by Sodium Silicate. KSCE J. Civ. Eng. 2021, 25, 1765–1777. [Google Scholar] [CrossRef]
- Kumar, V.S.; Ganesan, N.; Indira, P. Effect of molarity of sodium hydroxide and curing method on the compressive strength of ternary blend geopolymer concrete. IOP Conf. Ser. Earth Environ. Sci. 2017, 80, 12011. [Google Scholar] [CrossRef]
- Karuppannan, M.S.; Palanisamy, C.; Farook, M.S.M.; Natarajan, M. Study on flyash and GGBS based oven cured geopolymer concrete. AIP Conf. Proc. 2020, 2240, 60001. [Google Scholar]
- Sharmila, S.; Maniarasan, S.; Venkatachalam, S. Experimental Study on Strength Assessment of Flyash based Geopolymer Matrix. Int. Res. J. Eng. Technol. 2019, 6, 989–993. [Google Scholar]
- Zulfiati, R.; Idris, Y. Mechanical properties of flyash-based geopolymer with natural fiber. J. Phys. Conf. Ser. 2019, 1198, 82021. [Google Scholar] [CrossRef]
- Kumar, V.S.; Ganesan, N.; Indira, P.V.; Murali, G.; Vatin, N.I. Flexural Behaviour of Hybrid Fibre-Reinforced Ternary Blend Geopolymer Concrete Beams. Sustainability 2022, 14, 5954. [Google Scholar] [CrossRef]
- Saranya, P.; Nagarajan, P.; Shashikala, A.P. Performance evaluation of geopolymer concrete beams under monotonic loading. Structures 2019, 20, 560–569. [Google Scholar] [CrossRef]
- Raj, S.D.; Ganesan, N.; Abraham, R.; Raju, A. Behavior of geopolymer and conventional concrete beam column joints under reverse cyclic loading. Adv. Concr. Constr. 2016, 4, 161. [Google Scholar] [CrossRef]
- Kumar, P.; Mahakavi, P.; Priya, S. Experimental Study on Structural Behaviour of Beam Column Joint Using Geo-Polymer Concrete. Int. J. Civ. Eng. Technol. 2017, 8, 688. [Google Scholar]
- Mao, Y.; Hwang, H.-J.; Du, Y.; Su, J.; Hu, X.; Liu, Y.; Shi, C. Bond and anchorage performance of beam flexural bars in beam-column joints using slag-based geopolymer concrete and their effect on seismic performance. Eng. Struct. 2022, 273, 115062. [Google Scholar] [CrossRef]
- Kumar, V.S.; Ganesan, N.; Indira, P.V.; Murali, G.; Vatin, N.I. Behaviour of Hybrid Fibre-Reinforced Ternary Blend Geopolymer Concrete Beam-Column Joints under Reverse Cyclic Loading. Polymers 2022, 14, 2239. [Google Scholar] [CrossRef]
- Saranya, P.; Nagarajan, P.; Shashikala, A.P. Seismic performance of geopolymer concrete beam-column joints under reverse cyclic loading. Innov. Infrastruct. Solut. 2021, 6, 1–10. [Google Scholar] [CrossRef]
- Raj, S.D.; Ramachandran, A. Performance of hybrid fibre reinforced geopolymer concrete beams. SN Appl. Sci. 2019, 1, 1–8. [Google Scholar]
- Mao, Y.; Du, Y.; Hwang, H.; Su, J.; Hu, X.; Liu, Y.; Shi, C. Seismic performance of interior beam-column joints using reinforced slag-based geopolymer concrete. Earthq. Eng. Struct. Dyn. 2022, 52, 285–307. [Google Scholar] [CrossRef]
- IS 10262; Concrete Mix Proportioning-Guidelines. Bureau of Indian Standards: New Delhi, India, 2019.
- IS 2386 (Part III); Methods of Test for Aggregates for concrezte, Part 3 Specific Gravity, Density, Voids, Voids, Absorption and Bulking. Bureau of Indian Standards: New Delhi, India, 1963.
- Anuradha, R.; Sreevidya, V.; Venkatasubramani, R.; Rangan, B.V. Modified guidelines for geopolymer concrete mix design using Indian standard. Asian J. Civ. Eng. 2012, 13, 353–364. [Google Scholar]
- IS 13920; Ductile Detailing of Reinforced Concrete Structures Subjected to Seismic Forces: Code of Practice. Bureau of Indian Standards: New Delhi, India, 1993.
- Shariq, M.; Prasad, J.; Masood, A. Effect of GGBFS on time dependent compressive strength of concrete. Constr. Build. Mater. 2010, 24, 1469–1478. [Google Scholar] [CrossRef]
- Nurul Aida Mohd Mortar; Kamarudin, H.; Rafiza, R.A.; Meor, T.; Rosnita, M. Compressive Strength of Fly Ash Geopolymer Concrete by Varying Sodium Hydroxide Molarity and Aggregate to Binder Ratio. IOP Conf. Ser. Mater. Sci. Eng. 2020, 864, 012037. [Google Scholar] [CrossRef]















| Binders | SiO₂ | Al₂O₃ | Fe₂O₃ | CaO | MgO | TiO₂ | SO₃ | LOI |
|---|---|---|---|---|---|---|---|---|
| Fly ash | 65.6 | 28.0 | 3.0 | 1.0 | 1.0 | 0.5 | 0.25 | 0.29 |
| GGBS | 30.61 | 16.24 | 0.584 | 34.48 | 6.79 | - | 1.85 | 2.5 |
| Mix Designation | Fly Ash (kg/m³) | GGBS (kg/m³) | Fine Aggregate (kg/m³) | Coarse Aggregate (kg/m³) | Na₂SiO₃ (g/m³) | NaOH (g/m³) |
|---|---|---|---|---|---|---|
| GCF100G0 | 500 | 0 | 800 | 1425 | 180 | 72 |
| GCF80G20 | 400 | 100 | 800 | 1425 | 180 | 72 |
| GCF60G40 | 300 | 200 | 800 | 1425 | 180 | 72 |
| GCF40G60 | 200 | 300 | 800 | 1425 | 180 | 72 |
| GCF20G80 | 100 | 400 | 800 | 1425 | 180 | 72 |
| GCF0G100 | 0 | 500 | 800 | 1425 | 180 | 72 |
| Mix Designation | First Crack Load (kN) | Ultimate Load | Deflection at Ultimate Load | Ductility | ||
|---|---|---|---|---|---|---|
| Forward Cycle (kN) | Reverse Cycle (kN) | Forward Cycle (kN) | Reverse Cycle (kN) | |||
| GCF100G0 | 13.5 | 27 | 22.5 | 6.66 | 10.51 | 3.22 |
| GCF20G80 | 13.5 | 27 | 18 | 9.24 | 14.54 | 4.49 |
Disclaimer/Publisher’s Note: The statements, opinions and data contained in all publications are solely those of the individual author(s) and contributor(s) and not of MDPI and/or the editor(s). MDPI and/or the editor(s) disclaim responsibility for any injury to people or property resulting from any ideas, methods, instructions or products referred to in the content. |
© 2023 by the authors. Licensee MDPI, Basel, Switzerland. This article is an open access article distributed under the terms and conditions of the Creative Commons Attribution (CC BY) license (https://creativecommons.org/licenses/by/4.0/).
Share and Cite
Maniarasan, S.K.; Chandrasekaran, P.; Jayaprakash, S.; Ravindran, G. Influence of Slag-Based Geopolymer Concrete on the Seismic Behavior of Exterior Beam Column Joints. Sustainability 2023, 15, 2327. https://doi.org/10.3390/su15032327
Maniarasan SK, Chandrasekaran P, Jayaprakash S, Ravindran G. Influence of Slag-Based Geopolymer Concrete on the Seismic Behavior of Exterior Beam Column Joints. Sustainability. 2023; 15(3):2327. https://doi.org/10.3390/su15032327
Chicago/Turabian StyleManiarasan, Settiannan Karuppannan, Palanisamy Chandrasekaran, Sridhar Jayaprakash, and Gobinath Ravindran. 2023. "Influence of Slag-Based Geopolymer Concrete on the Seismic Behavior of Exterior Beam Column Joints" Sustainability 15, no. 3: 2327. https://doi.org/10.3390/su15032327
APA StyleManiarasan, S. K., Chandrasekaran, P., Jayaprakash, S., & Ravindran, G. (2023). Influence of Slag-Based Geopolymer Concrete on the Seismic Behavior of Exterior Beam Column Joints. Sustainability, 15(3), 2327. https://doi.org/10.3390/su15032327

