Sign in to use this feature.

Years

Between: -

Subjects

remove_circle_outline
remove_circle_outline
remove_circle_outline
remove_circle_outline
remove_circle_outline
remove_circle_outline
remove_circle_outline

Journals

Article Types

Countries / Regions

Search Results (12)

Search Parameters:
Keywords = air-type PVT collector

Order results
Result details
Results per page
Select all
Export citation of selected articles as:
34 pages, 2322 KB  
Review
Photovoltaic-Thermal (PVT) Solar Collector and System Overview
by Sahand Hosouli, Mansoureh Aliakbari, Forough Raeisi, Muhammad Talha Jahangir, João Gomes, Damu Murali and Iván P. Acosta Pazmiño
Energies 2025, 18(21), 5643; https://doi.org/10.3390/en18215643 - 27 Oct 2025
Cited by 1 | Viewed by 3003
Abstract
Photovoltaic-thermal (PVT) solar collector technologies are considered a highly efficient solution for sustainable energy generation, capable of producing electricity and heat simultaneously. This paper reviews and discusses different aspects of PVT collectors, including fundamental principles, materials, diverse classifications, such as air-type and water-type, [...] Read more.
Photovoltaic-thermal (PVT) solar collector technologies are considered a highly efficient solution for sustainable energy generation, capable of producing electricity and heat simultaneously. This paper reviews and discusses different aspects of PVT collectors, including fundamental principles, materials, diverse classifications, such as air-type and water-type, and different cooling mechanisms to boost their performance, such as nano-fluids, Phase Change Materials (PCMs), and Thermoelectric Generators (TEGs). At the system level, this paper analyses PVT technologies’ integration in buildings and industrial applications and gives a comprehensive market overview. The methodology focused on evaluating advancements in design, thermal management, and overall system efficiency based on existing literature published from 2010 to 2025. From the findings of various studies, water-based PVT systems provide electrical efficiencies ranging from 8% to 22% and thermal efficiencies between 30% and 70%, which are almost always higher than air-based alternatives. Innovations, including nanofluids, phase change materials, and hybrid topologies, have improved energy conversion and storage. Market data indicates growing adoption in Europe and Asia, stressing significant investments led by Sunmaxx, Abora Solar, Naked Energy, and DualSun. Nonetheless, obstacles to PVT arise regarding aspects such as cost, design complexity, lack of awareness, and economic incentives. According to the findings of this study, additional research is required to reduce the operational expenses of such systems, improve system integration, and build supportive policy frameworks. This paper offers guidance on PVT technologies and how they can be integrated into different setups based on current normativity and regulatory frameworks. Full article
Show Figures

Figure 1

23 pages, 4202 KB  
Article
Performance Analysis and Optimization of a Channeled Photovoltaic Thermal System with Fin Absorbers and Combined Bi-Fluid Cooling
by Hamza Nasri, Jamel Riahi, Hatem Oueslati, Hichem Taghouti and Silvano Vergura
Computation 2024, 12(9), 188; https://doi.org/10.3390/computation12090188 - 15 Sep 2024
Cited by 3 | Viewed by 1983
Abstract
The conversion efficiency of photovoltaic (PV) cells can be increased by reducing high temperatures with appropriate cooling. Passive cooling systems using air, water, ethylene glycol, and air/water+TiO2 nano bi-fluid froth in the duct channel have been studied, but an overall assessment is [...] Read more.
The conversion efficiency of photovoltaic (PV) cells can be increased by reducing high temperatures with appropriate cooling. Passive cooling systems using air, water, ethylene glycol, and air/water+TiO2 nano bi-fluid froth in the duct channel have been studied, but an overall assessment is essential for its possible application. In the present work, a numerical study is adopted to investigate the impact of the fluid-duct channel type on the electrical and thermal efficiency of the photovoltaic thermal (PVT) collector. Such investigation is achieved by means of a MATLAB R2022b code based on the Runge–Kutta (RK4) method. Four kinds of fluid duct channels are used to optimize the best fluid for improving the overall efficiency of the investigated PVT system. The numerical validation of the proposed model has been made by comparing the numerical and experimental results reported in the literature. The outcomes indicate that varying the duct channel nature affects mainly the electrical and thermal efficiency of the PVT collector. Our results validate that the nature of the fluid affects weakly the electrical efficiency, whereas the thermal efficiency is strongly affected. Accordingly, it is observed that PVT collectors based on nano bi-fluid air/water+TiO2 give the best performance. In this context, an appreciable increase in the overall efficiency of 22% is observed when the water+TiO2 fluid is substituted by air/ water+TiO2 nano bi-fluid. Therefore, these motivating results make the PVT nano bi-fluid efficient and suitable for solar photovoltaic thermal applications since this system exhibits a daily overall efficiency of about 56.96%. The present work proves that controlling the design, cooling technique, and nature of the cooling fluid used is a crucial factor for improving the electrical, thermal, and overall efficiency of the PVT systems. Full article
(This article belongs to the Section Computational Engineering)
Show Figures

Graphical abstract

19 pages, 3969 KB  
Article
Influence of Triangle-Shaped Obstacles on the Energy and Exergy Performance of an Air-Cooled Photovoltaic Thermal (PVT) Collector
by Byeong-Hwa An, Kwang-Hwan Choi and Hwi-Ung Choi
Sustainability 2022, 14(20), 13233; https://doi.org/10.3390/su142013233 - 14 Oct 2022
Cited by 12 | Viewed by 2504
Abstract
A photovoltaic thermal (PVT) collector is a type of solar collector that can simultaneously produce electrical and thermal energy from solar energy. In this research, the daily and annual performances of an air-cooled PVT collector with triangle-shaped obstacles were investigated and compared with [...] Read more.
A photovoltaic thermal (PVT) collector is a type of solar collector that can simultaneously produce electrical and thermal energy from solar energy. In this research, the daily and annual performances of an air-cooled PVT collector with triangle-shaped obstacles were investigated and compared with those of a conventional air-cooled PVT collector. Based on the thermal circuit model, a numerical model of the air-cooled PVT collector containing triangle-shaped obstacles has been developed and validated using experimental results. A typical meteorological year’s weather data from Ulsan, Korea was used as the weather data. From the results, it was seen that the daily average thermal, electrical, and overall energy and exergy efficiencies for the PVT collector with triangle-shaped obstacles were 24.73%, 15.59%, 62.83%, and 15.57%, respectively, while those values of conventional PVT collector were 17.08%, 15.30%, 54.47%, and 15.13%, respectively. The results also showed that the annual energy and exergy outputs of the PVT collector with triangle-shaped obstacles were 12.84% and 1.98% greater than those of the conventional air-cooled PVT collector. From these results, it was clearly confirmed that the triangle-shaped obstacles can enhance the energy and exergy outputs of the air-cooled PVT collector. Full article
(This article belongs to the Collection Solar Energy Utilization and Sustainable Development)
Show Figures

Graphical abstract

24 pages, 7104 KB  
Article
Performance Assessment of an Air-Type BIPVT Collector with Perforated Baffles through Indoor and Outdoor Experiments
by Jin-Hee Kim, Ji-Suk Yu, Erin Gaucher-Loksts, Benjamin Roy, Véronique Delisle and Jun-Tae Kim
Energies 2022, 15(10), 3779; https://doi.org/10.3390/en15103779 - 20 May 2022
Cited by 7 | Viewed by 2180
Abstract
The performance of air-type PVT and BIPVT collectors has been extensively studied. As a system that generates heat and power, PVT collector testing has some particularities especially when using air as a heat recovery fluid and a building-integrated design (BIPVT). The electrical and [...] Read more.
The performance of air-type PVT and BIPVT collectors has been extensively studied. As a system that generates heat and power, PVT collector testing has some particularities especially when using air as a heat recovery fluid and a building-integrated design (BIPVT). The electrical and thermal experimental performance of such collectors are currently being evaluated using in-house methods or PV and/or solar thermal collector standards. The use of a wide range of methods, testing conditions and experimental setups makes it difficult not only to compare the performance of different designs, but also to have confidence in the results obtained. This study evaluates the performance of an air-type BIPVT collector with in-channel perforated baffle plates for heat transfer enhancement designed for a building-integrated façade. As part of a joint research project between Korea and Canada, the proposed collector’s performance was evaluated through indoor (Canada) and outdoor experiments (Korea). Limited comparison of the results obtained with the two testing methods could be performed due to differences in environmental testing conditions, BIPVT collector area and experimental setup. Nevertheless, the limited measurement points under comparable testing conditions indicate that the results from the indoor and outdoor experiments have a similar trend. A comparison between the studied collector having a full PV absorber and a BIPVT collector with a hybrid PV/solar thermal collector absorber using a similar indoor experimental setup and testing conditions was performed. It showed that under still air conditions, for an irradiance level of approximately 820 W/m2 and with a low flow rate, the BIPVT collector with a hybrid PV/solar thermal absorber has a thermal and electrical efficiency of 25.1% and 5.9%, respectively. Under similar conditions, the BIPVT collector with a full PV absorber has a thermal efficiency of 23.9% and an electrical efficiency of 13.5%. At higher flowrates, both units have similar thermal efficiencies, however, the BIPVT collector with a PV absorber remains with an electrical efficiency that is more than double that of the unit with a hybrid PV/solar thermal absorber. Full article
Show Figures

Figure 1

12 pages, 5005 KB  
Article
Simulation and Performance Analysis of Air-Type PVT Collector with Interspaced Baffle-PV Cell Design
by Jong-Gwon Ahn, Ji-Suk Yu, Fred Edmond Boafo, Jin-Hee Kim and Jun-Tae Kim
Energies 2021, 14(17), 5372; https://doi.org/10.3390/en14175372 - 29 Aug 2021
Cited by 12 | Viewed by 3160
Abstract
A Photovoltaic Thermal (PVT) collector produces heat and electricity simultaneously. Air-type PVT collector uses air as a transfer medium to take heat from PV back side surface. The performance of the air-type PVT collector is affected by design elements such as PV types, [...] Read more.
A Photovoltaic Thermal (PVT) collector produces heat and electricity simultaneously. Air-type PVT collector uses air as a transfer medium to take heat from PV back side surface. The performance of the air-type PVT collector is affected by design elements such as PV types, inside structures in heat collecting space (baffle or fins), the shape of the air pathway, etc. In this study, an advanced air-type PVT collector was designed with curved baffles (absorber) to improve thermal performance. Within the air-type PVT collector, PV cells were arranged in an interspaced design, and the curved baffles were located in the collecting space to increase heat efficiently. The absorber received solar radiation directly and was utilized as baffles for improving thermal performance. The air-type PVT collector was fabricated and tested in an outdoor environment considering the climatic conditions of Daejeon, Republic of Korea. In addition, based on experiment parameters and data, the annual thermal and electrical performances of the system were analyzed by simulation modeling using the TRNSYS program. Thermal and electrical efficiencies were 37.1% and 6.4% (according to module area) for outdoor test conditions, respectively. Numerical and experimental results were in good agreement with an error of 4% and 0.24% for thermal and electrical efficiencies, respectively. Annual heat gain was 644 kWh th/year, and generated power was 118 kWh el/year. Full article
(This article belongs to the Special Issue Building Energy and Environment)
Show Figures

Graphical abstract

13 pages, 2218 KB  
Article
An Experimental Study on the Energy and Exergy Performance of an Air-Type PVT Collector with Perforated Baffle
by Jin-Hee Kim, Ji-Suk Yu and Jun-Tae Kim
Energies 2021, 14(10), 2919; https://doi.org/10.3390/en14102919 - 18 May 2021
Cited by 34 | Viewed by 3828
Abstract
BIPV (Building Integrated Photovoltaic) system is a building envelope technology that generates energy by converting solar energy into electricity. However, after producing electrical energy, the remaining solar energy is transferred as heat, raising the temperature at the rear of the BIPV module, and [...] Read more.
BIPV (Building Integrated Photovoltaic) system is a building envelope technology that generates energy by converting solar energy into electricity. However, after producing electrical energy, the remaining solar energy is transferred as heat, raising the temperature at the rear of the BIPV module, and reducing electrical efficiency. On the other hand, a PVT (Photovoltaic Thermal) collector is a device that generates electricity from a PV module and at the same time uses the heat transferred to the air layer inside the collector. In general, the performance of air-type PVT collectors is based on energy analysis using the first law of thermodynamics. Since this performance does not take into account the loss amount, it is not the actual amount of power generation and preheat of the collector that can be used. Therefore, an exergy analysis based on the second law of thermodynamics considering the amount of energy loss must be performed. In this paper, an air-type PVT collector to which perforated baffles were applied was tested through outdoor experiments based on ISO 9806 standard. The total energy (thermal and electrical characteristics) and exergy according to the flow rate (100, 150, and 200 m3/h), solar radiation, and rear temperature of the PV module of the air-type PVT collector were analyzed. As a result, the total exergy efficiency of the air-type PVT collector with perforated baffles was 24.8–30.5% when the total energy efficiency was 44.1–63.3%. Full article
(This article belongs to the Special Issue Research on Hybrid Solar Photovoltaic/Thermal (PV/T) System)
Show Figures

Figure 1

10 pages, 1502 KB  
Article
Experimental Performance of an Advanced Air-Type Photovoltaic/Thermal (PVT) Collector with Direct Expansion Air Handling Unit (AHU)
by Jin-Hee Kim, Sang-Myung Kim and Jun-Tae Kim
Sustainability 2021, 13(2), 888; https://doi.org/10.3390/su13020888 - 17 Jan 2021
Cited by 13 | Viewed by 3872
Abstract
In addition to electrical energy generation, photovoltaic/thermal (PVT) systems utilize heat from building-integrated photovoltaic (BIPV) modules for domestic hot water and space heating. In other words, a PVT system can improve the electricity efficiency of BIPVs while using the waste heat of BIPVs [...] Read more.
In addition to electrical energy generation, photovoltaic/thermal (PVT) systems utilize heat from building-integrated photovoltaic (BIPV) modules for domestic hot water and space heating. In other words, a PVT system can improve the electricity efficiency of BIPVs while using the waste heat of BIPVs as a source of thermal energy for the building. By generating thermal and electrical energies simultaneously, PVT systems can improve the utilization of solar energy while enhancing the energy performance of buildings. To optimize the performance of an air-type PVT collector, it is necessary for the system to extract more heat from the PV module. Consequently, this approach decreases PV temperature to improve PV electrical energy generation. The thermal and electrical performance of an air-type PVT collector depends on its design, which affects airflow and heat transfer. Moreover, the performances of the PVT collector can differ according to the coupled facility in the building. In this study, the thermal and electrical performances of an advanced air-type PVT collector with a direct expansion air handling unit (AHU) were analyzed experimentally. For this purpose, six prototypes of an advanced air-type PVT collector were developed. Furthermore, a direct expansion AHU with a heat recovery exchanger (HRX) was designed and built. The advanced PVT collectors with a total capacity of 740 Wp were installed in an experimental house and were coupled to the direct expansion AHU system with a maximum airflow of 700 CMH. The performance of PVT collectors was analyzed and compared with the BIPV system. Results showed that building-integrated photovoltaic/thermal (BIPVT) collectors produced 30 W more power than the BIPV system. When operating the AHU system, the temperature of the BIPVT collector was generally lower than the BIPV. The maximum difference in temperature between BIPVT and BIPV was about 22 °C. During winter season, the BIPVT collector supplied preheated air to the AHU. The supplied air temperature from the BIPVT collector reached 32 °C, which was 15 °C higher than outdoor air temperature. Full article
(This article belongs to the Special Issue ZEMCH International Research 2020)
Show Figures

Figure 1

13 pages, 2798 KB  
Article
Effect of Triangular Baffle Arrangement on Heat Transfer Enhancement of Air-Type PVT Collector
by Ji-Suk Yu, Jin-Hee Kim and Jun-Tae Kim
Sustainability 2020, 12(18), 7469; https://doi.org/10.3390/su12187469 - 10 Sep 2020
Cited by 27 | Viewed by 4481
Abstract
A Photovoltaic Thermal (PVT) Collector is a device that produces electricity and simultaneously uses a heat source transmitted to back side of the Photovoltaic (PV). The PVT collector is categorized into liquid-type and air-type according to the heating medium. As an advantage, air-type [...] Read more.
A Photovoltaic Thermal (PVT) Collector is a device that produces electricity and simultaneously uses a heat source transmitted to back side of the Photovoltaic (PV). The PVT collector is categorized into liquid-type and air-type according to the heating medium. As an advantage, air-type PVT system is easy to manage and can be directly used for heating purposes. The performance of air-type PVT collector is determined by various factors, such as the height of air gap and air flow path (by baffles) in the collector. Baffles are installed in the PVT collector to improve the thermal performance of the collector by generating turbulence. However, the air flow that affects the performance of the PVT collector can vary depending on the number and placement of the baffles. Thus, the flow design using baffles in the collector is important. In this study, the performance of an air-type PVT collector due to the arrangement of triangular baffles and air gap height at the back of the PV module is analyzed through a simulation program. For this purpose, Computational Fluid Dynamics (CFD) analysis was performed with an NX program to compare and analyze the optimum conditions to improve the performance of the collector. Full article
(This article belongs to the Special Issue ZEMCH International Research 2020)
Show Figures

Figure 1

18 pages, 3832 KB  
Article
Modelling of a Single Passage Air PV/T Solar Collector: Experimental and Simulation Design
by Noran Nur Wahida Khalili, Mahmod Othman, Mohd Nazari Abu Bakar and Lazim Abdullah
Processes 2020, 8(7), 763; https://doi.org/10.3390/pr8070763 - 29 Jun 2020
Cited by 9 | Viewed by 4032
Abstract
The hybrid photovoltaic/thermal solar collector has attracted research attention for more than five decades. Its capability to produce thermal energy simultaneously with electrical energy is considered attractive since it provides higher total efficiency than stand-alone photovoltaic or thermal systems separately. This paper describes [...] Read more.
The hybrid photovoltaic/thermal solar collector has attracted research attention for more than five decades. Its capability to produce thermal energy simultaneously with electrical energy is considered attractive since it provides higher total efficiency than stand-alone photovoltaic or thermal systems separately. This paper describes theoretical and experimental studies of a finned single pass air-type photovoltaic/thermal (PV/T) solar collector. The performance of the system is calculated based on one dimensional (1D) steady-state analysis using one dimensional energy balance equations, where simulation was carried out using MATLAB. Experiments were carried out to observe the performance of the solar collector under changes in air mass flow rate. Experimental values on photovoltaic panel temperature and air temperature on both air inlet and outlet, together with the ambient temperature and solar radiation were measured. The simulation results were validated against the results obtained from experiments using the error analysis method, Root Mean Square Error. At a solar irradiance level of 800 to 900 W/m2, the thermal efficiency increases to 20.32% while the electrical efficiency increases to 12.01% when the air mass flow rate increases from 0.00015 kg/s to 0.01 kg/s. The error analysis shows that both experimental and simulation results are in good agreement. Full article
Show Figures

Figure 1

16 pages, 6608 KB  
Article
A Study on the Thermal Performance of Air-Type BIPVT Collectors Applied to Demonstration Building
by Ji-Suk Yu, Jin-Hee Kim and Jun-Tae Kim
Energies 2019, 12(16), 3120; https://doi.org/10.3390/en12163120 - 14 Aug 2019
Cited by 13 | Viewed by 4004
Abstract
Research on existing air-type PVT (photovoltaic/thermal) collectors has mainly focused on improving the efficiency of the collector itself and on using the energy produced by the collector in heating and cooling facilities and building energy. The first consideration in an air-type PVT system [...] Read more.
Research on existing air-type PVT (photovoltaic/thermal) collectors has mainly focused on improving the efficiency of the collector itself and on using the energy produced by the collector in heating and cooling facilities and building energy. The first consideration in an air-type PVT system applied to a building facade is the collector arrangement and the flow path considering the collector performance. It is necessary to design the flow inside the air-type BIPVT (building integrated photovoltaic/thermal) collector so that it runs smoothly so as not to cause a dead space and a pressure drop inside the collector, which deteriorate the thermal performance. This study analyzed the thermal characteristics of an air-type BIPVT collector applied to a demonstration building (educational buildings) according to the air flow path and inlet opening ratio. For this purpose, the uniformity of the airflow in the collector was compared through the NX computational fluid dynamics (CFD) program, and the acquired thermal calories and thermal efficiency of the BIPVT collector were compared and analyzed. Based on the simulation results, the temperature and thermal characteristics of the BIPVT collector were compared. Full article
(This article belongs to the Section A2: Solar Energy and Photovoltaic Systems)
Show Figures

Figure 1

19 pages, 4824 KB  
Article
Nanofluid-Powered Dual-Fluid Photovoltaic/Thermal (PV/T) System: Comparative Numerical Study
by M. Imtiaz Hussain, Jin-Hee Kim and Jun-Tae Kim
Energies 2019, 12(5), 775; https://doi.org/10.3390/en12050775 - 26 Feb 2019
Cited by 41 | Viewed by 6037
Abstract
A limited number of studies have examined the effect of dual-fluid heat exchangers used for the cooling of photovoltaic (PV) cells. The current study suggests an explicit dynamic model for a dual-fluid photovoltaic/thermal (PV/T) system that uses nanofluid and air simultaneously. Mathematical modeling [...] Read more.
A limited number of studies have examined the effect of dual-fluid heat exchangers used for the cooling of photovoltaic (PV) cells. The current study suggests an explicit dynamic model for a dual-fluid photovoltaic/thermal (PV/T) system that uses nanofluid and air simultaneously. Mathematical modeling and a CFD simulation were performed using MATLAB® and ANSYS FLUENT® software, respectively. An experimental validation of the numerical models was performed using the results from the published study. Additionally, to identify the optimal nanofluid type for the PV/T collector, metal oxide nanoparticles (CuO, Al2O3, and SiO2) with different concentrations were dispersed in the base fluid (water). The results revealed that the CuO nanofluid showed the highest thermal conductivity and the best thermal stability compared to the other two nanofluids evaluated herein. Furthermore, the influence of CuO nanofluid in combination with air on the heat transfer enhancement is investigated under different flow regions such as laminar, transition, and turbulent. Using a CuO nanofluid plus air and water plus air the total equivalent efficiency was found to be 90.3% and 79.8%, respectively. It is worth noting that the proposed models could efficiently simulate both single and dual-fluid PV/T systems even under periods of fluctuating irradiance. Full article
(This article belongs to the Special Issue Hybrid Solar Photovoltaic / Thermal (PVT) Collectors)
Show Figures

Figure 1

15 pages, 3901 KB  
Article
Demonstration of the Performance of an Air-Type Photovoltaic Thermal (PVT) System Coupled with a Heat-Recovery Ventilator
by Jin-Hee Kim, Jong-Gwon Ahn and Jun-Tae Kim
Energies 2016, 9(9), 728; https://doi.org/10.3390/en9090728 - 9 Sep 2016
Cited by 22 | Viewed by 6814
Abstract
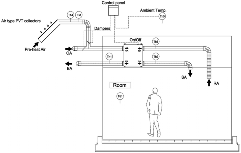
A heat-recovery ventilator (HRV) effectively conducts ventilation by recovering waste heat from indoors to outdoors during heating periods. However, dew condensation associated with the HRV system may arise due to the difference between the indoor temperature and the very low outdoor temperature in [...] Read more.
A heat-recovery ventilator (HRV) effectively conducts ventilation by recovering waste heat from indoors to outdoors during heating periods. However, dew condensation associated with the HRV system may arise due to the difference between the indoor temperature and the very low outdoor temperature in winter, and this can decrease the heat exchange efficiency. These problems can be solved by the pre-heating of the incoming air, but additional energy is required when pursuing such a strategy. On the other hand, an air-type photovoltaic thermal (PVT) system produces electricity and thermal energy simultaneously using air as the heat transfer medium. Moreover, the heated air from the air-type PVT system can be connected to the HRV to pre-heat the supply air instead of taking in the cold outdoor air. Thus, the ventilation efficiency can be improved and the problems arising during the heating period can be resolved. Consequentially, the heating energy required in a building can be reduced, with additional electricity acquired as well. In this paper, the performance of an air-type PVT system coupled with an HRV is assessed. To do this, air-type PVT collectors operating at 1 kWp were installed in an experimental house and coupled to an HRV system. Thermal performance and heating energy required during the winter season were analyzed experimentally. Furthermore, the electrical performances of the air-type PVT system with and without ventilation at the back side of the PV during the summer season were analyzed. Full article
Show Figures

Figure 1

Back to TopTop