Simulation and Performance Analysis of Air-Type PVT Collector with Interspaced Baffle-PV Cell Design
Abstract
:1. Introduction
2. Methods
2.1. Design Theory and Fabrication of Air-Type PVT Collector
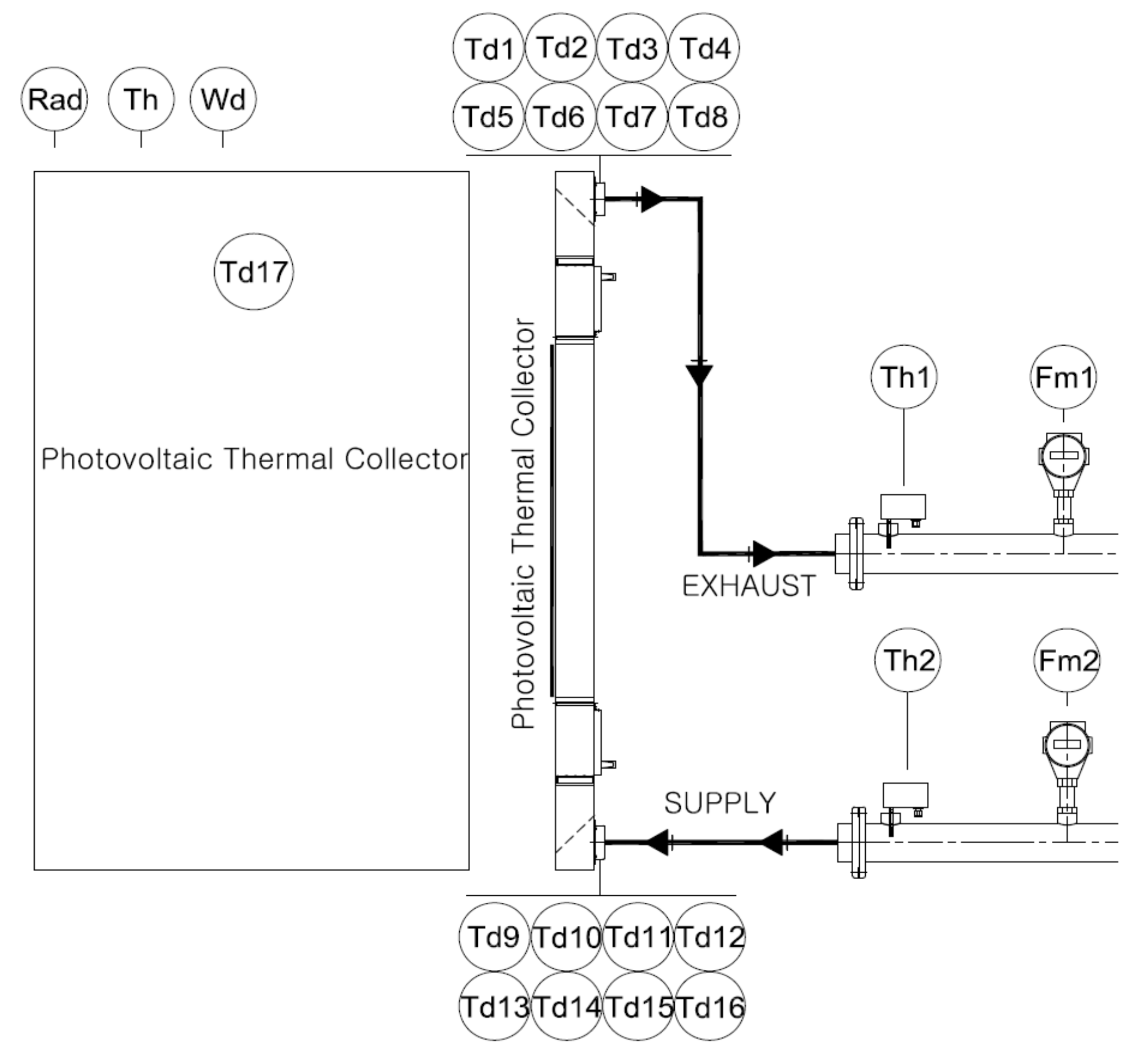
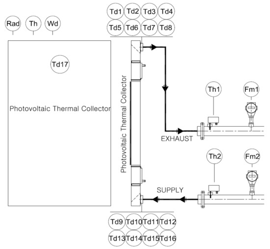
2.2. Outdoor Experimental Setup
2.3. TRNSYS Model and Simulation
3. Results and Discussion
3.1. Outdoor Temperature Characteristics
3.2. Thermal and Electrical Performance Based on Experiment
3.3. Comparison of Simulation and Experimental Results
3.4. Annual Performance Analysis of Air-Type PVT Collector
4. Conclusions
Author Contributions
Funding
Institutional Review Board Statement
Informed Consent Statement
Data Availability Statement
Conflicts of Interest
References
- Lämmle, M.; Hermann, M.; Kramer, K.; Panzer, C.; Piekarczyk, A.; Thoma, C.; Fahr, S. Development of highly efficient, glazed PVT collectors with overheating protection to increase reliability and enhance energy yields. Sol. Energy 2018, 176, 87–97. [Google Scholar] [CrossRef]
- Fudholi, A.; Zohri, M.; Rukman, N.S.B.; Nazri, N.S.; Mustapha, M.; Yen, C.H.; Mohammad, M.; Sopian, K. Exergy and sustainability index of photovoltaic thermal (PVT) air collector: A theoretical and experimental study. Renew. Sustain. Energy Rev. 2019, 100, 44–51. [Google Scholar] [CrossRef]
- Srimanickam, B.; Vijayalakshmi, M.M.; Natarajan, E. Thermal analysis on photovoltaic thermal hybrid system with cooling channel with V-baffles. Indian J. Sci. Technol. 2015, 8, 1–5. [Google Scholar] [CrossRef] [Green Version]
- Zhao, Y.; Meng, T.; Jing, C.; Hu, J.; Qian, S. Experimental and Numerical Investigation on Thermal Performance of PV-driven aluminium honeycomb solar air collector. Sol. Energy 2020, 204, 294–306. [Google Scholar] [CrossRef]
- Guruprasad, B.; Srimanickam, B.; Natarajan, U.; Malayalamurthi, R.; Elango, A. Performance investigation on various models on solar photovoltaic thermal (PVT) hybrid system. AIP Conf. Proc. 2019, 2161, 020030. [Google Scholar] [CrossRef]
- Kim, J.H.; Ahn, J.G.; Kim, J.T. Demonstration of the performance of an air-type Photovoltaic Thermal (PVT) system coupled with a heat-recovery ventilator. Energies 2016, 9, 728. [Google Scholar] [CrossRef] [Green Version]
- Yu, J.S.; Kim, J.H.; Kim, J.T. Effect of triangular baffle arrangement on heat transfer enhancement of air-type PVT collector. Sustainability 2020, 12, 7469. [Google Scholar] [CrossRef]
- Kim, Y.; Lee, K.; Yang, L.; Entchev, E.; Kang, E.; Lee, E. Validation and numerical sensitivity study of air baffle photovoltaic-thermal module. Energies 2020, 13, 1990. [Google Scholar] [CrossRef] [Green Version]
- Bambrook, S.M.; Sproul, A.B. Maximising the energy output of a PVT air system. Sol. Energy 2012, 86, 1857–1871. [Google Scholar] [CrossRef]
- Golzari, S.; Kasaeian, A.; Amidpour, M.; Nasirivatan, S.; Mousavi, S. Experimental investigation of the effects of Corona wind on the performance of an air-cooled PV/T. Renew. Energy 2018, 127, 284–297. [Google Scholar] [CrossRef]
- Tahmasbi, M.; Siavashi, M.; Norouzi, A.M.; Doranehgard, M.H. Thermal and electrical efficiencies enhancement of a solar photovoltaic-thermal/air system (PVT/Air) using metal foams. J. Taiwan Inst. Chem. Eng. 2021, 124, 276–289. [Google Scholar] [CrossRef]
- Barrau, J.; Rosell, J.; Chemisana, D.; Tadrist, L.; Ibañez, M. Effect of a hybrid jet impingement/micro-channel cooling device on the performance of densely packed PV cells under high concentration. Sol. Energy 2011, 85, 2655–2665. [Google Scholar] [CrossRef]
- Brideau, S.A.; Collins, M.R. Experimental model validation of a hybrid PV/thermal air based collector with impinging jets. Energy Procedia 2012, 30, 44–54. [Google Scholar] [CrossRef] [Green Version]
- Shahsavar, A.; Khanmohammadi, S.; Khaki, M.; Salmanzadeh, M. Performance assessment of an innovative exhaust air energy recovery system based on the PV/T-assisted thermal wheel. Energy 2018, 162, 682–696. [Google Scholar] [CrossRef]
- Zhou, C.; Liang, R.; Zhang, J. Optimization design method and experimental validation of a solar Pvt cogeneration system based on building energy demand. Energies 2017, 10, 1281. [Google Scholar] [CrossRef] [Green Version]
- Aste, N.; Chiesa, G.; Verri, F. Design, Development and performance monitoring of a photovoltaic-thermal (PVT) air collector. Renew. Energy 2008, 33, 914–927. [Google Scholar] [CrossRef]
- Yandri, E. The effect of joule heating to thermal performance of hybrid PVT collector during electricity generation. Renew. Energy 2017, 111, 344–352. [Google Scholar] [CrossRef]
- Al-Waeli, A.H.A.; Chaichan, M.T.; Sopian, K.; Kazem, H.A.; Mahood, H.B.; Khadom, A.A. Modeling and experimental validation of a PVT system using nanofluid coolant and nano-PCM. Sol. Energy 2019, 177, 178–191. [Google Scholar] [CrossRef]
- Bellos, E.; Tzivanidis, C. Yearly performance of a hybrid PV operating with nanofluid. Renew. Energy 2017, 113, 867–884. [Google Scholar] [CrossRef]
- Tripathi, R.; Tiwari, G.N. Annual performance evaluation (energy and exergy) of fully covered concentrated photovoltaic thermal (PVT) water collector: An experimental validation. Sol. Energy 2017, 146, 180–190. [Google Scholar] [CrossRef]
- Kim, J.H.; Kim, S.M.; Kim, J.T. Experimental performance of an advanced air-type photovoltaic/thermal (PVT) collector with direct expansion air handling unit (AHU). Sustainability 2021, 13, 888. [Google Scholar] [CrossRef]
- Kim, S.M.; Kim, J.H.; Kim, J.T. Experimental study on the thermal and electrical characteristics of an air-based photovoltaic thermal collector. Energies 2019, 12, 2661. [Google Scholar] [CrossRef] [Green Version]













| Cell Type | Mono-Crystalline Silicon |
|---|---|
| Module (Cell) efficiency | 7.33 (17.29)% |
| Maximum power | 123.3 W |
| Maximum voltage | 15.08 V |
| Maximum current | 8.18 A |
| Open voltage | 19.05 V |
| Short current | 8.61 A |
| Size (PVT collector) | 1584 mm × 1031 mm × 84.5 mm |
| Variable | Parameters and Inputs Description | Values | Units |
|---|---|---|---|
| Apvt | Air-type PVT collector area | 1.63 | m2 |
| Acell | Solar Cell area | 0.91 | m2 |
| Epv | PV glazing emissivity | 0.90 | - |
| Abab | Absorber absorptance | 0.95 | - |
| Abpv | PV cells absorptance | 0.36 | - |
| Cpv | Module temperature coefficient for efficiency(%/°C) | −0.50 | - |
| Effpv | Module electrical efficiency at reference conditions | 7.33 | % |
| Ti | Fluid inlet temperature | 35 | °C |
| Fpvt | Fluid flow rate | 80 | kg/h |
Publisher’s Note: MDPI stays neutral with regard to jurisdictional claims in published maps and institutional affiliations. |
© 2021 by the authors. Licensee MDPI, Basel, Switzerland. This article is an open access article distributed under the terms and conditions of the Creative Commons Attribution (CC BY) license (https://creativecommons.org/licenses/by/4.0/).
Share and Cite
Ahn, J.-G.; Yu, J.-S.; Boafo, F.E.; Kim, J.-H.; Kim, J.-T. Simulation and Performance Analysis of Air-Type PVT Collector with Interspaced Baffle-PV Cell Design. Energies 2021, 14, 5372. https://doi.org/10.3390/en14175372
Ahn J-G, Yu J-S, Boafo FE, Kim J-H, Kim J-T. Simulation and Performance Analysis of Air-Type PVT Collector with Interspaced Baffle-PV Cell Design. Energies. 2021; 14(17):5372. https://doi.org/10.3390/en14175372
Chicago/Turabian StyleAhn, Jong-Gwon, Ji-Suk Yu, Fred Edmond Boafo, Jin-Hee Kim, and Jun-Tae Kim. 2021. "Simulation and Performance Analysis of Air-Type PVT Collector with Interspaced Baffle-PV Cell Design" Energies 14, no. 17: 5372. https://doi.org/10.3390/en14175372
APA StyleAhn, J.-G., Yu, J.-S., Boafo, F. E., Kim, J.-H., & Kim, J.-T. (2021). Simulation and Performance Analysis of Air-Type PVT Collector with Interspaced Baffle-PV Cell Design. Energies, 14(17), 5372. https://doi.org/10.3390/en14175372

