Sign in to use this feature.

Years

Between: -

Subjects

remove_circle_outline
remove_circle_outline
remove_circle_outline
remove_circle_outline
remove_circle_outline
remove_circle_outline
remove_circle_outline
remove_circle_outline
remove_circle_outline

Journals

remove_circle_outline
remove_circle_outline
remove_circle_outline

Article Types

Countries / Regions

remove_circle_outline
remove_circle_outline
remove_circle_outline
remove_circle_outline
remove_circle_outline

Search Results (622)

Search Parameters:
Keywords = PID control tuning

Order results
Result details
Results per page
Select all
Export citation of selected articles as:
25 pages, 1920 KB  
Article
A Dual-Layer Cooperative Feedback Control Method with Improved DBO-PID for Managed Pressure Drilling: Two-Phase Flow Experimental Verification
by Wang Chen, Jun Li, Hongwei Yang, Zhenyu Long and Xing Shi
Processes 2026, 14(9), 1394; https://doi.org/10.3390/pr14091394 - 27 Apr 2026
Abstract
During managed pressure drilling (MPD), gas influx intensifies the nonlinear relationship between choke valve opening degree and wellhead back pressure, causing conventional PID controllers to suffer from prolonged settling time and excessive overshoot. This paper proposes an automatic wellhead back pressure control method [...] Read more.
During managed pressure drilling (MPD), gas influx intensifies the nonlinear relationship between choke valve opening degree and wellhead back pressure, causing conventional PID controllers to suffer from prolonged settling time and excessive overshoot. This paper proposes an automatic wellhead back pressure control method based on pressure–opening degree dual-layer cooperative feedback. The outer layer rapidly positions the choke valve near the target opening degree through a pressure drop–opening degree mapping model. The inner layer employs a PID controller tuned by an improved Dung Beetle Optimizer (DBO) for fine pressure regulation. The improved DBO introduces Logistic chaotic map initialization and an adaptive inertia weight to enhance global search capability, and adopts a comprehensive fitness function integrating the ITAE criterion with engineering safety constraints. Simulation results show that, compared with the Ziegler–Nichols (Z-N) method, the improved DBO-tuned PID reduces overshoot by 83.9% and settling time by 78.0%. Gas–liquid two-phase flow laboratory experiments were conducted with gas void fractions of 0–46.6%. Using manual control (average settling time of 50 s) as the benchmark, the dual-layer system equipped with the improved DBO-PID reduces settling time to 25 s (a 50% reduction), maximum overshoot absolute error to 0.009 MPa (a 74% reduction compared with Z-N-tuned PID), and achieves a mean absolute error of 0.004 MPa during continuous pressure tracking with zero overshoot. Both simulation and experimental results confirm that the synergy between the dual-layer control architecture and the improved DBO-PID enables rapid regulation and stable tracking of wellhead back pressure under gas–liquid two-phase flow conditions. Full article
(This article belongs to the Special Issue Advanced Research on Marine and Deep Oil & Gas Development)
Show Figures

Figure 1

22 pages, 2330 KB  
Article
Simultaneous Tuning of Cascade PID-PID Controllers for Power Plant Dust Removal Systems Based on Compensation Method
by Xinyue Ma, Yongsheng Hao, Zhuo Chen, Gang Zhao and Chunwei Li
Processes 2026, 14(9), 1392; https://doi.org/10.3390/pr14091392 - 27 Apr 2026
Abstract
Dust concentration control in coal-fired power plants is challenged by large time delays and various disturbances, particularly in dry electrostatic precipitator-wet flue gas desulfurization (DESP-WFGD) processes, where the inner-loop dynamics are slower than those of the outer loop, limiting the effectiveness of conventional [...] Read more.
Dust concentration control in coal-fired power plants is challenged by large time delays and various disturbances, particularly in dry electrostatic precipitator-wet flue gas desulfurization (DESP-WFGD) processes, where the inner-loop dynamics are slower than those of the outer loop, limiting the effectiveness of conventional cascade tuning methods. This paper proposes a compensation-based simultaneous tuning method for cascade proportional-integral-derivative (PID)-PID control systems. The cascade structure is transformed into an equivalent single-loop system, allowing the outer-loop controller to reshape the equivalent plant dynamics. An equivalent controller is then designed using the simple internal model control method, from which the inner-loop controller is derived. Controller parameters are iteratively refined based on maximum sensitivity, overshoot, and integral absolute error. A feedforward controller is further introduced to reject measurable outer-loop disturbances. Simulation results under nominal, uncertain, and noisy conditions show that the proposed method achieves zero overshoot, improved robustness, and smoother control action compared with conventional separate tuning and Lee’s simultaneous tuning method. The proposed approach provides an effective and practical solution for dust concentration control in DESP-WFGD processes, and is extendable to industrial cascade systems with similar dynamic characteristics. Full article
(This article belongs to the Section Automation Control Systems)
Show Figures

Figure 1

27 pages, 1704 KB  
Article
Mathematical Modeling and Dynamic Simulation of Frog Jumping for Bio-Inspired Robotics
by Nuria Sánchez Pérez and Juan David Cano-Moreno
Mathematics 2026, 14(9), 1411; https://doi.org/10.3390/math14091411 - 23 Apr 2026
Viewed by 111
Abstract
The biomechanics of frog jumping has been a subject of significant interest in both biology and engineering, driven by the high efficiency of their movement. This study presents the dynamic simulation of a frog’s complete jump cycle, from take-off to landing and re-stabilization, [...] Read more.
The biomechanics of frog jumping has been a subject of significant interest in both biology and engineering, driven by the high efficiency of their movement. This study presents the dynamic simulation of a frog’s complete jump cycle, from take-off to landing and re-stabilization, to advance the development of bio-inspired jumping robots for irregular terrains. As a primary contribution, and unlike previous studies that focus exclusively on the propulsion phase, this work addresses all stages, using direct servomotor actuation without mechanical energy storage. Biological joint kinematics were mathematically characterized using Cubic Smoothing Splines. By empirically tuning the smoothing parameter (p), the trajectories achieved the continuous differentiability required for electromechanical actuation. These curves were implemented into a 3D multibody simulation (Altair Inspire), where a PID-based tracking framework managed the mechanically nonlinear multibody dynamics governing the jump (arising from contact forces, impacts, and time-varying inertial effects) to ensure stabilization during the complex landing phase. Validating the model against previous studies, the simulation successfully achieved a maximum horizontal jump distance of 24.12 cm (4.02 body lengths) and a peak velocity of 1.45 m/s. The kinematic fidelity of the model was mathematically validated, yielding a maximum Normalized Root Mean Square Error (NRMSE) of 4.121% relative to biological reference trajectories. Furthermore, the robustness of the landing and re-stabilization phases was demonstrated through a continuous double jump covering a total distance of 45.83 cm. Finally, a dynamic scaling analysis was performed to evaluate the feasibility of implementing real motors. Ultimately, this study establishes a mathematically robust framework for replicating frog-inspired jumping dynamics, contributing a transferable methodology for the design and control of articulated bio-inspired robotic systems. Full article
(This article belongs to the Special Issue Applied Mathematical Modelling and Dynamical Systems, 3rd Edition)
17 pages, 1477 KB  
Article
Load Frequency Control Optimization of Micro Hydro Power Plant using Genetic Algorithm Variant
by Rizky Ajie Aprilianto, Deyndrawan Sutrisno, Dwi Bagas Nugroho, Wildan Hazballah Arrosyid, Alfan Maulana, Siva Khaaifina Rachmat, Abdrabbi Bourezg, Tiang Jun-Jiat and Abdelbasset Azzouz
Energies 2026, 19(9), 2025; https://doi.org/10.3390/en19092025 - 22 Apr 2026
Viewed by 176
Abstract
The aim of this work is to explore a load frequency control (LFC) strategy in micro hydro power plants (MHPPs). Using MATLAB/Simulink, we examined several variants of genetic algorithms (GAs), including Roulette, Tournament, and Uniform, which are utilized to optimize tuning proportional integral [...] Read more.
The aim of this work is to explore a load frequency control (LFC) strategy in micro hydro power plants (MHPPs). Using MATLAB/Simulink, we examined several variants of genetic algorithms (GAs), including Roulette, Tournament, and Uniform, which are utilized to optimize tuning proportional integral derivative (PID) parameters by addressing the problem of instability caused by load variations. The performances are compared with conventional PID methods and other advanced techniques like particle swarm optimization (PSO), adaptive neuro-fuzzy inference system (ANFIS), and artificial neural networks (ANN) algorithms for both single and dual-area MHPP systems. The results show that the GA-optimized PID controller with the roulette wheel achieves the fastest settling time of 0.3 s and the smallest undershoot of 0.015 pu in the single area. Also, optimizing GA demonstrates superior performance in the dual area, with the fastest settling times of 2.5 s for both Roulette and Uniform. In contrast, PSO is slower than GA, and conventional PID requires a much longer settling time of 19.8 s, a similar result occurring in the dual area. These findings confirm the effectiveness of the GA-optimized PID controller, especially the Roulette variant, as a reliable and fast solution for maintaining frequency stability in MHPPs. Full article
(This article belongs to the Section F5: Artificial Intelligence and Smart Energy)
31 pages, 4223 KB  
Article
Multi-Objective Load Frequency Optimization for Standalone Energy Supplies Using a Two-Tier FOPID Controller
by Mohamed Nejlaoui and Abdullah Alghafis
Fractal Fract. 2026, 10(5), 275; https://doi.org/10.3390/fractalfract10050275 - 22 Apr 2026
Viewed by 286
Abstract
The global shift toward decentralized generation has established standalone energy supply systems as a vital solution for remote regions. However, the integration of intermittent renewable sources and the inherent lack of rotational inertia in power electronic interfaces create significant challenges for frequency stability. [...] Read more.
The global shift toward decentralized generation has established standalone energy supply systems as a vital solution for remote regions. However, the integration of intermittent renewable sources and the inherent lack of rotational inertia in power electronic interfaces create significant challenges for frequency stability. This study addresses these issues by introducing an original Two-Tier Fractional-Order PID (TTFOPID) controller designed for robust Load Frequency Control (LFC) in a hybrid system comprising solar, diesel, biodiesel, and battery energy storage (BESS). The research utilizes the Multi-Objective Imperialist Competitive Algorithm (MOICA), enhanced with an attractive and repulsive assimilation phase, to navigate the high-dimensional parameter space. A unique framework is established to simultaneously tune controller gains and high-level system parameters, specifically BESS sizing and droop settings. Results demonstrate that the MOICA-tuned TTFOPID provides superior performance, achieving a 72% improvement in the Integral of Time-Weighted Absolute Error (ITAE) compared to NSGA-II and a 56% improvement in the Integral of the Square of Control (ISC) compared to MOPSO. Furthermore, robustness analysis validates the controller’s stability against significant parametric variations. The study concludes that the integrated TTFOPID-MOICA approach provides a superior pathway for stabilizing autonomous energy supply systems while protecting hardware longevity through optimized control effort. Full article
(This article belongs to the Section Engineering)
Show Figures

Figure 1

23 pages, 5203 KB  
Article
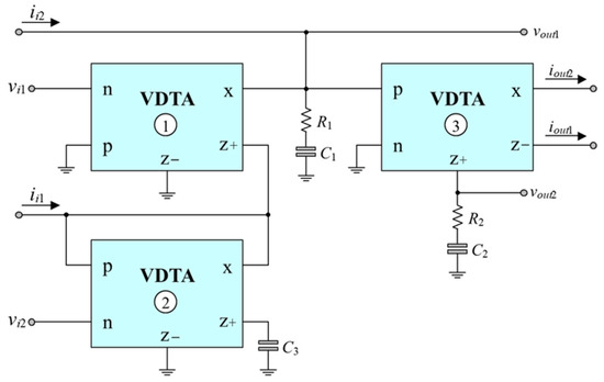
VDTA-Based Mixed-Mode Inverse Filter and Its Application to Mixed-Mode PID Controller
by Natchanai Roongmuanpha, Tattaya Pukkalanun, Mohammad Faseehuddin and Worapong Tangsrirat
Electronics 2026, 15(8), 1663; https://doi.org/10.3390/electronics15081663 - 15 Apr 2026
Viewed by 303
Abstract
This paper presents a novel voltage differencing transconductance amplifier (VDTA)-based mixed-mode inverse filter capable of operating in voltage mode, transadmittance mode, transimpedance mode, and current mode using a single topology. The proposed configuration employs only three VDTAs with two resistors and three capacitors, [...] Read more.
This paper presents a novel voltage differencing transconductance amplifier (VDTA)-based mixed-mode inverse filter capable of operating in voltage mode, transadmittance mode, transimpedance mode, and current mode using a single topology. The proposed configuration employs only three VDTAs with two resistors and three capacitors, offering low component count, high input/output impedance flexibility, and no requirement for component matching. It simultaneously realizes first-order inverse lowpass and highpass, as well as second-order inverse bandpass responses. A comprehensive non-ideal analysis, which includes the effects of VDTA parasitic impedances, determines the practical operating frequency range. The design is validated through PSPICE simulations using 0.18 μm CMOS technology, showing close alignment between theoretical predictions and simulation results, with cutoff frequencies of approximately 1.60 MHz and low power consumption of 0.972 mW. Further analyses confirm orthogonal tuning capability, acceptable temperature stability, and robustness against component tolerances. In a practical application, the proposed inverse filter is employed to implement a mixed-mode PID controller, which significantly improves transient response characteristics by reducing rise time, settling time, and steady-state error. These findings highlight the effectiveness and versatility of the proposed design for analog signal processing and control system applications. Full article
(This article belongs to the Section Circuit and Signal Processing)
Show Figures

Figure 1

46 pages, 7741 KB  
Article
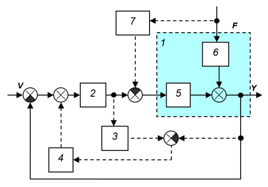
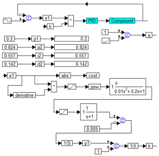
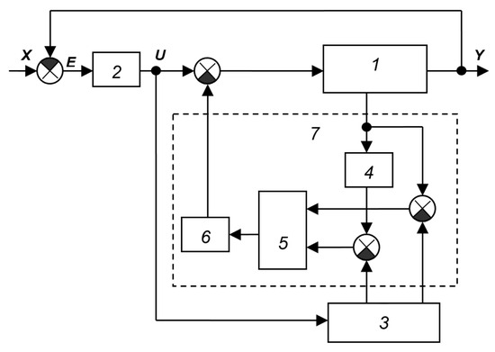
Some Approaches to Designing Adaptive Systems
by Vadim Zhmud and Lubomir Dimitrov
Appl. Sci. 2026, 16(8), 3812; https://doi.org/10.3390/app16083812 - 14 Apr 2026
Viewed by 447
Abstract
Control of dynamic technical objects in locked-loop systems with negative feedback is widely used in robotics and all complex technical devices. The theory of ensuring accuracy, speed, and control quality is well developed for the case of stationary objects. If the parameters of [...] Read more.
Control of dynamic technical objects in locked-loop systems with negative feedback is widely used in robotics and all complex technical devices. The theory of ensuring accuracy, speed, and control quality is well developed for the case of stationary objects. If the parameters of the controlled object change over time, the development of adaptive systems is recommended. Many articles and monographs have been written on the topic of adaptive control, but most often they provide only general indications that an additional external loop is necessary to change the controller parameters so that the modified controller more successfully ensures control accuracy and quality than its previous version. At the same time, methods for solving the two most complex sub-problems almost never were disclosed: determining how exactly the mathematical model of the object has changed and deciding how exactly the controller parameters should be changed to provide the required properties of the system as a whole. This paper proposes some general principles for designing adaptive systems and demonstrates their effectiveness using several examples. Full article
Show Figures

Figure 1

24 pages, 2992 KB  
Article
Hybrid Learning-Based Control of Closed-Kinematic Chain Mechanism Robot Manipulators
by Charles C. Nguyen, Tuan M. Nguyen, Ha T. T. Ngo, Tri T. Nguyen and Tu T. C. Duong
Actuators 2026, 15(4), 216; https://doi.org/10.3390/act15040216 - 13 Apr 2026
Viewed by 246
Abstract
This paper presents a novel hybrid learning-based control scheme for position control of robot manipulators whose structure is based on a closed-kinematic-chain mechanism (CKCM). The developed control scheme integrates two complementary control components: the feedback controller and the learning controller. The feedback controller [...] Read more.
This paper presents a novel hybrid learning-based control scheme for position control of robot manipulators whose structure is based on a closed-kinematic-chain mechanism (CKCM). The developed control scheme integrates two complementary control components: the feedback controller and the learning controller. The feedback controller is designed using linearization about a desired trajectory and a PID control law whose gains are selected by a tuning algorithm to guarantee semi-global stability of the linearized closed-loop feedback system. The learning controller incorporates PID-type iterative learning strategy to generate additional control inputs to compensate for modeling uncertainties and unmodeled dynamics. By updating the control input iteratively from trial to trial, the learning controller progressively improves the overall control performance. The effectiveness of the developed control scheme is demonstrated through computer simulations conducted on a six-degree-of-freedom CKCM robot manipulator. Simulation results are presented and discussed to evaluate the tracking accuracy of the developed approach. Full article
(This article belongs to the Section Actuators for Robotics)
Show Figures

Figure 1

18 pages, 1695 KB  
Article
Trajectory Tracking Control of Lower Limb Rehabilitation Exoskeleton Robot Based on Adaptive-Weight MPC
by Linqi Zheng, Yuan Zhou, Anjie Mao and Shuwang Du
Actuators 2026, 15(4), 214; https://doi.org/10.3390/act15040214 - 11 Apr 2026
Viewed by 307
Abstract
In this paper, an adaptive-weight model predictive control (AW-MPC) strategy is proposed to address the trajectory tracking problem of a lower-limb rehabilitation exoskeleton robot. First, based on human motion analysis, the dynamics of the lower-limb rehabilitation exoskeleton are established, and the nonlinear dynamic [...] Read more.
In this paper, an adaptive-weight model predictive control (AW-MPC) strategy is proposed to address the trajectory tracking problem of a lower-limb rehabilitation exoskeleton robot. First, based on human motion analysis, the dynamics of the lower-limb rehabilitation exoskeleton are established, and the nonlinear dynamic model is transformed into a linear model. Second, a MPC objective function is formulated to minimize the tracking error, yielding the optimal control input. Then, on the basis of conventional MPC, a weight-tuning scheme is developed: a weighting function is constructed according to the evolution of the tracking error to adaptively adjust the MPC weighting coefficients, and the closed-loop stability of the control system is proven via a Lyapunov-based analysis. Finally, the proposed method is validated on a lower-limb rehabilitation exoskeleton experimental platform, with a PID controller designed as a baseline for comparison. The experimental results demonstrate that, compared with the PID controller, the proposed AW-MPC achieves faster convergence of the tracking error, higher tracking accuracy, and enhanced robustness. Full article
(This article belongs to the Special Issue Advanced Perception and Control of Intelligent Equipment)
Show Figures

Figure 1

23 pages, 1694 KB  
Article
A Biomimetic Gazelle Optimization Approach for Enhanced Temperature Regulation in Electric Furnaces
by Davut Izci, Adil Ozcayci, Serdar Ekinci, Irfan Okten, Erdal Akin, Gokhan Yuksek, Ali Akdagli, Ali Yildiz and Filiz Karaomerlioglu
Biomimetics 2026, 11(4), 255; https://doi.org/10.3390/biomimetics11040255 - 7 Apr 2026
Viewed by 531
Abstract
Accurate temperature regulation is essential for ensuring product quality, operational safety, and energy efficiency in industrial electric furnace systems. However, the inherent thermal inertia, time-delay effects, and nonlinear dynamics of furnace processes often make precise temperature control a challenging task. Motivated by these [...] Read more.
Accurate temperature regulation is essential for ensuring product quality, operational safety, and energy efficiency in industrial electric furnace systems. However, the inherent thermal inertia, time-delay effects, and nonlinear dynamics of furnace processes often make precise temperature control a challenging task. Motivated by these challenges, this study proposes an optimization-based control framework aimed at improving the temperature regulation performance of electric furnace systems. The proposed approach integrates a proportional–integral–derivative (PID) controller with the recently developed gazelle optimization algorithm (GOA) for automatic tuning of the controller parameters. First, a mathematical model of the electric furnace is established to describe the dynamic relationship between the control input and the furnace temperature output. Based on this model, a PID controller is implemented to regulate the furnace temperature. The parameters of the PID controller are then optimized using GOA, a nature-inspired metaheuristic algorithm that mimics the adaptive predator–prey survival strategies observed in gazelle herds. In order to achieve a balanced improvement in both steady-state and transient performance, a composite objective function is introduced. The proposed performance index combines the integral of absolute error with additional transient performance indicators related to maximum overshoot and settling time. The effectiveness of the proposed GOA-based tuning framework is evaluated through extensive simulation studies and statistical analyses conducted over multiple independent optimization runs. The results demonstrate stable convergence behavior, with the optimization process achieving a minimum objective value of 2.4251, a maximum value of 2.5347, and an average value of 2.4674 across 25 runs. The optimized control system exhibits improved dynamic characteristics, including a rise time of 1.8509 s, a settling time of 3.6834 s, and a low overshoot of 1.5104%. To further assess its effectiveness, the proposed GOA–PID control strategy is compared with several widely used controller tuning methods reported in the literature, including genetic algorithm, Ziegler–Nichols, Cohen–Coon, Nelder–Mead, and direct synthesis approaches. Comparative results indicate that the proposed method achieves a superior balance between response speed, stability, and temperature tracking accuracy. Full article
(This article belongs to the Section Biological Optimisation and Management)
Show Figures

Figure 1

28 pages, 3487 KB  
Article
Control Research on Tractor Steer-by-Wire Hydraulic System Based on Improved Sparrow Search Algorithm-PID
by Tianpeng He, Siwei Pan, Zhixiong Lu, Zheng Wang and Tao Tian
Agriculture 2026, 16(7), 795; https://doi.org/10.3390/agriculture16070795 - 3 Apr 2026
Viewed by 402
Abstract
To address the inherent nonlinearity and time-varying dynamics of tractor steer-by-wire (SbW) hydraulic systems, as well as the inadequacies of empirical PID tuning in achieving rapid dynamic response and high tracking accuracy during headland maneuvers, continuous steering, and stochastic field operations, this study [...] Read more.
To address the inherent nonlinearity and time-varying dynamics of tractor steer-by-wire (SbW) hydraulic systems, as well as the inadequacies of empirical PID tuning in achieving rapid dynamic response and high tracking accuracy during headland maneuvers, continuous steering, and stochastic field operations, this study proposes an Improved Sparrow Search Algorithm (ISSA)-PID control strategy. Initially, an SbW hydraulic test bench was established, and an asymmetric dynamic transfer function model of the steering system was identified utilizing the Nelder–Mead simplex method. To overcome the susceptibility of the conventional Sparrow Search Algorithm (SSA) to local optima entrapment and its insufficient population diversity, the Circle chaotic map was employed to enhance the initial population distribution. Furthermore, an adaptive t-distribution mutation strategy was incorporated to coordinate global exploration and local exploitation, facilitating the optimization of the PID parameters. Hardware-in-the-loop (HIL) bench tests were conducted to evaluate the performance of the different control algorithms. With the proposed ISSA-PID controller, under step response conditions, accounting for the inherent dynamics of the asymmetric steering cylinder, the response times for left and right turns were reduced to 0.77 s and 0.98 s, respectively. During random signal tracking tests that emulate stochastic field operations, the average tracking error was minimized to 0.75°, with a maximum deviation restricted to 1.27°. These results demonstrate that the proposed ISSA-PID strategy addresses parameter tuning challenges, improving control precision and dynamic response. Consequently, it offers a practical control strategy for tractor SbW hydraulic systems. Full article
(This article belongs to the Section Agricultural Technology)
Show Figures

Figure 1

22 pages, 5539 KB  
Article
Artificial Neural Network-Based PID Parameter Estimation Using Black Kite Algorithm Hyperparameter Optimization for DC Motor Speed Control
by Yılmaz Seryar Arıkuşu
Biomimetics 2026, 11(4), 242; https://doi.org/10.3390/biomimetics11040242 - 3 Apr 2026
Viewed by 400
Abstract
This paper proposes a Black Kite Algorithm (BKA)-based hyperparameter optimization method for Artificial Neural Network (ANN) training, mitigating local minimum issues associated with conventional training techniques. The resulting BKA-ANN model is then employed to estimate PID controller parameters for DC motor speed regulation. [...] Read more.
This paper proposes a Black Kite Algorithm (BKA)-based hyperparameter optimization method for Artificial Neural Network (ANN) training, mitigating local minimum issues associated with conventional training techniques. The resulting BKA-ANN model is then employed to estimate PID controller parameters for DC motor speed regulation. A large-scale dataset of 100,000 samples was generated via MATLAB simulation, with reference speed and load torque stochastically varied, and optimal PID parameters determined by minimizing the ITAE criterion for each operating condition. The optimized controller was evaluated under various operating conditions including transient response, frequency domain analysis (phase margin and bandwidth), parametric robustness, and load disturbance suppression, along with control effort and energy consumption assessments. The proposed BKA-ANN approach was benchmarked against nine algorithms: hybrid atom search optimization-simulated annealing (hASO-SA), harris hawks optimization (HHO), Henry gas solubility optimization with opposition-based learning (OBL/HGSO), atom search optimization (ASO), henry gas solubility op-timization (HGSO), stochastic fractal search(SFS), grey wolf optimization (GWO), sine–cosine algorithm (SCA), and Standard ANN. Simulation results indicate that BKA-ANN achieves stable performance across all tested scenarios, with minimal oscillation and competitive settling time compared to the evaluated algorithms. Full article
(This article belongs to the Section Biological Optimisation and Management)
Show Figures

Figure 1

29 pages, 6824 KB  
Article
Distributed Co-Simulation of Reinforcement Learning Optimized Fuzzy PID Control of a 10-MW Wind Turbine Yaw System
by Yiyan Huang, Linli Li, Yaping Zou, Kai Luan, Zesen Gao and Qifei Jian
Energies 2026, 19(7), 1726; https://doi.org/10.3390/en19071726 - 1 Apr 2026
Viewed by 454
Abstract
To address the limited adaptability and tuning efficiency of conventional yaw controllers under turbulent wind conditions, this paper investigates a reinforcement learning (RL)–optimized fuzzy PID control scheme for offshore wind turbine yaw systems. A distributed real-time co-simulation framework is established, in which a [...] Read more.
To address the limited adaptability and tuning efficiency of conventional yaw controllers under turbulent wind conditions, this paper investigates a reinforcement learning (RL)–optimized fuzzy PID control scheme for offshore wind turbine yaw systems. A distributed real-time co-simulation framework is established, in which a high-fidelity OpenFAST wind turbine model is coupled with a Simulink-based controller via networked data exchange to reflect realistic sampling and communication constraints. The proposed controller is examined under IEC 61400-1–compliant normal and extreme turbulence wind scenarios and is compared with conventional PID, fuzzy PID, particle swarm optimization (PSO)–based fuzzy PID, gray wolf optimizer (GWO)–based fuzzy PID, and model predictive control (MPC) schemes. Simulation results indicate that the proposed method reduces yaw rate root mean square (RMS) by up to 40% and total yaw energy consumption by up to 41%, while maintaining yaw alignment accuracy under both operating conditions. Full article
(This article belongs to the Section A3: Wind, Wave and Tidal Energy)
Show Figures

Figure 1

30 pages, 3234 KB  
Article
Modeling and Optimization of an Automatic Temperature Control System for the Catalytic Cracking Process
by Yury Ilyushin, Alexander Vitalevich Martirosyan, Mir-Amal Asadulagi and Tatyana Kukharova
Modelling 2026, 7(2), 68; https://doi.org/10.3390/modelling7020068 - 30 Mar 2026
Cited by 1 | Viewed by 414
Abstract
Modern oil refining is faced with the need to maximize raw material processing in the face of fierce competition and environmental requirements. Therefore, the fluid catalytic cracking (FCC) process, key to the production of high-octane gasoline, requires special attention to automation efficiency. Maintaining [...] Read more.
Modern oil refining is faced with the need to maximize raw material processing in the face of fierce competition and environmental requirements. Therefore, the fluid catalytic cracking (FCC) process, key to the production of high-octane gasoline, requires special attention to automation efficiency. Maintaining optimal reactor temperature is a complex scientific and technical challenge, the solution to which directly impacts the yield of target products and the service life of the catalyst. Existing automatic control systems often fail to cope with process transients, nonlinearities, and time delays, making the search for new control approaches highly relevant. The scientific significance of this study lies in the system analysis and quantitative comparison of the effectiveness of classical control laws (P, PI, PID) applied to a plant with a delay. For the first time, a rigorous comparative analysis of tuning methods—analytical (based on phase margin specifications) and automated (using the PID Tuner tool in MATLAB Simulink R2024b)—is performed for a plant characterized as a second-order system with time delay, formed by the series connection of two first-order lag elements with transport delay. The results contribute to automatic control theory by clearly demonstrating the limitations of the proportional controller and the insufficient speed of the integral controller, as well as confirming the hypothesis that a PID law is necessary to achieve a balance between accuracy and response speed under inertia conditions. The practical significance of the work is confirmed by the development of an optimized automatic temperature control system. Using the PID Tuner tool, we achieved critical industrial performance indicators: zero static error, minimal control time (44 s), and acceptable overshoot (9.6%). The system’s robustness (maintaining stability with changes in plant parameters by 30–40%) and its invariance to the main disturbance (catalyst temperature fluctuations), confirmed during simulation, guarantee the viability of the proposed solution under real-world production conditions. Implementation of such a controller will minimize deviations from the process conditions, leading to increased yield of light petroleum products and an extended service life of the expensive catalyst, providing direct economic benefits. Full article
Show Figures

Figure 1

36 pages, 7462 KB  
Article
Surrogate-Based Tuning of PID Controllers
by Sangeeta Kamboj, Sahaj Saxena and Sunil Kumar Singla
Actuators 2026, 15(4), 189; https://doi.org/10.3390/act15040189 - 30 Mar 2026
Viewed by 272
Abstract
Proportional–integral–derivative (PID) controllers are always a preferred choice of control strategy in industrial and biomedical systems due to their simplicity, reliability, and easy implementation. However, the systematic tuning of PID parameters for nonlinear, constrained, and safety-critical systems remains challenging, particularly in the presence [...] Read more.
Proportional–integral–derivative (PID) controllers are always a preferred choice of control strategy in industrial and biomedical systems due to their simplicity, reliability, and easy implementation. However, the systematic tuning of PID parameters for nonlinear, constrained, and safety-critical systems remains challenging, particularly in the presence of disturbances and actuator limitations. This paper presents a unified surrogate-based optimization framework for tuning PID controllers for linear and nonlinear dynamical systems. The tuning problem is formulated as a constrained optimization task, where performance objectives and safety requirements are explicitly incorporated into the cost function. A surrogate-based optimization via clustering (SBOC) approachis employed to efficiently explore the PID parameter space while reducing the number of expensive closedloop simulations. The proposed framework is first applied to the first- and second-order linear time-invariant systems to check its feasibility and then to the nonlinear systems to demonstrate its robustness under nonlinearity and saturation. The approach is further applied to safety-critical systems considering the case of glucose regulation in type 1 diabetes under realistic meal disturbances and insulin delivery constraints. The simulation results show that the surrogate-optimized PID controller achieves stable regulation with improved tracking performance while strictly satisfying safety requirements, including control effort penalties to limit actuator wear and the avoidance of hypoglycemia and hyperglycemia in glucose regulation problems. Full article
(This article belongs to the Section Control Systems)
Show Figures

Figure 1

Back to TopTop