Sign in to use this feature.

Years

Between: -

Subjects

remove_circle_outline
remove_circle_outline
remove_circle_outline
remove_circle_outline
remove_circle_outline
remove_circle_outline
remove_circle_outline
remove_circle_outline
remove_circle_outline

Journals

Article Types

Countries / Regions

Search Results (16)

Search Parameters:
Keywords = NGCC power plant

Order results
Result details
Results per page
Select all
Export citation of selected articles as:
22 pages, 2031 KB  
Article
Implications of Large-Scale PV Integration on Grid Operation, Costs, and Emissions: Challenges and Proposed Solutions
by Ghassan Zubi, Yael Parag and Shlomo Wald
Energies 2025, 18(1), 130; https://doi.org/10.3390/en18010130 - 31 Dec 2024
Cited by 4 | Viewed by 2558
Abstract
This study examines integrating large-scale photovoltaic (PV) systems into the power grid to achieve a 30% PV share, addressing operational and economic challenges such as backup generation, storage, and grid stability. Applying an electricity dispatch model to the test case of Israel, it [...] Read more.
This study examines integrating large-scale photovoltaic (PV) systems into the power grid to achieve a 30% PV share, addressing operational and economic challenges such as backup generation, storage, and grid stability. Applying an electricity dispatch model to the test case of Israel, it highlights significant impacts on fuel consumption, cost, and carbon emissions. Key findings include an 8% drop in the capacity factor of natural gas combined cycle (NGCC) plants, leading to increased starts, stops, and higher fuel consumption. Annual power generation will grow from 81 to 104 TWh, with PV generation increasing from 8.1 to 31.1 TWh. Open cycle gas turbine (OCGT) output will grow from 2.4 to 10.2 TWh, increasing OCGT’s market share from 3% to 10%. NGCC operations’ intermittency will double annual starts from 3721 to 7793, causing a 1.1% efficiency drop and a 2% rise in natural gas consumption. 3.45 GWh of Li-ion battery capacity will be needed. The LCoE is expected to increase from 6.6 to 7.0 c$/kWh without a carbon tax and from 8.7 to 8.8 c$/kWh with a $40/t carbon tax. Annual emissions will rise from 41.8 to 46.5 Mt. This study provides insights for sunny Mediterranean countries with similar renewable energy goals. Full article
(This article belongs to the Special Issue Decarbonization and Sustainability in Industrial and Tertiary Sectors)
Show Figures

Graphical abstract

32 pages, 4014 KB  
Article
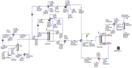
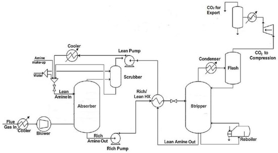
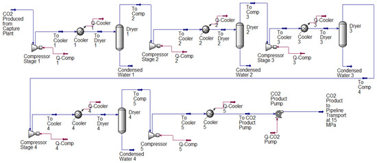
Techno-Economic Feasibility Analysis of Post-Combustion Carbon Capture in an NGCC Power Plant in Uzbekistan
by Azizbek Kamolov, Zafar Turakulov, Patrik Furda, Miroslav Variny, Adham Norkobilov and Marcos Fallanza
Clean Technol. 2024, 6(4), 1357-1388; https://doi.org/10.3390/cleantechnol6040065 - 10 Oct 2024
Cited by 9 | Viewed by 5677
Abstract
As natural gas-fired combined cycle (NGCC) power plants continue to constitute a crucial part of the global energy landscape, their carbon dioxide (CO2) emissions pose a significant challenge to climate goals. This paper evaluates the feasibility of implementing post-combustion carbon capture, [...] Read more.
As natural gas-fired combined cycle (NGCC) power plants continue to constitute a crucial part of the global energy landscape, their carbon dioxide (CO2) emissions pose a significant challenge to climate goals. This paper evaluates the feasibility of implementing post-combustion carbon capture, storage, and utilization (CCSU) technologies in NGCC power plants for end-of-pipe decarbonization in Uzbekistan. This study simulates and models a 450 MW NGCC power plant block, a first-generation, technically proven solvent—MEA-based CO2 absorption plant—and CO2 compression and pipeline transportation to nearby oil reservoirs to evaluate the technical, economic, and environmental aspects of CCSU integration. Parametric sensitivity analysis is employed to minimize energy consumption in the regeneration process. The economic analysis evaluates the levelized cost of electricity (LCOE) on the basis of capital expenses (CAPEX) and operational expenses (OPEX). The results indicate that CCSU integration can significantly reduce CO2 emissions by more than 1.05 million tonnes annually at a 90% capture rate, although it impacts plant efficiency, which decreases from 55.8% to 46.8% because of the significant amount of low-pressure steam extraction for solvent regeneration at 3.97 GJ/tonne CO2 and multi-stage CO2 compression for pipeline transportation and subsequent storage. Moreover, the CO2 capture, compression, and transportation costs are almost 61 USD per tonne, with an equivalent LCOE increase of approximately 45% from the base case. This paper concludes that while CCSU integration offers a promising path for the decarbonization of NGCC plants in Uzbekistan in the near- and mid-term, its implementation requires massive investments due to the large scale of these plants. Full article
Show Figures

Figure 1

9 pages, 1449 KB  
Proceeding Paper
Carbon Capture and Utilization through Biofixation: A Techno-Economic Analysis of a Natural Gas-Fired Power Plant
by Azizbek Kamolov, Zafar Turakulov, Toshtemir Avezov, Adham Norkobilov, Miroslav Variny and Marcos Fallanza
Eng. Proc. 2024, 67(1), 55; https://doi.org/10.3390/engproc2024067055 - 26 Sep 2024
Viewed by 1908
Abstract
With the increasing global concern regarding climate change and the need to reduce greenhouse gas emissions, carbon capture and utilization (CCU) technologies are seen as one of the primary steps toward large-scale decarbonization prospects. In this context, a thorough assessment of each CCU [...] Read more.
With the increasing global concern regarding climate change and the need to reduce greenhouse gas emissions, carbon capture and utilization (CCU) technologies are seen as one of the primary steps toward large-scale decarbonization prospects. In this context, a thorough assessment of each CCU pathway is required from both the techno-economic and environmental perspectives. In this work, the potential of carbon biofixation through microalgae cultivation is evaluated through the preliminary technical design and calculation of plant economics in the case of the Turakurgan natural gas-fired combined cycle power plant located in the eastern part of Uzbekistan. The primary data used in this study are obtained from the open access project report of the targeted power station, along with recently published literature sources. According to the results, although the purchase and installation costs of photobioreactors require significant investments in the capital costs, the technology would still be cost competitive as long as there is a carbon tax imposition of around USD 50 per ton of CO2 emissions. However, CO2 biofixation can be relatively more suitable compared to benchmark absorption, particularly in low-CO2-concentration conditions. Future research will involve a more comprehensive examination of CO2-based microalgae cultivation and its comparison with chemical absorption and membrane-assisted separation techniques. Full article
(This article belongs to the Proceedings of The 3rd International Electronic Conference on Processes)
Show Figures

Figure 1

22 pages, 14574 KB  
Article
Evaluating the Impact of CO2 Capture on the Operation of Combined Cycles with Different Configurations
by Elena Savoldelli and Silvia Ravelli
Energies 2024, 17(14), 3501; https://doi.org/10.3390/en17143501 - 17 Jul 2024
Cited by 3 | Viewed by 2607
Abstract
In order to reduce greenhouse gas emissions associated with power generation, the replacement of fossil fuels with renewables must be accompanied by the availability of dispatchable sources needed to balance electricity demand and production. Combined cycle (CC) power plants adopting post-combustion capture (PCC) [...] Read more.
In order to reduce greenhouse gas emissions associated with power generation, the replacement of fossil fuels with renewables must be accompanied by the availability of dispatchable sources needed to balance electricity demand and production. Combined cycle (CC) power plants adopting post-combustion capture (PCC) can serve this purpose, ensuring near-zero CO2 emissions at the stack, as well as high efficiency and load flexibility. In particular, the chemical absorption process is the most established approach for industrial-scale applications, although widespread implementation is lacking. In this study, different natural gas combined cycle (NGCC) configurations were modeled to estimate the burden of retrofitting the capture process to existing power plants on thermodynamic performance. Simulations under steady-state conditions covered the widest possible load range, depending on the gas turbine (GT) model. Attention was paid to the net power loss and net efficiency penalty attributable to PCC. The former can be mitigated by lowering the GT air–fuel ratio to increase the CO2 concentration (XCO2) in the exhaust, thus decreasing the regeneration energy. The latter is reduced when the topping cycle is more efficient than the bottoming cycle for a given GT load. This is likely to be the case in the less-complex heat recovery units. Full article
(This article belongs to the Topic Evolution of Land-Based Gas Turbines)
Show Figures

Figure 1

16 pages, 5234 KB  
Article
Assessment of the Use of Carbon Capture and Storage Technology to Reduce CO2 Emissions from a Natural Gas Combined Cycle Power Plant in a Polish Context
by Lucia F. Pérez Garcés, Karol Sztekler, Leonardo Azevedo, Piotr Boruta, Tomasz Bujok, Ewelina Radomska, Agata Mlonka-Mędrala, Łukasz Mika and Tomasz Chmielniak
Energies 2024, 17(13), 3306; https://doi.org/10.3390/en17133306 - 5 Jul 2024
Cited by 2 | Viewed by 2840
Abstract
This study investigates the crucial role of Carbon Capture and Storage (CCS) technology in mitigating CO2 emissions from Poland’s power systems, which is essential not only for meeting climate targets but also for maintaining energy security in the country. Acknowledging natural gas [...] Read more.
This study investigates the crucial role of Carbon Capture and Storage (CCS) technology in mitigating CO2 emissions from Poland’s power systems, which is essential not only for meeting climate targets but also for maintaining energy security in the country. Acknowledging natural gas as a transitional fuel, the focus is on evaluating the decarbonization potential of the natural gas combined cycle (NGCC) power plant. The NGCC with and without an amine-based carbon capture unit was modeled using IPSEpro (SimTech, version 7.0). It was found that the annual CO2 emission from 435.68 MWe (net) NGCC can be reduced from 1,365,501 tons (357.8 kgCO2/MWh) to 136,556 tons (42.9 kgCO2/MWh). On the other hand, the CCS reduced the net electric power of the NGCC from 435.68 MW to 363.47 MW and the net energy efficiency from 55.60% to 46.39%. Nonetheless, these results demonstrate the potential of using the amine-based CO2 capture technology in NGCC systems. This is especially important in the context of the decarbonization of the Polish power system. Full article
Show Figures

Figure 1

2 pages, 145 KB  
Abstract
A Solution to Reduce the Carbon Footprint: Mineralization and Utilization of CO2 in Recycled Construction Aggregates
by Shuying Cheng, Suming Ye, Wayne Goh and Jie Bu
Proceedings 2024, 105(1), 99; https://doi.org/10.3390/proceedings2024105099 - 28 May 2024
Viewed by 860
Abstract
This study introduces an innovative strategy to mitigate global carbon emissions by integrating carbon dioxide (CO2) absorption and sequestration through the carbonation of recycled concrete aggregate (RCA). This approach not only promotes the recycling of concrete waste but also alleviates the [...] Read more.
This study introduces an innovative strategy to mitigate global carbon emissions by integrating carbon dioxide (CO2) absorption and sequestration through the carbonation of recycled concrete aggregate (RCA). This approach not only promotes the recycling of concrete waste but also alleviates the demand for new natural resources, addressing both environmental impact and geographical challenges associated with mining. The integrated process utilizes ammonia to capture flue gas emissions from natural gas combined cycle (NGCC) power plants, employing the captured solution to carbonate RCA for effective CO2 sequestration and to enhance the quality of RCA. The study comprehensively assesses the process’s viability, considering capture performance, energy penalty, compliance with ammonia emissions standards, and capital costs. A techno-economic analysis (TEA) highlights the potential and economic feasibility of the proposed approach. Bench-scale experiments, conducted at low CO2 concentrations (3~5%), focused on optimizing the carbonation process. The concentration of carbonated ammonia solution and its ratio to RCA were investigated to enhance the yield of carbonated RCA, resulting in an approximate 10% CO2 capacity when using a 5% carbonated ammonia solution with a 0.25 ratio. The design of a large-scale plant, with an annual carbonated RCA production capacity of around 150 ktonnes, was formulated, and TEA calculations using Aspen Plus® V14 indicated a cost of approximately SGD 13 per tonne of carbonated product. These findings underscore the promising potential of the proposed process in efficiently reducing carbon emissions while providing economic viability at a larger scale. Full article
24 pages, 6915 KB  
Article
Solar-Assisted Carbon Capture Process Integrated with a Natural Gas Combined Cycle (NGCC) Power Plant—A Simulation-Based Study
by Yasser Abbas Hammady Al-Elanjawy and Mustafa Yilmaz
Processes 2024, 12(3), 613; https://doi.org/10.3390/pr12030613 - 20 Mar 2024
Cited by 6 | Viewed by 3507
Abstract
In the realm of Natural Gas Combined Cycle (NGCC) power plants, it is crucial to prioritize the mitigation of CO2 emissions to ensure environmental sustainability. The integration of post-combustion carbon capture technologies plays a pivotal role in mitigating greenhouse gas emissions enhancing [...] Read more.
In the realm of Natural Gas Combined Cycle (NGCC) power plants, it is crucial to prioritize the mitigation of CO2 emissions to ensure environmental sustainability. The integration of post-combustion carbon capture technologies plays a pivotal role in mitigating greenhouse gas emissions enhancing the NGCC’s environmental profile by minimizing its carbon footprint. This research paper presents a comprehensive investigation into the integration of solar thermal energy into the Besmaya Natural Gas Combined Cycle (NGCC) power plant, located in Baghdad, Iraq. Leveraging advanced process simulation and modeling techniques employing Aspen Plus software, the study aims to evaluate the performance and feasibility of augmenting the existing NGCC facility with solar assistance for post-carbon capture. The primary objective of this research is to conduct a thorough simulation of the Besmaya NGCC power plant under its current operational conditions, thereby establishing a baseline for subsequent analyses. Subsequently, a solar-assisted post-combustion capture (PCC) plant is simulated and seamlessly integrated into the existing power infrastructure. To accurately estimate solar thermal power potential at the Baghdad coordinates, the System Advisor Model (SAM) is employed. The integration of solar thermal energy into the NGCC power plant is meticulously examined, and the resulting hybrid system’s technical viability and performance metrics are rigorously evaluated. The paper contributes to the field by providing valuable insights into the technical feasibility and potential benefits of incorporating solar thermal energy into conventional natural gas power generation infrastructure, particularly in the context of the Besmaya NGCC plant in Baghdad. The power generation capacity of the plant was set at 750 MW. With this capacity, the annual CO2 generation was estimated at 2,119,318 tonnes/year which was reduced to 18,064 tonnes/year (a 99% reduction). The findings aim to inform future decisions in the pursuit of sustainable and efficient energy solutions, addressing both environmental concerns and energy security in the region. Full article
(This article belongs to the Topic CO2 Capture and Renewable Energy)
Show Figures

Figure 1

23 pages, 4633 KB  
Article
Techno-Economic Analysis and Optimization of a Compressed-Air Energy Storage System Integrated with a Natural Gas Combined-Cycle Plant
by Pavitra Senthamilselvan Sengalani, Md Emdadul Haque, Manali S. Zantye, Akhilesh Gandhi, Mengdi Li, M. M. Faruque Hasan and Debangsu Bhattacharyya
Energies 2023, 16(13), 4867; https://doi.org/10.3390/en16134867 - 22 Jun 2023
Cited by 6 | Viewed by 3804
Abstract
To address the rising electricity demand and greenhouse gas concentration in the environment, considerable effort is being carried out across the globe on installing and operating renewable energy sources. However, the renewable energy production is affected by diurnal and seasonal variability. To ensure [...] Read more.
To address the rising electricity demand and greenhouse gas concentration in the environment, considerable effort is being carried out across the globe on installing and operating renewable energy sources. However, the renewable energy production is affected by diurnal and seasonal variability. To ensure that the electric grid remains reliable and resilient even for the high penetration of renewables into the grid, various types of energy storage systems are being investigated. In this paper, a compressed-air energy storage (CAES) system integrated with a natural gas combined-cycle (NGCC) power plant is investigated where air is extracted from the gas turbine compressor or injected back into the gas turbine combustor when it is optimal to do so. First-principles dynamic models of the NGCC plant and CAES are developed along with the development of an economic model. The dynamic optimization of the integrated system is undertaken in the Python/Pyomo platform for maximizing the net present value (NPV). NPV optimization is undertaken for 14 regions/cases considering year-long locational marginal price (LMP) data with a 1 h interval. Design variables such as the storage capacity and storage pressure, as well as the operating variables such as the power plant load, air injection rate, and air extraction rate, are optimized. Results show that the integrated CAES system has a higher NPV than the NGCC-only system for all 14 regions, thus indicating the potential deployment of the integrated system under the assumption of the availability of caverns in close proximity to the NGCC plant. The levelized cost of storage is found to be in the range of 136–145 $/MWh. Roundtrip efficiency is found to be between 74.6–82.5%. A sensitivity study with respect to LMP shows that the LMP profile has a significant impact on the extent of air injection/extraction while capital expenditure reduction has a negligible effect. Full article
(This article belongs to the Topic Modeling, Optimization, and Control of Energy Systems)
Show Figures

Figure 1

19 pages, 6983 KB  
Article
Comprehensive Thermodynamic Evaluation of the Natural Gas-Fired Allam Cycle at Full Load
by Lorenzo Colleoni, Alessio Sindoni and Silvia Ravelli
Energies 2023, 16(6), 2597; https://doi.org/10.3390/en16062597 - 9 Mar 2023
Cited by 11 | Viewed by 4985
Abstract
In this study, thermodynamic modeling and simulations were used to optimize the design point performance of the Allam cycle. The topic fits perfectly with the strategies for power sector decarbonization toward net zero emission. In fact, it offers an environmentally friendlier alternative to [...] Read more.
In this study, thermodynamic modeling and simulations were used to optimize the design point performance of the Allam cycle. The topic fits perfectly with the strategies for power sector decarbonization toward net zero emission. In fact, it offers an environmentally friendlier alternative to natural gas combined cycle (NGCC) plants. The focus is on oxyfuel combustion that, combined with supercritical CO2 (sCO2) stream as working fluid, produces high-purity CO2, electricity, and water by means of a highly recuperated Brayton cycle. The former is ready for sequestration, pipeline injection, or other applications, such as enhanced oil recovery or industrial processes. Being designed within the last decade, large-scale plants are poorly documented in the published literature and not yet ready for operation. Accordingly, a thermodynamic model was developed for a net power (Pn) output of 300 MW. After validation against the little data available from academic studies, simulation sets were conceived to assess the impact of main process parameters on cycle efficiency. To that end, operating conditions of the compressor, turbine, and air separation unit (ASU) were varied in a parametric analysis, preparatory to performance optimization. For the chosen layout, the maximum net electric efficiency (ηel,n) was found to be 50.4%, without thermal recovery from ASU. Full article
(This article belongs to the Topic Evolution of Land-Based Gas Turbines)
Show Figures

Figure 1

35 pages, 6799 KB  
Article
Life Cycle Environmental Impacts Assessment of Post-Combustion Carbon Capture for Natural Gas Combined Cycle Power Plant in Iraq, Considering Grassroots and Retrofit Design
by Rudha Khudhair Mohammed and Hooman Farzaneh
Energies 2023, 16(3), 1545; https://doi.org/10.3390/en16031545 - 3 Feb 2023
Cited by 19 | Viewed by 7166
Abstract
In this work, the Life Cycle Assessment (LCA) methodology is used to examine the implications of CO2 capture from a natural gas combined cycle power plant with post-combustion carbon capture (NGCC-CCS) in Iraq, taking into account two different design scenarios. In the [...] Read more.
In this work, the Life Cycle Assessment (LCA) methodology is used to examine the implications of CO2 capture from a natural gas combined cycle power plant with post-combustion carbon capture (NGCC-CCS) in Iraq, taking into account two different design scenarios. In the first scenario (retrofit), the carbon capture unit is considered as an end pipe technology that can be linked to an existing power plant. The second scenario considers a grassroots design, in which a new power plant equipped with a carbon capture unit needs to be constructed. The LCA is carried out based on different impact assessment (LCIA) methodologies of ReCipe 2016 Midpoint (H), TRACI 2.1, and IMPACT 2002+ to investigate whether the chosen LCIA method influences the LCA scenario analysis for decision support in process development. The results of three impact categories applied to both scenarios reveal a 28% reduction in Global Warming Potentials (GWPs) and a 14% and 17% increase in the Particulate Matter Formation Potential (PMFP) and Acidification (AP) potential in the grassroots scenario, respectively. Finally, an uncertainty analysis is performed to more accurately reflect the influence of uncertain factors on the statistical significance of the environmental impact evaluation in this research, indicating that these uncertainties may significantly affect the ultimate decision. Full article
Show Figures

Figure 1

20 pages, 5391 KB  
Article
Exergetic Analysis of DME Synthesis from CO2 and Renewable Hydrogen
by Marcello De Falco, Gianluca Natrella, Mauro Capocelli, Paulina Popielak, Marcelina Sołtysik, Dariusz Wawrzyńczak and Izabela Majchrzak-Kucęba
Energies 2022, 15(10), 3516; https://doi.org/10.3390/en15103516 - 11 May 2022
Cited by 13 | Viewed by 4977
Abstract
Carbon Capture and Utilization (CCU) is a viable solution to valorise the CO2 captured from industrial plants’ flue gas, thus avoiding emitting it and synthesizing products with high added value. On the other hand, using CO2 as a reactant in chemical [...] Read more.
Carbon Capture and Utilization (CCU) is a viable solution to valorise the CO2 captured from industrial plants’ flue gas, thus avoiding emitting it and synthesizing products with high added value. On the other hand, using CO2 as a reactant in chemical processes is a challenging task, and a rigorous analysis of the performance is needed to evaluate the real impact of CCU technologies in terms of efficiency and environmental footprint. In this paper, the energetic performance of a DME and methanol synthesis process fed by 25% of the CO2 captured from a natural gas combined cycle (NGCC) power plant and by the green hydrogen produced through an electrolyser was evaluated. The remaining 75% of the CO2 was compressed and stored underground. The process was assessed by means of an exergetic analysis and compared to post-combustion Carbon Capture and Storage (CCS), where 100% of the CO2 captured was stored underground. Through the exergy analysis, the quality degradation of energy was quantified, and the sources of irreversibility were detected. The carbon-emitting source was a 189 MW Brayton–Joule power plant, which was mainly responsible for exergy destruction. The CCU configuration showed a higher exergy efficiency than the CCS, but higher exergy destruction per non-emitted carbon dioxide. In the DME/methanol production plant, the main contribution to exergy destruction was given by the distillation column separating the reactor outlet stream and, in particular, the top-stage condenser was found to be the component with the highest irreversibility (45% of the total). Additionally, the methanol/DME synthesis reactor destroyed a significant amount of exergy (24%). Globally, DME/methanol synthesis from CO2 and green hydrogen is feasible from an exergetic point of view, with 2.276 MJ of energy gained per 1 MJ of exergy destroyed. Full article
Show Figures

Figure 1

22 pages, 9618 KB  
Article
Dynamic Optimal Dispatch of Energy Systems with Intermittent Renewables and Damage Model
by Rebecca Kim, Yifan Wang, Sai Pushpitha Vudata, Debangsu Bhattacharyya, Fernando V. Lima and Richard Turton
Mathematics 2020, 8(6), 868; https://doi.org/10.3390/math8060868 - 28 May 2020
Cited by 12 | Viewed by 3250
Abstract
With the increasing penetration of intermittent renewable energy sources into the grid, there is a growing need for process systems-based strategies that integrate dispatchable and variable energy systems for supplying the demand while maintaining grid reliability. The proposed framework corresponds to a dynamic [...] Read more.
With the increasing penetration of intermittent renewable energy sources into the grid, there is a growing need for process systems-based strategies that integrate dispatchable and variable energy systems for supplying the demand while maintaining grid reliability. The proposed framework corresponds to a dynamic mixed-integer linear programming optimization approach that integrates coal-fired and natural gas-fired power plants, NaS batteries for energy storage, and solar/wind energy to supply the demand. This optimization approach considers an economic goal and constraints to provide power balance while maintaining the overall damage of the natural gas combined cycle (NGCC) power plant drum under a maximum stress as well as avoiding the overheating of the NGCC superheater and reheater. Renewable curtailment levels are also retained at minimum levels. Case studies are analyzed considering different loads and renewable penetration levels. The results show that the demand was met for all cases. Grid flexibility was mostly provided by the NGCC, while the batteries were used sparingly. In addition, considering a CO2 equivalent analysis, the environmental performance was intrinsically connected to grid flexibility and the level of renewable penetration. Stress analysis results reinforced the necessity for an equipment health-related constraint. Full article
Show Figures

Graphical abstract

28 pages, 6048 KB  
Article
Parametric Process Design and Economic Analysis of Post-Combustion CO2 Capture and Compression for Coal- and Natural Gas-Fired Power Plants
by Emmanuel Adu, Y.D. Zhang, Dehua Liu and Paitoon Tontiwachwuthikul
Energies 2020, 13(10), 2519; https://doi.org/10.3390/en13102519 - 15 May 2020
Cited by 40 | Viewed by 6359
Abstract
For the envisaged large number of commercial-scale carbon capture and storage (CCS) projects that are to be implemented in the near future, a number of issues still need to be resolved, the most prominent being the large capital and operational costs incurred for [...] Read more.
For the envisaged large number of commercial-scale carbon capture and storage (CCS) projects that are to be implemented in the near future, a number of issues still need to be resolved, the most prominent being the large capital and operational costs incurred for the CO2 capture and compression process. An economic assessment of the capture and compression system based on optimal design data is important for CCS deployment. In this paper, the parametric process design approach is used to optimally design coal and natural gas monoethanolamine (MEA)-based post-combustion CO2 absorption–desorption capture (PCC) and compression plants that can be integrated into large-scale 550 MW coal-fired and 555 MW natural gas combined cycle (NGCC) power plants, respectively, for capturing CO2 from their flue gases. The study then comparatively assesses the energy performance and economic viabilities of both plants to ascertain their operational feasibilities and relative costs. The parametric processes are presented and discussed. The results indicate that, at 90% CO2 capture efficiency, for the coal PCC plant, with 13.5 mol.% CO2 in the inlet flue gas, at an optimum liquid/gas ratio of 2.87 kg/kg and CO2 lean loading of 0.2082 mol CO2/mol MEA, the CO2 avoidance cost is about $72/tCO2, and, for the NGCC PCC plant, with 4.04 mol.% CO2 in the inlet flue gas, at an optimum liquid/gas ratio of 0.98 kg/kg and CO2 lean loading of 0.2307 mol CO2/mol MEA, the CO2 avoidance cost is about $94/tCO2. Full article
Show Figures

Graphical abstract

32 pages, 3380 KB  
Article
Preliminary Performance and Cost Evaluation of Four Alternative Technologies for Post-Combustion CO2 Capture in Natural Gas-Fired Power Plants
by Manuele Gatti, Emanuele Martelli, Daniele Di Bona, Marco Gabba, Roberto Scaccabarozzi, Maurizio Spinelli, Federico Viganò and Stefano Consonni
Energies 2020, 13(3), 543; https://doi.org/10.3390/en13030543 - 22 Jan 2020
Cited by 30 | Viewed by 7963
Abstract
The objective of this study is to assess the technical and economic potential of four alternative processes suitable for post-combustion CO2 capture from natural gas-fired power plants. These include: CO2 permeable membranes; molten carbonate fuel cells (MCFCs); pressurized CO2 absorption [...] Read more.
The objective of this study is to assess the technical and economic potential of four alternative processes suitable for post-combustion CO2 capture from natural gas-fired power plants. These include: CO2 permeable membranes; molten carbonate fuel cells (MCFCs); pressurized CO2 absorption integrated with a multi-shaft gas turbine and heat recovery steam cycle; and supersonic flow-driven CO2 anti-sublimation and inertial separation. A common technical and economic framework is defined, and the performance and costs of the systems are evaluated based on process simulations and preliminary sizing. A state-of-the-art natural gas combined cycle (NGCC) without CO2 capture is taken as the reference case, whereas the same NGCC designed with CO2 capture (using chemical absorption with aqueous monoethanolamine solvent) is used as a base case. In an additional benchmarking case, the same NGCC is equipped with aqueous piperazine (PZ) CO2 absorption, to assess the techno-economic perspective of an advanced amine solvent. The comparison highlights that a combined cycle integrated with MCFCs looks the most attractive technology, both in terms of energy penalty and economics, i.e., CO2 avoided cost of 49 $/tCO2 avoided, and the specific primary energy consumption per unit of CO2 avoided (SPECCA) equal to 0.31 MJLHV/kgCO2 avoided. The second-best capture technology is PZ scrubbing (SPECCA = 2.73 MJLHV/kgCO2 avoided and cost of CO2 avoided = 68 $/tCO2 avoided), followed by the monoethanolamine (MEA) base case (SPECCA = 3.34 MJLHV/kgCO2 avoided and cost of CO2 avoided = 75 $/tCO2 avoided), and the supersonic flow driven CO2 anti-sublimation and inertial separation system and CO2 permeable membranes. The analysis shows that the integrated MCFC–NGCC systems allow the capture of CO2 with considerable reductions in energy penalty and costs. Full article
(This article belongs to the Section A: Sustainable Energy)
Show Figures

Figure 1

13 pages, 1542 KB  
Article
A New Integration System for Natural Gas Combined Cycle Power Plants with CO2 Capture and Heat Supply
by Yue Hu, Yachi Gao, Hui Lv, Gang Xu and Shijie Dong
Energies 2018, 11(11), 3055; https://doi.org/10.3390/en11113055 - 7 Nov 2018
Cited by 15 | Viewed by 5899
Abstract
Although carbon mitigation in power industry is attracting more and more attention around the world, the large scale application of carbon capture technology is obstructed because of the enormous energy consumption and huge capital investment required. In this study, an integrated system with [...] Read more.
Although carbon mitigation in power industry is attracting more and more attention around the world, the large scale application of carbon capture technology is obstructed because of the enormous energy consumption and huge capital investment required. In this study, an integrated system with power generation, CO2 capture and heat supply are proposed, which adopts three measures to reutilize the waste heat released from the CO2 capture process, including extracted steam recirculation, a CO2 Rankine cycle and a radiant floor heat subsystem. Amongst these measures, the radiant floor heat subsystem can efficiently reuse the relatively low temperature waste energy in the absorbent cooler. Through thermodynamic analysis, it is determined that the power output of the new integrated system is 19.48 MW higher compared with the decarbonization Natural Gas Combined Cycle (NGCC) power plant without system integration. On the other hand, 247.59 MW of heat can be recovered through the radiant floor heat subsystem, leading to an improved overall energy efficiency of 73.6%. In terms of the economic performance, the integration requires only 2.6% more capital investment than a decarbonization NGCC power plant without system integration and obtains extra revenue of 3.40 $/MWh from the simultaneous heat supply, which reduces the cost of CO2 avoided by 22.3%. The results prove the economic and efficiency potential of a NGCC power plant integrated with carbon capture, which may promote the industrial demonstration of carbon capture theology. Full article
Show Figures

Figure 1

Back to TopTop