Parametric Process Design and Economic Analysis of Post-Combustion CO2 Capture and Compression for Coal- and Natural Gas-Fired Power Plants
Abstract
1. Introduction
2. The Absorption-Desorption Process Modeling Approach
3. Project Specifications and PCC and Compression Unit Operations
3.1. Project Specifications
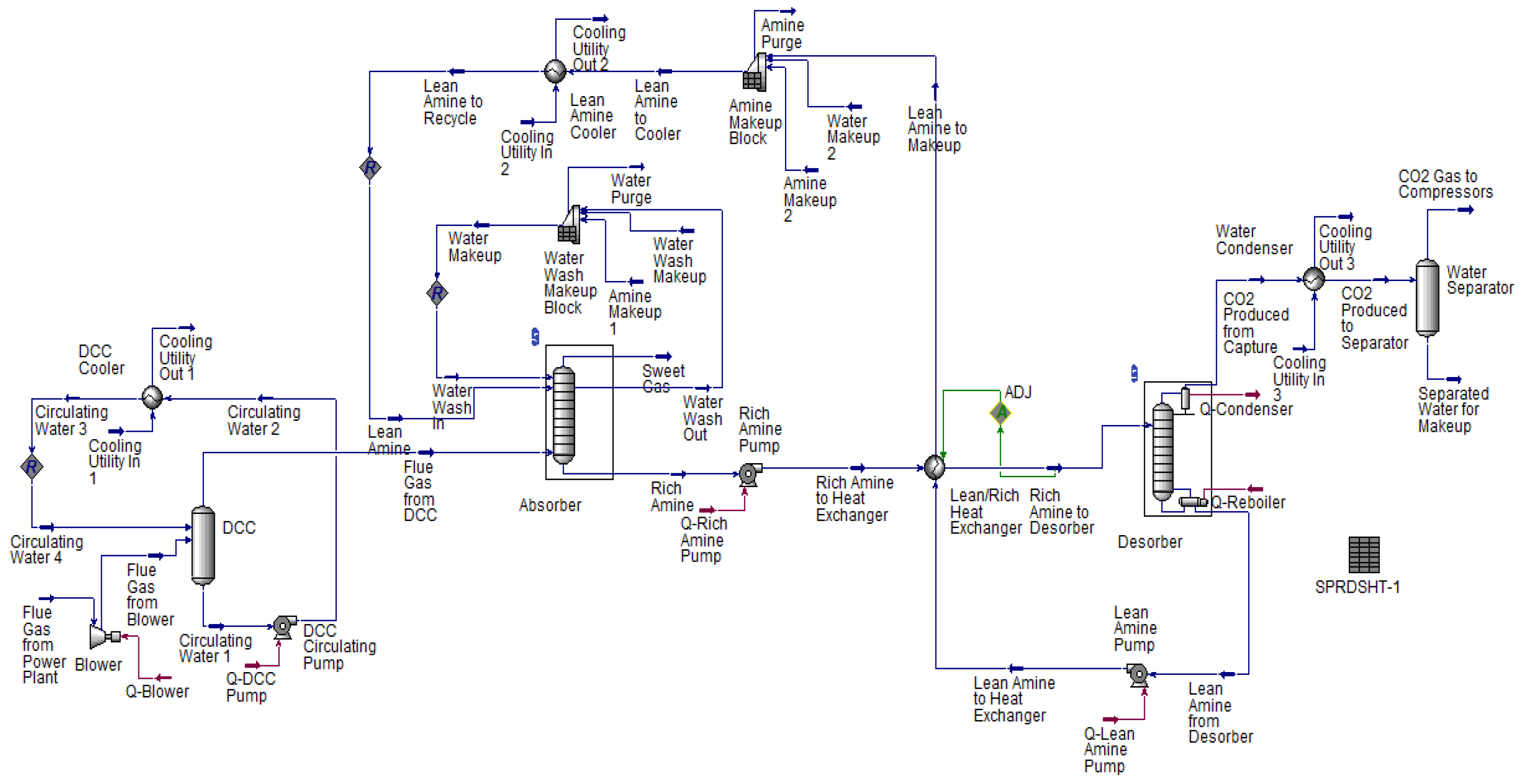
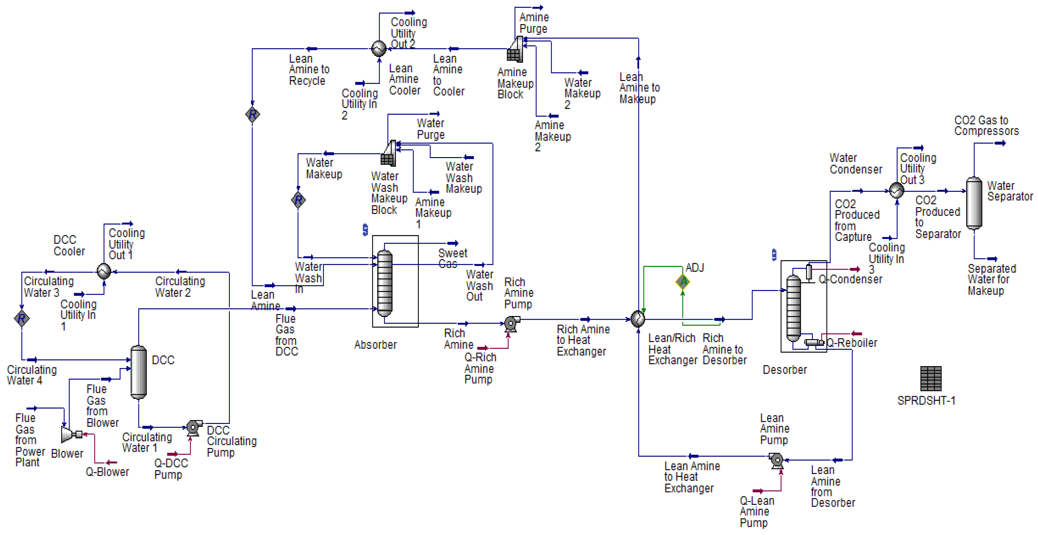
3.2. Base Flowsheet Unit Operations of the Amine PCC and Compression System
4. Results and Discussion
4.1. Validation of Model
4.2. Parametric Process Design Analysis Results
4.2.1. Effect of Absorber and Stripper Column Packed Height
4.2.2. Effect of MEA Solvent Concentration and Lean Loading
4.2.3. Effect of Absorber Inlet Lean Solvent Temperature and Water Wash System Temperature
4.2.4. Effect of Stripper Reboiler Temperature
4.2.5. Effect of Rich Loading
4.2.6. Effect of Stripper Inlet Temperature and Pressure
4.3. Summary of Optimized Process Design and Operating Conditions of PCC and Compression with Coal and NGCC Power Plants
4.3.1. Improved Results for PCC and Compression with Coal-Fired Power Plant
4.3.2. Improved Results for PCC and Compression with NGCC Power Plant
4.4. Economic Analysis
5. Conclusions
- The recovery percentage of the solute CO2 in the flue gas mixture and the required product purity of separation were largely determined using the liquid-to-gas molar flow rate (L/G) ratio and the packed height of the absorber or stripper columns. The optimal L/G ratio and reboiler temperature are highly dependent on the lean loading attained and, therefore, determine the regeneration energy. Lower lean loadings enhance the rate behavior of the absorber which increases the capture rate and, hence, increases the solvent regeneration energy. The optimum L/G ratio and CO2 lean loading for the supercritical pulverized coal PCC plant, with 13.5 mol.% CO2 in the inlet flue gas, were 2.87 (lean flowrate of 2451 kg/s) and 0.2082 mol CO2/mol MEA, respectively, while the optimum L/G ratio and CO2 lean loading for the natural gas combined cycle PCC plant with 4.04 mol.% CO2 in the inlet flue gas were 0.98 (lean flowrate of 871 kg/s) and 0.2307 mol CO2/mol MEA, respectively.
- The above cost estimates indicate that coal plants with capture seem to be the cheapest option for CO2 capture compared to NGCC plants with capture. Moreover, the study shows that, for the NGCC plant without capture to be cost-competitive with coal plant with capture, the CO2 price should be 72 $/tCO2. The total annual cost of the CO2 capture and compression plant was lower for Coal (about 400,649 $/tCO2) than for NGCC (about 554,884 $/tCO2). The decision to invest in NGCC plants with the currently most mature CO2 capture technology (post-combustion capture and a compression process of the CO2 for export) largely depends on the prevailing fuel and CO2 allowance prices on the market.
6. Highlights of Paper
- A predictive process modeling was used to optimally design post-combustion CO2 capture and compression plants (PCC) that can be coupled with supercritical pulverized coal-fired and natural gas combined cycle power plants of almost the same capacity.
- A parametric design approach was used for the design of both plants, and a systematic description of the technical processes for the selection of optimal parameters was presented.
- A comparative assessment of the energy performance and economic value potential of both plants was presented.
Author Contributions
Funding
Conflicts of Interest
References
- Szulejko, J.E.; Kumar, P.; Deep, A.; Kim, K.-H. Global warming projections to 2100 using simple CO2 greenhouse gas modeling and comments on CO2 climate sensitivity factor. Atmos. Pollut. Res. 2017, 8, 136. [Google Scholar] [CrossRef]
- Pillar-Little, E.A.; Guzman, M.I. An Overview of Dynamic Heterogeneous Oxidations in the Troposphere. Environments 2018, 5, 104. [Google Scholar] [CrossRef]
- PBL Netherlands Environmental Assessment Agency. Trends in Global CO2 Emissions; 2016 Report; Netherlands Environmental Assessment Agency: Rijswijk, The Netherlands, 2016. [Google Scholar]
- USEPA, “Greenhouse Gas Emissions”, United States Environmental Protection Agency. 2017. Available online: https://www.epa.gov/ghgemissions/global-greenhouse-gas-emissions-data (accessed on 6 November 2017).
- Steeneveldt, R.; Berger, B.; Torp, T. CO2 capture and storage. Chem. Eng. Res. Des. 2006, 84, 739–763. [Google Scholar] [CrossRef]
- Kuramochi, T.; Ramírez, A.; Turkenburg, W.; Faaij, A. Comparative assessment of CO2 capture technologies for carbon-intensive industrial processes. Prog. Energy Combust. Sci. 2012, 38, 87–112. [Google Scholar] [CrossRef]
- Abas, N.; Kalair, A.; Khan, N. Review of Fossil Fuels and Future Energy Technologies. Futures 2015. [Google Scholar] [CrossRef]
- WCA, Coal and Electricity, World Coal Association. 2018. Available online: https://www.worldcoal.org/coal/uses-coal/coal-electricity (accessed on 25 April 2018).
- Huaman, R.N.E.; Jun, T.X. Energy Related CO2 Emissions and the Progress on CCS Projects: A review. Renew. Sustain. Energy Rev. 2014, 31, 368–385. [Google Scholar] [CrossRef]
- Leung, D.Y.C.; Caramanna, G.; Maroto-Valer, M.M. An Overview of Current Status of Carbon Dioxide Capture and Storage Technologies. Renew. Sustain. Energy Rev. 2014, 39, 426–443. [Google Scholar] [CrossRef]
- Zhou, R.; Guzman M., I. CO2 Reduction under Periodic Illumination of ZnS. The J. Phy. Chem. 2014, 118. [Google Scholar]
- Sharma, N.; Das, T.; Kumar, S.; Bhosale, R.; Kabir, M.; Ogale, S. Photocatalytic Activation and Reduction of CO2 to CH4 over Single Phase Nano Cu3SnS4: A Combined Experimental and Theoretical Study. ACS Appl. Energy Mater. 2019, 2, 5677–5685. [Google Scholar] [CrossRef]
- IEA. Carbon Capture and Storage, the Solution for Deep Emissions Reductions; OECD/IEA Publishing: Paris, France, 2015. [Google Scholar]
- Liang, Z.H.; Rongwong, W.; Liu, H.; Fu, K.; Gao, H.; Cao, F.; Zhang, R.; Sema, T.; Henni, A.; Sumon, K.; et al. Recent progress and new developments in post-combustion carbon-capture technology with amine-based solvents. Int. J. Greenh. Gas Control. 2015, 40, 26–54. [Google Scholar] [CrossRef]
- IEA Report, Energy Technology Perspectives. 2010. Available online: http://www.iea.org (accessed on 9 May 2019).
- GCCSI. The Global Status of CCS; Summary Report 2019; Global CCS Institute (GCCSI): Melbourne, Australia, 2019. [Google Scholar]
- Rubin, E. 2012 Understanding the Pitfalls of CCS Cost Estimates. Int. J. Greenh. Gas Control 2012, 10, 181–190. [Google Scholar] [CrossRef]
- Idem, R.; Wilson, M.; Tontiwachwuthikul, P.; Chakma, A.; Veawab, A.; Aroonwilas, A.; Gelowitz, D. Pilot plant studies of the CO2 capture performance of aqueous MEA and mixed MEA/MDEA solvents at the University of Regina CO2 capture technology development plant and the Boundary Dam CO2 capture demonstration plant. Ind. Eng. Chem. Res. 2006, 45, 2414–2420. [Google Scholar] [CrossRef]
- Notz, R.; Mangalapally, H.P.; Hasse, H. Post combustion CO2 capture by reactive absorption: Pilot plant description and results of systematic studies with MEA. Int. J. Greenh. Gas Control 2012, 6, 84–112. [Google Scholar] [CrossRef]
- Frimpong, R.A.; Johnson, D.; Richburg, L.; Hogston, B.; Remias, J.E.; Neathery, J.K.; Liu, K. Comparison of solvent performance for CO2 capture from coal-derived flue gas: A pilot scale study. Chem. Eng. Res. Des. 2013, 91, 963–969. [Google Scholar] [CrossRef]
- Thompson, J.G.; Combs, M.; Abad, K.; Bhatnagar, S.; Pelgen, J.; Beaudry, M.; Rochelle, G.; Hume, S.; Link, D.; Figueroa, J.; et al. Pilot testing of a heat integrated 0.7 MWe CO2 capture system with two-stage air-stripping: Emission. Int. J. Greenh. Gas Control 2017, 64, 267–275. [Google Scholar] [CrossRef]
- Thompson, J.G.; Bhatnagar, S.; Combs, M.; Abad, K.; Onneweer, F.; Pelgen, J.; Link, D.; Figueroa, J.; Nikolic, H.; Liu, K. Pilot testing of a heat integrated 0.7 MWe CO2 capture system with two-stage air-stripping: Amine degradation and metal accumulation. Int. J. Greenh. Gas Control 2017, 64, 23–33. [Google Scholar] [CrossRef]
- Berstad, D.; Arasto, A.; Jordal, K.; Haugen, G. Parametric study and benchmarking of NGCC, coal and biomass power cycles integrated with MEA-based post-combustion CO2 capture. Energy Procedia 2011, 4, 1737–1744. [Google Scholar] [CrossRef]
- Mac Dowell, N.; Shah, N. Dynamic modelling and analysis of a coal-fired power plant integrated with a novel split-flow configuration post-combustion CO2 capture process. Int. J. Greenh. Gas Control 2014, 27, 103–119. [Google Scholar] [CrossRef]
- Ali, U.; Font-Palma, C.; Akram, M.; Agbonghae, E.O.; Ingham, D.B.; Pourkashanian, M. Comparative potential of natural gas, coal and biomass fired power plant with post—Combustion CO2 capture and compression. Int. J. Greenh. Gas Control 2017, 63, 184–193. [Google Scholar] [CrossRef]
- Freguia, S.; Rochelle, G.T. Modeling of CO2 capture by aqueous monoethanolamine. AIChE J. 2003, 49, 1676–1686. [Google Scholar] [CrossRef]
- Zhang, Y.; Chen, H.; Chen, C.C.; Plaza, J.M.; Dugas, R.; Rochelle, G.T. Rate-based process modeling study of CO2 capture with aqueous monoethanolamine solution. Ind. Eng. Chem. Res. 2009, 48, 9233–9246. [Google Scholar] [CrossRef]
- Chen, C.-C.; Britt, H.I.; Boston, J.F.; Evans, L.B. Local composition model for excess Gibbs energy of electrolyte systems. Part I: Single solvent, single completely dissociated electrolyte systems. AIChE J. 1982, 28, 588–596. [Google Scholar] [CrossRef]
- Chen, C.C.; Evans, L.B. A Local Composition Model for the Excess Gibbs Energy of Aqueous-Electrolyte Systems. AIChE J. 1986, 32, 444–454. [Google Scholar] [CrossRef]
- Peng, D.-Y.; Robinson, D.B. A New Two-Constant Equation of State. Ind. Eng. Chem. Fundam. 1976, 15, 59–64. [Google Scholar] [CrossRef]
- Hessen, E.T.; Haug-Warberg, T.; Svendsen, H.F. The refined e-NRTL model applied to CO2–H2O–alkanolamine systems. Chem. Eng. Sci. 2010, 65, 3638–3648. [Google Scholar] [CrossRef]
- Wilcox, J. Carbon Capture; Springer Science+Business Media, LLC: New York, NY, USA, 2012. [Google Scholar]
- USDOE/NETL. Cost and Performance Baseline for Fossil Energy Plants, Volume 1: Bituminous Coal and Natural Gas to Electricity; Revision 2a, September 2013, DOE/NETL- 2010/1397; US Department of Energy/National Energy Technology Laboratory: Washington, DC, USA, 2010 20 September; 13.
- Shen, K.-P.; Li, M.-H. Solubility of Carbon Dioxide in Aqueous Mixtures of Monoethanolamine with Methyldiethanolamine. J. Chem. Eng. Data 1992, 37, 96–100. [Google Scholar] [CrossRef]
- Cifre, P.G.; Brechtel, K.; Unterberger, S.; Scheffknecht, G. Experimental studies on CO2 desorption from amine solutions. In Proceedings of the IEA 4th International Conference of Clean Coal Technologies, Dresden, Germany, 18–20 May 2009. [Google Scholar]
- Oexmann, J.; Kather, A. Minimising the regeneration heat duty of post-combustion CO2 capture by wet chemical absorption: The misguided focus on low heat of absorption solvents. Int. J. Greenh. Gas Control 2010, 4, 36–43. [Google Scholar] [CrossRef]
- Sander, M.T.; Mariz, C.L. The Fluor Daniel® econamine FG process: Past experience and present day focus. Energy Convers. Manag. 1992, 33, 341–348. [Google Scholar] [CrossRef]
- Kohl, A.L.; Nielsen, R.B. Gas Purification, 5th ed.; Gulf Professional Publishing: Houston, TX, USA, 1997. [Google Scholar]
- Fenske, M.R. Fractionation of Straight-Run Pennsylvania Gasoline. Ind. Eng. Chem. 1932, 24, 482. [Google Scholar] [CrossRef]
- Underwood, A.J.V. Fractional Distillation of Multicomponent Mixtures. Chem. Eng. Prog. 1948, 1948 44, 603. [Google Scholar] [CrossRef]
- Gilliland, E.R. Multicomponent Rectification. Ind. Eng. Chem. 1940, 32, 1220. [Google Scholar] [CrossRef]
- Davis, J.; Rochelle, G. Thermal degradation of monoethanolamine at stripper conditions. In Proceedings of the 9th International Conference on Greenhouse Gas Control Technologies, Washington, DC, USA, 16–20 November 2008. [Google Scholar]
- Li, X.; Wang, S.; Chen, C. Experimental study of energy requirement of CO2 desorption from rich solvent. Energy Procedia 2013, 37, 1836–1843. [Google Scholar] [CrossRef]
- Canepa, R.; Wang, M. Techno-economic analysis of a CO2 capture plant integrated with a commercial scale combined cycle gas turbine (CCGT) power plant. Appl. Therm. Eng. 2014. [Google Scholar] [CrossRef]
- Alhajaj, A.; Mac Dowell, N.; Shah, N. A techno-economic analysis of post-combustion CO2 capture and compression applied to a combined cycle gas turbine: Part I. A parametric study of the key technical performance indicators. Int. J. Greenh. Gas Control 2016, 44, 26–41. [Google Scholar] [CrossRef]
- Vaidya, P.D.; Kenig, E.Y. CO2-alkanolamine reaction kinetics: A review of recent studies. Chem. Eng. Technol. 2007, 30, 1467–1474. [Google Scholar] [CrossRef]
- Wang, D.; Zhang, Y.D.; Adu, E. Influence of Dense Phase CO2 Pipeline Transportation Parameters. Int. J. Heat Technol. 2016, 34, 479–484. [Google Scholar] [CrossRef]
- Adu, E.; Zhang, Y.D.; Liu, D. Current Situation of Carbon Dioxide Capture, Storage, and Enhanced Oil Recovery in the Oil and Gas Industry. Can. J. Chem. Eng. 2019, 97, 1048–1076. [Google Scholar] [CrossRef]
- Peters, M.S.; Timmerhaus, K.D.; West, R.E. Plant Design and Economics for Chemical Engineers, 5th ed.; McGraw Hill: New York, NY, USA, 2004. [Google Scholar]
- Couper, J.R.; Penney, W.R.; Fair, J.R.; Walas, S.M. Chemical Process Equipment: Selection and Design, 3rd ed.; Elsevier Butterworth-Heinemann: Amsterdam, The Netherlands; London, UK, 2012. [Google Scholar]
- Robin, S. Chemical Process Design and Integration, 2nd ed.; John Wiley & Sons Ltd.: Chichester, UK, 2016. [Google Scholar]
- McCollum, D.L.; Ogden, J.M. Techno-Economic Models for Carbon Dioxide Compression, Transport, and Storage & Correlations for Estimating Carbon Dioxide Density and Viscosity; Institute of Transportation Studies, University of California: Davis, CA, USA, 2006. [Google Scholar]
- Chauvel, A.; Miller, R.; Miller, E.B. Manual of Economic Analysis of Chemical Processes: Feasibility Studies in Refinery and Petrochemical Processes; McGraw-Hill: New York, NY, USA, 1981. [Google Scholar]














| Parameter | Unit | Coal | NGCC |
|---|---|---|---|
| Fuel type | Coal | Natural gas | |
| Net power output | MWe | 550 | 555 |
| LHV/HHV (MWth) | LHV/HHV | HHV (1400) | HHV (1106) |
| Power plant efficiency | % | 39.3 | 50.2 |
| Flue gas properties from power plant | |||
| Temperature | K | 331.15 | 379.15 |
| Pressure | MPa, abs. | 0.10 | 0.10 |
| Mass flow rate | kg/s | 821.26 | 897.4 |
| Composition | |||
| N2 | mol.% | 67.93 | 74.32 |
| O2 | mol.% | 2.38 | 12.09 |
| CO2 | mol.% | 13.5 | 4.04 |
| H2O | mol.% | 15.37 | 8.67 |
| SO2 | ppm | 0 | 0 |
| NOX | ppm | N/A | 0 |
| H2S | ppm | N/A | 0 |
| Ar | mol.% | 0.81 | 0.89 |
| Solubility of CO2 in 30 wt.% Aqueous Solution of MEA [34] | Specific Reboiler Duty in kJ/kgCO2 [19] | |||||
|---|---|---|---|---|---|---|
| T (°C) | P (kPa) | Mol CO2/mol MEA (Experiment) | Mol CO2/mol MEA (Model) | Lean Loading Mol CO2/mol MEA | GJ/tCO2 Experiment | GJ/tCO2 Model |
| 40 | 28.7 | 0.538 | 0.563 | 0.265 | 5.01 | 5.412 |
| 40 | 58.4 | 0.570 | 0.615 | 0.308 | 3.98 | 3.628 |
| 40 | 101.3 | 0.594 | 0.625 | 0.230 | 7.18 | 7.345 |
| 60 | 61.0 | 0.526 | 0.543 | 0.268 | 5.05 | 5.216 |
| 60 | 96.5 | 0.557 | 0.576 | 0.306 | 4.19 | 4.015 |
| 60 | 116.3 | 0.567 | 0.586 | 0.317 | 3.85 | 3.675 |
| Process Parameter | Unit | Improved Results Coal CO2 Capture Plant | Improved Results NGCC CO2 Capture Plant |
|---|---|---|---|
| Flue gas flowrate | kg/s | 853.1 | 885.9 |
| Lean solvent flowrate | kg/s | 2451 | 871 |
| L/G ratio | kg/kg | 2.87 | 0.98 |
| Lean solvent CO2 loading | mol CO2/mol MEA | 0.2082 | 0.2307 |
| Rich solvent CO2 loading | mol CO2/mol MEA | 0.5226 | 0.5000 |
| CO2 capture efficiency | % | 90 | 90 |
| Number of absorbers | 1 | 1 | |
| Water wash section absorber diameter | m | 14.06 | 13.86 |
| Absorber diameter | m | 22.45 | 18.57 |
| Total absorber packed height | m | 41.50 | 34.50 |
| Number of strippers | 1 | 1 | |
| Stripper diameter | m | 14.11 | 8.04 |
| Stripper packed height | m | 18 | 17 |
| Reboiler temperature | °C | 117.3 | 117.1 |
| Regeneration energy requirement | kJ/kgCO2 | 3882 | 4130 |
| Specific condenser duty | kJ/kgCO2 | 1235 | 877.82 |
| Blower energy requirement | kJ/kgCO2 | 60 | 253 |
| Pump energy requirement for Capture plant | kJ/kgCO2 | 13.8 | 16.98 |
| Compression energy requirement | kJ/kgCO2 | 362 | 362 |
| Cooling water requirement | kg/s | 16320 | 6489 |
| Parameter | Value |
|---|---|
| Economic/project life (years) | 25 |
| Equipment salvage value ($) | 0 |
| Construction period (years) | 3 |
| Capacity factor (%) | 85 |
| Interest rate (%) | 7 |
| Costs of coal fuel ($/GJ) | 2.37 |
| Costs of NGCC fuel ($/GJ) | 6.85 |
| Year | CEPCI |
|---|---|
| 2000 | 394.1 |
| 2005 | 468.2 |
| 2007 | 525.4 |
| 2009 | 521.9 |
| 2017 | 567.5 |
| Equipment | Size Factor | Base Size | Base Cost ($) | Power Factor |
|---|---|---|---|---|
| Blower | Power (kW) | 250 | 98400 | 0.59 |
| DCC vessel | Weight * | |||
| DCC pump | Power (kW) | 4 | 9840 | 0.33 |
| DCC cooler | Area (m2) | 80 | 32,800 | 0.6 |
| Absorber packed column | Weight * | − | − | − |
| Stripper packed column | Weight * | − | − | − |
| Rich pump | Power (kW) | 4 | 9840 | 0.33 |
| Lean pump | Power (kW) | 4 | 9840 | 0.33 |
| Lean/rich heat exchanger | Area (m2) | 80 | 32,800 | 0.6 |
| Lean cooler | Area (m2) | 80 | 32,800 | 0.6 |
| Stripper condenser | Area (m2) | 80 | 32,800 | 0.6 |
| Stripper reboiler | Area (m2) | 80 | 32,800 | 0.6 |
| Water condenser | Area (m2) | 80 | 32,800 | 0.6 |
| Water separator | Weight * | − | − | − |
| Capital Cost Element | Value |
|---|---|
| Purchased equipment cost (PEC) | Ei Ɐ i = 1, …, n |
| Instrumentation and controls (ICC) | Ii Ɐ i = 1, …, n |
| Total direct plant cost (DPC) | ∑nEiFE + ∑nIiFI i i |
| Indirect plant cost (IPC) | 31% DPC |
| Total direct and indirect plant cost (TDI) | DPC + IPC |
| Off-sites cost (OC) | 31% DPC |
| Process plant cost (PPC) | TDI + OC |
| Engineering services (ES) | 12% PPC |
| Royalties paid (RP) | 7% TDI |
| Stationery Items for Office Uses (SIO) | $338,558 USD in 2017 |
| Facility capital cost (FCC) | PPC + ES + RP + SIO |
| Solvent/feedstock unit cost (SC) | $2500/t |
| Interest on construction (IC) | 7% FCC |
| Start-up cost (SUC) | 10% VOM |
| Total capital cost (TC) | FCC + SC + IC + SUC |
| Working capital (WC) | 10% VOM |
| Total capital investment (TCI) | TC + WC |
| Code | Operating Cost Element | Value |
|---|---|---|
| OA | Electricity | $0.079/kWh |
| OB | Steam | $0.018/kWh |
| OC | Cooling water | $0.015/m3 |
| OD | Utilities (U) | U = OA + OB + OC |
| OE | Absorbent makeup | $2.43/kg |
| OF | Variable operating cost (VOM) | VOM = U + OE |
| OG | Labor | 1 operation engineer ($/year) |
| OH | Maintenance | 4% PUI |
| OI | Taxes and insurance | 2% PUI |
| OJ | Overheads | 1% PUI |
| OK | Financing working capital | 9% WC |
| OL | Fixed operating and maintenance (FOM) | FOM = OG + OH + OI + OJ + OK |
| Cost Element | Value |
|---|---|
| Capital cost for compression | Ccomp |
| Capital cost for CO2 product pumping | Cpump |
| Total capital cost (Ctotal) ($) | Ccomp + Cpump |
| Capital recovery factor (CRF) | 0.15/year |
| Capacity factor (CF) | 0.85 |
| Electricity cost (EC) | $0.079/kWh |
| Compression power requirement (Wc) | kW |
| Pumping power requirement (WP) | kW |
| Total compression and pumping power (WT) | Wc + WP kW |
| CO2 compressed (mCO2) | Tons of CO2 |
| CO2 compressed per year (CC) | mCO2 × CF |
| Annual capital cost (ACC) ($) | Ctotal × CRF |
| Annual operation and maintenance cost (OMC) ($) | 4% Ctotal |
| Annual electricity power cost (EPC) ($) | EC × WT × CF |
| Total annual cost (Cannual) ($) | ACC + OMC + EPC |
| Total levelized cost $/ton CO2 | (ACC+OMC +EPC) / CC |
| Case | Coal PCC Model | NGCC PCC Model |
|---|---|---|
| Gross power output (kWe) | 580,400 | 564,700 |
| Net power output without capture (kWe) | 550,000 | 555,000 |
| Net power output with capture (kWe) | 431,620 | 507,197 |
| Net power output with capture and compression (kWe) | 371,160 | 488,837 |
| Net plant heat rate with capture (kJ/kWh) | 11,669 | 7847 |
| Power output losses per unit of CO2 captured (kW/kgCO2) | 0.298 | 0.363 |
| Efficiency with CO2 capture only (%) | 30.85 | 45.88 |
| Efficiency with CO2 capture and compression (%) | 26.53 | 44.22 |
| Reference plant CO2 mass emission rate without capture (t/MWh) | 0.802 | 0.359 |
| Reference plant CO2 mass emission rate with capture (t/MWh) | 0.165 | 0.039 |
| Capture plant CO2 mass captured rate (t/MWh) | 1.392 | 0.360 |
| Cost | Coal PCC Model | NGCC PCC Model |
|---|---|---|
| Reference plant LCOE ($/MWh) | 80.69 | 80.69 |
| Capture plant LCOE (($/MWh) | 126.71 | 110.65 |
| Reference plant annual TCI (MM$) | 1364 | 462 |
| Reference plant TCI ($/kW) | 2480 | 833 |
| Capture plant annual TCI (MM$) | 347.9 | 207.9 |
| Total reference plant and capture TCI ($/kW) | 3966 | 1322 |
| % increase in LCOE of capture over reference plant | 57 | 37 |
| Cost of CO2 captured ($/tCO2) | 33.55 | 83.22 |
| Cost of CO2 avoided ($/tCO2) | 72.25 | 93.63 |
| Total annual cost of compression (MM$) | 39.86 | 12.41 |
| Total levelized cost of compression ($/tCO2) | 8.67 | 8.89 |
| Total annual cost of CO2 capture and compression ($/tCO2) | 400,649.3156 | 554,883.6833 |
© 2020 by the authors. Licensee MDPI, Basel, Switzerland. This article is an open access article distributed under the terms and conditions of the Creative Commons Attribution (CC BY) license (http://creativecommons.org/licenses/by/4.0/).
Share and Cite
Adu, E.; Zhang, Y.D.; Liu, D.; Tontiwachwuthikul, P. Parametric Process Design and Economic Analysis of Post-Combustion CO2 Capture and Compression for Coal- and Natural Gas-Fired Power Plants. Energies 2020, 13, 2519. https://doi.org/10.3390/en13102519
Adu E, Zhang YD, Liu D, Tontiwachwuthikul P. Parametric Process Design and Economic Analysis of Post-Combustion CO2 Capture and Compression for Coal- and Natural Gas-Fired Power Plants. Energies. 2020; 13(10):2519. https://doi.org/10.3390/en13102519
Chicago/Turabian StyleAdu, Emmanuel, Y.D. Zhang, Dehua Liu, and Paitoon Tontiwachwuthikul. 2020. "Parametric Process Design and Economic Analysis of Post-Combustion CO2 Capture and Compression for Coal- and Natural Gas-Fired Power Plants" Energies 13, no. 10: 2519. https://doi.org/10.3390/en13102519
APA StyleAdu, E., Zhang, Y. D., Liu, D., & Tontiwachwuthikul, P. (2020). Parametric Process Design and Economic Analysis of Post-Combustion CO2 Capture and Compression for Coal- and Natural Gas-Fired Power Plants. Energies, 13(10), 2519. https://doi.org/10.3390/en13102519
