Sign in to use this feature.

Years

Between: -

Subjects

remove_circle_outline
remove_circle_outline
remove_circle_outline
remove_circle_outline
remove_circle_outline
remove_circle_outline

Journals

Article Types

Countries / Regions

Search Results (18)

Search Parameters:
Keywords = Hopf nonlinear oscillator

Order results
Result details
Results per page
Select all
Export citation of selected articles as:
33 pages, 3010 KB  
Article
The Predator-Prey Model of Tax Evasion: Foundations of a Dynamic Fiscal Ecology
by Miroslav Gombár, Nella Svetozarovová and Štefan Tóth
Mathematics 2026, 14(2), 337; https://doi.org/10.3390/math14020337 - 19 Jan 2026
Viewed by 123
Abstract
Tax evasion is a dynamic process reflecting continuous interaction between taxpayers and regulatory institutions rather than a static deviation from fiscal equilibrium. This study introduces a predator-prey model of tax evasion that translates the Lotka-Volterra framework from biology into budgetary dynamics. The model [...] Read more.
Tax evasion is a dynamic process reflecting continuous interaction between taxpayers and regulatory institutions rather than a static deviation from fiscal equilibrium. This study introduces a predator-prey model of tax evasion that translates the Lotka-Volterra framework from biology into budgetary dynamics. The model captures the feedback between the volume of tax evasion and the intensity of regulation, incorporating nonlinearity, implicit reactive lag, and adaptive response. Theoretical derivation and numerical simulation identify three dynamic regimes—stable equilibrium, limit-cycle oscillation, and instability—that arise through a Hopf bifurcation. Bifurcation maps in the (r, a), (r, b), and (r, c) parameter spaces reveal how control efficiency, institutional inertia, and behavioral feedback jointly determine fiscal stability. Results show that excessive enforcement may destabilize the system by inducing regulatory fatigue, while weak control enables exponential growth in evasion. The model provides a dynamic analytical tool for evaluating fiscal policy efficiency and identifying stability thresholds. Its findings suggest that adaptive, feedback-based regulation is essential for maintaining long-term tax discipline. The study contributes to closing the research gap by providing a unified dynamic framework linking micro-behavioral decision-making with macro-fiscal stability, offering a foundation for future empirical calibration and behavioral extensions of fiscal systems. Full article
Show Figures

Figure 1

24 pages, 5123 KB  
Article
Modeling Bifurcation-Driven Self-Rotation and Pendulum in a Light-Powered LCE Fiber Engine
by Yong Yu, Renge Yu, Haoyu Hu and Yuntong Dai
Mathematics 2025, 13(20), 3323; https://doi.org/10.3390/math13203323 - 17 Oct 2025
Viewed by 642
Abstract
Self-oscillating systems are capable of transforming ambient energy directly into mechanical output, and exploring novel designs is of great value for energy harvesters, actuators, and engine applications. The inspiration for this study is drawn from the four-stroke engine; we designed a new self-rotating [...] Read more.
Self-oscillating systems are capable of transforming ambient energy directly into mechanical output, and exploring novel designs is of great value for energy harvesters, actuators, and engine applications. The inspiration for this study is drawn from the four-stroke engine; we designed a new self-rotating engine formed by a turnplate, a hinge, and an LCE fiber, operating with steady illumination applied. To analyze its rotation dynamics, a nonlinear theoretical framework was formulated constructed with the dynamic LCE model as a framework. The central discovery is that the light-driven LCE engine can operate in three distinct states under steady illumination—static equilibrium, pendulum-like oscillation and sustained self-rotation—switching between them through a supercritical Hopf bifurcation. The persistence of both the pendulum and rotary motions stems from an energy balance in which the positive work produced by photo-induced contraction of the LCE fiber is exactly offset by damping dissipation, while oscillation amplitude and rotation frequency are strongly governed by light intensity, contraction coefficient, damping coefficient, spring constant and turntable radius. Compared with many previously reported self-oscillating designs, the present self-rotating engine is distinctive for its lightweight and simple configuration, tunable size, and rapid operation. These features enable compact integration and broaden its potential applications in micro-scale systems and devices. The advancement in artificial muscles, medical instruments and micro sensors is strongly promoted by this, making it possible to create devices that are both smaller in size and superior in functionality. Full article
(This article belongs to the Special Issue Applied Mathematics in Nonlinear Dynamics and Chaos)
Show Figures

Figure 1

42 pages, 5203 KB  
Article
Origins of Ultrasensitivity and Complex Signaling Dynamics of Cellular Hydrogen Peroxide and Peroxiredoxin
by Shengnan Liu, Jingbo Pi and Qiang Zhang
Antioxidants 2025, 14(2), 235; https://doi.org/10.3390/antiox14020235 - 18 Feb 2025
Cited by 1 | Viewed by 2156
Abstract
Hydrogen peroxide (H2O2) plays a crucial role in cell signaling in response to physiological and environmental perturbations. H2O2 can oxidize typical 2-Cys peroxiredoxin (PRX) first into a sulfenic acid, which resolves into a disulfide that can [...] Read more.
Hydrogen peroxide (H2O2) plays a crucial role in cell signaling in response to physiological and environmental perturbations. H2O2 can oxidize typical 2-Cys peroxiredoxin (PRX) first into a sulfenic acid, which resolves into a disulfide that can be reduced by thioredoxin (TRX)/TRX reductase (TR). At high levels, H2O2 can also hyperoxidize sulfenylated PRX into a sulfinic acid that can be reduced by sulfiredoxin (SRX). Therefore, PRX, TRX, TR, and SRX (abbreviated as PTRS system here) constitute the coupled sulfenylation and sulfinylation cycle (CSSC), where certain oxidized PRX and TRX forms also function as redox signaling intermediates. Earlier studies have revealed that the PTRS system is capable of rich signaling dynamics, including linearity, ultrasensitivity/switch-like response, nonmonotonicity, circadian oscillation, and possibly, bistability. However, the origins of ultrasensitivity, which is fundamentally required for redox signal amplification, have not been adequately characterized, and their roles in enabling complex nonlinear dynamics of the PTRS system remain to be determined. Through in-depth mathematical modeling analyses, here we revealed multiple sources of ultrasensitivity that are intrinsic to the CSSC, including zero-order kinetic cycles, multistep H2O2 signaling, and a mechanism arising from diminished H2O2 removal at high PRX hyperoxidation state. The CSSC, structurally a positive feedback loop, is capable of bistability under certain parameter conditions, which requires embedding multiple sources of ultrasensitivity identified. Forming a negative feedback loop with cytosolic SRX as previously observed in energetically active cells, the mitochondrial PTRS system (where PRX3 is expressed) can produce sustained circadian oscillations through supercritical Hopf bifurcations. In conclusion, our study provided novel quantitative insights into the dynamical complexity of the PTRS system and improved appreciation of intracellular redox signaling. Full article
(This article belongs to the Section Antioxidant Enzyme Systems)
Show Figures

Figure 1

23 pages, 7699 KB  
Article
Multi-Modal Compliant Quadruped Robot Based on CPG Control Network
by Yumo Wang, Hong Ying, Xiang Li, Shuai Yu and Jiajun Xu
Electronics 2024, 13(24), 5015; https://doi.org/10.3390/electronics13245015 - 20 Dec 2024
Cited by 1 | Viewed by 2370
Abstract
Quadruped robots, with their biomimetic structure, are capable of stable locomotion in complex terrains and are vital in rescue, exploration, and military applications. However, developing multi-modal robots that feature simple motion control while adapting to diverse amphibious environments remains a significant challenge. These [...] Read more.
Quadruped robots, with their biomimetic structure, are capable of stable locomotion in complex terrains and are vital in rescue, exploration, and military applications. However, developing multi-modal robots that feature simple motion control while adapting to diverse amphibious environments remains a significant challenge. These robots need to excel at obstacle-crossing, waterproofing, and maintaining stability across various locomotion modes. To address these challenges, this paper introduces a novel leg–fin integrated propulsion mechanism for a bionic quadruped robot, utilizing rapidly advancing soft materials and integrated molding technologies. The robot’s motion is modeled and decomposed using an improved central pattern generator (CPG) control network. By leveraging the control characteristics of the CPG model, global control of the single-degree-of-freedom drive mechanism is achieved, allowing smooth transitions between different motion modes. The design is verified through simulations conducted in the Webots environment. Finally, a physical prototype of the quadruped compliant robot is constructed, and experiments are carried out to test its walking, turning, and obstacle-crossing abilities in various environments. The experimental results demonstrate that the robot shows a significant speed advantage in regions where land and water meet, reaching a maximum speed of 1.03 body lengths per second (bl/s). Full article
(This article belongs to the Section Systems & Control Engineering)
Show Figures

Figure 1

22 pages, 7651 KB  
Review
Mini-Review on the Design Principles of Biochemical Oscillators for the Continuous Ethanol Fermentation Processes
by Chi Zhai, Cheng Ji and Wei Sun
Processes 2024, 12(12), 2767; https://doi.org/10.3390/pr12122767 - 5 Dec 2024
Viewed by 1404
Abstract
Computational modeling and the theory of nonlinear dynamical systems allow us not only to simply describe the events of biochemical oscillators in the ethanol fermentation process but also to understand why these events occur. This article reviews results of experimental and theoretical studies [...] Read more.
Computational modeling and the theory of nonlinear dynamical systems allow us not only to simply describe the events of biochemical oscillators in the ethanol fermentation process but also to understand why these events occur. This article reviews results of experimental and theoretical studies about the behavior of fermentation systems for bio-ethanol production so as to understand the self-oscillatory phenomena that could affect productivity in industry. In general, Hopf bifurcation and limit cycles are the theoretical basis for the oscillations observed in continuous ethanol fermentation processes, but the underline mechanisms and causes might be different because the studied system is a collection of multi-scale oscillators. To characterize the oscillatory dynamics quantitatively, negative feedback laws are implemented. However, the stimulated oscillation through linear feedback is not adequate in describing such complex dynamics. Hence, elements of nonlinearity, auto-catalysis, and time delay are sorted out and added into the feedback loops to formulate biochemical oscillators. Then, we discuss specific examples of the various models and classify them according to the three kinds of mechanisms: nonlinear feedback, positive feedback, and delay feedback. These mechanisms and modeling work might be used as a guide for process design/operation to eliminate possible oscillations and to develop out advanced configurations that could produce bio-ethanol in a continuous, cost-effective manner. Full article
(This article belongs to the Section Chemical Processes and Systems)
Show Figures

Figure 1

21 pages, 1752 KB  
Article
Dynamic Analysis of Rumor Spreading Model Based on Three Recovery Modes
by Jingping Lu, Qinlong Wang and Wentao Huang
Mathematics 2024, 12(23), 3712; https://doi.org/10.3390/math12233712 - 26 Nov 2024
Viewed by 1288
Abstract
In this paper, an SIR rumor propagation model is established with the three recovery modes that the spreader turns into a stifler under the influence of the spreader, stifler and media nonlinear rumor-refuting mechanism. Firstly, we calculate the basic regeneration number, and we [...] Read more.
In this paper, an SIR rumor propagation model is established with the three recovery modes that the spreader turns into a stifler under the influence of the spreader, stifler and media nonlinear rumor-refuting mechanism. Firstly, we calculate the basic regeneration number, and we determine the stability of the rumor-free equilibrium and the existence of the rumor-endemic equilibrium. Secondly, by applying the strict symbolic calculation methods of singular quantities, we investigate the Hopf bifurcation at the rumor-endemic equilibrium, and we determine the existence of single and double periodic solutions under certain parameter conditions. Thirdly, we discuss the practical dynamic behaviors of rumors spreading from the perspectives of the basic reproduction number and periodic solutions, especially the correlation between these two and multi-periodic oscillations. To our knowledge, such complex dynamic properties have rarely been analyzed in rumor models. Full article
(This article belongs to the Section E3: Mathematical Biology)
Show Figures

Figure 1

21 pages, 13112 KB  
Article
Singular Phenomenon Analysis of Wind-Driven Circulation System Based on Galerkin Low-Order Model
by Peihua Feng, Shengli Cao and Zhilong Liu
Appl. Sci. 2024, 14(16), 7329; https://doi.org/10.3390/app14167329 - 20 Aug 2024
Viewed by 1139
Abstract
Ocean circulation plays an important role in the formation and occurrence of extreme climate events. The study shows that the periodic variation of ocean circulation under strong wind stress is closely related to climate oscillation. Ocean circulation is a nonlinear dynamic system, which [...] Read more.
Ocean circulation plays an important role in the formation and occurrence of extreme climate events. The study shows that the periodic variation of ocean circulation under strong wind stress is closely related to climate oscillation. Ocean circulation is a nonlinear dynamic system, which shows complex nonlinear characteristics, so the essence behind ocean circulation has not been clearly explained. Therefore, the response and evolution of the circulation system to wind stress are studied based on the bifurcation and catastrophe theories in nonlinear dynamics. First, the quasi-geostrophic gyre equation and the normalized gravity model are introduced and developed to study ocean circulation driven by wind stress, and solved using the Galerkin method. Then, the bifurcation and catastrophe behaviors of the system governed by the low-order ocean circulation model during the change in wind stress intensity and the coexistence of multiple equilibria in the circulation system are studied in detail. The results show that saddle and unstable nodes appear in the system after a cusp catastrophe. With the change in model parameters, the unstable node becomes the unstable focus, and then the subcritical Hopf bifurcation occurs. The system forms a bistable interval when the system undergoes a catastrophe twice, and the system shows hysteresis. In addition, multiple equilibrium states are coexisting in the circulating system, and the unstable equilibrium state always changes into a stable equilibrium state through vortex movement. Therefore, there is a route for the system to induce short-term climate oscillation, that is, in the multi-stable equilibrium state of the system, the vortex oscillates after being subject to small disturbances, and then triggers climate oscillation. Full article
Show Figures

Figure 1

39 pages, 8368 KB  
Article
Modeling Excitable Cells with Memristors
by Maheshwar Sah, Alon Ascoli, Ronald Tetzlaff, Vetriveeran Rajamani and Ram Kaji Budhathoki
J. Low Power Electron. Appl. 2024, 14(2), 31; https://doi.org/10.3390/jlpea14020031 - 28 May 2024
Cited by 8 | Viewed by 2758
Abstract
This paper presents an in-depth analysis of an excitable membrane of a biological system by proposing a novel approach that the cells of the excitable membrane can be modeled as the networks of memristors. We provide compelling evidence from the Chay neuron model [...] Read more.
This paper presents an in-depth analysis of an excitable membrane of a biological system by proposing a novel approach that the cells of the excitable membrane can be modeled as the networks of memristors. We provide compelling evidence from the Chay neuron model that the state-independent mixed ion channel is a nonlinear resistor, while the state-dependent voltage-sensitive potassium ion channel and calcium-sensitive potassium ion channel function as generic memristors from the perspective of electrical circuit theory. The mechanisms that give rise to periodic oscillation, aperiodic (chaotic) oscillation, spikes, and bursting in an excitable cell are also analyzed via a small-signal model, a pole-zero diagram of admittance functions, local activity, the edge of chaos, and the Hopf bifurcation theorem. It is also proved that the zeros of the admittance functions are equivalent to the eigen values of the Jacobian matrix, and the presence of the positive real parts of the eigen values between the two bifurcation points lead to the generation of complicated electrical signals in an excitable membrane. The innovative concepts outlined in this paper pave the way for a deeper understanding of the dynamic behavior of excitable cells, offering potent tools for simulating and exploring the fundamental characteristics of biological neurons. Full article
Show Figures

Figure 1

12 pages, 3452 KB  
Article
Empirical Modeling of Subcritical Hopf Bifurcation of Thermoacoustic Stirling Engine
by Chuan-Heng Lai and Shu-Han Hsu
Aerospace 2024, 11(5), 347; https://doi.org/10.3390/aerospace11050347 - 26 Apr 2024
Cited by 2 | Viewed by 2390
Abstract
This study models the subcritical Hopf bifurcation in thermoacoustic Stirling engines using the Stuart–Landau model, highlighting the role of nonlinear dynamics. By inducing self-sustained oscillations and measuring pressure fluctuations across different temperature gradients imposed on the regenerator, we reveal the engine’s transition to [...] Read more.
This study models the subcritical Hopf bifurcation in thermoacoustic Stirling engines using the Stuart–Landau model, highlighting the role of nonlinear dynamics. By inducing self-sustained oscillations and measuring pressure fluctuations across different temperature gradients imposed on the regenerator, we reveal the engine’s transition to a nonlinear domain, characterized by heightened oscillation amplitudes and unique periodic patterns. Interpreted Landau constants and growth rates illuminate the stabilizing effects of nonlinear dynamics, demonstrating the Stuart–Landau model’s applicability in thermoacoustic engine analysis. Our research confirms that this empirically refined model reliably describes oscillation amplitudes and transient phenomena, contributing valuable perspectives for advancing thermoacoustic engine design and operational understanding. Full article
(This article belongs to the Special Issue Predicting the Onset and Control of Thermoacoustics)
Show Figures

Figure 1

18 pages, 5549 KB  
Article
Mathematical Modeling of the Displacement of a Light-Fuel Self-Moving Automobile with an On-Board Liquid Crystal Elastomer Propulsion Device
by Yunlong Qiu, Jiajing Chen, Yuntong Dai, Lin Zhou, Yong Yu and Kai Li
Mathematics 2024, 12(9), 1322; https://doi.org/10.3390/math12091322 - 26 Apr 2024
Cited by 10 | Viewed by 1753
Abstract
The achievement and control of desired motions in active machines often involves precise manipulation of artificial muscles in a distributed and sequential manner, which poses significant challenges. A novel motion control strategy based on self-oscillation in active machines offers distinctive benefits, such as [...] Read more.
The achievement and control of desired motions in active machines often involves precise manipulation of artificial muscles in a distributed and sequential manner, which poses significant challenges. A novel motion control strategy based on self-oscillation in active machines offers distinctive benefits, such as direct energy harvesting from the ambient environment and the elimination of complex controllers. Drawing inspiration from automobiles, a self-moving automobile designed for operation under steady illumination is developed, comprising two wheels and a liquid crystal elastomer fiber. To explore the dynamic behavior of this self-moving automobile under steady illumination, a nonlinear theoretical model is proposed, integrating with the established dynamic liquid crystal elastomer model. Numerical simulations are conducted using the Runge-Kutta method based on MATLAB software, and it is observed that the automobile undergoes a supercritical Hopf bifurcation, transitioning from a static state to a self-moving state. The sustained periodic self-moving is facilitated by the interplay between light energy and damping dissipation. Furthermore, the conditions under which the Hopf bifurcation occurs are analyzed in detail. It is worth noting that increasing the light intensity or decreasing rolling resistance coefficient can improve the self-moving average velocity. The innovative design of the self-moving automobile offers advantages such as not requiring an independent power source, possessing a simple structure, and being sustainable. These characteristics make it highly promising for a range of applications including actuators, soft robotics, energy harvesting, and more. Full article
Show Figures

Figure 1

20 pages, 6966 KB  
Article
Research on the Stability and Bifurcation Characteristics of a Landing Gear Shimming Dynamics System
by Shuang Ruan, Ming Zhang, Shaofei Yang, Xiaohang Hu and Hong Nie
Aerospace 2024, 11(2), 104; https://doi.org/10.3390/aerospace11020104 - 23 Jan 2024
Cited by 3 | Viewed by 2344
Abstract
A dynamic model is established to investigate the shimmy instability of a landing gear system, considering the influence of nonlinear damping. The stability criterion is utilized to determine the critical speed at which the landing gear system becomes unstable. The central manifold theorem [...] Read more.
A dynamic model is established to investigate the shimmy instability of a landing gear system, considering the influence of nonlinear damping. The stability criterion is utilized to determine the critical speed at which the landing gear system becomes unstable. The central manifold theorem and canonical method are employed to simplify the dynamic model of the landing gear. The first Lyapunov coefficient of the system is theoretically derived and verified using numerical simulation. Further investigation on the Hopf bifurcation characteristics and stability of the shimmy in the landing gear system is conducted. The results indicate that above a certain threshold speed, with a tire stability distance greater than half the tire length in contact with the ground plus the slack length, the aircraft remains stable during taxiing. At critical speeds, a shimmy system with higher-order nonlinear damping will undergo supercritical Hopf bifurcation. Quantitative analysis suggests an increase in the linear damping coefficient within a range that ensures a stability margin to mitigate undesired oscillation, while the nonlinear damping coefficient should be designed within a reasonable range to decrease the amplitude of the limit cycle. Full article
(This article belongs to the Special Issue Landing System Design in Aerospace)
Show Figures

Figure 1

20 pages, 3920 KB  
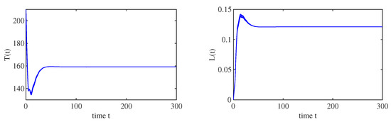
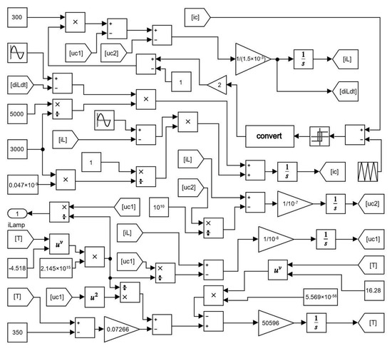
Article
Modeling and Nonlinear Characteristics Analysis of Fluorescent Lamp Driven by a Full-Bridge Inverter
by Jiahang Yang, Faqiang Wang and Xian Wang
Energies 2023, 16(18), 6622; https://doi.org/10.3390/en16186622 - 14 Sep 2023
Cited by 1 | Viewed by 2007
Abstract
Addressing the issue of system stability is a crucial step towards the successful integration of memristive devices in power electronics applications. This paper focuses on fluorescent lamps possessing memristive characteristics and investigates the instability phenomena and mechanisms within a full-bridge inverter with a [...] Read more.
Addressing the issue of system stability is a crucial step towards the successful integration of memristive devices in power electronics applications. This paper focuses on fluorescent lamps possessing memristive characteristics and investigates the instability phenomena and mechanisms within a full-bridge inverter with a fluorescent lamp load. Based on the memristive characteristics of fluorescent lamps, this paper establishes the averaged model of the system, whose coefficient matrix is nonlinear, periodic, and time-varying. This study identifies the occurrence of low-frequency oscillations within the system and elucidates the fundamental mechanism underlying the emergence of low-frequency oscillations. Furthermore, this paper establishes the stability boundaries of the system across different parameter planes. The research findings indicate that the low-frequency oscillations within the system are attributed to the occurrence of Hopf bifurcations in a frequency range higher than line frequency but significantly lower than switching frequency. Lastly, the PSpice circuit of the system is designed, and simulation results are provided for validation. This study can offer guidance on parameters and control strategies for ensuring the stable operation of a full-bridge inverter with fluorescent lamps. Moreover, it can facilitate the comprehension of instability mechanisms in systems incorporating memristive devices, thereby offering a foundation for the expansion of memristor applications. Full article
(This article belongs to the Section F3: Power Electronics)
Show Figures

Figure 1

19 pages, 5503 KB  
Article
Study of Nonlinear Aerodynamic Self-Excited Force in Flutter Bifurcation and Limit Cycle Oscillation of Long-Span Suspension Bridge
by Jieshan Liu, Fan Wang and Yang Yang
Appl. Sci. 2023, 13(18), 10272; https://doi.org/10.3390/app131810272 - 13 Sep 2023
Cited by 2 | Viewed by 2562
Abstract
This article establishes a nonlinear flutter system for a long-span suspension bridge, aiming to analyze its supercritical flutter response under the influence of nonlinear aerodynamic self-excited force. By fitting the experimental discrete values of flutter derivatives using the least squares method, a polynomial [...] Read more.
This article establishes a nonlinear flutter system for a long-span suspension bridge, aiming to analyze its supercritical flutter response under the influence of nonlinear aerodynamic self-excited force. By fitting the experimental discrete values of flutter derivatives using the least squares method, a polynomial function of flutter derivatives with respect to reduced wind speed is obtained. Flutter critical value is determined by the linear matrix eigenvalues of a state-space equation. The occurrence of a supercritical Hopf bifurcation in the nonlinear system is determined by the Jacobian matrix eigenvalues of the state-space equation and the system’s vibrational response at the critical state. The vibrational response of the supercritical state is obtained through Runge–Kutta integration, revealing the presence of stable limit cycle oscillation (LCO) and unstable limit cycle oscillation in the system, and through analyzing the relationship between the LCO amplitude and wind speed. Considering cubic nonlinear damping and stiffness, the effects of different factors on the nonlinear flutter system are analyzed. Full article
(This article belongs to the Special Issue Wind Resistance of Long-Span Bridges and High-Rise Buildings)
Show Figures

Figure 1

35 pages, 3026 KB  
Article
Global Stability and Bifurcation Analysis of a Virus Infection Model with Nonlinear Incidence and Multiple Delays
by Jinhu Xu and Guokun Huang
Fractal Fract. 2023, 7(8), 583; https://doi.org/10.3390/fractalfract7080583 - 28 Jul 2023
Cited by 4 | Viewed by 1631
Abstract
In order to investigate the impact of general nonlinear incidence, cellular infection, and multiple time delays on the dynamical behaviors of a virus infection model, a within-host model describing the virus infection is formulated and studied by taking these factors into account in [...] Read more.
In order to investigate the impact of general nonlinear incidence, cellular infection, and multiple time delays on the dynamical behaviors of a virus infection model, a within-host model describing the virus infection is formulated and studied by taking these factors into account in a single model. Qualitative analysis of the global properties of the equilibria is carried out by utilizing the methods of Lyapunov functionals. The existence and properties of local and global Hopf bifurcations are discussed by regarding immune delay as the bifurcation parameter via the normal form, center manifold theory, and global Hopf bifurcation theorem. This work reveals that the immune delay is mainly responsible for the existence of the Hopf bifurcation and rich dynamics rather than the intracellular delays, and the general nonlinear incidence does not change the global stability of the equilibria. Moreover, ignoring the cell-to-cell infection may underevaluate the infection risk. Numerical simulations are carried out for three kinds of incidence function forms to show the rich dynamics of the model. The bifurcation diagrams and the identification of the stability region show that increasing the immune delay can destabilize the immunity-activated equilibrium and induce a Hopf bifurcation, stability switches, and oscillation solutions. The obtained results are a generalization of some existing models. Full article
(This article belongs to the Section General Mathematics, Analysis)
Show Figures

Figure 1

16 pages, 707 KB  
Review
Bursting Oscillations in General Coupled Systems: A Review
by Danjin Zhang and Youhua Qian
Mathematics 2023, 11(7), 1690; https://doi.org/10.3390/math11071690 - 1 Apr 2023
Cited by 7 | Viewed by 2998
Abstract
In this paper, the bursting oscillation phenomenon in coupled systems with two time scales is introduced. Firstly, several types of bifurcation are briefly introduced: fold bifurcation, Hopf bifurcation, fold limit cycle bifurcation, homoclinic bifurcation, etc. The bursting oscillations of the system with two [...] Read more.
In this paper, the bursting oscillation phenomenon in coupled systems with two time scales is introduced. Firstly, several types of bifurcation are briefly introduced: fold bifurcation, Hopf bifurcation, fold limit cycle bifurcation, homoclinic bifurcation, etc. The bursting oscillations of the system with two excitation terms and the bifurcation delay in the bursting oscillations are considered. Secondly, some simple bursting oscillations are introduced, such as fold/fold bursting, fold/supHopf bursting, subHopf/subHopf bursting, fold/LPC bursting, Hopf/LPC bursting, fold/homoclinic bursting, Hopf/homoclinic bursting, etc. At the same time, the system also has some complex bursting oscillations, such as asymmetric bursting, delayed bursting, bursting with hysteresis loop, etc. Finally, the practical applications of bursting oscillations, such as dynamic vibration absorbers and nonlinear vibration energy harvesting technology, are introduced. Full article
(This article belongs to the Section E2: Control Theory and Mechanics)
Show Figures

Figure 1

Back to TopTop