Next Article in Journal
A Two-Temperature Fractional DPL Thermoelasticity Model with an Exponential Rabotnov Kernel for a Flexible Cylinder with Changeable Properties
Next Article in Special Issue
Extreme Homogeneous and Heterogeneous Multistability in a Novel 5D Memristor-Based Chaotic System with Hidden Attractors
Previous Article in Journal
New Inequalities Using Multiple Erdélyi–Kober Fractional Integral Operators
Previous Article in Special Issue
Real-Time Synchronisation of Multiple Fractional-Order Chaotic Systems: An Application Study in Secure Communication
 
 
Font Type:
Arial Georgia Verdana
Font Size:
Aa Aa Aa
Line Spacing:
Column Width:
Background:
Article

MO-CCCII-Based Single-Input Multi-Output (SIMO) Current-Mode Fractional-Order Universal and Shelving Filter

1
Department of Electrical-Electronics Engineering, Faculty of Engineering, Harran University, Sanliurfa 63000, Turkey
2
Department of Computer Engineering, Faculty of Engineering, Hitit University, Corum 19030, Turkey
*
Author to whom correspondence should be addressed.
Fractal Fract. 2024, 8(4), 181; https://doi.org/10.3390/fractalfract8040181
Submission received: 31 January 2024 / Revised: 10 March 2024 / Accepted: 20 March 2024 / Published: 22 March 2024

Abstract

This study introduces an innovative filter topology capable of providing simultaneous positive and negative gain outputs for one-fractional order LP, with high-pass, all-pass, and fractional-order shelving filter responses. The circuit, utilizing multi-output second-generation current-controlled conveyors, stands out as the first to deliver ten outputs, incorporating both integer and fractional-order filter responses, without requiring additional components. Its current-mode design simplifies the process, employing minimal active and grounded passive elements, making it appropriate for low-voltage/low-power applications. The filter utilizes fifth-order Oustaloup approximation and Foster type-I RC networks for fractional-order capacitors, providing enhanced control over the transition slope. PSpice simulations confirmed a 1 kHz cut-off, showcasing low power consumption, minimal noise, and a wide dynamic range, positioning the filter as suitable for sensors, control, and acoustic applications.

1. Introduction

Continuous-time analog filter design has gained widespread attention and holds substantial significance, mainly due to its extensive range of practical applications. The reason for this is the existence of a universal filter structure that can simultaneously provide the outputs of low-pass (LP), high-pass (HP), and all-pass (AP) filters from a one-filter structure. Universal filter structures, incorporating both LP and HP designs that constitute fundamental components of high-order active filter structures, are widely recognized for their crucial roles in an array of essential fields. These fields are biosensor systems, electrocardiogram devices, phase-sensitive detectors, sensor-based instruments, control systems, and data communication networks, thereby establishing universal filter structures as key components [1,2].
Progress in analog active filter components has been remarkable, initiated by the introduction of first-generation current conveyors (CCI) in 1968 [3], closely followed by the emergence of second-generation current conveyors (CCII) in 1970 [4], attributed to the pioneering work of Sedra and Smith. The development continued with the introduction of third-generation current conveyors (CCIII) in 1995 [5], and shortly thereafter, second-generation current-controlled conveyors (CCCII) were proposed to the literature by Fabre [6]. This innovative progression has led to the adoption of numerous current-mode (CM) and voltage-mode (VM) filter circuits, all built upon the foundations of the CCII active filter component [7,8]. Filters are essential components in signal processing systems, impacting key areas like signal modulation, demodulation, amplification, and noise reduction. In contemporary applications, fractional-order calculus has gained prominence as a favored filtering technique [9].
The establishment of fractional-order calculus occurred many years ago, but its current prominence is attributed to its enhanced capacity for the improved design and modeling of real-world objects, various natural phenomena, and systems [10]. It has found uses in diverse disciplines such as control theory [11], bioengineering [12], biochemistry [13], medicine [14], material science [15], agriculture [16], PV modeling [17], robotics [18], oscillators [19], and electronic filters [2,3,4,5,6,7,8,9,10,11,12,13,14,15,16,17,18,19,20,21,22]. Consequently, fractional-order calculus has evolved into a multidisciplinary pursuit, supporting various fields and establishing the foundation for numerous innovative applications. In particular, the application of fractional-order calculus applied to analog electronic filters has surged in popularity and established itself as a significant research area in the literature. This arises from the fact that the frequency responses of fractional-order filters are contingent not only on circuit components but also on fractional-order parameters. The fractional-order parameter introduces an additional degree of freedom, enabling precise control over stopband attenuation and the transition slope from the passband to the stopband. As a result, fractional-order filters provide a versatile design approach, meeting all the necessary filter specifications. To transform analog integer-order filters into fractional-order filters, fractional-order passive components known as fractional-order capacitors (FOCs) are required. FOCs are not yet commercially available, but fractional-order filter approximation methods found in the existing literature are utilized to construct them in filter circuits theoretically. To develop these approximation methods, appropriately configured RC networks are employed in studies [21,23].
There are very few studies in the literature that involve the design of analog one-fractional order filters using the CCII active filter component [2,3,4,5,6,7,8,9,10,11,12,13,14,15,16,17,18,19,20]. The first of these studies was conducted by Radwan et al. (2008) [20]. By applying fractional-order calculus to traditional integer-order filters, one-fractional order LP, HP, AP, and band-pass (BP) filters’ outputs were separately obtained. However, all of these filter structures are constructed with passive elements and are VM filters. Another study conducted by Herencsar (2020) [24] involved designing one-fractional order AP filters employing generalized first-kind five-port current conveyors. Although the designed filters are CM filters, it was observed that they provide only an AP filter responses. Kapoulea’s doctoral dissertation in 2022 [2] presents the transfer functions and outputs of one-fractional order LP and HP filters, thereby contributing to the literature in this area. However, filter outputs are theoretically generated using only transfer functions for one frequency.
The adjustment for pitch in human speech perception, driven by its non-linear characteristics, necessitates an effective solution. This requirement is effectively met by employing shelving filters. Shelving filters are categorized into two primary groups: LP shelving filters and HP shelving filters. LP shelving filters, in contrast to traditional LP filters, do not entirely eliminate out-of-band frequencies but, instead, provide flexibility for amplification or attenuation according to the researcher’s choice. They effectively transmit higher frequencies, as well as those exceeding the predetermined cut-off frequency. HP shelving filters, on the other hand, allow lower frequencies, including those below the predetermined cut-off frequency, to pass through while granting the researcher the capability to amplify or attenuate higher frequencies according to their preferences. This unique characteristic stands out as one of the most notable advantages of shelving filters [25].
The first mention of fractional-order shelving filters was made by Fierro et al. (2019) [26]. According to this study, shelving filters were designed to provide a better listening experience in the Equal Loudness Level Contours (ELLC) standard created by ISO226:2003 [27]. The results of the study showed that the frequency magnitude response slope of the sound is less than 20 dB/decade. It was decided that shelving filters should be designed as fractional-order filters to achieve a slope of less than 20 dB/decade. This is because the frequency magnitude response slope of fractional-order filters is 20 · α dB/decade. In this context, α represents the filter order, and it falls within the range 0 < α < 1 . The study conducted by Fierro et al. (2019) [26] also encouraged researchers to design shelving filters as fractional-order in the literature for a better utilization of sound frequencies.
To the best of the authors’ knowledge, the existing literature comprises only four studies on fractional-order analog shelving filters [28,29]. The pioneering work by Kapoulea et al. (2020) [28] introduced two fractional-order shelving filters, encompassing LP and HP designs. Employing Operational Transconductance Amplifiers (OTA) as active filter elements, these VM filters have an electronic tunability property through the CFE method. However, the circuits included a notable number of active filter elements. Subsequent research by Kapoulea et al. in 2021 [30] extended this exploration, presenting two distinct filter design approaches. The first focused on VM, LP, and HP fractional-order shelving filters, utilizing the classic fractional-order bilinear transfer function. By contrast, the second approach aimed to create VM power-law shelving filters by transforming the integer-order transfer function into its corresponding power-law representation. Both designs utilized a single second-generation voltage conveyor (VCII) as the active filter element, approximated through the Oustaloup approximation tool and designed with a Foster type-I RC network. A comparative analysis between classic fractional-order designs and power-law designs revealed that the latter exhibited a reduction in the number of passive elements, thanks to their inherent fractional-order characteristics. When configured in a CM filter, power-law designs might require fewer passive elements, offering a simpler circuit architecture. Consequently, the adoption of power law designs became unnecessary, enabling the creation of circuits with fewer passive components.
A subsequent exploration of this subject was conducted by Pagidas et al. in 2022 [29]. In their research, fractional-order LP and HP shelving filters were designed, with operational amplifiers (op-amp) serving as the primary active filter components. The study introduced a generalized framework for the development of fractional-order shelving filters. In this innovative approach, the filters acquired fractional-order attributes by employing the Oustaloup approximation technique, ensuring that the transfer functions’ ratio involved two impedances. This strategic approach aimed to streamline the circuit complexity, as discussed in a previous study by Kapoulea et al. (2021) [30]. Additionally, the fractional-order shelving filters designed in Pagidas et al.’s study required a minimum number of passive elements due to their ratio-based fractional-order nature. However, when shelving filters are designed as CM systems, they inherently include a minimum number of passive elements. Consequently, shelving filters can be engineered with fewer passive components by means of direct and conventional fractional-order computations.
The most recent contribution to this topic was presented by Sen et al. (2023) [25]. CM, LP, and HP fractional-order shelving filters were designed using a modified current feedback operational amplifier (MCFOA) as an active filter element. The filters in Sen et al.’s study were designed as CM filters, containing a minimum number of grounded passive elements, resulting in a simple design procedure and minimal circuit complexity. The presented shelving filter circuits were made fractional-order using the Oustaloup approximation tool and a properly configured Foster type-I RC network. Additionally, Sen et al.’s study was the first to use the MCFOA active filter element to design fractional-order shelving filters. Two input signals were applied to each of the created filters. All of the fractional-order analog shelving filters mentioned in this literature are summarized in Table 1.
This study is structured into two primary sections: CM one-fractional order filters, and fractional-order shelving filters. Notably, these filters were not developed as separate filter structures; rather, they are integrated into a single filter framework. In practical terms, a single input signal is applied to the designed filter circuit, resulting in the generation of multiple-output signals (ten outputs). The filter circuit simultaneously produces one-fractional order LP, HP, and AP filter outputs with both positive and negative gains, in addition to fractional-order shelving filter outputs with both positive and negative gains. Despite the generation of numerous output signals, the presented filter circuit maintains a straightforward design. The filter’s circuitry exclusively utilizes three multi-output second-generation current-controlled conveyors (MO-CCCII) and grounded passive components. To incorporate fractional-order features into the designed filter, the Oustaloup approximation method was chosen for its remarkable capacity to mold filter response attributes. The Oustaloup approximation tool was constructed through appropriately configured RC networks. In this study, the Foster type-I RC network was employed due to its inclusion of a minimal number of capacitors and resistors, as well as its reasonable sensitivity despite containing passive elements.
In this study, the presented filter circuit was specifically designed for its outstanding attributes, including its wide bandwidth, minimal power consumption, high linearity, broad dynamic range, straightforward circuit structure, and adaptability for integrated design, rendering it well-suited for applications in CM filters. Due to its compatibility with CM filters, the CCCII active filter building block was preferred. The CCCII element demonstrated better filter characteristics, including linearity, signal bandwidth, and dynamic range, in comparison to op-amp-based filters [22]. To further enhance these characteristics, the CCCII element was implemented using bipolar junction transistors (BJTs), as they are more suitable for CM and low-power/voltage applications [25]. Furthermore, it was noted that adjustments to the values of passive components within the circuit could alter the cut-off frequency and gain of the designed filter circuit. The filter presented circuit underwent simulation using the PSpice program to validate its behavior. The simulation outcomes confirmed that the cut-off frequency of the designed filter circuit was measured at 1 kHz. From this cut-off frequency, it became apparent that the outputs of the fractional-order filter could serve in control systems and sensor applications, whereas the outputs of the fractional-order shelving filter could be applicable in acoustic applications. The designed filter circuit, being CM-compatible and containing a minimal number of grounded passive components, offers benefits such as fewer components, reduced space requirements, lower costs, and lower power consumption. Consequently, it can better meet the system requirements in the mentioned application areas. Under these conditions, the filter circuit designed to simultaneously provide both classical and fractional-order filters with multiple outputs (ten outputs) is, to the best of the authors’ knowledge, a first in the literature.
In the second section of the paper, the methodologies employed are discussed. First, the block structure, definition equations, and internal circuitry of the MO-CCCII active filter element are presented. Following this, one-fractional order filters are explained, and towards the end of the section, fractional-order cascaded filters are detailed. The third section provides the circuit diagram of the filter designed using the MO-CCCII active filter element, including the transfer functions of one-fractional order filters and fractional-order cascaded filters. In the fourth section, simulation results of the designed filter circuit are demonstrated through PSpice program simulations. Finally, the fifth and sixth sections of the paper address the discussions and present the conclusions of the study.

2. Methods

2.1. Multi-Output Second-Generation Current-Controlled Conveyors (MO-CCCII)

CCCII, introduced by Fabre [6], have been presented in the literature as a valuable tool for enhancing the design of analog filters. The CCCII functions as an active filter element, providing electronic tunability and minimizing the number of passive components in circuit design by utilizing the internal resistance ( R x ) in its X-terminal [10,31]. In this study, the ± Z -terminal of the CCCII was duplicated using current mirrors, resulting in the generation of multi-output (seven outputs) second-generation current-controlled conveyors (MO-CCCII). The duplication of the ± Z -terminals led to a reduction in the number of current conveyors in the designed filter circuit. The schematic symbol of the MO-CCCII is illustrated in Figure 1, and the current–voltage relationships between its independent terminals are provided in Equation (1).
I y = 0 I z = ± λ I x V x = β V y + R x I x
Here, ± λ symbolizes the frequency-dependent non-ideal current gain, while β denotes the voltage gain. The internal resistance, denoted by R x , is expressed as follows:
R x = V T 2 I 0
In the given equation, V T is the thermal voltage, and I 0 is the bias current of the MO-CCCII. In our study, the ideal state of the MO-CCCII (where the non-ideal current λ and voltage gains β are considered as one, and the internal resistance is assumed to be zero) was considered to obtain the transfer functions of the filter circuit (see Section 3 and Section 4). The active filter building block of the MO-CCCII was constructed based on bipolar junction transistors (BJTs) to enhance its performance in current-mode operations. Therefore, the MO-CCCII is ideal for CM applications and low-voltage/low-power system implementations. The internal structure of CCCII is shown in Figure 2.

2.2. One-Fractional Order Filters

Traditional continuous-time filters have integer orders. However, recently, fractional-order calculus has been applied to these filters [2,3,4,5,6,7,8,9,10,11,12,13,14,15,16,17,18,19,20,21,22]. The use of fractional-order calculus provides an additional degree of freedom to the filter, allowing for sharper control of the transition slope from the passband to the stopband. This extra degree of freedom not only offers a significant advantage to the filter but also provides design flexibility. LP filters represent a domain of application for fractional-order filters. Equation (3) presents the transfer function of a one-fractional order LP filter [2].
H ( s ) = K · ω 0 α s α + ω 0 α
The α exponent in the expression 20 · α dB/decade, representing the frequency magnitude response slope of fractional-order filters, is denoted as an exponent in Equation (3). In both cases, α is the fractional order of the filter, and it lies in the range 0 < α < 1 . In Equation (3), K represents the constant term indicating the gain of the filter, and ω 0 represents the cut-off frequency of the filter. The amplitude and phase responses of the one-fractional order LP filter shown in Equation (3) are given in Equations (4) and (5), respectively.
H ( ω ) = K · 1 ω ω 0 2 α + 2 ω ω 0 α cos ( α π 2 ) + 1 1 2
H ( ω ) = tan 1 ω ω 0 α sin α π 2 ω ω 0 α cos α π 2 + 1
One-fractional order HP filters represent another domain of application for fractional-order filters. The transfer function of a one-fractional order HP filter is given in Equation (6). The amplitude and phase responses of the one-fractional order HP filter shown in Equation (6) are given in Equations (7) and (8), respectively.
H ( s ) = K · s α s α + ω 0 α
H ( ω ) = K · ω ω 0 α ω ω 0 2 α + 2 ω ω 0 α cos ( α π 2 ) + 1 1 2
H ( ω ) = α π 2 tan 1 ω ω 0 α sin α π 2 ω ω 0 α cos α π 2 + 1
One-fractional order AP filters represent another domain of application for fractional-order filters. The transfer function of a one-fractional order AP filter is given in Equation (9). The amplitude and phase responses of the fractional-order AP filter’s transfer function are provided in Equation (10) and Equation (11), respectively.
H ( s ) = K · s α ω 0 α s α + ω 0
H ( ω ) = K · ω ω 0 2 α 2 ω ω 0 α cos ( α π 2 ) + 1 1 2 ω ω 0 2 α + 2 ω ω 0 α cos ( α π 2 ) + 1 1 2
H ( ω ) = ω ω 0 α cos α π 2 α + j ω ω 0 α sin α π 2 ω ω 0 α cos α π 2 + α + j ω ω 0 α sin α π 2

2.3. Fractional-Order Shelving Filters

The nonlinear nature of human auditory perception requires pitch compensation. The best way to address this is through equalization filters. Owing to the advantages provided by fractional-order calculus to analog filters, the design of shelving filters has also begun to incorporate fractional-order characteristics [22,23,24,25,26,27,28]. The most significant advantage that fractional-order calculus provides to equalization filters is the extra degree of freedom ( α ), allowing for a better listening experience in the ELLC standard by effectively utilizing the sound frequency [25]. Equation (12) presents the transfer function ( H F O ) of fractional-order equalization filters in its most comprehensive perspective.
H F O ( s ) = G L G H · τ 0 s α + G G τ 0 s α + 1
In the transfer function, G represents the gain of fractional-order shelving filters, where G G L / G H . Here, G L denotes the asymptotic low-frequency gain, and G H denotes the asymptotic high-frequency gain [25,28]. If G L > G H , it behaves like a fractional-order LP filter, and if G L < G H , it functions as a fractional-order HP filter. In the H F O transfer function, τ 0 is the time constant, and τ 0 = 1 / ω 0 . The system’s poles and zeros are placed around the cut-off frequency ( ω 0 ) at equal intervals (on a logarithmic scale), as shown in Equation (13).
ω P = ω 0 G 1 2 α , ω Z = ω 0 G 1 2 α
In the equation, ω 0 is the cut-off frequency of the filter, and it is equal to the geometric mean of the pole ω P and zero ω Z frequencies ( ω 0 = ω P · ω Z ). Moreover, by keeping the G and ω 0 terms constant in the equation, it is evident that the locations of ω P and ω Z can be adjusted based on the filter order ( α ). However, in integer-order filters ( α = 1 ), they cannot be altered. Substituting the expression given in Equation (14) into the H F O transfer function provided in Equation (12) yields the amplitude and phase responses of the H F O transfer function. These responses are given in Equation (15) and Equation (16), respectively.
s α = ω α · cos α π 2 + j sin α π 2
H F O = G L G H · ω τ 0 2 α + 2 G ω τ 0 α cos α π 2 + G G ω τ 0 2 α + 2 G ω τ 0 α cos α π 2 + 1 1 2
H F O ( ω ) = tan 1 ω τ 0 α sin α π 2 G + ω τ 0 α cos α π 2 tan 1 G ω τ 0 α sin α π 2 1 + G ω τ 0 α cos α π 2
The locations of ω P and ω Z as stated in Equation (13) are determined by utilizing the lower ( ω L ) and upper ( ω H ) cut-off frequencies. The slope of the gain during the transition from the passband to the stopband, indicated in Equation (17), can be fine-tuned according to the order of the shelving filter, presuming that the G and ω 0 terms of the shelving filter are predefined. The influence of the pole and zero positions on the lower and upper cut-off frequencies is given in Equation (18).
s l o p e = 20 log ( G ) log ω L ω H ( dB / dec )
ω L , F O = ω P · 1 + cos 2 α π 2 cos α π 2 1 / α , ω H , F O = ω Z · 1 + cos 2 α π 2 + cos α π 2 1 / α
Substituting the expressions for ω P and ω Z from Equation (13) into Equation (18) yields Equation (19). In Equation (19), it is evident that the ω L and ω H cut-off frequencies are symmetrically positioned around the ω 0 cut-off frequency. Moreover, alterations in the filter order enable the adjustment of the locations of the ω L and ω H cut-off frequencies. The slope is calculated as given in Equation (20).
ω L , F O = ω 0 G 1 2 α · 1 + cos 2 α π 2 cos α π 2 1 / α , ω H , F O = ω 0 G 1 2 α · 1 + cos 2 α π 2 + cos α π 2 1 / α
s l o p e F O = 20 α log ( G ) log 1 + cos 2 α π 2 cos α π 2 1 + cos 2 α π 2 + cos α π 2 log ( G ) ( dB / dec )

3. Fractional-Order Filters Designed Using MO-CCCII

3.1. One-Fractional Order LP, HP, and AP Filters

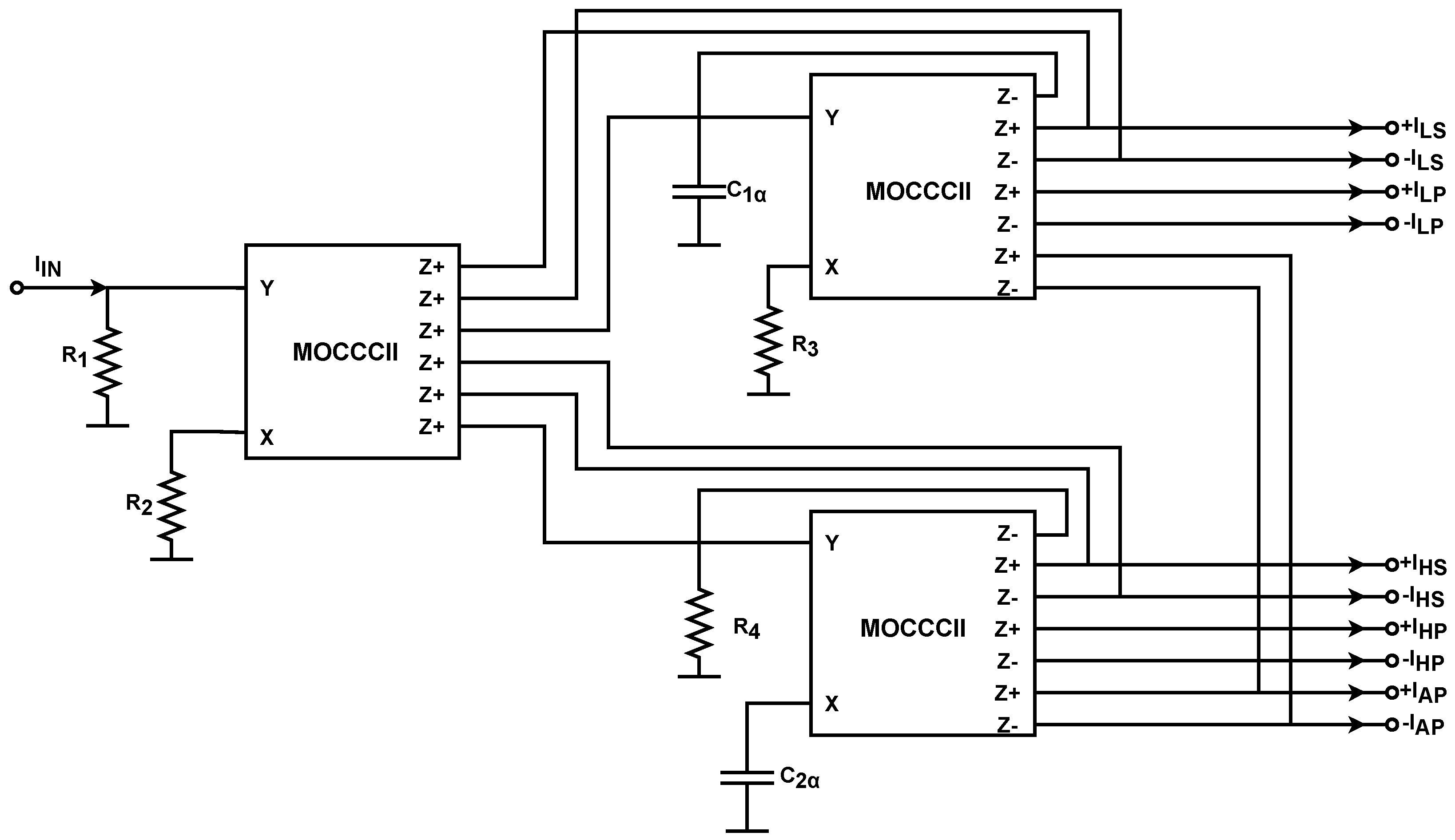
Utilizing the CM MO-CCCII, a filter circuit with multiple outputs (ten outputs) was designed, as presented in Figure 3. Applying fractional-order calculus to filter circuits, the capacitors within the presented filter circuit, shown in Figure 3, were converted into a fractional-order configuration.
The designed filter circuit outputs are categorized into two main sections. In the first section, one-fractional order LP, HP, and AP filter outputs are obtained, featuring both positive and negative gains. One-fractional order filters are further categorized into LP, HP, and AP filters. Taking into account the impedance of the fractional-order capacitor, characterized by an α degree, and incorporating the pseudo-capacitance ( C α ) as defined by Z ( s ) = 1 / C α s α , Equation (21) reveals the transfer function of the positive-gain fractional-order LP filter derived from Equation (3). Additionally, Equation (22) outlines the specific values for the gain (K) and cut-off frequency ( ω 0 ) of the filter. The term C 1 α in the equation represents the fractional-order capacitor. The only difference between the positive-gain one-fractional order LP, HP, and AP filters and the negative-gain one-fractional order LP, HP, and AP filters is that the gains of the filters in the former are positive.
H F O L P ( s ) = R 1 R 2 · 1 C 1 α R 3 α s α + 1 C 1 α R 3 α
K = R 1 R 2 and ω 0 = 1 C 1 α R 3 1 / α
The transfer function of the positive-gain fractional-order HP filter, obtained according to Equation (6) in Section 2.2, is given in Equation (23). The gain (K) and cut-off frequency ( ω 0 ) of the filter are provided in Equation (24).
H F O H P ( s ) = R 1 R 2 · s α s α + 1 C 2 α R 4 α
K = R 1 R 2 and ω 0 = 1 C 2 α R 4 1 / α
The transfer function of the positive-gain fractional-order AP filter, obtained according to Equation (9) in Section 2.2, is given in Equation (25). The gain (K) and cut-off frequency ( ω 0 ) of the filter are provided in Equation (26).
H F O A P ( s ) = R 1 R 2 · s α 1 C 1 α R 3 α s α + 1 C 1 α R 3 α
K = R 1 R 2 and ω 0 = 1 C 1 α R 3 1 / α

3.2. Fractional-Order LP and HP Shelving Filters

The second part of the designed filter circuit yielded outputs from fractional-order shelving filters, encompassing both LP and HP variants, exhibiting both positive and negative gains. Fractional-order shelving filters are categorized into two sections: first, LP fractional-order shelving filters, which directly pass frequencies higher than the predefined cut-off frequency while adjusting the transmission of lower frequencies through amplification or attenuation; and second, HP fractional-order shelving filters, which directly pass frequencies lower than the predefined cut-off frequency while adjusting the transmission of higher frequencies through amplification or attenuation. Considering the impedance of the fractional-order capacitor with an α degree and the pseudo-capacitance, the transfer function of the positive-gain LP fractional-order shelving filter, derived from Equation (12), is expressed in Equation (27). Equation (28) is obtained from Equation (27), giving the filter’s shelving gain (G) and time constant ( τ 0 ), with C 1 α representing the fractional-order capacitor. The only difference between positive-gain LP and HP fractional-order shelving filters and negative-gain LP and HP fractional-order shelving filters is that the filter gains are negative in the latter.
H F O ( s ) = s α + 1 + R 1 R 2 1 C 1 α R 3 s α + 1 C 1 α R 3
G L G H = G and G = 1 + R 1 R 2 τ 0 = C 1 α R 3 G 1 / α
Secondly, HP fractional-order shelving filters directly pass frequencies below the specified cut-off frequency, while amplifying or attenuating higher frequencies. The transfer function of the positive-gain HP fractional-order shelving filter, obtained from Equation (12), is given in Equation (29). Equation (30) is obtained from Equation (29), giving the filter’s shelving gain (G) and time constant ( τ 0 ), with C 2 α representing the fractional-order capacitor.
H F O ( s ) = 1 + R 1 R 2 s α + 1 C 2 α R 4 s α + 1 C 2 α R 4
G L G H = 1 G and G = R 2 R 1 + R 2 τ 0 = C 2 α R 4 G 1 / α
The components C 1 α and C 2 α in the designed filter circuit depicted in Figure 3 represent fractional-order capacitors. In this study, the Oustaloup approach was chosen as the method for creating fractional-order capacitors due to its superior characteristics in gain responses. The Oustaloup approach could be constructed using either Foster or Cauer RC network types. However, in this study, the Foster type-I RC network illustrated in Figure 4 was employed because it features a minimal number of capacitors and resistors, demonstrates reasonable sensitivity despite its passive elements, and is closer to real-world applications. The impedance of the fractional-order capacitor is transformed into a rational integer-order transfer function using an n-th degree approximation, as expressed in Equation (31).
Z ( s ) = B n s n + B n 1 s n 1 + + B 1 s + B 0 A n s n + A n 1 s n 1 + + A 1 s + A 0
The coefficients A i and B i ( i = 0 n ) in Equation (31) denote positive coefficients. For the designed filter, the number of resistors required is n, while the number of capacitors is n + 4 . Equation (32) determines the values of resistors and capacitors in the Foster type-I RC network depicted in Figure 4. The expressions k , r i , and p i provided here represent residues, gains, and poles, respectively, in the equation given in Equation (31) [23].
R 0 = k , R i = r i p i , C i = 1 r i ( i = 1 , 2 , , n )

4. Simulation Results of the Designed Filter Circuit Using the MO-CCCII Element

The filter circuit, incorporating the multiple-output (ten outputs) CM and MO-CCCII active element as shown in Figure 3, underwent simulation using the PSpice program. Through the simulation, the transfer functions of the filter were validated, with the cut-off frequency recorded at 1 kHz. The filter circuit, which is capable of simultaneously delivering both integer-order (first-order LP, HP, and AP) and fractional-order filter outputs, features a straightforward circuit structure. Comprising only four grounded resistors and two fractional-order capacitors, the circuit features R 1 = R 2 = 20 k Ω and R 3 = R 4 = 31.8 k Ω . For this specific filter circuit, exclusively the negative gain outputs of the fractional-order shelving filters were derived, with R 1 = 15 k Ω and R 2 = 30 k Ω . In this context, C 1 α and C 2 α symbolize the fractional-order capacitors, with their values determined as 5 n F / 1 α at a 1 kHz cut-off frequency, as illustrated in Figure 3.
A fifth-order Oustaloup approximation tool was utilized to generate fractional-order capacitors. This methodology, demonstrated through the Foster type-I RC network depicted in Figure 4, was employed to determine the fractional-order ( α ) of the designed filter at values of 0.7, 0.8, and 0.9. The calculation of the passive elements in the Foster type-I RC network corresponding to each fractional order was carried out using Equation (32). To conform to the more readily available E96 series outlined in IEC 60063, the calculated values of the passive elements underwent rounding. This adjustment enhances the feasibility of implementing the designed filter in real-world applications. Table 2 provides the values of the passive elements in the Foster type-I RC network, calculated according to Equation (32) and rounded to comply with the E96 series. Furthermore, gain and phase simulations for the Foster type-I RC networks were conducted for all fractional orders, as depicted in Figure 5. The simulation results indicate that the bandwidths of the Foster type-I RC networks are suitable for both acoustic and control-system applications.
The filter circuit was implemented using three MO-CCCII active elements, which were derived by duplicating the ± Z -terminals through the use of current mirrors from the CCCII active element. This contributed to reducing the number of active elements in the circuit. Furthermore, to enhance its suitability for CM studies and low-power/voltage applications, the MO-CCCII active element was designed with a BJT-based configuration (see Figure 2). The internal structure of the MO-CCCII element, as shown in Figure 2, incorporates the DC voltage sources + V E E = V C C = + V and the DC current sources I 0 = 13 μ A. PNP (PR100N)- and NPN (NR100N)-type BJT transistors were employed in the internal arrangement of the MO-CCCII, with their parameter values outlined in Table 3.
The first phase of the study involves presenting the gain responses of the one-fractional order LP and HP filters, as shown in Figure 6. Phase simulations were conducted to observe both the positive and negative gain outputs of the one-fractional order LP and HP filters simultaneously, and the simulation outcome are presented in Figure 7.
Another output from the designed filter is the one-fractional order AP filter with positive gain. The gain response of this filter is given in Figure 8. Similar to other types of one-fractional order filters, a phase simulation was conducted to observe both positive and negative gain outputs of the one-fractional order AP filter simultaneously, and the simulation result is presented in Figure 9.
The tunability of the cut-off frequencies and gains for the one-fractional order filter outputs was achieved by adjusting the values of the passive elements within the designed filter (see Figure 3). This modification provides an additional advantage to the designed filter. To illustrate the filter’s tunability, the positive-gain one-fractional order LP output ( α = 0.9 ) was examined. By adjusting only the value of the R 3 element while keeping other passive elements constant, changes were observed exclusively in the cut-off frequency. These changes in the cut-off frequency are shown in Figure 10. Similarly, adjusting only the value of the R 1 element while keeping other passive elements unchanged resulted in variations in the filter’s gain. The variations in the filter gain are presented in Figure 11.
The second phase of the study presented the gain responses of both positive and negative LP and HP fractional-order shelving filter outputs. The gains and phase responses of both the positive and negative outputs of the LP fractional-order shelving filter are shown in Figure 12.
The gains and phase responses of both the positive and negative outputs of the HP fractional-order shelving filter are shown in Figure 13.
Table 4 presents the key characteristics in the frequency behaviors for the LP and HP fractional-order shelving filter outputs from the designed filter. The values given in parentheses in Table 4 present the theoretical gain and phase responses derived from Equations (15) and (16). Conversely, the values outside the parentheses denote the gain and phase responses acquired through simulation. Figure 14 presents both the theoretical and simulated gain and phase responses of the LP and HP fractional-order shelving filters. In this figure, the solid lines represent the simulated gain and phase responses, while the dashed lines correspond to the theoretical responses.
The frequency response of the fractional-order shelving filter outputs is tunable through adjustments to the passive elements’ values within the filter design (see Figure 3), providing an additional advantage to the filter. To highlight the filter’s adjustability, we specifically examined the positive-gain fractional-order LP shelving filter output ( α = 0.9 ). Altering only the R 3 element’s value while keeping other passive element values constant revealed changes solely in the cut-off frequency. These modifications in the cut-off frequency are illustrated in the gain and phase graph in Figure 15.
The total harmonic distortion (THD (%)) values were obtained through the positive-gain fractional-order LP shelving filter output ( α = 0.9 ) given in Figure 3. To calculate the THD (%) values, the DC current sources ( I 0 ) in the filter structure were set to 13 μ A, and the cut-off frequency ( f 0 ) of the filter was set to 1 kHz. Then, different sinusoidal signals in the range of 0.1 μ A to 500 μ A were applied to the input of the designed filter, with the input frequency matching the cut-off frequency. It was observed that the corresponding THD (%) values were smaller than 0.8. The graph showing the THD (%) values is presented in Figure 16.
The dynamic range, a pivotal concept in filter design, outlines the relationship between the largest input signal accommodated by the filter and the smallest input signal necessary for its operation, as expressed in Equation (33). With the THD (%) values obtained from the designed filter, input signals spanning from 0.1 μ A to 500 μ A can be applied to the filter. As a result, the dynamic range of the designed filter exceeds 60 dB, indicating its provision of an extensive dynamic range. Additionally, both power consumption and noise analysis were conducted for the designed filter. The simulation results indicate that the power consumption is less than 1 mW for a single 2.5 V supply. The total output noise of the designed filter was measured as 129.4 pA / Hz .
Δ R = 20 log ( I I N M A X I I N M I N )
The Monte Carlo analysis tool within the PSpice program was employed to examine the sensitivity of the internal values of the BJT transistor to variations in passive circuit elements. The analysis comprised 100 runs, targeting the positive-gain low-pass fractional-order ( α = 0.9 ) shelving filter output. Initially, a Monte Carlo analysis with a 20% tolerance was performed for the saturation currents ( I S ), early voltages ( V A F ), and internal resistances ( R B , R C , and R E ) of the BJT. The analysis results, including gain and phase graphs, are presented in Figure 17. Comparing the standard deviation values (0.408 dB and 0.41 ) with the nominal values provided in Table 4 (2.98 dB and − 16.51 ), it is evident that the designed filter circuit exhibits reasonable sensitivity characteristics.
Second, the BJT parameter values were reinstated for the positive-gain fractional-order LP filter ( α = 0.9 ) output. Subsequently, to observe the sensitivity of the shelving gain (G) outlined in Equation (28) to variations in the filter, a Monte Carlo analysis was conducted by adjusting only the resistance values of R 1 , R 2 , and R 3 with a 10% tolerance. Figure 18 displays the results of the analysis, presenting the gain and phase graphs. Comparing the standard deviation values (0.29 dB and 0.028 ) with the nominal values in Table 4 (2.98 dB and − 16.51 ), it is evident that the designed filter circuit exhibits reasonable sensitivity.

5. Discussion

In this study, a CM analog filter designed with the MO-CCCII active element presented an innovative approach to active filter design by applying a fractional-order calculation. By using current mirrors to duplicate the ± Z -terminals of the CCCII active element, a multi-output MO-CCCII (seven outputs) element was obtained. The outputs of the filter circuit with the MO-CCCII element can be duplicated without using any additional circuit according to the designer’s needs. This reduces the count of active elements in the filter structure and diminishes the necessity for passive elements in the circuit design.
Filtering designed as fractional-order introduces a significant change to filters. This change is a key characteristic of fractional-order filters. Fractional-order filters provide an extra degree of freedom to the filter with the α value, allowing for sharper control of the transition slope from the passband to the stopband, thus providing flexibility to the design process. The filter circuit given in Figure 3 was simulated using the PSpice program. While the filter circuit provides both positive and negative gain, one-fractional order LP, HP, and AP filter outputs, as well as LP and HP fractional-order shelving filter outputs (ten outputs), were verified, highlighting the advantages of the filter. Although the designed filter circuit can provide multiple filter outputs simultaneously, it possesses superior features such as simplicity and suitability for integrated design, as introduced by the CM study. The gain and phase of the filter were found to be modifiable based on the values of the passive elements included, as observed in the simulation results. This advantageous situation demonstrated the versatility of the filter in electronic applications.
The sensitivity of the filter to parameter mismatch and the sensitivity to changes in the values of passive elements in the circuit were measured using the Monte-Carlo analysis tool. The analysis result shows that despite the presence of BJTs and many passive elements in the internal structure of the filter, it exhibited reasonable sensitivity and confirmed the reliability of the filter under practical conditions.
Upon evaluating the overall performance of the filter, it was found to be low-power, low-noise, low-THD (%), and with a wide dynamic range. These features make it a suitable candidate for acoustic and control applications in practical scenarios. The evaluation of the filter’s general performance showed promising results for fractional-order active filter designs with the MO-CCCII active element. The filter’s CM, as well as its ability to provide multiple filter outputs simultaneously, its simple circuit structure, and its tunability contribute to this promising path. These features offer opportunities for further exploration and development in electronic systems.
In conclusion, the fractional-order filter circuit designed with the MO-CCCII active element presents a promising path for fractional-order active filter designs. The filter’s CM, as well as its ability to provide multiple filter outputs simultaneously, its simple circuit structure, and its tunability make it a suitable candidate for practical applications in the field of electronic systems. The combination of these features opens up opportunities for more discoveries and advancements in electronic systems.

6. Conclusions

This study introduces a fractional-order filter circuit (see Figure 3) capable of generating one-fractional order LP, HP, and AP filters with both positive and negative gains. Additionally, it extends its functionality to provide both positive and negative gains for LP and HP fractional-order shelving filters. This versatile design represents a significant advancement in fractional-order filters, holding promise for various practical applications in signal processing. Depicted in the diagram, this innovative filter circuit is the first of its kind, and is capable of concurrently generating a total of ten filter outputs simultaneously. The transfer function of the filter was validated through simulations using the PSpice program, and the cut-off frequency was measured at 1 kHz. As the filter circuit operates in CM mode, it incorporates a minimal number of active elements (MO-CCCII) and only grounded passive elements, resulting in a simple design that occupies little space. The desired filter output is obtained by duplicating the ± Z -terminals of the MO-CCCII active element to eliminate the need for an additional circuit. The filter circuit was adapted to a fractional-order one by specifically employing fractional-order capacitors. For practical applicability, the values of passive elements corresponding to each fractional order were rounded in accordance with the E96 series in IEC 60063. The observed benefits of the filter circuit include enhanced control over the transition slope from the passband to the stopband, which is facilitated by the fractional-order α , a crucial characteristic in fractional-order filter topology. Additionally, the filter allows for tunable gain and phase, providing flexibility based on the values of its passive elements. Based on simulations, the filter circuit proves efficient with low power consumption, minimal noise, low THD (%), and a broad dynamic range, rendering it suitable for low-voltage/power applications. Considering the cut-off frequency and overall performance, the circuit finds utility in control and sensor applications for one-fractional order filter outputs. Meanwhile, fractional-order shelving filter outputs present versatile applications in acoustics, encompassing peak filters, equalizers, and the control systems—an active and trending area of research [32,33].

Author Contributions

Methodology, A.K. and A.A.; Software, F.S.; Investigation, F.S.; Writing—original draft, F.S.; Writing—review & editing, A.K., B.S.C. and A.A.; Supervision, A.K. All authors have read and agreed to the published version of the manuscript.

Funding

This research received no external funding.

Data Availability Statement

No new data were created or analyzed in this study.

Conflicts of Interest

The authors declare no conflicts of interest.

References

  1. Roongmuanpha, N.; Likhitkitwoerakul, N.; Fukuhara, M.; Tangsrirat, W. Single vdga-based mixed-mode electronically tunable first-order universal filter. Sensors 2023, 23, 2759. [Google Scholar] [CrossRef]
  2. Kapoulea, S. Interdisciplinary Applications of the Fractional-Order Circuits. Ph.D. Thesis, University Of Patras, Patras, Greece, 2022. [Google Scholar]
  3. Smith, K.C.; Sedra, A. The current conveyor—A new circuit building block. Proc. IEEE 1968, 56, 1368–1369. [Google Scholar] [CrossRef]
  4. Sedra, A.; Smith, K. A second-generation current conveyor and its applications. IEEE Trans. Circuit Theory 1970, 17, 132–134. [Google Scholar] [CrossRef]
  5. Fabre, A. Third-generation current conveyor: A new helpful active element. Electron. Lett. 1995, 31, 338–339. [Google Scholar] [CrossRef]
  6. Fabre, A.; Saaid, O.; Wiest, F.; Boucheron, C. High frequency applications based on a new current controlled conveyor. IEEE Trans. Circuits Syst. Fundam. Theory Appl. 1996, 43, 82–91. [Google Scholar] [CrossRef]
  7. Khan, I.A.; Beg, P.; Ahmed, M.T. First order current mode filters and multiphase sinusoidal oscillators using mocciis. In 2006 International Conference on Microelectronics; IEEE: Piscataway, NJ, USA, 2006; pp. 146–149. [Google Scholar]
  8. Yuce, E.; Minaei, S. A new first-order universal filter consisting of two iccii+ s and a grounded capacitor. Aeu-Int. J. Electron. Commun. 2021, 137, 153802. [Google Scholar] [CrossRef]
  9. Muresan, C.I.; Birs, I.R.; Dulf, E.H.; Copot, D.; Miclea, L. A review of recent advances in fractional-order sensing and filtering techniques. Sensors 2021, 21, 5920. [Google Scholar] [CrossRef]
  10. Sen, F.; Kircay, A. Mo-cccii based current-mode fractional-order universal filter. J. Circuits Syst. Comput. 2021, 30, 2150132. [Google Scholar] [CrossRef]
  11. Nako, J.; Psychalinos, C. Heart rate controller design for cardiac pacemaker. In Proceedings of the 2022 Panhellenic Conference on Electronics & Telecommunications (PACET), Tripolis, Greece, 2–3 December 2022; IEEE: Piscataway, NJ, USA, 2022; pp. 1–4. [Google Scholar]
  12. Elwakil, A.S. Fractional-order circuits and systems: An emerging interdisciplinary research area. IEEE Circuits Syst. Mag. 2010, 10, 40–50. [Google Scholar] [CrossRef]
  13. Biswas, K.; Sen, S.; Dutta, P.K. A constant phase element sensor for monitoring microbial growth. Sens. Actuators B Chem. 2006, 119, 186–191. [Google Scholar] [CrossRef]
  14. Ionescu, C.M.; Keyser, R.D. Relations between fractional-order model parameters and lung pathology in chronic obstructive pulmonary disease. IEEE Trans. Biomed. Eng. 2008, 56, 978–987. [Google Scholar] [CrossRef] [PubMed]
  15. Caponetto, R.; Graziani, S.; Pappalardo, F.; Xibilia, M.G. Parametric control of ipmc actuator modeled as fractional order system. Adv. Sci. Technol. 2013, 79, 63–68. [Google Scholar]
  16. Chen, R.; Wang, Y. Study of threshold setting for rapid detection of multicomponent lfm signals based on the fourth-order origin moment of fractional spectrum. Circuits Syst. Signal Process. 2013, 32, 255–271. [Google Scholar] [CrossRef]
  17. Ahmed, W.A.E.M.; Mageed, H.M.A.; Mohamed, S.A.; Saleh, A.A. Fractional order darwinian particle swarm optimization for parameters identification of solar pv cells and modules. Alex. Eng. J. 2022, 61, 1249–1263. [Google Scholar] [CrossRef]
  18. Dumlu, A.; Erenturk, K. Trajectory tracking control for a 3-dof parallel manipulator using fractional-order pIλDμ control. IEEE Trans. Ind. Electron. 2013, 61, 3417–3426. [Google Scholar] [CrossRef]
  19. Elwy, O.; AbdelAty, A.M.; Said, L.A.; Madian, A.H.; Radwan, A.G. Two implementations of fractional-order relaxation oscillators. Analog. Integr. Circuits Signal Process. 2021, 106, 421–432. [Google Scholar] [CrossRef]
  20. Radwan, A.G.; Soliman, A.M.; Elwakil, A.S. First-order filters generalized to the fractional domain. J. Circuits Syst. Comput. 2008, 17, 55–66. [Google Scholar] [CrossRef]
  21. Kaur, G.; Ansari, A.Q.; Hashmi, M.S. Complexity reduced design procedure of a fractional order all-pass filter. Wirel. Pers. Commun. 2022, 125, 2515–2535. [Google Scholar] [CrossRef]
  22. Kumngern, M.; Jongchanachavawat, W.; Phatsornsiri, P.; Wongprommoon, N.; Khateb, F.; Kulej, T. Current-mode first-order versatile filter using translinear current conveyors with controlled current gain. Electronics 2023, 12, 2828. [Google Scholar] [CrossRef]
  23. Tsirimokou, G. A systematic procedure for deriving rc networks of fractional-order elements emulators using matlab. AEU-Int. J. Electron. Commun. 2017, 78, 7–14. [Google Scholar] [CrossRef]
  24. Herencsar, N. General view on fractional-order all-pass filters using generalized current conveyors. In Proceedings of the 2020 43rd International Conference on Telecommunications and Signal Processing (TSP), Milan, Italy, 7–9 July 2020; IEEE: Piscataway, NJ, USA, 2020; pp. 689–693. [Google Scholar]
  25. Sen, F.; Kircay, A.; Cobb, B.S.; Karci, H. Current-mode fractional-order shelving filters using mcfoa for acoustic applications. AEU-Int. J. Electron. Commun. 2023, 163, 154608. [Google Scholar] [CrossRef]
  26. Fierro, L.; Rämö, J.; Välimäki, V. Adaptive loudness compensation in music listening. In Proceedings of the Sound and Music Computing Conference, Malaga, Spain, 28–31 May 2019; pp. 135–142. [Google Scholar]
  27. ISO226:2003; Acoustics: Normal Equal-Loudness-Level Contours. ISO: Geneva, Switzerland, 2003.
  28. Kapoulea, S.; Psychalinos, C.; Elwakil, A.S. Fractional-order shelving filter designs for acoustic applications. In Proceedings of the 2020 IEEE International Symposium on Circuits and Systems (ISCAS), Virtual, 10–21 October 2020; IEEE: Piscataway, NJ, USA, 2020; pp. 1–5. [Google Scholar]
  29. Pagidas, A.; Psychalinos, C. Simple designs of fractional-order shelving filters for acoustic systems. In Proceedings of the 2022 Panhellenic Conference on Electronics & Telecommunications (PACET), Tripolis, Greece, 2–3 December 2022; IEEE: Piscataway, NJ, USA, 2022; pp. 1–4. [Google Scholar]
  30. Kapoulea, S.; Yesil, A.; Psychalinos, C.; Minaei, S.; Elwakil, A.S.; Bertsias, P. Fractional-order and power-law shelving filters: Analysis and design examples. IEEE Access 2021, 9, 145977–145987. [Google Scholar] [CrossRef]
  31. Yuce, E.; Kircay, A.; Tokat, S. Universal resistorless current-mode filters employing ccciis. Int. J. Circuit Theory Appl. 2008, 36, 739–755. [Google Scholar] [CrossRef]
  32. Dastjerdi, A.A.; Saikumar, N.; HosseinNia, S.H. Tuning guidelines for fractional order pid controllers: Rules of thumb. Mechatronics 2018, 56, 26–36. [Google Scholar] [CrossRef]
  33. HosseinNia, S.H.; Saikumar, N. Fractional-order precision motion control for mechatronic applications. In Handbook of Fractional Calculus with Applications; de Gruyter: Berlin, Germany, 2019; Volume 6, pp. 339–356. [Google Scholar]
Figure 1. Schematic symbol of the MO-CCCII (multi-output CCCII).
Figure 1. Schematic symbol of the MO-CCCII (multi-output CCCII).
Fractalfract 08 00181 g001
Figure 2. The utilization of BJT transistors in the internal configuration of the MO-CCCII.
Figure 2. The utilization of BJT transistors in the internal configuration of the MO-CCCII.
Fractalfract 08 00181 g002
Figure 3. The designed filter circuit.
Figure 3. The designed filter circuit.
Fractalfract 08 00181 g003
Figure 4. Foster Type-I network used for constructing the fractional-order capacitor.
Figure 4. Foster Type-I network used for constructing the fractional-order capacitor.
Fractalfract 08 00181 g004
Figure 5. Impedance (a), gain and (b), phase responses of the Foster type-I RC network for fractional-orders α = 0.7 , 0.8 , and 0.9 .
Figure 5. Impedance (a), gain and (b), phase responses of the Foster type-I RC network for fractional-orders α = 0.7 , 0.8 , and 0.9 .
Fractalfract 08 00181 g005
Figure 6. Gain responses of one-fractional order ( α = 0.7 , 0.8 , and 0.9 ) LP and HP filters with positive gain.
Figure 6. Gain responses of one-fractional order ( α = 0.7 , 0.8 , and 0.9 ) LP and HP filters with positive gain.
Fractalfract 08 00181 g006
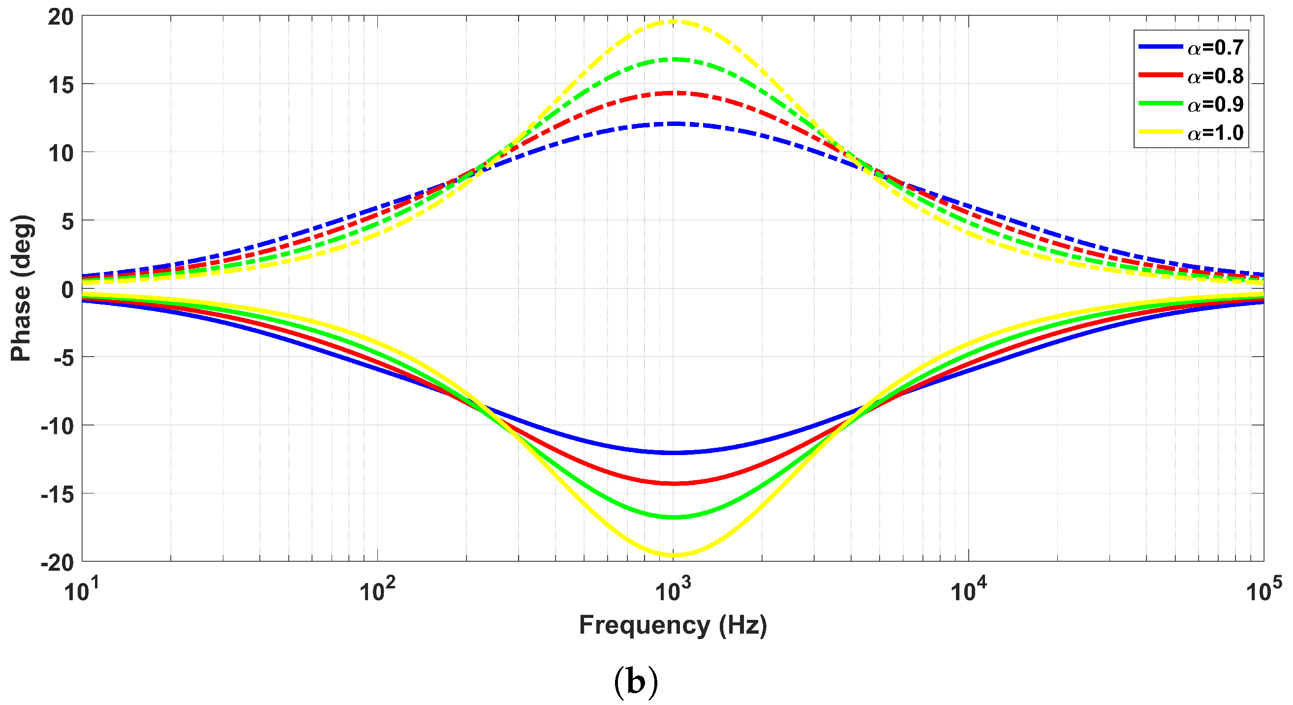
Figure 7. Phase responses of the one-fractional order ( α = 0.7 , 0.8 , and 0.9 ) (a) LP and (b) HP filters with positive (solid lines) and negative (dashed lines) gains.
Figure 7. Phase responses of the one-fractional order ( α = 0.7 , 0.8 , and 0.9 ) (a) LP and (b) HP filters with positive (solid lines) and negative (dashed lines) gains.
Fractalfract 08 00181 g007
Figure 8. Gain responses of the one-fractional order positive-gain AP filter ( α = 0.7 , 0.8 , and 0.9 ).
Figure 8. Gain responses of the one-fractional order positive-gain AP filter ( α = 0.7 , 0.8 , and 0.9 ).
Fractalfract 08 00181 g008
Figure 9. Phase responses of the one-fractional order positive-gain AP filter ( α = 0.7 , 0.8 , and 0.9 ) with positive (solid lines) and negative (dashed lines) gains.
Figure 9. Phase responses of the one-fractional order positive-gain AP filter ( α = 0.7 , 0.8 , and 0.9 ) with positive (solid lines) and negative (dashed lines) gains.
Fractalfract 08 00181 g009
Figure 10. Fractional-order ( α = 0.9 ) LP filter (a) gain and (b) phase response. The R 3 resistance is tunable within the 63.6 k Ω –10.6 k Ω range, while the f 0 cut-off frequency is tunable within the 500 Hz–3 kHz range.
Figure 10. Fractional-order ( α = 0.9 ) LP filter (a) gain and (b) phase response. The R 3 resistance is tunable within the 63.6 k Ω –10.6 k Ω range, while the f 0 cut-off frequency is tunable within the 500 Hz–3 kHz range.
Fractalfract 08 00181 g010aFractalfract 08 00181 g010b
Figure 11. Fractional-order ( α = 0.9 ) LP filter gain response. The R 1 resistance is tunable within the range of 20 k Ω –50 k Ω , while the gain K is tunable within the range of 1–2.5.
Figure 11. Fractional-order ( α = 0.9 ) LP filter gain response. The R 1 resistance is tunable within the range of 20 k Ω –50 k Ω , while the gain K is tunable within the range of 1–2.5.
Fractalfract 08 00181 g011
Figure 12. (a) Gain and (b) phase response of the positive-gain (solid lines) and negative-gain (dashed lines) LP fractional-order ( α = 0.7 , 0.8 , and 0.9 ) shelving filter.
Figure 12. (a) Gain and (b) phase response of the positive-gain (solid lines) and negative-gain (dashed lines) LP fractional-order ( α = 0.7 , 0.8 , and 0.9 ) shelving filter.
Fractalfract 08 00181 g012aFractalfract 08 00181 g012b
Figure 13. (a) Gain and (b) phase response of the positive (solid lines) and negative (dashed lines) HP fractional-order shelving filter ( α = 0.7 , 0.8 , and 0.9 ).
Figure 13. (a) Gain and (b) phase response of the positive (solid lines) and negative (dashed lines) HP fractional-order shelving filter ( α = 0.7 , 0.8 , and 0.9 ).
Fractalfract 08 00181 g013
Figure 14. The simulated (a) gain and (b) phase responses for fractional-order ( α = 0.7 , 0.8 , and 0.9 ) LP and HP shelving filter circuits, with simulation (solid line) and the corresponding theoretical (the dashed line) results calculated using Equation (15) and (16).
Figure 14. The simulated (a) gain and (b) phase responses for fractional-order ( α = 0.7 , 0.8 , and 0.9 ) LP and HP shelving filter circuits, with simulation (solid line) and the corresponding theoretical (the dashed line) results calculated using Equation (15) and (16).
Fractalfract 08 00181 g014
Figure 15. The (a) gain and (b) phase response of the fractional-order ( α = 0.9 ) LP shelving filter. The R 3 resistance is tunable within the 63.6 k Ω –10.6 k Ω range, while the f 0 cut-off frequency is tunable within the 500 Hz–3 kHz range.
Figure 15. The (a) gain and (b) phase response of the fractional-order ( α = 0.9 ) LP shelving filter. The R 3 resistance is tunable within the 63.6 k Ω –10.6 k Ω range, while the f 0 cut-off frequency is tunable within the 500 Hz–3 kHz range.
Fractalfract 08 00181 g015
Figure 16. THD (%) graph obtained through the positive-gain fractional-order LP shelving filter output ( α = 0.9 ).
Figure 16. THD (%) graph obtained through the positive-gain fractional-order LP shelving filter output ( α = 0.9 ).
Fractalfract 08 00181 g016
Figure 17. The Monte Carlo analysis results of the (a) gain and (b) phase of the positive-gain fractional-order LP shelving filter ( α = 0.9 ) with different parameter tolerances (20% tolerance) at the cut-off frequency f 0 = 1 kHz.
Figure 17. The Monte Carlo analysis results of the (a) gain and (b) phase of the positive-gain fractional-order LP shelving filter ( α = 0.9 ) with different parameter tolerances (20% tolerance) at the cut-off frequency f 0 = 1 kHz.
Fractalfract 08 00181 g017
Figure 18. The Monte Carlo analysis results for ( α = 0.9 ) the (a) gain and (b) phase of the positive-gain fractional-order LP shelving filter (G), designed to assess the sensitivity of the gain (G) to specific resistor values with a 10% tolerance, at the cut-off frequency f 0 = 1 kHz in the designed circuit.
Figure 18. The Monte Carlo analysis results for ( α = 0.9 ) the (a) gain and (b) phase of the positive-gain fractional-order LP shelving filter (G), designed to assess the sensitivity of the gain (G) to specific resistor values with a 10% tolerance, at the cut-off frequency f 0 = 1 kHz in the designed circuit.
Fractalfract 08 00181 g018
Table 1. Comparison of the characteristics of analog fractional-order shelving filter circuits from the literature.
Table 1. Comparison of the characteristics of analog fractional-order shelving filter circuits from the literature.
Ref.[22][25][26][24]Proposed
Active BlockOTA VCIIOP-AMPMCFOAMO-CCCII
ConfigurationMOS
Transistors
MOS
Transistors
NABJTBJT
Mode of OperationVMVMVMCMCM
Types of FunctionFractioanl-Order
+LP, +HP
Shelving Filters
Fractional-Order
+LP, +HP
Shelving Filters
Power-Law
+LP, +HP
Shelving Filters
Fractional-Order
+LP, +HP
Shelving Filters
Fractional-Order
+LP, +HP
Shelving Filter
First-Order
+LP, +HP, +AP
One-Fractional Order
+LP, +HP, +AP
Fractional-Order
+LP, +HP
Shelving Filters
Capacitor (Grounded Capacitor)+4(4)
+4(4)
+1(1)
+1(0)
+1(1)
+1(0)
+1(0)
+1(0)
+1(1)
+1(1)
+2(0)
Resistor (Grounded Resistor)+0(0)
+0(0)
+3(2)
+3(1)
+3(2)
+3(1)
+3(0)
+3(0)
+3(3)
+3(3)
+4(4)
Tunability of Cut-off FrequencyYESNANAYESYES
Tunability of GainYESNANAYESYES
Power ConsumptionNA 380.6   μ WNA<1 mW<1 mW
Dynamic RangeNANANA>60 dB>60 dB
NoiseNANANA 842.3 pA / Hz 129.4 pA / Hz
THD (%)NANANA 1.5 0.8
NA: not available.
Table 2. The values of passive elements needed for the Foster type-I RC network, utilized to derive the fractional-order capacitor with C = 5 nF / 1 α at 1 kHz ( α = 0.7 , 0.8 , and 0.9 ).
Table 2. The values of passive elements needed for the Foster type-I RC network, utilized to derive the fractional-order capacitor with C = 5 nF / 1 α at 1 kHz ( α = 0.7 , 0.8 , and 0.9 ).
Fractional-Order ( α )
Element0.70.80.9
R 0 ( Ω ) 887422150
R 1 ( k Ω ) 3.322887
R 2 ( k Ω ) 5.94.122.1
R 3 ( k Ω ) 12.710.26.04
R 4 ( k Ω ) 44.243.230.9
R 5 ( k Ω ) 107023206650
C 1 ( nF ) 4.999.0922.1
C 2 ( nF ) 12.419.139.2
C 3 ( nF ) 18.724.945.3
C 4 ( nF ) 20.523.235.7
C 5 ( nF ) 139.316.81
Table 3. Model of the bipolar array transistors NR100N and PR100N.
Table 3. Model of the bipolar array transistors NR100N and PR100N.
.MODEL NR100N NPN (IS = 121 × 10 18 , BF = 137.5, VAF = 159.4, +IKF = 6.974 × 10 3 , ISE = 36 × 10 16 ,
NE = 1.713, BR = 0.7258, VAR = 10.73, +IKR = 2.198 × 10 3 , RE = 1, RB = 524.6, RBM = 25, CJE = 0.214 × 10 12 ,
+RC = 50, VJE = 0.5, MJE = 0.28, CJC = 0.983 × 10 13 , VJC = 0.5, MJC = 0.3, +XCJC = 0.034, CJS = 0.913 × 10 12 ,
VJS = 0.64, MJS = 0.4, FC = 0.5, +TF = 0.425 × 10 9 , TR = 0.425 × 10 10 8 , EG = 1.206, XTB = 1.538, XTI = 2)
.MODEL PR100N PNP (IS = 73.5 × 10 18 , BF = 110, VAF = 51.8, +IKF = 2.359 × 10 3 , ISE = 25.1 × 10 16 ,
NE = 1.650, BR = 0.4745, VAR = 9.96, +IKR = 6.478 × 10 3 , RE = 3, RB = 327, RBM = 24.55, CJE = 0.180 × 10 12 ,
+RC = 50, VJE = 0.5, MJE = 0.28, CJC = 0.164 × 10 12 , VJC = 0.8, MJC = 0.4, +XCJC = 0.037, CJS = 1.03 × 10 12 ,
VJS = 0.55, MJS = 0.35, FC = 0.5, +TF = 0.610 × 10 9 , TR = 0.610 × 10 8 , EG = 1.206, XTB = 1.866, XTI = 1.7)
Table 4. Summary of the simulated frequency response characteristics of the fractional-order LP and HP filters with α = 0.7 , 0.8 , and 0.9 . The values in parentheses correspond to those derived from the transfer functions provided in Equations (15) and (16).
Table 4. Summary of the simulated frequency response characteristics of the fractional-order LP and HP filters with α = 0.7 , 0.8 , and 0.9 . The values in parentheses correspond to those derived from the transfer functions provided in Equations (15) and (16).
ParameterFractional-Order ( α )
0.70.80.9
FiltersLPHPLPHPLPHP
Gain @ f 0 (dB)2.85
(3)
2.86
(3)
2.91
(3)
2.92
(3)
2.98
(3)
2.96
(3)
Phase @ f 0 ( ) −12.05
(−12.3)
+12.09
(+12.3)
−14.3
(−14.5)
+14.28
(+14.5)
−16.51
(−17)
+16.54
(+17)
f L  (Hz)226.3
(222)
225.4
(222)
245.2
(252.1)
248.4
(252.1)
266.6
(275.17)
271.5
(275.17)
f H (kHz)4.39
(4.48)
4.41
(4.48)
3.88
(3.97)
3.93
(3.97)
3.56
(3.63)
3.6
(3.63)
Slope (dB/dec)−3.81
(−3.95)
+3.85
(+3.95)
−4.49
(−4.52)
+4.5
(+4.52)
−4.95
(−5.08)
+5.01
(+5.08)
Disclaimer/Publisher’s Note: The statements, opinions and data contained in all publications are solely those of the individual author(s) and contributor(s) and not of MDPI and/or the editor(s). MDPI and/or the editor(s) disclaim responsibility for any injury to people or property resulting from any ideas, methods, instructions or products referred to in the content.

Share and Cite

MDPI and ACS Style

Sen, F.; Kircay, A.; Cobb, B.S.; Akgul, A. MO-CCCII-Based Single-Input Multi-Output (SIMO) Current-Mode Fractional-Order Universal and Shelving Filter. Fractal Fract. 2024, 8, 181. https://doi.org/10.3390/fractalfract8040181

AMA Style

Sen F, Kircay A, Cobb BS, Akgul A. MO-CCCII-Based Single-Input Multi-Output (SIMO) Current-Mode Fractional-Order Universal and Shelving Filter. Fractal and Fractional. 2024; 8(4):181. https://doi.org/10.3390/fractalfract8040181

Chicago/Turabian Style

Sen, Fadile, Ali Kircay, Buket Sonbas Cobb, and Akif Akgul. 2024. "MO-CCCII-Based Single-Input Multi-Output (SIMO) Current-Mode Fractional-Order Universal and Shelving Filter" Fractal and Fractional 8, no. 4: 181. https://doi.org/10.3390/fractalfract8040181

APA Style

Sen, F., Kircay, A., Cobb, B. S., & Akgul, A. (2024). MO-CCCII-Based Single-Input Multi-Output (SIMO) Current-Mode Fractional-Order Universal and Shelving Filter. Fractal and Fractional, 8(4), 181. https://doi.org/10.3390/fractalfract8040181

Article Metrics

Back to TopTop