A Fractional-Order On-Line Self Optimizing Control Framework and a Benchmark Control System Accelerated Using Fractional-Order Stochasticity †
Abstract
:1. Introduction
- Introducing a fractional-order self optimization control framework using derivative-free optimization algorithms to improve the closed-loop performance of a system with a FOPI controller;
- The development of a more optimal fractional-order self optimizing controller using fractional-order stochasticity with enhanced convergence properties towards the performance improvement of the stable closed-loop system performance employing a FOPI controller.
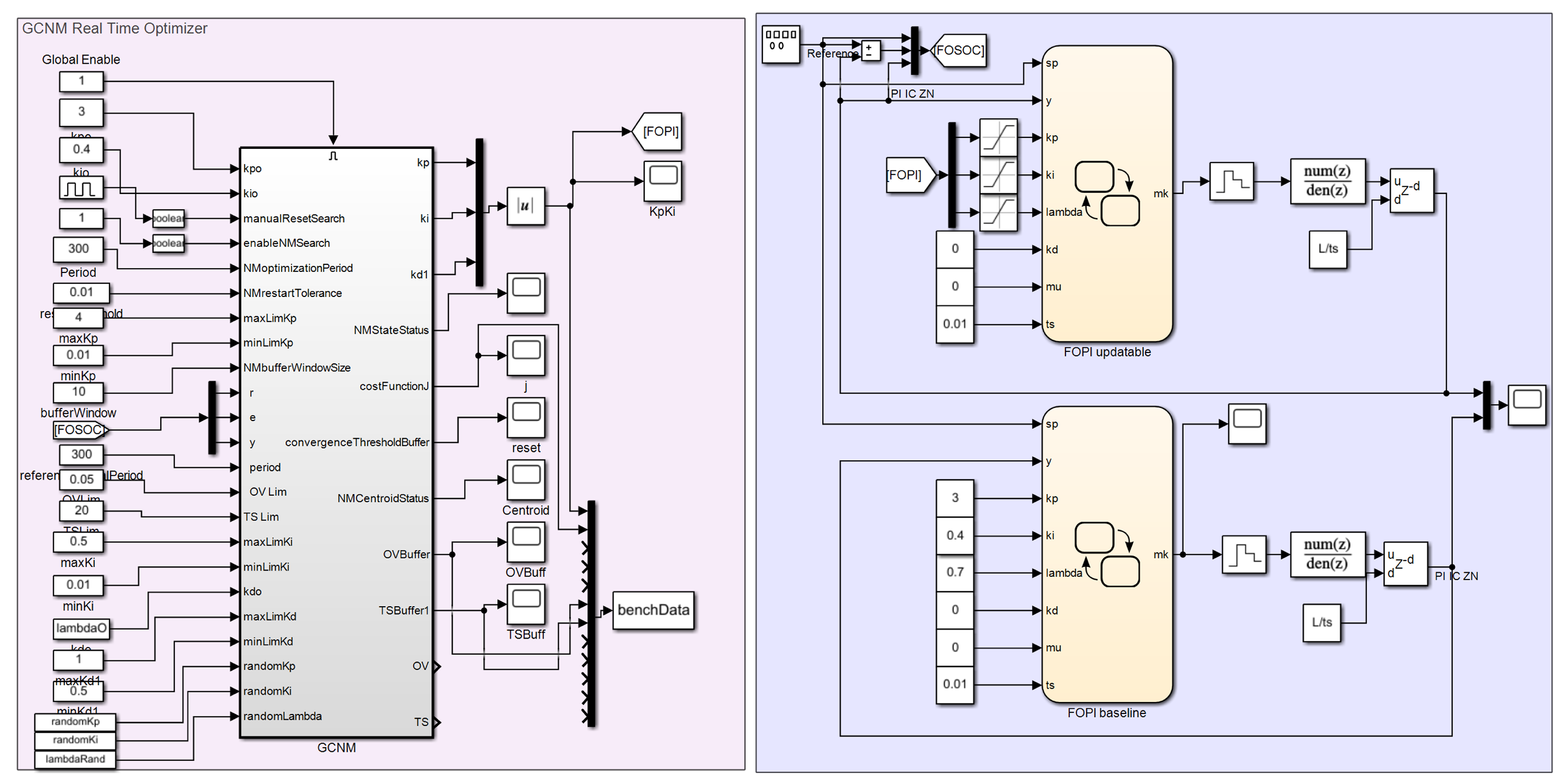
2. Fractional-Order Self Optimizing Control Framework
3. Globalized Constrained Nelder–Mead Optimization Algorithm
- It is a derivative-free model optimization method, which can be employed for any system with or without prior knowledge of the system model.
- The GCNM optimization is immune to noise (no gradient estimation), enhancing the robustness of the optimization process.
- By using probabilistic restart, the GCNM optimization algorithm is less susceptible to falling in a local minimum when searching for an optimal solution.
- The cost function is evaluated online directly using the real process, unlike several optimization approaches that perform offline optimization before real testing.
- The GCNM can be implemented in any embedded device with low computational cost. Please see its real-time implementation for solving the sphere function problem in Arduino https://tinyurl.com/5h3j5r5c (accessed on 10 July 2022).
- In the case of the SOC framework presented in this paper, the noise robustness, as well as the global search behavior, allows a wider exploration of the optimization space for the FOPI controller, with faster convergence than other model-free methods such as metaheuristics or grid search.
4. Discrete FOPI Controller Implementation
5. An SOC Benchmark for Smart Process Control
6. Accelerating Self Optimizing Control for FOPI Controller with Fractional-Order Stochasticity
7. Comparison of the FOSOC GCNM Controller with Other Self-Tuning PID Control Methods in the Literature
8. Conclusions and Future Work
Author Contributions
Funding
Institutional Review Board Statement
Informed Consent Statement
Data Availability Statement
Conflicts of Interest
Appendix A. Remark 11.31 [40]
References
- Skogestad, S. Plantwide control: The search for the self-optimizing control structure. J. Process Control 2000, 10, 487–507. [Google Scholar] [CrossRef]
- Francisco, M.; Vega, P.; Skogestad, S. Nonlinear offset free MPC for self-optimizing control in wastewater treatment plants. In Proceedings of the 19th International Conference on System Theory, Control and Computing (ICSTCC), Cheile Gradistei, Romania, 14–16 October 2015; pp. 390–395. [Google Scholar]
- Reza, M.; Mehdi, M.; Panahi, M. Convex reformulations for self-optimizing control optimization problem: Linear Matrix Inequality approach. J. Process Control 2022, 116, 172–184. [Google Scholar] [CrossRef]
- Ye, L.; Cao, Y.; Yang, S. Global self-optimizing control with active-set changes: A polynomial chaos approach. Comput. Chem. Eng. 2022, 159, 107662. [Google Scholar] [CrossRef]
- Bariyur, K.; Krstic, M. Real-Time Optimization by Extremum-Seeking Control; Wiley-Interscience: Hoboken, NJ, USA, 2003; p. 230. [Google Scholar] [CrossRef]
- Ahn, H.S.; Chen, Y.Q.; Moore, K.L. Iterative learning control: Brief survey and categorization. IEEE Trans. Syst. Man Cybern. Part C Appl. Rev. 2007, 37, 1099–1121. [Google Scholar] [CrossRef]
- Çıtmacı, B.; Luo, J.; Jang, J.B.; Canuso, V.; Richard, D.; Ren, Y.M.; Morales-Guio, C.G.; Christofides, P.D. Machine learning-based ethylene concentration estimation, real-time optimization and feedback control of an experimental electrochemical reactor. Chem. Eng. Res. Des. 2022, 185, 87–107. [Google Scholar] [CrossRef]
- Yin, C.; Chen, Y.; Cheng, Y.; Zhong, S.M.; Tian, L. Maximum power point tracking in photovoltaic system through extremum seeking control with fo switching technique. In Proceedings of the 2015 IEEE 54th Annual Conference on Decision and Control (CDC), Osaka, Japan, 15–18 December 2015; Volume 9, pp. 5629–5634. [Google Scholar] [CrossRef]
- Hollenbeck, D.; Chen, Y.Q. A more optimal stochastic extremum seeking control using fractional dithering for a class of smooth convex functions. IFAC-PapersOnLine 2020, 53, 3737–3742. [Google Scholar] [CrossRef]
- Malek, H.; Chen, Y. A single-stage three-phase grid-connected photovoltaic system with fractional order MPPT. In Proceedings of the IEEE Applied Power Electronics Conference and Exposition (APEC), Fort Worth, TX, USA, 16–20 March 2014; pp. 1793–1798. [Google Scholar] [CrossRef]
- Viola, J.; Hollenbeck, D.; Rodriguez, C.; Chen, Y. Fractional-Order Stochastic Extremum Seeking Control with Dithering Noise for Plasma Impedance Matching. In Proceedings of the 2021 IEEE Conference on Control Technology and Applications (CCTA), San Diego, CA, USA, 9–11 August 2021; pp. 247–252. [Google Scholar]
- Tani, T.; Matsuo, K. Robust closed-loop real-time optimization for refinery utility plant with model predictive control for constraint handling. In Proceedings of the 2009 IEEE International Conference on Industrial Technology, Churchill, VIC, Australia, 10–13 February 2009. [Google Scholar] [CrossRef]
- Zgraggen, A.U.; Fagiano, L.; Morari, M. Real-time optimization and adaptation of the crosswind flight of tethered wings for airborne wind energy. IEEE Trans. Control Syst. Technol. 2015, 23, 434–448. [Google Scholar] [CrossRef]
- Shuofeng, Z.; Amini, M.R.; Sun, J.; Mi, C. A Two-Layer Real-Time Optimization Control Strategy for Integrated Battery Thermal Management and HVAC System in Connected and Automated HEVs. IEEE Trans. Veh. Technol. 2021, 70, 6567–6576. [Google Scholar] [CrossRef]
- Cimini, G.; Bernardini, D.; Levijoki, S.; Bemporad, A. Embedded Model Predictive Control with Certified Real-Time Optimization for Synchronous Motors. IEEE Trans. Control Syst. Technol. 2021, 29, 893–900. [Google Scholar] [CrossRef]
- Altbawi, S.M.A.; Mokhtar, A.S.B.; Jumani, T.A.; Khan, I.; Hamadneh, N.N.; Khan, A. Optimal design of Fractional order PID controller based Automatic voltage regulator system using gradient-based optimization algorithm. J. King Saud Univ.-Eng. Sci. 2021. [Google Scholar] [CrossRef]
- Liu, Y.; Fan, K.; Ouyang, Q. Intelligent Traction Control Method Based on Model Predictive Fuzzy PID Control and Online Optimization for Permanent Magnetic Maglev Trains. IEEE Access 2021, 9, 29032–29046. [Google Scholar] [CrossRef]
- Farhan, M.; Ullah, N.; Ahmed, N. A single parameter self-tune fractional order PIλ controller for second order uncertain dynamical system. In Proceedings of the ICET 2016—2016 International Conference on Emerging Technologies, Islamabad, Pakistan, 18–19 October 2016; pp. 3–8. [Google Scholar] [CrossRef]
- Izci, D.; Ekinci, S. An Efficient FOPID Controller Design for Vehicle Cruise Control System Using HHO Algorithm. In Proceedings of the HORA 2021—3rd International Congress on Human-Computer Interaction, Optimization and Robotic Applications, Ankara, Turkey, 11–13 June 2021. [Google Scholar] [CrossRef]
- Hekimoglu, B. Optimal Tuning of Fractional Order PID Controller for DC Motor Speed Control via Chaotic Atom Search Optimization Algorithm. IEEE Access 2019, 7, 38100–38114. [Google Scholar] [CrossRef]
- Xu, C.; Liao, M.; Li, P.; Yao, L.; Qin, Q.; Shang, Y. Chaos Control for a Fractional-Order Jerk System via Time Delay Feedback Controller and Mixed Controller. Fractal Fract. 2021, 5, 257. [Google Scholar] [CrossRef]
- Chen, H.; Xie, W.; Chen, X.; Han, J.; Aït-Ahmed, N.; Zhou, Z.; Tang, T.; Benbouzid, M. Fractional-Order PI Control of DFIG-Based Tidal Stream Turbine. J. Mar. Sci. Eng. 2020, 8, 309. [Google Scholar] [CrossRef]
- Xu, K.; Chen, L.; Wang, M.; Lopes, A.M.; Tenreiro Machado, J.A.; Zhai, H. Improved Decentralized Fractional PD Control of Structure Vibrations. Mathematics 2020, 8, 326. [Google Scholar] [CrossRef]
- Alam, M.S.; Al-Ismail, F.S.; Abido, M.A. PV/Wind-Integrated Low-Inertia System Frequency Control: PSO-Optimized Fractional-Order PI-Based SMES Approach. Sustainability 2021, 13, 7622. [Google Scholar] [CrossRef]
- Gao, Z. A Tuning Method via Borges Derivative of a Neural Network-Based Discrete-Time Fractional-Order PID Controller with Hausdorff Difference and Hausdorff Sum. Fractal Fract. 2021, 5, 23. [Google Scholar] [CrossRef]
- Yin, C.; Chen, Y.; Zhong, S.M. Fractional-order sliding mode based extremum seeking control of a class of nonlinear systems. Automatica 2014, 50, 3173–3181. [Google Scholar] [CrossRef]
- Wei, J.; Chen, Y.Q.; Yu, Y.; Chen, Y. Optimal randomness in swarm-based search. Mathematics 2019, 7, 828. [Google Scholar] [CrossRef]
- Ahmed, W.A.E.M.; Mageed, H.M.A.; Mohamed, S.A.E.; Saleh, A.A. Fractional order Darwinian particle swarm optimization for parameters identification of solar PV cells and modules. Alex. Eng. J. 2021, 6, 1249–1263. [Google Scholar] [CrossRef]
- Chen, Y.; Gao, Q.; Wei, Y.; Wang, Y. Study on fractional order gradient methods. Appl. Math. Comput. 2017, 314, 310–321. [Google Scholar] [CrossRef]
- Niu, H.; Wei, J.; Chen, Y. Optimal randomness for stochastic configuration network (SCN) with heavy-tailed distributions. Entropy 2021, 23, 56. [Google Scholar] [CrossRef] [PubMed]
- Zhang, G.; Chen, Y.Q. More Informed Random Sample Consensus. In Proceedings of the 2020 8th International Conference on Control, Mechatronics and Automation (ICCMA 2020), Moscow, Russia, 6–8 November 2020; pp. 197–201. [Google Scholar] [CrossRef]
- Merrikh-Bayat, F.; Mirebrahimi, N.; Khalili, M.R. Discrete-time fractional-order PID controller: Definition, tuning, digital realization and some applications. Int. J. Control. Autom. Syst. 2015, 13, 81–90. [Google Scholar] [CrossRef]
- Monje, C.A.; Chen, Y.Q.; Feliu-Batlle, V.; Xue, D.; Vinagre, B.M. Fractional-Order Systems and Controls Fundamentals and Applications; Springer: London, UK, 2010; p. 430. [Google Scholar]
- Viola, J.; Chen, Y. A Fractional-Order On-line Self Optimizing Control Framework and a Benchmark Control System. In Proceedings of the International Conference on Fractional Differentiation and its Applications (ICFDA 2020), Warsaw, Poland, 6–8 September 2021; p. 6. [Google Scholar]
- Viola, J.; Chen, Y. An Accelerated Self Optimizing Control Framework for Smart Process Control Using Fractional Order Stochasticity. In Proceedings of the 2021 9th International Conference on Control, Mechatronics and Automation (ICCMA), Luxembourg, 11–14 November 2021; pp. 104–109. [Google Scholar] [CrossRef]
- Viola, J.; Angel, L.; Sebastian, J.M. Design and robust performance evaluation of a fractional order PID controller applied to a DC motor. IEEE/CAA J. Autom. Sin. 2017, 4, 304–314. [Google Scholar] [CrossRef]
- Gao, F.; Han, L. Implementing the Nelder-Mead simplex algorithm with adaptive parameters. Comput. Optim. Appl. 2014, 51, 259–277. [Google Scholar] [CrossRef]
- Xue, D.; Chen, Y.; Atherton, D. Linear Feedback Control, Analysis and Design with MATLAB–Advances in Design and Control; SIAM: Philadelphia, PA, USA, 2007; p. 354. [Google Scholar]
- Chen, Y.Q.; Bhaskaran, T.; Xue, D. Practical tuning rule development for fractional order proportional and integral controllers. J. Comput. Nonlinear Dyn. 2008, 3, 021403. [Google Scholar] [CrossRef]
- Luo, Y.; Chen, Y.Q. Fractional Order Motion Controls; Wiley: Chichester, UK, 2012; p. 456. [Google Scholar]
- Magin, R.L. Fractional calculus in bioengineering. Crit. Rev. Biomed. Eng. 2004, 32, 1–104. [Google Scholar] [CrossRef]
- Sheng, H.; Chen, Y.; Qiu, T. Fractional Processes and Fractional-Order Signal Processing Techniques and Applications; Springer: Berlin/Heidelberg, Germany, 2012; p. 322. [Google Scholar]
- Viola, J.; Chen, Y. A Self Optimizing Control Framework and a Benchmark for Smart Process Control. In Proceedings of the 2021 3rd International Conference on Industrial Artificial Intelligence (IAI), Shenyang, China, 8–11 November 2021; pp. 1–6. [Google Scholar] [CrossRef]
- Killingsworth, N.; Krstic, M. PID tuning using extremum seeking: Online, model-free performance optimization. IEEE Control Syst. Mag. 2006, 26, 70–79. [Google Scholar] [CrossRef]
- Suardíaz Muro, J.; Al-Hadithi, B.M.; García, A.I. Controlador auto-parametrizable dedicado al control del caudal de un fluido. IEEE Lat. Am. Trans. 2006, 4, 332–338. [Google Scholar] [CrossRef]
- Rodriguez-Abreo, O.; Rodriguez-Resendiz, J.; Fuentes-Silva, C.; Hernandez-Alvarado, R.; Falcon, M.D.C.P.T. Self-Tuning Neural Network PID with Dynamic Response Control. IEEE Access 2021, 9, 65206–65215. [Google Scholar] [CrossRef]
- Meza, J.L.; Santibáñez, V.; Soto, R.; Llama, M.A. Fuzzy self-tuning PID semiglobal regulator for robot manipulators. IEEE Trans. Ind. Electron. 2012, 59, 2709–2717. [Google Scholar] [CrossRef]
- Kashyap, A.K.; Parhi, D.R. Particle Swarm Optimization aided PID gait controller design for a humanoid robot. ISA Trans. 2021, 114, 306–330. [Google Scholar] [CrossRef] [PubMed]
- Relay Feedback Tuning of Robust PID Controllers With Iso-Damping Property. Proc. IEEE Conf. Decis. Control 2003, 3, 2180–2185.
- Moradi, M. Self-tuning PID controller to three-axis stabilization of a satellite with unknown parameters. Int. J. Non-Linear Mech. 2013, 49, 50–56. [Google Scholar] [CrossRef]
- Baz, R.; Majdoub, K.E.; Giri, F.; Taouni, A. Self-tuning fuzzy PID speed controller for quarter electric vehicle driven by In-wheel BLDC motor and Pacejka’s tire model. IFAC-PapersOnLine 2022, 55, 598–603. [Google Scholar] [CrossRef]
- de Moura Oliveira, P. Design of Digital PID Controllers using Particle Swarm Optimization: A Video Based Teaching Experiment. IFAC-PapersOnLine 2018, 51, 298–303. [Google Scholar] [CrossRef]
- Vanchinathan, K.; Selvaganesan, N. Adaptive fractional order PID controller tuning for brushless DC motor using Artificial Bee Colony algorithm. Results Control Optim. 2021, 4, 100032. [Google Scholar] [CrossRef]
- Altınten, A.; Ketevanlioğlu, F.; Erdoğan, S.; Hapoğlu, H.; Alpbaz, M. Self-tuning PID control of jacketed batch polystyrene reactor using genetic algorithm. Chem. Eng. J. 2008, 138, 490–497. [Google Scholar] [CrossRef]









| Delay L (s) | Settling Time (s) | OV (%) | FMIGO FOPI | ||||||||
|---|---|---|---|---|---|---|---|---|---|---|---|
| min | max | min | max | min | max | ||||||
| 0.1 | 0.01 | 4 | 0.01 | 0.5 | 0.7 | 1.1 | 20 | 5 | 3.26 | 8.07 | 0.7 |
| 1 | 0.01 | 0.5 | 0.01 | 0.1 | 0.7 | 1.1 | 20 | 5 | 0.2977 | 0.0886 | 1 |
| 10 | 0.01 | 0.5 | 0.01 | 0.2 | 0.7 | 1.1 | 50 | 5 | 0.3275 | 0.1618 | 1.1 |
| Dead Time L (s) | SOC Convergence Time (s) | OV | Settling Time (s) | RMS | ISE | IAE | RMSE |
|---|---|---|---|---|---|---|---|
| L = 0.1 | 2000 | 0.01 | 10 | 0.9934 | 0.03143 | 0.989 | 0.095 |
| L = 1 | 4500 | 0.02 | 12 | 0.977 | 0.045 | 0.973 | 0.0958 |
| L = 10 | 4500 | 0.06 | 21 | 0.967 | 0.41 | 0.94 | 0.984 |
| Paper | Year | Author | Controller | Cost Function | Optimization Method | Iterations | Real-Time /Offline |
|---|---|---|---|---|---|---|---|
| Proposed method | Viola and Chen | FOPI | Squared error overshoot settling time | SOC GCNM | 1 | real-time | |
| [43] | 2021 | Viola and Chen | PID PI | Squared error overshoot settling time | SOC GCNM | 3 | real-time |
| [18] | 2016 | Farhan | FOPI fuzzy | Error | Gradient based optimization (metaheuristic) | 30 | offline |
| [20] | 2019 | Hekimoğlu | FOPID | ITAE | CHaSO Algorithm | 30 | offline |
| [19] | 2021 | Izci and Ekinci | FOPID PID | ITAE | Harris Hawk | 40 | offline |
| [44] | 2006 | Kilingsworh and Krtics | PID | IAE ITAE ITSE | Extremum seeking control | 13 | real-time |
| [45] | 2006 | Suardiaz | PID | Online identification | Pole placement and online identification | - | real-time |
| [46] | 2021 | Rodriguez Abreo | PID | Settling time squared error phase margin | Genetic algorithm | - | offline |
| [47] | 2012 | J. L. Meza | PID fuzzy | Error velocity | Fuzzy logic | - | real-time |
| [48] | 2014 | Kumar | PID | Square error | Cukoo search | - | offline |
| [49] | 2003 | Chen | PID | Phase and gain margin | Relay feedback control | - | real-time |
| [50] | 2013 | Moradi | PID | Error | Sliding surface control | - | real-time |
| [51] | 2022 | Baz et al. | PID | Error | Fuzzy logic functions | - | real-time |
| [52] | 2018 | Oliveira | PID | ITAE | Particle swarm optimization | 50 | offline |
| [53] | 2021 | Vanchinathan | FOPID | ISE | Artificial Bee Colony | 10 | offline |
| [54] | 2008 | Altinten | PID | IAE | Genetic algorithm | 30 | offline |
Publisher’s Note: MDPI stays neutral with regard to jurisdictional claims in published maps and institutional affiliations. |
© 2022 by the authors. Licensee MDPI, Basel, Switzerland. This article is an open access article distributed under the terms and conditions of the Creative Commons Attribution (CC BY) license (https://creativecommons.org/licenses/by/4.0/).
Share and Cite
Viola, J.; Chen, Y. A Fractional-Order On-Line Self Optimizing Control Framework and a Benchmark Control System Accelerated Using Fractional-Order Stochasticity. Fractal Fract. 2022, 6, 549. https://doi.org/10.3390/fractalfract6100549
Viola J, Chen Y. A Fractional-Order On-Line Self Optimizing Control Framework and a Benchmark Control System Accelerated Using Fractional-Order Stochasticity. Fractal and Fractional. 2022; 6(10):549. https://doi.org/10.3390/fractalfract6100549
Chicago/Turabian StyleViola, Jairo, and YangQuan Chen. 2022. "A Fractional-Order On-Line Self Optimizing Control Framework and a Benchmark Control System Accelerated Using Fractional-Order Stochasticity" Fractal and Fractional 6, no. 10: 549. https://doi.org/10.3390/fractalfract6100549
APA StyleViola, J., & Chen, Y. (2022). A Fractional-Order On-Line Self Optimizing Control Framework and a Benchmark Control System Accelerated Using Fractional-Order Stochasticity. Fractal and Fractional, 6(10), 549. https://doi.org/10.3390/fractalfract6100549

