Next Article in Journal
Integrated Scheduling of Multi-Objective Job Shops and Material Handling Robots with Reinforcement Learning Guided Meta-Heuristics
Previous Article in Journal
Soret Effect on the Instability of Double-Diffusive Convection in a Saturated Vertical Brinkman Porous Layer of Oldroyd-B Fluid
Previous Article in Special Issue
Mathematical Formulations for Predicting Pressure Drop in Solid–Liquid Slurry Flow through a Straight Pipe Using Computational Modeling
 
 
Font Type:
Arial Georgia Verdana
Font Size:
Aa Aa Aa
Line Spacing:
Column Width:
Background:
Article

Computational Fluid Dynamics Simulation and Analysis of Non-Newtonian Drilling Fluid Flow and Cuttings Transport in an Eccentric Annulus

by
Muhammad Ahsan
*,
Shah Fahad
and
Muhammad Shoaib Butt
School of Chemical & Materials Engineering, National University of Sciences & Technology, Islamabad 44000, Pakistan
*
Author to whom correspondence should be addressed.
Mathematics 2025, 13(1), 101; https://doi.org/10.3390/math13010101
Submission received: 6 November 2024 / Revised: 19 December 2024 / Accepted: 25 December 2024 / Published: 30 December 2024

Abstract

This study examines the flow behavior as well as the cuttings transport of non-Newtonian drilling fluid in the geometry of an eccentric annulus, accounting for what impacts drill pipe rotation might have on fluid velocity, as well as annular eccentricity on axial and tangential distributions of velocity. A two-phase Eulerian–Eulerian model was developed by using computational fluid dynamics to simulate drilling fluid flow and cuttings transport. The kinetic theory of granular flow was used to study the dynamics and interactions of cuttings transport. Non-Newtonian fluid properties were modeled using power law and Bingham plastic formulations. The simulation results demonstrated a marked improvement in efficiency, as much as 45%, in transport by increasing the fluid inlet velocity from 0.54 m/s to 2.76 m/s, reducing the amount of particle accumulation and changing axial and tangential velocity profiles dramatically, particularly at narrow annular gaps. At a 300 rpm rotation, the drill pipe brought on a spiral flow pattern, which penetrated tangential velocities in the narrow gap that had increased transport efficiency to almost 30% more. Shear-thinning behavior characterizes fluid of which the viscosity, at nearly 50% that of the central core low-shear regions, was closer to the wall high-shear regions. Fluid velocity and drill pipe rotation play a crucial role in optimizing cuttings transport. Higher fluid velocities with controlled drill pipe rotation enhance cuttings removal and prevent particle build-up, thereby giving very useful guidance on how to clean the wellbore efficiently in drilling operations.

1. Introduction

The drilling of oil and gas wells involves complicated fluid dynamics, which require more thorough analysis and optimization, particularly in non-Newtonian fluid applications for cuttings transport and frictional pressure loss reduction in a wide range of well geometries. Non-Newtonian fluids, with their rheological properties, have gained special importance in efficient cuttings transport, especially for drilling horizontal and deviated wells. As Jassim and Yunus have reported, nano-based fluids provide better thermal and frictional properties that can cater to the challenges of demanding drilling environments [1]. It is because the dynamic conditions inside a wellbore are eccentric, which causes problems arising from orbital motions of drill pipes, cuttings accumulation, pressure drop, and other variable turbulence across different regimes of flow.
Substantial progress has been reported on the dynamics of fluid flow in eccentric and concentric annular spaces based on experimental and computational works. Maleki and Frigaard have discussed primary cementing in turbulent regimes and addressed the stability of fluid displacement as important to reduce channeling during cementing in wells [2]. Further, although eccentric annuli studies have clarified that eccentricity does influence a flow in its general behavior as well as stability, concentric annuli provide information on the flow stability. For instance, Bord and Rudyak researched stability regimes in coaxial flows, which is essential information in rotational fluid dynamics in order to understand the fluid behavior around the drill pipe for directional drilling [3].
Studies on transient and steady-state conditions, as presented by Epelle and Gerogiorgis, give critical insights into cuttings transport phenomena, which are influenced by both flow turbulence and particle interactions [4]. This is important in high-efficiency drilling and borehole cleaning operations, especially in turbulent flows where cuttings transport can be compromised [5].
Understanding the thermal effects on non-Newtonian fluids is crucial for the stability of wellbores, especially under extreme temperatures experienced during deep drilling. Ahmed et al. studied this and found that the mechanisms of heat transfer and thermal convection play a crucial role [6]. Zimmermann et al. explored Nusselt numbers for turbulent flows in eccentric annuli, showing that variations in heat transfer are related to annulus geometry [7]. Dewangan and Deshmukh extended it by modeling multiphase particulate flow in concentric annuli to determine the suitability of CFD in precisely predicting the behavior of fluid and thus optimizing borehole cleaning [8].
Recent advances in computational fluid dynamics and lattice Boltzmann methods have made these tools even more capable of simulating the complexities present in drilling environments. Some examples include work carried out in the natural convection of non-Newtonian fluids by Xie and Cao where certain insights were found on fluid behavior with respect to wall vibrations, i.e., an application specifically for eccentric annular configurations [9]. Epelle and Gerogiorgis reviewed the technological advances in drilling systems [10]. They noted that state-of-the-art CFD tools are essential for controlling pressure drop, temperature gradients, and non-Newtonian fluid flow.
Many studies also describe fluid behavior under eccentricity impacts. For example, velocity profiles and pressure drop resulting from drill pipe orbital motion and eccentricity were described by Ferroudji and Hicham et al. [11]. These authors noted that fluid drilling efficiency and pressure adjustment are highly susceptible to change by eccentricity. Zainith and Mishra conducted a comparative study on the thermal–hydraulic performance of non-Newtonian nanofluids flowing through an elliptical annulus, showing that the nanofluid holds promise for enhancing heat transfer and reducing thermal resistance in adverse well environments [12].
Recent research works focus on the optimization of events of blockage by studying the interaction between drilling fluid rheology and different operational parameters, including drill pipe rotation and flow eccentricity. Salubi et al. gave attention to the combined effect of fluid rheology, pipe rotation, and eccentricity on the flow of Newtonian and non-Newtonian fluids in annuli, where guidelines for optimal rotational speed are optimally relevant for an enhanced rate of cuttings transport while minimizing drag created by the fluid [13]. Similarly, Gavrilov and Ignatenko simulated the Taylor–Couette–Poiseuille flow using numerical simulation, establishing the role of Reynolds numbers in stability within concentric annuli [14]. As a consequence, the proposed findings lead to support in adapting the operational parameters depending on the specific rheological properties of the utilized drilling fluids.
Advances in material science have also impacted the formulation of drilling fluids. Newer materials provide higher heat transfer and lower friction in wells. For example, Zhang et al. studied the displacement flow of shear-thinning fluids in vertical cementing applications, pointing to how material properties influence fluid stability in wellbore applications [15]. Further, Basso and Franco analyzed the Herschel–Bulkley fluid turbulent flow in concentric annuli [16]. They were particularly sensitive to some peculiar characteristics of those fluids when put in the rotating field, which creates new complications for developing an advanced formulation for such fluids.
Nowadays, the coupling of CFD modeling with experimental validation is central to the solution of the problems encountered in modern drilling operations. Deshmukh and Dewangan used CFD simulation to study cuttings transport in eccentric horizontal and inclined annuli, thereby providing a basis for enhanced cleaning protocols in complex borehole geometries [17]. The present study expands on earlier computational fluid dynamics research by examining how drill pipe rotation, eccentricity, and non-Newtonian fluid properties affect cuttings transport and velocity profiles in an eccentric annulus. It emphasizes pure rotation at different speeds and eccentricities, contrasting with previous studies that focused on orbital motion. The study indicates that controlled drill pipe rotation enhances both axial and tangential velocity fields, leading to efficient cuttings transport, especially in narrow annular gaps. The study highlights the importance of shear-thinning drilling fluids which help improve flow efficiency by reducing viscosity in high-shear areas. This aligns with earlier research on non-Newtonian fluid performance in confined spaces and suggests further exploration of nanoparticle-enhanced fluids for drilling. The study results show that increasing rotational speed can significantly boost cuttings transport efficiency and improve wellbore cleaning operations, offering practical insights by combining CFD simulations, experimental validation, and granular flow modeling.
The study introduces a new method that combines power-law modeling of non-Newtonian drilling fluids with granular flow analysis to explore fluid dynamics and cuttings transport in eccentric annuli. This approach improves upon traditional methods by accurately modeling interactions between particles and fluids. By integrating these techniques, the study offers insights into enhancing cuttings transport efficiency, supported by experimental data. The present work enumerates annular flow behavior inside an eccentric annulus where numerical techniques were utilized to simulate the different annular flow regimes using varied flow rates and rotational speeds. This study also aimed at the narrow gap region that was established through the examination of the behavior of the flow in a situation where the inner pipe of the annulus rotated. The simulated results were contrasted with experimental data. Consistent trends were found both for axial and tangential mean velocities, which is in affirmation of the adopted numerical approach.

2. CFD Modeling

The use of an Eulerian–Eulerian two-phase model in the research helps examine the flow behavior of drilling fluid and cuttings in the annulus. According to the view presented by the model, cuttings are represented as a band within the liquid phase. This means that both phases have their separate equations of motion to maintain momentum in the two interpenetrating solid and liquid phases. The application of the kinetic theory of granular flow toward modeling the collisions and kinetic momentum transfer for the cuttings is described. The interactions between the two phases are then described by additional source terms added to the conservation equations. A compensation coefficient compensates for the loss of kinetic energy during a collision between particles; this accounts for inelasticity. The principles of modeling granular transport, momentum from collision, and unstable kinetic energy cuttings are based on the definition of granular temperature ƍs = [c]2/3, where [c] is the unstable velocity of cuttings. The adhesive forces are very high in the case of the interaction between the cuttings and drilling fluid. The research proposes the following: (a) a power law model for the liquid phase in non-Newtonian incompressible fluids, (b) the cuttings are modeled as spherical particles characterized by mean density and diameter, and (c) there is no mass transfer occurring between the two phases on an interfacial basis. The assumption of no mass transfer is based on the negligible solubility of cuttings in drilling fluid under simulated conditions. Spherical cuttings were chosen for simplification, as prior studies [18] indicate that particle shape has a limited impact on momentum transfer in low-Reynolds-number flows. The equation of continuity is illustrated as follows:
t [ ε 1 ρ 1 ] + [ ε 1 ρ 1 ν 1 ] = 0
where ν 1 is a velocity vector for liquid, ρ 1 is the density of the liquid, ε 1 is liquid phase volume fraction and t is time. The equation for momentum conservation is illustrated as follows:
t [ ε 1 ρ 1 ν 1 ] + [ ε 1 ρ 1 ν 1   ] = ε 1   Ʈ 1 + ε 1 ρ 1 g ε 1 p β [ ν 1 ν s ]
where β is the coefficient of drag among the cuttings and the fluid, Ʈ1 is the liquid stress tensor, and g is the acceleration due to gravity. The power law equation for fluid can be illustrated as follows:
Ʈ 1 = η [ D ] . D
where η is the apparent viscosity and is fluids shear stress, and D is the tensor of the rate of deformation and is defined as:
D = [ ν 1 j x i + ν 1 i x i ]
Generally, η is the tensor of the rate of deformation, and a function for all three variants and the shearing rate function.
η = K [ 1 2 D : D ] n 1
where n is an index of power law and K is the consistency factor. If n becomes equal to 1, it is a Newtonian fluid where the fluid rheological characteristics are segregated into two portions. The non-Newtonian fluid used in this study was modeled using the power law formulation, with rheological properties characterized by a consistency index and flow behavior index sourced from the published literature. The fluid is a 0.2% (mass basis) carboxymethyl cellulose (CMC) aqueous solution, widely used in drilling applications. The parameters were adopted from the literature, which conducted detailed experimental studies on similar CMC-based non-Newtonian fluids [13,15]. If n is higher than one, then it is a shear-thickening fluid, and if n is less than one, then it is a shear-thinning fluid. In this work, drilling fluid flow through annulus is a low-Reynolds-number turbulent or laminar flow. Wilcox has anticipated modifications for low Reynolds numbers for the k-ω model [19]. The shear stress transport k-ω model was cast for drilling fluid in case of turbulent viscosity by Menter [20]. By using the following transport equations, specific dissipation rate ω and k, the kinetic energy can be attained:
t [ ρ m k ] + x i [ ρ m k v m ] = x j [ Γ k k x j ] + G k * Y k
t [ ρ m   ω ] + x i [ ρ m   ω   ν m ] = x j   [ Γ ω ω x j ] + G ω Y ω + D ω
where Gω is a generation of ω, G k * signifies turbulence kinetic energy turbulence. The effective diffusivity of k and ω is given by Γk and Γω, respectively. Dissipation due to the turbulence of ω and k is Yω and Yk, respectively. Dω defines cross-diffusion.
According to the correlation of Gidaspow–Huilin, the drag forces among the cuttings and the drilling fluid are premeditated. The model of Gidaspow–Huilin is an amalgamation of the Ergun equation and the model of Wen and Yu, defined as [18,21]. To ensure robustness, we compared our approach with recent experimental data presented by Brazhenko and Mochalin [22] using the particle image shadowgraph technique. Their work provides insights into drag coefficients over a range of Reynolds numbers (1420–12,740) and different inclination angles, proving the accuracy of our model for similar Reynolds number ranges in eccentric annuli.
β = φ β   E r g u n + ( 1 φ ) β WenandYu
φ = 1 2 + arctan { 263.5 ( ε s 0.2 ) } π
β   E r g u n = ε s 2 µ 1 ε 1   d s 2 + 1.75 ε s ρ 1 d s   [   ν 1 ν s ]
β WenandYu = 3 C d ε 1 ε s ρ 1 [   ν 1   ν s ] 4 d s ε 1 2.65
where Cd is the drag coefficient and is defined as
C d = 24 R e s [ 1 + 0.15 R e s 0.687 ] ,   R e s 1000
C d = 0.44 ,   R e s > 1000
where the cuttings phase Reynolds number can be illustrated as
R e s = ε 1 ρ 1 d s [   ν 1 ν s ] µ 1
For low Reynolds number calculations for near-wall treatment, the k-ω formulation is beneficial. The model is more precise and vigorous because it does not contain complex nonlinear functions for the requirement of the k-ω model. From a low Reynolds number-to-wall function formulation, the smooth shift is obtained through it.
It is supposed in the k-ω model that turbulent frequency and turbulent kinetic energy are related to turbulence viscosity, which is as follows:
µ t = ρ k ω
Wilcox developed the k-ω model for this formulation, which solves two equations of transport, one for the turbulence frequency (ω) and the other for the turbulent kinetic energy (k) [19]. From the eddy–viscosity concept, the stress tensor is calculated.
ω-equation:
[ ρ ω ] t + x j [ ρ U j ω ] = x j   [ ( µ + µ t σ ω ) ω x j ] + α ω k P k β ρ ω 2 + P ω b  
k-equation:
[ ρ k ] t + x j [ ρ U j k ] = x j   [ ( µ + µ t σ k ) k x j ] + P k β ρ k ω + P k b
By the Navier–Stokes method, velocity vector (U), density (ρ), and other independent variables are taken as known measures. In the above equation, Pk is the turbulence production rate and can be computed from the k-ε model, where the constants of the model are as follows:
β′ = 0.09; α = 5/9; β = 0.075; σk = 2; σω = 2.
The computation of an unknown Reynolds stress tensor ( ρ u i u j ¯ ) is as follows:
ρ u i u j ¯ = µ t   [ U i X j + U j X i ] 2 3 δ i j [ ρ k + µ t U k x k ]  
Limitations: The study assumes no mass transfer between the solid (cuttings) and fluid phases and models cuttings as spherical particles with a uniform diameter and density, which may not fully capture the irregular shapes and heterogeneous properties of actual cuttings. Additionally, the Eulerian–Eulerian two-phase model with the kinetic theory of granular flow introduces approximations in granular temperature and inelastic collisions, which may result in small deviations in transport predictions. Boundary conditions, such as a uniform inlet velocity and atmospheric pressure at the outlet, were simplified and did not account for dynamic variations in real drilling operations. At the same time, thermal effects were neglected, limiting the study to isothermal conditions. Finally, while the mesh independence study confirmed the adequacy of the chosen mesh size, the use of a k-ω turbulence model with low-Reynolds-number modifications may not fully resolve near-wall effects in highly turbulent regions.

3. Simulation Setup

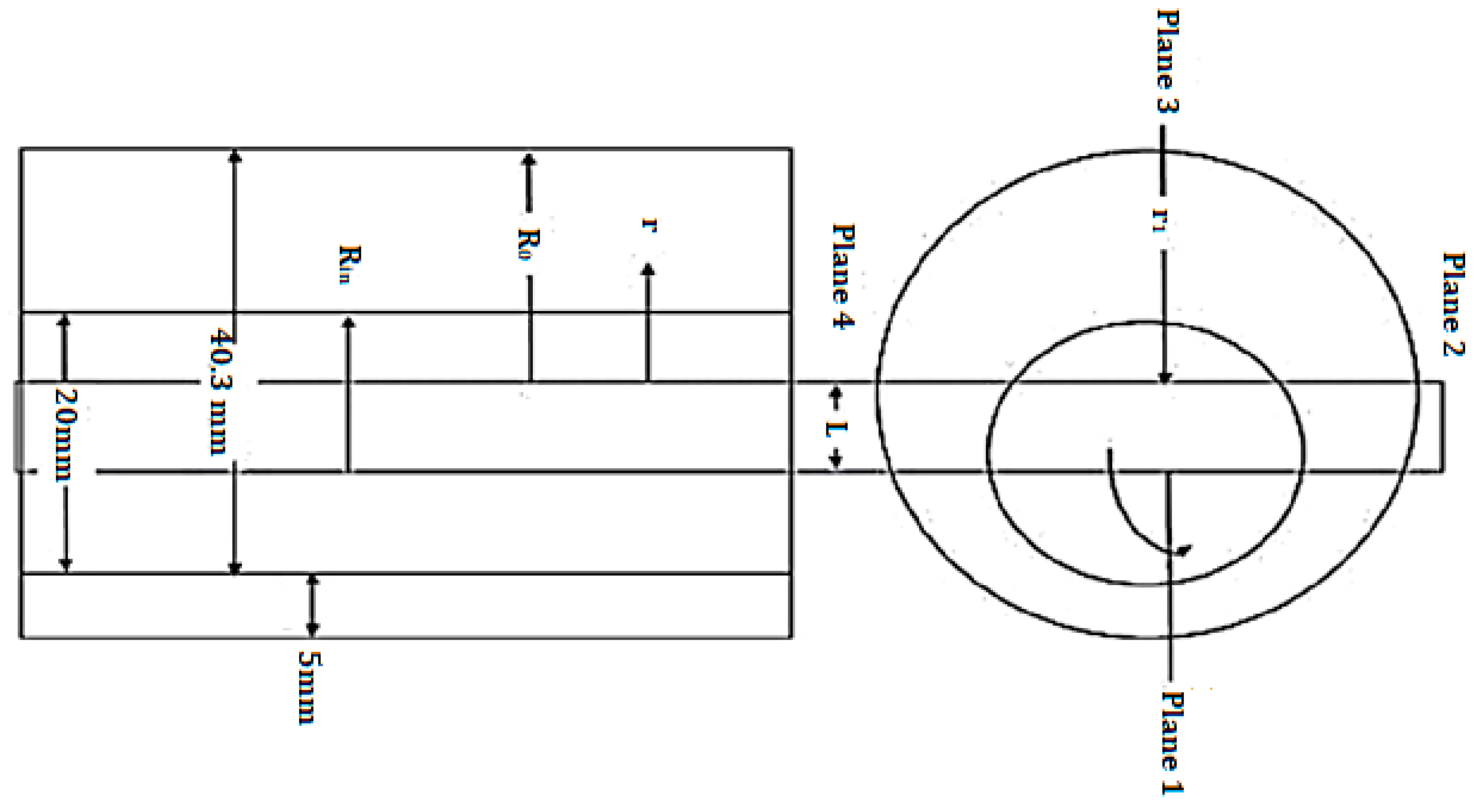
In this study, the wellbore wall is solid and crack-free pore channels. There is no tool joint along its entire simulated length along the axis of the annulus, which contains a single drilling pipe. The rotation speed given here will lead to the inner pipe rotating around its axis. Figure 1 shows the schematic of an eccentric annulus with an outer casing diameter of 8–5/8 inches, wherein the inner diameter is obtained from the subtraction of wall thickness, and the outer diameter of drill pipe is 4 inches. Table 1 demonstrates the input parameters for simulations with notations, units, and actual simulation values so one can easily find which parameters are significant and which contribute to the overall conditions of the simulation [23]. The boundary conditions were defined to represent flow dynamics in the eccentric annulus accurately. At the outlet, atmospheric pressure (P = 1 atm) allowed fluid to exit freely. A no-slip condition sets the tangential and axial velocities to zero at the stationary outer wall. A moving boundary condition was applied at the rotating inner pipe wall (ω = 300 rpm), matching the fluid’s tangential velocity to the pipe’s rotational speed. A sliding mesh approach was used for the annular space, enabling dynamic exchange of flow information between the stationary and rotating regions, capturing rotation-induced flow patterns like spiral flow. The inlet boundary condition had a uniform velocity profile, with fluid entering at flow rates corresponding to Reynolds numbers from 1140 to 9300. Periodic symmetry boundary conditions were applied to address complex flow patterns in the eccentric annulus. These conditions aimed to replicate realistic drilling scenarios, highlighting the interaction between rotating and stationary surfaces that affect flow dynamics. The coefficient values for particle compensation and secularity were assumed to be 0.9 and 0.1, respectively. For a simulation of the impact of the drill pipe rotation on the cuttings transport, a sliding mesh was adopted for the annulus. In the flow zone for the annulus, it can be divided into the outer region, which remains stationary, and the inner region, which rotates in unison with the drill pipe. The finite volume method was used to discretize the governing equations in each cell for the annulus. The calculations used SIMPLE for pressure discretization, a second-order implicit time integration method, and momentum equations and volume fraction interpolations were solved using the QUICK method to enhance the fitting of hexahedral meshes in the simulation. The simulation strategy above was performed via CFD software ANSYS FLUENT 2021. The size of the convergence time was set at 0.00001 s. A variety of time-averaged values were extracted from the simulation and structured three-dimensional meshes that were generated by hexahedral meshes.
Sensitivity Analysis: The computational mesh used in this CFD model is shown in Figure 2, consisting of 20,000 cells, 60,400 faces, and 25,500 nodes. A sensitivity analysis has been conducted on key parameters, including mesh size, convergence criteria, and boundary conditions. Simulations were performed with three different mesh sizes: coarse (10,000 cells), medium (20,000 cells), and fine (40,000 cells). The results showed less than a 2% deviation in velocity profiles between the medium and fine meshes, confirming the adequacy of the medium mesh for computational efficiency. The convergence criteria were set at residuals of 10−5, and stricter thresholds of 10−6 were tested, showing negligible differences (<1%) in predicted results, demonstrating that the chosen criteria were sufficient. The influence of boundary conditions was also analyzed by varying inlet velocities across the Reynolds number range (1140–9300) and testing alternative outlet conditions. The results remained consistent, affirming the reliability of the selected atmospheric pressure outlet and uniform velocity inlet. Additionally, the effect of the rotational boundary condition was evaluated by simulating inner pipe rotational speeds of 0, 150, and 300 rpm, confirming that rotation significantly impacted tangential velocity and cuttings transport efficiency, consistent with the experimental and literature findings. These results indicate that the study’s conclusions are robust and not significantly affected by variations in key parameters.
The domain was selected based on the specific flow and thermal conditions aimed to simulate, ensuring that the geometry is representative of the actual physical system while maintaining computational efficiency. To accurately capture the steep gradients near the walls, the grid near the walls is refined compared to the central region. Furthermore, since the problem was turbulent, it was crucial to ensure that the proper Y+ values were maintained according to the chosen wall treatment. The chosen extents for the x, y, and z coordinates were designed to cover the entire region of interest, with adequate space to allow for realistic boundary conditions and minimize the effects of boundary influences on the solution. The domain sizes were chosen after several iterations and sensitivity analyses to ensure that they are large enough to capture the key flow features while remaining manageable from a computational perspective. Regarding the periodic boundary conditions, zone 4 includes 5000 mixed periodic faces, which confirms that periodic boundary conditions were applied in this region. It was carried out to replicate the repeating nature of the flow within the specified domain. The periodic boundaries were applied in the x and y directions, as indicated by the translation ranges provided in the mesh output. The z-direction remained constrained to model the physical boundaries of the domain at the upper and lower faces.

4. Results and Discussion

A single-phase drilling fluid flow was achieved in an eccentric annulus, aligned with experimental results to validate the simulations [23]. Specifically, an annulus with an eccentricity of 0.5 and an inner cylinder rotating at 300 rpm was used as the non-Newtonian single-phase fluid model. A 0.2% (mass basis) carboxymethyl cellulose (CMC) aqueous solution was used as the non-Newtonian fluid. Using viscometry data for a power law fluid, the power law consistency index was determined to be 0.044 Pa·sⁿ, and the power law index was 0.75. The relationship between shear stress ( τ ) and shear rate ( γ ) is given by τ = 0.044 γ 0.75 . The flow of the power law fluid through the eccentric annulus was compared against both experimental data and simulation results, specifically analyzing velocity profiles in the narrow and wide gaps. These comparisons, shown in Figure 3, Figure 4 and Figure 5, include dimensionless tangential and axial velocities plotted against the dimensionless distance from the outer wall of the inner cylinder (Li/Gi). Here, Li represents the radial distance from the outer wall of the inner cylinder and Gi represents the gap width (either narrow or wide) in the eccentric annulus. The simulations demonstrated a good correlation with experimental data, confirming consistent tangential and axial velocities with minimal average error.
The velocity profiles were averaged across three specific planes (plane 1, plane 2, and plane 3) using non-dimensionalization to ensure consistency across the data. The non-dimensionalized velocities were calculated by dividing the axial, radial, and tangential velocities by a constant (2.72). The planes were defined based on the x, y, and z coordinates, with expressions used to map the velocities to each plane: plane 1, plane 2, and plane 3. The mean velocities were then computed by integrating the velocity components over each plane’s area and averaging them. This methodology allows for a consistent comparison and interpretation of the velocity profiles at each plane.
The validation process included axial velocity results for non-rotating flow. The mean velocities for the 0.2% CMC solution, at a Rossby number of 3.4 and Reynolds number of 1150, are depicted in Figure 3, which shows axial velocities across three planes. A total of four planes, as illustrated in Figure 1, formed the basis for the simulation analysis. Figure 3 presents the mean axial velocities across the three planes for Reynolds numbers 1140 and 1150 at rotation speeds of 0 rpm and 300 rpm, respectively. The effect of rotation on axial flow was notable, with rotational flow results aligning closely with non-rotational results, especially in plane 1. In plane 2, experimental and calculated axial velocities were essentially the same. The velocity difference between narrow-gap and wide-gap states was smaller with rotation and larger without it.
Rotation significantly affected the mean axial velocities, and the maximum velocity moved toward the outer wall in this case, especially in plane 3. In contrast, the axial velocity profile remained smoother in the core region of plane 2. This must have been caused by a radial adverse pressure gradient at the outer wall of the cylinder, as indicated by the tangential mean velocities along the outer pipe in planes 2 and 3, which correspond to counter-rotational flow. Reattachment from the outer drill pipe was established between planes 4 and 1, whereas the separation was found between planes 1 and 2.
Figure 4 presents the mean axial velocities at a Rossby number of 17.35 and a Reynolds number of 9200. The mean axial velocities across all three planes for Reynolds numbers 9300 and 9200, at rotation speeds of 0 rpm and 300 rpm, are shown. Minor differences were observed with and without rotation, especially at lower Rossby numbers, where penetration was restricted due to the greater inertia of axial flow and swirling motion in the annulus’s central region, thereby limiting the rotational effect. At lower Rossby numbers, the mean axial velocity profiles were nearly invariant near the gap centers where the maximum velocities occurred. Differences in the maximum velocities of rotating and non-rotating cases were greater in plane 1 and less pronounced in planes 2 and 3.
Additionally, radial velocities were at the least in lower-Rossby-number conditions, as reported earlier. At an inner wall, a decay rate of velocity was found such that the higher values achieved in the narrowest gap provided a slower decay of the core region. The profiles for tangential velocity are illustrated in Figure 5, showing the mean velocities tangential to each one of the three planes reported above at Reynolds numbers 1150 and 9200 at 300 rpm, respectively. No counter-rotational flow was detected at this value of the Rossby number.
Figure 5 shows the tangential velocities for a non-Newtonian fluid in the eccentric annulus, comparing rotational and non-rotational cases and both narrow and wide gaps near the outer wall, with reference to values from the literature [23]. As the Reynolds or Rossby number decreased, tangential velocities increased, indicating an inverse relationship due to the reduced impact of inertia. Narrowing the gap increased the penetration of tangential velocities, causing them to concentrate more in the narrow region. As the Rossby number increased, and particularly when it became similar across rotational speeds, the tangential velocities displayed a parallel trend. The carboxymethyl cellulose solution’s molecular stretching compressed turbulence intensities, aligning with the findings from previous duct flow experiments. Smaller differences in turbulence intensities at lower Rossby numbers for the non-Newtonian fluid in rotation made the tangential velocity penetration through the bulk flow more efficient and effective. The non-Newtonian fluid also prompted increased turbulence intensities with enhanced crossflow.
The differences between the literature and simulated results for axial and tangential velocities in Figure 3, Figure 4 and Figure 5 can be attributed to several factors. First, the simulation models use idealized boundary conditions, which may deviate from the experimental setup due to factors such as wall roughness, minor misalignments, and variations in inlet/outlet conditions, all of which can impact the velocity profiles. Second, experimental data inherently include measurement uncertainty caused by the limitations of techniques like particle image velocimetry or laser Doppler velocimetry, leading to slight deviations in observed velocity magnitudes and profiles. Third, numerical simulations rely on turbulence models to approximate the flow field. In contrast, these models are robust; they may not fully capture the complex turbulence characteristics present in the experimental system, especially at higher Reynolds numbers or under rotational effects. Finally, rotational effects, such as those in the 300 rpm cases, introduce flow instabilities that are difficult to model accurately, contributing to localized discrepancies between the two datasets. Despite these differences, the overall trends in the velocity profiles align well between the experimental and simulated results, demonstrating the validity of the simulation model.
To strengthen the validation, quantitative metrics such as the root mean square error (RMSE) and correlation coefficients were calculated. The RMSE values for axial and tangential velocity comparisons between simulations and the literature ranged from 5% to 20% of the maximum measured velocity, indicating reasonable agreement. The correlation coefficients for the key results exceeded 0.9, demonstrating strong agreement in velocity trends. These metrics confirm the simulation’s ability to replicate the overall behavior of the flow despite localized deviations.
Figure 6 illustrates the velocity magnitude contours through the drill pipe annulus. The wider sections of the annulus contained the core velocity zone, allowing for an assessment of the effect of cuttings accumulation on fluid velocity patterns. Due to the build-up of cuttings, lower flow velocities were observed near the lower side of the narrow gap, caused by obstructions from the accumulated particles.
The most critical factor in the cutting transport process, the annular velocity of the drilling fluid, plays an important role. The distribution of velocity in the drilling well was simulated to analyze the effect of the inlet velocity. The fluid velocity vectors are illustrated in Figure 7. Figure 7b,d shows the impact of velocity in the annulus having the constant drilling speed of 300 rpm, where a non-rotational inner cylinder at a 1140 Reynolds number. Drill pipe rotation is perceptibly associated with the location of the velocity magnitude core. A more significant gap of annulus comprises the maximum velocity and is transferred to the corner from that greater gap intermediate in a counterclockwise direction. The spiral flow of drilling fluid by the annulus is obtained through the rotation of the drilling pipe, even though by increasing the fluid velocity, the effect, as mentioned earlier, reduces.
Different patterns of the fluid velocities have been shown in the simulated results. The velocity vectors shown in Figure 7 depict further flow distributions. Additionally, due to such accumulations, the transformation of the velocity core zone laterally deteriorates the path of the drilling pipe rotation.
Therefore, by increasing the fluid velocity, the cutting accumulation declines. The particle concentration is lower compared with the higher velocity of the fluid. Due to higher inlet velocity, the differences between the narrow and the wide gap increase through the annulus. Subsequently, the lodging time in the smallest gap becomes larger because of the massive cuttings of transportation. The drag force exhibited on the cuttings is also increased by raising the fluid velocity. Consequently, additional cuttings pass through the fixed-bed annuli.
The shear-thinning behavior of the fluid was also perceived. The viscosity is high in the central part, which is said to be a low shear region and eventually less along the walls, which are high shear regions.
Figure 8 represents the molecular viscosity contours. The shear-thinning behavior of the fluid can be observed from the contours. The viscosity is smaller near the walls (high-shear regions) and it is greater in the central part (low-shear regions of the annulus).
Typically, a non-Newtonian comportment is revealed from the drilling fluids, such that the shear rate and shear stress are non-linearly associated. The simulated rheological model signifies the impact related to the turbulence of the drilling fluid. Bukley–Hershel, power law, and Bingham plastic were used to define the rheology of drill fluid. The power law adequately determines the shear rates of the drilling fluids related to the wellbore annulus [24]. The higher granular temperature along the drilling pipe wall was observed through the simulations which are a demonstration of the fact that energy transfer occurs between the cuttings and the rotational drill pipe. Due to the high shear rate along the drill pipe, the cuttings’ collisional interface was amplified [5]. Feebler variations in the cuttings were observed as the length of the drilling pipe wall was enhanced due to low shear rates.
Consequently, the granular temperature decreased. The likelihood of cuttings collision in the upper side of the annuli was lower owing to cuttings’ low volumetric fractions, resulting in granular temperature at the lower range [25]. The cuttings high-volumetric-fraction fixed bed was formed at the bottom of the well casing. The current simulations are based on experimental verdicts. Moreover, the drag force affected on the cuttings is predominantly affected by the rheological properties of the drilling fluid. It can be noted from equation 17 that the cuttings’ high drag force can be occasioned through the seemingly high viscosity. Therefore, a seemingly higher-viscosity drill fluid scrubs the annuli bottom from cuttings, and vice versa with the simingly lower-viscosity situations.

5. Conclusions

It can be concluded that fluid velocity, the drill pipe’s rotational rate, and properties of non-Newtonian fluid contribute greatly to reduced efficiency in transporting cuttings for the eccentric annulus arrangement. Increasing the fluid flow from 0.54 m/s to 2.76 m/s improved the cuttings’ removal efficiency to a great extent, amounting to 45%. Subsequently, it diminished particle build-up, which tends to increase in such small-annular spaces. Further, the drill pipe rotation at 300 rpm caused a spiral flow of fluids, which significantly enhances the penetration of the velocity field tangential in this narrow gap, making its transport efficiency, about 30% more efficient. Moreover, shear thinning is evident from the behavior of this drilling fluid because, near the walls, there lies about 50% lower viscosity than in central cores or the low-shear-rate region. It really plays an important role in adjusting shear conditions for cuttings transport. These CFD simulations validated by experimental data further support that a higher-viscosity fluid under optimal flow conditions would maximize the drag forces, and it can significantly increase cuttings removal at the bottom of the wellbore. This has directly given practical guidance toward designing an efficient strategy for cleaning up the wellbore in complex drilling environments.

Author Contributions

M.A. proposed the main idea and methodology; S.F. performed the analysis and wrote the manuscript; M.S.B. provided key suggestions and improved the manuscript. All authors have read and agreed to the published version of the manuscript.

Funding

This research received no external funding.

Data Availability Statement

The original contributions presented in this study are included in the article. Further inquiries can be directed to the corresponding author.

Conflicts of Interest

The authors declare no conflicts of interest.

Nomenclature

Din: inner cylinder diameter (mm) Do: outer pipe diameter (mm)
Rs: Rossby numberdh: hydraulic diameter (mm)
Re: bulk flow Reynolds numberS: inner and outer wall gap (mm)
e: eccentricityuv: Reynolds shear stress (m2/s2)
Rin: inner cylinder radius (mm)Ro: outer pipe radius (mm)
µw: effective viscosity (Kg.m−1.s−1)ρ: density of the drilling fluid (Kg.m−3)
ωd: rotational speed of drill pipe (rpm)V: volumetric flowrate (m3.s−1)
Gm: mass flowrate (Kg.s−1)Ub: bulk velocity (m.s−1)
Cd: coefficient of dragg: acceleration due to gravity
k: kinetic energy for turbulenceK: factor of consistency (Pa.sn)
ν: velocity vectorε: volumetric concentration
β: drag coefficientƮ: tensor of stress
n: power law indexη: apparent viscosity
ϒ: shear rateµs: shear viscosity of solid
ω: specific dissipation rateϕ: energy exchanged among the fluids
Gi: gap between the outer and inner wall in an eccentric annulus (mm)
Li: radial length from inner to outer wall cylinder (mm)
L: inner and outer pipe center-to-center distance (mm)

References

  1. Jassim, L.; Yunus, R. Simulation model of nano and conventional drilling fluids performance in horizontal well. Adv. Appl. Fluid Mech. 2017, 20, 249–277. [Google Scholar] [CrossRef]
  2. Maleki, A.; Frigaard, I. Primary cementing of oil and gas wells in turbulent and mixed regimes. J. Eng. Math. 2017, 107, 201–230. [Google Scholar] [CrossRef]
  3. Bord, E.G.; Rudyak, V.Y. Stability Regimes of Flow in a Channel between Coaxial Cylinders. Fluid Dyn. 2018, 53, 729–737. [Google Scholar] [CrossRef]
  4. Epelle, E.I.; Gerogiorgis, D.I. Transient and steady state analysis of drill cuttings transport phenomena under turbulent conditions. Chem. Eng. Res. Des. 2018, 131, 520–544. [Google Scholar] [CrossRef]
  5. Pang, B.; Wang, S.; Wang, Q.; Yang, K.; Lu, H.; Hassan, M.; Jiang, X. Numerical prediction of cuttings transport behavior in well drilling using kinetic theory of granular flow. J. Pet. Sci. Eng. 2018, 161, 190–203. [Google Scholar] [CrossRef]
  6. Ahmed, A.; Khan, M.; Ahmed, J. Thermal analysis in swirl motion of Maxwell nanofluid over a rotating circular cylinder. Appl. Math. Mech. Engl. Ed. 2020, 41, 1417–1430. [Google Scholar] [CrossRef]
  7. Zimmermann, C.; Lemcke, F.J.; Kabelac, S. Nusselt numbers from numerical investigations of turbulent flow in highly eccentric horizontal annuli. Int. Commun. Heat Mass Transf. 2019, 109, 104344. [Google Scholar] [CrossRef]
  8. Dewangan, S.K.; Deshmukh, V. CFD modelling of multi-particulate flow through concentric annulus. Int. J. Math. Eng. Manag. Sci. 2020, 5, 248–259. [Google Scholar] [CrossRef]
  9. Xie, J.F.; Cao, B.Y. Natural convection of power-law fluids under wall vibrations: A lattice Boltzmann study. Numer. Heat Transf. Part A Appl. 2017, 72, 600–627. [Google Scholar] [CrossRef]
  10. Epelle, E.I.; Gerogiorgis, D.I. A review of technological advances and open challenges for oil and gas drilling systems engineering. AIChE J. 2020, 66, e16842. [Google Scholar] [CrossRef]
  11. Ferroudji, H.; Hadjadj, A.; Ofei, T.N.; Rahman, M.A.; Hassan, I.; Haddad, A. CFD method for analysis of the effect of drill pipe orbital motion speed and eccentricity on the velocity profiles and pressure drop of drilling fluid in laminar regime. Pet. Coal 2019, 61, 1241–1251. [Google Scholar]
  12. Zainith, P.; Mishra, N.K. A Comparative Study on Thermal-Hydraulic Performance of Different Non-Newtonian Nanofluids Through an Elliptical Annulus. J. Therm. Sci. Eng. Appl. 2021, 13, 051027. [Google Scholar] [CrossRef]
  13. Salubi, V.; Mahon, R.; Oluyemi, G. The combined effect of fluid rheology, inner pipe rotation and eccentricity on the flow of Newtonian and non-Newtonian fluid through the annuli. J. Pet. Sci. Eng. 2022, 211, 110018. [Google Scholar] [CrossRef]
  14. Gavrilov, A.; Ignatenko, Y. Numerical Simulation of Taylor—Couette—Poiseuille Flow at Re = 10,000. Fluids 2023, 8, 280. [Google Scholar] [CrossRef]
  15. Zhang, R.; Ghorbani, M.; Wong, S.; Frigaard, I.A. Vertical cementing displacement flows of shear-thinning fluids. Phys. Fluids 2023, 35, 113110. [Google Scholar] [CrossRef]
  16. Basso, F.O.; Franco, A.T. Numerical investigation of turbulent flow of Herschel–Bulkley fluids in a concentric annulus with inner cylinder rotation. J. Non-Newton. Fluid Mech. 2024, 327, 105219. [Google Scholar] [CrossRef]
  17. Deshmukh, V.; Dewangan, S.K. CFD simulation of cuttings transport in eccentric horizontal and inclined annulus. Multiph. Sci. Technol. 2024, 36, 75–102. [Google Scholar] [CrossRef]
  18. Huilin, L.; Gidaspow, D.; Bouillard, J.; Wentie, L. Hydrodynamic simulation of gas–solid flow in a riser using kinetic theory of granular flow. Chem. Eng. J. 2003, 95, 1–13. [Google Scholar] [CrossRef]
  19. Wilcox, D. Turbulence Modeling for CFD; DCW Industries: La Canada, CA, USA, 1998. [Google Scholar]
  20. Menter, F.R. Two-equation eddy-viscosity turbulence models for engineering applications. AIAA J. 1994, 32, 1598–1605. [Google Scholar] [CrossRef]
  21. Liu, G.; Wang, P.; Lu, H.; Yu, F.; Zhang, Y.; Wang, S.; Sun, L. Numerical prediction of flow hydrodynamics of wet molecular sieve particles in a liquid-fluidized bed. Particuology 2016, 25, 42–50. [Google Scholar] [CrossRef]
  22. Brazhenko, V.; Mochalin, I. Terminal velocity and drag coefficient of a smooth steel sphere moving in the water-filled vertical and inclined glass pipe (Newton regime). Powder Technol. 2024, 446, 120120. [Google Scholar] [CrossRef]
  23. Nouri, J.; Whitelaw, J. Flow of Newtonian and non-Newtonian fluids in an eccentric annulus with rotation of the inner cylinder. Int. J. Heat Fluid Flow 1997, 18, 236–246. [Google Scholar] [CrossRef]
  24. Han, S.-M.; Woo, N.-S.; Hwang, Y.-K. Solid-liquid mixture flow through a slim hole annulus with rotating inner cylinder. J. Mech. Sci. Technol. 2009, 23, 569–577. [Google Scholar] [CrossRef]
  25. Liao, C.-C.; Hsiau, S.-S.; Yu, W.-J. The influence of driving conditions on flow behavior in sheared granular flows. Int. J. Multiph. Flow 2012, 46, 22–31. [Google Scholar] [CrossRef]
Figure 1. Schematic of the eccentric annulus.
Figure 1. Schematic of the eccentric annulus.
Mathematics 13 00101 g001
Figure 2. Computational mesh and geometry domain.
Figure 2. Computational mesh and geometry domain.
Mathematics 13 00101 g002
Figure 3. Axial velocities: (a) Re 1140, 0 rmp, Plane-1; (b) 1150, 300 rmp, Plane-1; (c) Re 1140, 0 rmp, Plane-2; (d) 1150, 300 rmp, Plane-2; (e) Re 1140, 0 rmp, Plane-3; (f) 1150, 300 rmp, Plane-3 (literature data source [23]).
Figure 3. Axial velocities: (a) Re 1140, 0 rmp, Plane-1; (b) 1150, 300 rmp, Plane-1; (c) Re 1140, 0 rmp, Plane-2; (d) 1150, 300 rmp, Plane-2; (e) Re 1140, 0 rmp, Plane-3; (f) 1150, 300 rmp, Plane-3 (literature data source [23]).
Mathematics 13 00101 g003
Figure 4. Axial velocities: (a) Re 9300, 0 rmp, Plane-1; (b) 9200, 300 rmp, Plane-1; (c) Re 9300, 0 RPMrmpPlane-2; (d) 9200, 300 rmp, Plane-2; (e) Re 9300, 0 RPM, Plane-3; (f) 9200, 300 rmp, Plane-3 (literature data source [23]).
Figure 4. Axial velocities: (a) Re 9300, 0 rmp, Plane-1; (b) 9200, 300 rmp, Plane-1; (c) Re 9300, 0 RPMrmpPlane-2; (d) 9200, 300 rmp, Plane-2; (e) Re 9300, 0 RPM, Plane-3; (f) 9200, 300 rmp, Plane-3 (literature data source [23]).
Mathematics 13 00101 g004
Figure 5. Tangential velocities: (a) Re 1150, 300 rpm, Plane-1; (b) 9200, 300 rpm, Plane-1; (c) Re 1150, 300 rpm, Plane-2; (d) 9200, 300 rpm, Plane-2; (e) Re 1150, 300 rpm, Plane-3; (f) 9200, 300 rpm, Plane-3 (literature data source [23]).
Figure 5. Tangential velocities: (a) Re 1150, 300 rpm, Plane-1; (b) 9200, 300 rpm, Plane-1; (c) Re 1150, 300 rpm, Plane-2; (d) 9200, 300 rpm, Plane-2; (e) Re 1150, 300 rpm, Plane-3; (f) 9200, 300 rpm, Plane-3 (literature data source [23]).
Mathematics 13 00101 g005
Figure 6. Velocity magnitude contours: (a) Re: 1140, 0 rpm; (b) Re: 1150, 300 rpm; (c) Re: 9300, 0 rpm; (d) Re: 9200, 300 rpm.
Figure 6. Velocity magnitude contours: (a) Re: 1140, 0 rpm; (b) Re: 1150, 300 rpm; (c) Re: 9300, 0 rpm; (d) Re: 9200, 300 rpm.
Mathematics 13 00101 g006
Figure 7. Velocity vectors: (a) Re: 1140, 0 rpm; (b) Re: 1150, 300 rpm; (c) Re: 9300, 0 rpm; (d) Re: 9200, 300 rpm.
Figure 7. Velocity vectors: (a) Re: 1140, 0 rpm; (b) Re: 1150, 300 rpm; (c) Re: 9300, 0 rpm; (d) Re: 9200, 300 rpm.
Mathematics 13 00101 g007
Figure 8. Molecular viscosity contours: (a) Re: 1140, 0 rpm; (b) Re: 1150, 300 rpm; (c) Re: 9300, 0 rpm; (d) Re: 9200, 300 rpm.
Figure 8. Molecular viscosity contours: (a) Re: 1140, 0 rpm; (b) Re: 1150, 300 rpm; (c) Re: 9300, 0 rpm; (d) Re: 9200, 300 rpm.
Mathematics 13 00101 g008
Table 1. Input parameters used in the CFD simulations of eccentric annulus dynamics.
Table 1. Input parameters used in the CFD simulations of eccentric annulus dynamics.
NotationDetailsUnitsValue
Dh hydraulic diameter
(Dh = 4A/P, A = cross-sectional area, P = wetted perimeter)
mm20.3
Doouter pipe diametermm40.3
Dininner cylinder diametermm20
Rebulk flow Reynolds number (Ub dh/v) 1140, 9300, 1150, 9300
RsRossby number (2 Ub/ω Rin) 0.0, 3.4, 17.35
eeccentricity (L/(Ro-Rin)) 0.5
Roouter pipe radiusmm20.15
Rininner cylinder radiusmm10
Ubbulk velocitym/s0.56, 2.76, 0.54, 2.72
Gmmass flow rateKg/s0.54, 2.61, 0.52, 2.61
Vvolumetric flowrate, ×10−3m3/s0.54, 2.61, 0.52, 2.61
ωdthe rotational speed of the drill pipeRpm0.0, 300
ρ density of fluidKg/m31000
µweffective viscosity, ×10−3Kg/m. s = (Pa·s)10.0, 6.0, 9.5, 6.0
Disclaimer/Publisher’s Note: The statements, opinions and data contained in all publications are solely those of the individual author(s) and contributor(s) and not of MDPI and/or the editor(s). MDPI and/or the editor(s) disclaim responsibility for any injury to people or property resulting from any ideas, methods, instructions or products referred to in the content.

Share and Cite

MDPI and ACS Style

Ahsan, M.; Fahad, S.; Butt, M.S. Computational Fluid Dynamics Simulation and Analysis of Non-Newtonian Drilling Fluid Flow and Cuttings Transport in an Eccentric Annulus. Mathematics 2025, 13, 101. https://doi.org/10.3390/math13010101

AMA Style

Ahsan M, Fahad S, Butt MS. Computational Fluid Dynamics Simulation and Analysis of Non-Newtonian Drilling Fluid Flow and Cuttings Transport in an Eccentric Annulus. Mathematics. 2025; 13(1):101. https://doi.org/10.3390/math13010101

Chicago/Turabian Style

Ahsan, Muhammad, Shah Fahad, and Muhammad Shoaib Butt. 2025. "Computational Fluid Dynamics Simulation and Analysis of Non-Newtonian Drilling Fluid Flow and Cuttings Transport in an Eccentric Annulus" Mathematics 13, no. 1: 101. https://doi.org/10.3390/math13010101

APA Style

Ahsan, M., Fahad, S., & Butt, M. S. (2025). Computational Fluid Dynamics Simulation and Analysis of Non-Newtonian Drilling Fluid Flow and Cuttings Transport in an Eccentric Annulus. Mathematics, 13(1), 101. https://doi.org/10.3390/math13010101

Note that from the first issue of 2016, this journal uses article numbers instead of page numbers. See further details here.

Article Metrics

Back to TopTop