Pinning Event-Triggered Scheme for Synchronization of Delayed Uncertain Memristive Neural Networks
Abstract
1. Introduction
- (1)
- Different from general CMNNs, the proposed model considers the time-varying uncertain factors and belongs to an uncertain switching system, which is conducive to studying the dynamic behavior of the system under different communication situations. Taking the superiority of both event-triggered control and pinning schemes, a fresh pinning event-triggered scheme is proposed, which contains the characteristics of pinning and impulsive control simultaneously to decrease the control cost-effectively.
- (2)
- To clarify the issue of the pinning synchronization for the event-triggered scheme, an algorithm (Algorithm 1) is designed to identify the number of nodes that need to be pinned in the CMNNs. Considering the essentials of the PETS, the designed triggered function shows the relationship between the degree of nodes, coupling matrix, and triggered instants.
- (3)
- By designing a fresh Lyapunov functionality and adopting some inequality techniques, sufficient criteria for pinning event/self-triggered synchronization of CMNNs are obtained. It is evidenced that a higher connection degree of the pinned nodes can contribute to better performance under the PETS for the more complex coupled system. Meanwhile, the controller updates of each pinned node are driven by properly defined events, and they only depend on the combinational triggered condition. Thus, the proposed model achieves more practical results than some advanced works.
| Algorithm 1 Algorithm for self-triggered scheme |
Require: ,, Ensure: ,,,,
|
2. Preliminaries of the Neural Network Model
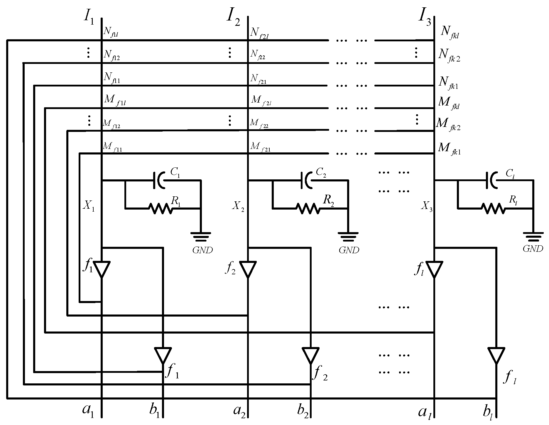
2.1. The Dynamic Model of CMNNs
2.2. Error Systems of CMNNs
2.3. Some Useful Definitions and Assumptions
3. Main Results
3.1. Synchronization of CMNNs
3.2. Pinned Nodes Selection
| Algorithm 2 Algorithm for Pinned Nodes’ Selection |
|
4. Numerical Simulations
4.1. Pets for Three Nodes
4.2. PETS for Ten Nodes
- Case 1: Pinned Node Selection
- Case 2: Pinning Event-Triggered Synchronization
5. Conclusions
Author Contributions
Funding
Data Availability Statement
Conflicts of Interest
References
- Cheng, L.; Tang, F.; Shi, X.; Chen, X.; Qiu, J. Finite-time and fixed-time synchronization of delayed memristive neural networks via adaptive aperiodically intermittent adjustment strategy. IEEE Trans. Neural Netw. Learn. Syst. 2022, 34, 8516–8530. [Google Scholar] [CrossRef]
- Liu, F.; Meng, W.; Lu, R. Anti-synchronization of discrete-time fuzzy memristive neural networks via impulse sampled-data communication. IEEE Trans. Cybern. 2022, 53, 4122–4133. [Google Scholar] [CrossRef]
- Yuan, M.; Wang, W.; Wang, Z.; Luo, X.; Kurths, J. Exponential synchronization of delayed memristor-based uncertain complex-valued neural networks for image protection. IEEE Trans. Neural Netw. Learn. Syst. 2021, 32, 151–165. [Google Scholar] [CrossRef]
- Zhu, P.; Cheng, L.; Gao, C.; Wang, Z.; Li, x. Locating multi-sources in social networks with a low infection rate. IEEE Trans. Netw. Sci. Eng. 2022, 9, 1853–1865. [Google Scholar] [CrossRef]
- Wang, W.; Sun, Y.; Yuan, M.; Wang, Z.; Cheng, J.; Fan, D.; Kurths, J.; Luo, X.; Wang, C. Projective synchronization of memristive multidirectional associative memory neural networks via self-triggered impulsive control and its application to image protection. Chaos Soliton Fract. 2021, 150, 111110. [Google Scholar] [CrossRef]
- Cheng, L.; Li, X.; Han, Z.; Luo, T.; Ma, L.; Zhu, P. Path-based multi-sources localization in multiplex networks. Chaos Soliton Fract. 2022, 159, 112139. [Google Scholar] [CrossRef]
- Huang, Y.; Liu, J.; Harkin, J.; McDaid, L.; Luo, Y. An memristor-based synapse implementation using BCM learning rule. Neurocomputing 2021, 423, 336–342. [Google Scholar] [CrossRef]
- Fu, Q.; Zhong, S.; Shi, K. Exponential synchronization of memristive neural networks with inertial and nonlinear coupling terms: Pinning impulsive control approaches. Appl. Math. Comput. 2021, 402, 126169. [Google Scholar] [CrossRef]
- Song, X.; Man, J.; Park, J.H.; Song, S. Finite-time synchronization of reaction-diffusion inertial memristive neural networks via gain-scheduled pinning control. IEEE Trans. Neural Netw. Learn. Syst. 2021, 33, 5045–5056. [Google Scholar] [CrossRef] [PubMed]
- Peng, L.; Li, X.; Bi, D.; Xie, X.; Xie, Y. Pinning multi synchronization of delayed fractional-order memristor-based neural networks with nonlinear coupling and almost-periodic perturbations. Neural Netw. 2021, 144, 372–383. [Google Scholar] [CrossRef] [PubMed]
- Wang, S.; Zhang, Z.; Lin, C.; Chen, J. Fixed-time synchronization for complex-valued BAM neural networks with time-varying delays via pinning control and adaptive pinning control. Chaos Soliton Fract. 2021, 153, 111583. [Google Scholar] [CrossRef]
- Yu, Y.; Zhang, Z.; Zhong, M.; Wang, Z. Pinning synchronization and adaptive synchronization of complex-valued inertial neural networks with time-varying delays in fixed-time interval. J. Frankl. Inst. 2022, 359, 1434–1456. [Google Scholar] [CrossRef]
- Zhou, W.; Sun, Y.; Zhang, X.; Shi, P. Cluster synchronization of coupled neural networks with Lévy noise via event-triggered pinning control. IEEE Trans. Neural Netw. Learn. Syst. 2021, 33, 6144–6157. [Google Scholar] [CrossRef]
- Kashkynbayev, A.; Issakhanov, A.; Otkel, M.; Kurths, J. Finite-time and fixed-time synchronization analysis of shunting inhibitory memristive neural networks with time-varying delays. Chaos Soliton Fract. 2022, 156, 111866. [Google Scholar] [CrossRef]
- Wu, F.; Huang, Y. Finite-time synchronization and H∞ synchronization of coupled complex-valued memristive neural networks with and without parameter uncertainty. Neurocomputing 2022, 469, 163–179. [Google Scholar] [CrossRef]
- Huang, Y.; Wu, F. Finite-time passivity and synchronization of coupled complex-valued memristive neural networks. Inf. Sci. 2021, 580, 775–800. [Google Scholar] [CrossRef]
- Zhou, Y.; Zhang, H.; Zeng, Z. Synchronization of memristive neural networks with unknown parameters via event-triggered adaptive control. Neural Netw. 2021, 139, 255–264. [Google Scholar] [CrossRef] [PubMed]
- Zhou, X.; Li, L.; Zhao, X. Pinning synchronization of delayed complex networks under self-triggered control. J. Frankl. Inst. 2021, 358, 1599–1618. [Google Scholar] [CrossRef]
- Zhang, R.; Zeng, D.; Park, J.H.; Liu, Y.; Zhong, S. Pinning event-triggered sampling control for synchronization of T–S fuzzy complex networks with partial and discrete-time couplings. IEEE Trans. Fuzzy Syst. 2019, 27, 2368–2380. [Google Scholar] [CrossRef]
- Wang, X.; Park, J.H.; Yang, H.; Yu, Z. Sampled-data-based H∞ fuzzy pinning synchronization of complex networked systems with adaptive event-triggered communications. IEEE Trans. Fuzzy Syst. 2021, 30, 2254–2265. [Google Scholar] [CrossRef]
- Yuan, M.; Luo, X.; Hu, J.; Wang, S. Projective quasi-synchronization of coupled memristive neural networks with uncertainties and impulsive effect. Front. Neurorobot. 2022, 16, 985312. [Google Scholar] [CrossRef]
- Yuan, M.; Luo, X.; Mao, X.; Han, Z.; Sun, L.; Zhu, P. Event-triggered hybrid impulsive control on lag synchronization of delayed memristor-based bidirectional associative memory neural networks for image hiding. Chaos Soliton Fract. 2022, 161, 112311. [Google Scholar] [CrossRef]
- Bao, Y.; Abbas, H.S.; Mohammadpour Velni, J. A learning-and scenario-based MPC design for nonlinear systems in LPV framework with safety and stability guarantees. Int. J. Control 2023. [Google Scholar] [CrossRef]
- Bao, Y.; Chan, K.J.; Mesbah, A.; Velni, J.M. Learning-based adaptive-scenario-tree model predictive control with probabilistic safety guarantees using bayesian neural networks. In Proceedings of the 2022 American Control Conference (ACC), Atlanta, GA, USA, 8–10 June 2022; pp. 3260–3265. [Google Scholar]
- Feng, J.; Cheng, K.; Wang, J.; Deng, J.; Zhao, Y. Pinning synchronization for delayed coupling complex dynamical networks with incomplete transition rates Markovian jump. Neurocomputing 2021, 434, 239–248. [Google Scholar] [CrossRef]
- Ding, D.; Tang, Z.; Wang, Y.; Ji, Z. Pinning impulsive synchronization of complex networks with multiple sizes of delays via adaptive impulsive intervals. Circuits Syst. Signal Process. 2021, 40, 4259–4278. [Google Scholar] [CrossRef]
- Zhou, Y.; Zeng, Z. Event-triggered impulsive control on quasi-synchronization of memristive neural networks with time-varying delays. Neural Netw. 2019, 110, 55–65. [Google Scholar] [CrossRef] [PubMed]
- Zhang, Y.; Bao, Y. Event-triggered hybrid impulsive control for synchronization of memristive neural networks. Sci. China Inf. Sci. 2020, 63, 150206. [Google Scholar] [CrossRef]
- Wu, T.; Xiong, L.; Cao, J.; Park, J.H.; Cheng, J. Synchronization of coupled reaction-diffusion stochastic neural networks with time-varying delay via delay-dependent impulsive pinning control algorithm. Commun. Nonlinear Sci. Numer. Simul. 2021, 99, 105777. [Google Scholar] [CrossRef]
- Yuan, M.; Wang, W.; Luo, X.; Liu, L.; Zhao, W. Finite-time anti-synchronization of memristive stochastic BAM neural networks with probabilistic time-varying delays. Chaos Soliton Fract. 2018, 113, 244–260. [Google Scholar] [CrossRef]
- Li, X.F.; Fang, J.A.; Li, H.Y. Master–slave exponential synchronization of delayed complex-valued memristor-based neural networks via impulsive control. Neural Netw. 2017, 93, 165–175. [Google Scholar] [CrossRef]
- Zhu, W.; Wang, D.; Liu, L.; Feng, G. Event-based impulsive control of continuous-time dynamic systems and its application to synchronization of memristive neural networks. IEEE Trans. Neural Netw. Learn. Syst. 2018, 29, 3599–3609. [Google Scholar] [CrossRef] [PubMed]
- Jia, Q.; Bram, A.K.; Han, Z. Synchronization of drive-response networks with event-based pinning control. Neural Comput. Appl. 2021, 33, 8649–8658. [Google Scholar] [CrossRef]
- Fu, Q.; Zhong, S.; Jiang, W.; Xie, W. Projective synchronization of fuzzy memristive neural networks with pinning impulsive control. J. Frankl. Inst. 2020, 357, 10387–10409. [Google Scholar] [CrossRef]
- Jin, X.; Wang, Z.; Yang, H.; Song, Q.; Xiao, M. Optimizing pinning control of complex dynamical networks based on spectral properties of grounded Laplacian matrices. IEEE Trans. Syst. Man Cybern. Syst. 2018, 51, 786–796. [Google Scholar] [CrossRef]
- Yang, Z.; Zhao, B.; Liu, D. Synchronization of Delayed Memristor-Based Neural Networks via Pinning Control With Local Information. IEEE Trans. Neural Netw. Learn. Syst. 2023. [Google Scholar] [CrossRef] [PubMed]
- Yuan, M.; Luo, X.; Wang, W.; Li, L.; Peng, H. Pinning synchronization of coupled memristive recurrent neural networks with mixed time-varying delays and perturbations. Neural Process. Lett. 2018, 49, 239–262. [Google Scholar] [CrossRef]
- Wang, W.; Wang, C.; Guo, Y.; Luo, X.; Gao, Y. Self-triggered consensus of vehicle platoon system with time-varying topology. Front. Neurorobot. 2020, 14, 53. [Google Scholar] [CrossRef]
- Shi, L.; Zhang, C.; Zhong, S. Synchronization of singular complex networks with time-varying delay via pinning control and linear feedback control. Circuits Syst. Signal Process. 2021, 145, 110805. [Google Scholar] [CrossRef]
- Jin, X.; Wang, Z.; Yang, H.; Song, Q.; Xiao, M. Synchronization of multiplex networks with stochastic perturbations via pinning adaptive control. J. Frankl. Inst. 2021, 358, 3994–4012. [Google Scholar] [CrossRef]
- Liu, X.; Tay, W.P.; Liu, Z.W.; Xiao, G. Quasi-synchronization of heterogeneous networks with a generalized Markovian topology and event-triggered communication. IEEE Trans. Cybern. 2019, 50, 200–4213. [Google Scholar] [CrossRef]
- Yang, Y.; Yue, D.; Dou, C. Output-based event-triggered schemes on leader-following consensus of a class of multi-agent systems with Lipschitz-type dynamics. Inf. Sci. 2018, 459, 327–340. [Google Scholar] [CrossRef]
- Liu, J.; Wu, H.; Cao, J. Event-triggered synchronization in fixed time for complex dynamical networks with discontinuous nodes and disturbances. J. Intell. Fuzzy Syst. 2020, 38, 2503–2515. [Google Scholar] [CrossRef]
- Liu, L.; Zhou, W.; Li, X.; Sun, Y. Dynamic event-triggered approach for cluster synchronization of complex dynamical networks with switching via pinning control. Neurocomputing 2019, 340, 32–41. [Google Scholar] [CrossRef]














| Control Approach | None | Feedback Control in [37] | Our Approach | |||
|---|---|---|---|---|---|---|
| Pinned Nodes | 0 | All Nodes | 1 | Event-Triggered | Self-Triggered | |
| v1 | v1, v2, v3, v6, and v7 | v1 | ||||
| Convergence of system(s) | ∞ | 0.7457 | 15.867 | 7.969 | 1.4687 | 0.7511 |
| Self-Triggered | Mean Time Interval | Convergence (s) | ||
|---|---|---|---|---|
| 1 | 2 | 3 | ||
| [38] | 0.0546 | 0.0641 | 0.0662 | 8.7435 |
| [5] | 0.0746 | 0.0746 | 0.0746 | 2.7184 |
| Theorem 2 | 0.0158 | 0.0158 | 0.0158 | 0.9032 |
| Maximum Time Interval | 0.0877 | 0.0255 | 0.9139 | 0.2133 | 0.1541 |
| Mean Time Interval | 0.0149 | 0.0149 | 0.0137 | 0.0149 | 0.0137 |
| Maximum Time Interval | 0.0255 | 1.4954 | 0.1487 | 0.1496 | 0.1301 |
| Mean Time Interval | 0.0149 | 0.0149 | 0.0149 | 0.0149 | 0.0137 |
| Maximum Time Interval | 0.0255 | 0.0766 | 1.4290 | 0.0350 | 0.2824 |
| Mean Time Interval | 0.0149 | 0.0149 | 0.0123 | 0.0433 | 0.0147 |
Disclaimer/Publisher’s Note: The statements, opinions and data contained in all publications are solely those of the individual author(s) and contributor(s) and not of MDPI and/or the editor(s). MDPI and/or the editor(s) disclaim responsibility for any injury to people or property resulting from any ideas, methods, instructions or products referred to in the content. |
© 2024 by the authors. Licensee MDPI, Basel, Switzerland. This article is an open access article distributed under the terms and conditions of the Creative Commons Attribution (CC BY) license (https://creativecommons.org/licenses/by/4.0/).
Share and Cite
Fan, J.; Ban, X.; Yuan, M.; Zhang, W. Pinning Event-Triggered Scheme for Synchronization of Delayed Uncertain Memristive Neural Networks. Mathematics 2024, 12, 821. https://doi.org/10.3390/math12060821
Fan J, Ban X, Yuan M, Zhang W. Pinning Event-Triggered Scheme for Synchronization of Delayed Uncertain Memristive Neural Networks. Mathematics. 2024; 12(6):821. https://doi.org/10.3390/math12060821
Chicago/Turabian StyleFan, Jiejie, Xiaojuan Ban, Manman Yuan, and Wenxing Zhang. 2024. "Pinning Event-Triggered Scheme for Synchronization of Delayed Uncertain Memristive Neural Networks" Mathematics 12, no. 6: 821. https://doi.org/10.3390/math12060821
APA StyleFan, J., Ban, X., Yuan, M., & Zhang, W. (2024). Pinning Event-Triggered Scheme for Synchronization of Delayed Uncertain Memristive Neural Networks. Mathematics, 12(6), 821. https://doi.org/10.3390/math12060821
