Induction Motor DTC Performance Improvement by Inserting Fuzzy Logic Controllers and Twelve-Sector Neural Network Switching Table
Abstract
:1. Introduction
- The high torque and flux ripples are minimized by replacing the conventional switching table with an intelligent one based on the ANN algorithm. The number of ripples in the flux, current, and torque can then be reduced.
- After the ripple’s reduction, the robustness and stability are addressed.
- Since the number of sectors is the most influential factor to overcome disturbance and system uncertainties, the number of sectors was increased from six to twelve, and a fuzzy logic speed controller was inserted.
- Eventually, a fast dynamic decoupled control that robustly responds to external disturbances and system uncertainties can be achieved.
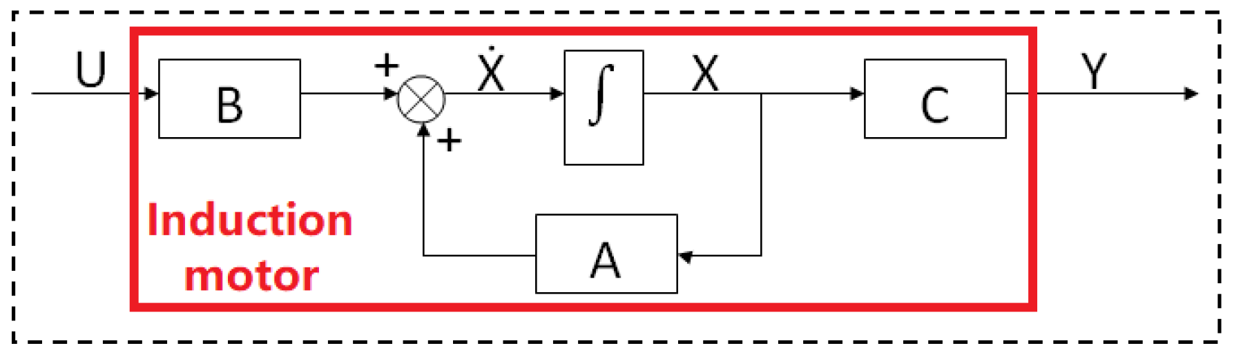
2. Induction Motor State Space Mathematical Model
3. Direct Torque Control Basis
3.1. Stator Flux and Torque Estimation
3.2. Switching State Vector
4. Twelve-Sector DTC Algorithm
5. Fuzzy Logic Control for Speed Loop Regulation
5.1. Fuzzification
5.2. Knowledge Base and Inference Engine
5.3. Defuzzification
6. Artificial Neural Network Switching Table for DTC Performance Improvement
6.1. Artificial Neural Network Structure
6.2. Artificial Neural Network Architecture
6.3. The Proposed ANN Switching Table Architecture
7. Results and Discussion
8. Conclusions
Author Contributions
Funding
Institutional Review Board Statement
Informed Consent Statement
Data Availability Statement
Conflicts of Interest
Appendix A
| Power | 3 kW |
| Mechanical speed | 1440 rpm |
| Pole pairs number | 2 |
| Frequency | 50 Hz |
| Rated voltage | 220/380 V |
| Rated current | 12.5/7.2 A |
| Resistance of stator | 2.20 |
| Resistance of rotor | 2.680 |
| Inductance of stator | 0.2290 H |
| Inductance of rotor | 0.2290 H |
| Mutual inductance | 0.2170 H |
| Moment of inertia | 0.0470 kg·m2 |
| Coefficient of viscous friction | 0.0040 N·s/rad |
References
- Saad, N.; Irfan, M.; Ibrahim, R. Condition Monitoring and Faults Diagnosis of Induction Motors: Electrical Signature Analysis; CRC Press: New York, NY, USA, 2018. [Google Scholar]
- Thomson, W.T.; Culbert, I. Current Signature Analysis for Condition Monitoring of Cage Induction Motors: Industrial Application and Case Histories; John Wiley & Sons: Hoboken, NJ, USA, 2017. [Google Scholar]
- Faiz, J.; Ghorbanian, V.; Joksimovic, G. Fault Diagnosis of Induction Motors; Institution of Engineering and Technology: Westminster, UK, 2017. [Google Scholar]
- Dybkowski, M.; Klimkowski, K. Artificial Neural Network Application for Current Sensors Fault Detection in the Vector Controlled Induction Motor Drive. Sensors 2019, 19, 571. [Google Scholar] [CrossRef] [PubMed] [Green Version]
- Zahraoui, Y.; Akherraz, M.; Fahassa, C.; Elbadaoui, S. Robust control of sensorless sliding mode controlled induction motor drive facing a large scale rotor resistance variation. In Proceedings of the SCA’19, 4th International Conference on Smart City Applications, Casablanca, Morocco, 2–4 October 2019; Association for Computing Machinery: New York, NY, USA, 2019; pp. 1–6. [Google Scholar]
- Salem, F.B. Direct Torque Control Strategies of Electrical Machines; IntechOpen: London, UK, 2021. [Google Scholar]
- Wang, F.; Zhang, Z.; Mei, X.; Rodríguez, J.; Kennel, R. Advanced Control Strategies of Induction Machine: Field Oriented Control, Direct Torque Control and Model Predictive Control. Energies 2018, 11, 120. [Google Scholar] [CrossRef] [Green Version]
- Kumar, R.H.; Iqbal, A.; Lenin, N.C. Review of recent advancements of direct torque control in induction motor drives—A decade of progress. IET Power Electron. 2017, 11, 1–15. [Google Scholar] [CrossRef]
- Satpathy, S.R.; Pradhan, S.; Pradhan, R.; Sahu, R.; Biswal, A.P.; Ganthia, B.P. Direct Torque Control of Mathematically Modeled Induction Motor Drive Using PI-Type-I Fuzzy Logic Controller and Sliding Mode Controller. In Intelligent Systems; Udgata, S.K., Sethi, S., Srirama, S.N., Eds.; Lecture Notes in Networks and Systems; Springer: Singapore, 2021; pp. 239–251. [Google Scholar]
- Ammar, A.; Talbi, B.; Ameid, T.; Azzoug, Y.; Kerrache, A. Predictive direct torque control with reduced ripples for induction motor drive based on T-S fuzzy speed controller. Asian J. Control 2019, 21, 2155–2166. [Google Scholar] [CrossRef]
- Zhang, Z.; Wei, H.; Zhang, W.; Jiang, J. Ripple Attenuation for Induction Motor Finite Control Set Model Predictive Torque Control Using Novel Fuzzy Adaptive Techniques. Processes 2021, 9, 710. [Google Scholar] [CrossRef]
- Essalmi, A.; Mahmoudi, H.; Abbou, A.; Bennassar, A.; Zahraoui, Y. DTC of PMSM based on artificial neural networks with regulation speed using the fuzzy logic controller. In Proceedings of the 2014 International Renewable and Sustainable Energy Conference (IRSEC), Ouarzazate, Morocco, 17–19 October 2014; pp. 879–883. [Google Scholar]
- Ayrir, W.; Haddi, A. Fuzzy 12 sectors improved direct torque control of a DFIG with stator power factor control strategy. Int. Trans. Electr. Energy Syst. 2019, 29, e12092. [Google Scholar] [CrossRef]
- Fahassa, C.; Akherraz, M.; Zahraoui, Y. ANFIS-based hysteresis comparators with intelligent dual observer and speed controller of a direct torque control. Int. J. Powertrains 2020, 9, 150. [Google Scholar] [CrossRef]
- Roman, R.C.; Precup, R.E.; Petriu, E.M. Hybrid data-driven fuzzy active disturbance rejection control for tower crane systems. Eur. J. Control 2021, 58, 373–387. [Google Scholar] [CrossRef]
- Zhu, Z.; Pan, Y.; Zhou, Q.; Lu, C. Event-Triggered Adaptive Fuzzy Control for Stochastic Nonlinear Systems With Unmeasured States and Unknown Backlash-Like Hysteresis. IEEE Trans. Fuzzy Syst. 2021, 29, 1273–1283. [Google Scholar] [CrossRef]
- Wang, K.; Huai, R.; Yu, Z.; Zhang, X.; Li, F.; Zhang, L. Comparison Study of Induction Motor Models Considering Iron Loss for Electric Drives. Energies 2019, 12, 503. [Google Scholar] [CrossRef] [Green Version]
- Doncker, R.W.D.; Pulle, D.W.J.; Veltman, A. Advanced Electrical Drives: Analysis, Modeling, Control; Springer Nature: Cham, Switzerland, 2020. [Google Scholar]
- Karlovsky, P.; Lettl, J. Induction Motor Drive Direct Torque Control and Predictive Torque Control Comparison Based on Switching Pattern Analysis. Energies 2018, 11, 1793. [Google Scholar] [CrossRef] [Green Version]
- Hakami, S.S.; Mohd, A.I.; Lee, K.B. Low-Speed Performance Improvement of Direct Torque Control for Induction Motor Drives Fed by Three-Level NPC Inverter. Electronics 2020, 9, 77. [Google Scholar] [CrossRef] [Green Version]
- Zahraoui, Y.; Akherraz, M.; Elbadaoui, S. Fuzzy Logic Speed Control and Adaptation Mechanism-Based Twelve Sectors DTC to Improve the Performance of a Sensorless Induction Motor Drive. Int. J. Electr. Eng. Inform. 2021, 13, 508–529. [Google Scholar] [CrossRef]
- Pal, A.; Srivastava, G.D.; Kulkarni, R.D. Simulation of Sensorless Speed Control of Induction Motor Using Direct Torque Control Technique Employing Five Level Torque Comparator and Twelve Sector Method. In Proceedings of the 2019 International Conference on Nascent Technologies in Engineering (ICNTE), Navi Mumbai, India, 4–5 January 2019; pp. 1–6. [Google Scholar]
- Mejia-Barron, A.; de Santiago-Perez, J.J.; Granados-Lieberman, D.; Amezquita-Sanchez, J.P.; Valtierra-Rodriguez, M. Shannon Entropy Index and a Fuzzy Logic System for the Assessment of Stator Winding Short-Circuit Faults in Induction Motors. Electronics 2019, 8, 90. [Google Scholar] [CrossRef] [Green Version]
- Fahassa, C.; Akherraz, M.; Zahraoui, Y. ANFIS Speed Controller and Intelligent Dual Observer Based DTC of an Induction Motor. In Proceedings of the 2018 International Symposium on Advanced Electrical and Communication Technologies (ISAECT), Rabat, Morocco, 21–23 November 2018; pp. 1–6. [Google Scholar]
- Skowron, M.; Wolkiewicz, M.; Orlowska-Kowalska, T.; Kowalski, C.T. Application of Self-Organizing Neural Networks to Electrical Fault Classification in Induction Motors. Appl. Sci. 2019, 9, 616. [Google Scholar] [CrossRef] [Green Version]
- Benbouhenni, H. Seven-Level Direct Torque Control of Induction Motor Based on Artificial Neural Networks with Regulation Speed Using Fuzzy PI Controller. Iran. J. Electr. Electron. Eng. 2018, 14, 85–94. [Google Scholar]
- Mekrini, Z.; Bri, S. High—Performance using Neural Networks in Direct Torque Control for Asynchronous Machine. Int. J. Electr. Comput. Eng. (IJECE) 2018, 8, 1010–1017. [Google Scholar] [CrossRef]










| 1 | 110 | 010 | 011 | 001 | 101 | 100 | |
| 1 | 0 | 111 | 000 | 111 | 000 | 111 | 000 |
| −1 | 101 | 100 | 110 | 010 | 011 | 001 | |
| 1 | 010 | 011 | 001 | 101 | 100 | 110 | |
| 0 | 0 | 000 | 111 | 000 | 111 | 000 | 111 |
| −1 | 001 | 101 | 100 | 110 | 010 | 011 |
| 2 | |||||||||||||
| 1 | 1 | ||||||||||||
| −1 | |||||||||||||
| −2 | |||||||||||||
| 2 | |||||||||||||
| 0 | 1 | ||||||||||||
| −1 | |||||||||||||
| −2 |
| NB | NM | NS | Z | PS | PM | PB | ||
|---|---|---|---|---|---|---|---|---|
| PB | Z | PS | PM | PB | PB | PB | PB | |
| PM | NS | Z | PS | PM | PB | PB | PB | |
| PS | NM | NS | Z | PS | PM | PB | PB | |
| Z | NB | NM | NS | Z | PS | PM | PB | |
| NS | NB | NB | NM | NS | Z | PS | PM | |
| NM | NB | NB | NB | NM | NS | Z | PS | |
| NB | NB | NB | NB | NB | NM | NS | Z | |
Publisher’s Note: MDPI stays neutral with regard to jurisdictional claims in published maps and institutional affiliations. |
© 2022 by the authors. Licensee MDPI, Basel, Switzerland. This article is an open access article distributed under the terms and conditions of the Creative Commons Attribution (CC BY) license (https://creativecommons.org/licenses/by/4.0/).
Share and Cite
Fahassa, C.; Zahraoui, Y.; Akherraz, M.; Kharrich, M.; Elattar, E.E.; Kamel, S. Induction Motor DTC Performance Improvement by Inserting Fuzzy Logic Controllers and Twelve-Sector Neural Network Switching Table. Mathematics 2022, 10, 1357. https://doi.org/10.3390/math10091357
Fahassa C, Zahraoui Y, Akherraz M, Kharrich M, Elattar EE, Kamel S. Induction Motor DTC Performance Improvement by Inserting Fuzzy Logic Controllers and Twelve-Sector Neural Network Switching Table. Mathematics. 2022; 10(9):1357. https://doi.org/10.3390/math10091357
Chicago/Turabian StyleFahassa, Chaymae, Yassine Zahraoui, Mohammed Akherraz, Mohammed Kharrich, Ehab E. Elattar, and Salah Kamel. 2022. "Induction Motor DTC Performance Improvement by Inserting Fuzzy Logic Controllers and Twelve-Sector Neural Network Switching Table" Mathematics 10, no. 9: 1357. https://doi.org/10.3390/math10091357
APA StyleFahassa, C., Zahraoui, Y., Akherraz, M., Kharrich, M., Elattar, E. E., & Kamel, S. (2022). Induction Motor DTC Performance Improvement by Inserting Fuzzy Logic Controllers and Twelve-Sector Neural Network Switching Table. Mathematics, 10(9), 1357. https://doi.org/10.3390/math10091357

