Innovative Higher Education Approaches for Power System Courses
Abstract
1. Introduction
2. Introduction to Real-Time Simulation and Its Application in Power Systems
- Synchronous communication:
- Used for communication among CPU cores.
- Extremely high speed.
- Capable for RTS.
- Asynchronous communication:
- Used for communication between Target and Host computer.
- Relatively low speed.
3. Literature Review about the Didactic Approaches for Power System Studies Involving RTS
4. Adopted Methodology
- Do you think that it was useful to make the numerical laboratory on EMT simulation on your PC directly with ATP?
- How useful, on a scale from 1 to 5, do you think the exercises with the ATP software were to better understand the theoretical topics covered during the course?
- Do you think that the use of ATP could be useful for your future job?
- Do you think it was interesting to carry out the laboratory experience with the RTDS real-time simulator?
- On a scale of 1 to 5, how useful do you think the laboratory experience was to better understand the theoretical topics covered during the course?
- On a scale of 1 to 10, what do you think was the added value of doing these EMT simulation exercises?
- Do you think that it could be useful to increase the number of lab experiences?
- Did the introduction of this simulation (both with ATP and RTDS) increase your interest in the topics of the course?
- Would you have appreciated these teaching activities in other courses that you attended in the past?
5. Teaching Approaches Involving RTS at Politecnico di Torino
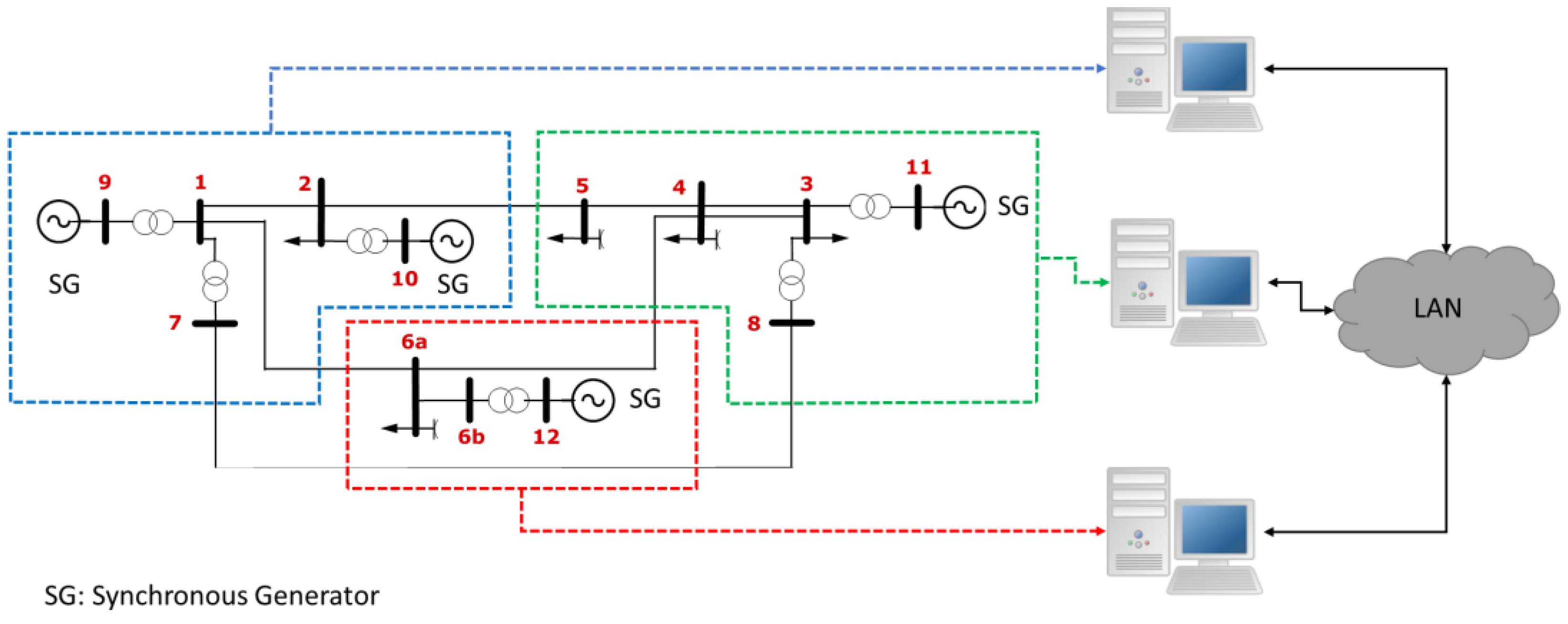
5.1. First Example: Interdisciplinary Project on Real-Time Co-Simulation of Physical and Communication Layers of Smart Grids
- Step 1. Developing a software-in-the-loop generic architecture for smart grids (SGs).
- Step 2. Cyber-physical real-time co-simulation of SGs.
- Real-time simulator: it allows us to run the Simulink model of the electric grid; from the data exchange point of view, it is able to establish TCP or UDP communication towards a server and hence behaves as a client.
- Server adapter: it is executed on a different device, and it is able to receive data from and send data to the simulator according to the chosen communication protocol (TCP/UDP). On the other side, it also interfaces with the MQTT broker. The communication is based on a publish/subscribe paradigm: it forwards data by publishing them and receives commands for the simulator by subscribing to them.
- Mosquitto-MQTT broker: it is the entity in charge of handling the MQTT clients and forwarding published messages to the subscribers. It runs a bidirectional operation as shown in Figure 5.
- Client adapter: as the name might suggest, it can be seen as the dual of the server adapter; it forwards data to the smart function host and sends back to the rest of the architecture the commands resulting from the smart function execution. It interacts through the MQTT protocol on one side, and it behaves as a TCP client towards the smart function host.
- Smart function host: this component works as a server, and it can be executed on a different terminal device as well. Once it receives data from the rest of the architecture, it is able to process them and send commands back to the real-time simulator to manage the status of the grid.
5.2. Second Example: EMT Simulation, Real-Time Simulation and Hardware-in-the-Loop in the Course “Electrical Systems and Safety”
- Overvoltages in power systems and insulation coordination;
- DC traction electrification systems for railway and tramway;
- Applications of electrical safety;
- Electro-Magnetic Transient (EMT) simulation.
- The modeling of the behavior of a Surge Protective Device (SPD) when a lightning overvoltage hits a transmission line;
- The modeling of the behavior of an AC/DC conversion substation for the tramway electrification system in case of fault on the DC side.
- A tap change of the HV/MV transformer;
- A load variation in the system;
- The connection or disconnection of the capacitor bank.
5.3. The Role of RTS and Added Learning
5.3.1. Some Hints from the Interdisciplinary Project Experience
5.3.2. Practical Experience in the Course “Electrical Systems and Safety”
6. Conclusions
- Emulation of control rooms for system operation: the creation of failures on the simulated network will allow procedures to be checked, such as the ones related to fault location and clearance able to improve the system reliability level.
- Training the students on field, for example, by creating a console aiming to show the different parts of a protection scheme (relays, circuit breakers or fuses, switches, and so on) that can be compared with the real connections among the components at the same time, to understand the consequence of any operation.
Author Contributions
Funding
Institutional Review Board Statement
Informed Consent Statement
Data Availability Statement
Conflicts of Interest
References
- Chicco, G.; Ciocia, A.; Colella, P.; Di Leo, P.; Mazza, A.; Musumeci, S.; Pons, E.; Russo, A.; Spertino, F. Introduction—Advances and Challenges in Active Distribution Systems. In Planning and Operation of Active Distribution Networks; Zambroni de Souza, A.C., Venkatesh, B., Eds.; Lecture Notes in Electrical Engineering; Springer International Publishing: Cham, Switzerland, 2022; Volume 826, pp. 1–42. ISBN 978-3-030-90811-9. [Google Scholar]
- Mazza, A.; Chicco, G. High-Quality Load Pattern Reconstruction from Smart Meter Data to Enhance the Assessment of Peak Power and Network Losses. IEEE Trans. Ind. Appl. 2022, 58, 3261–3274. [Google Scholar] [CrossRef]
- Benato, R.; Sessa, S.D.; Guizzo, L.; Rebolini, M. Synergy of the Future: High Voltage Insulated Power Cables and Railway-highway Structures. IET Gener. Transm. Distrib. 2017, 11, 2712–2720. [Google Scholar] [CrossRef]
- Bui, N.; Castellani, A.; Casari, P.; Zorzi, M. The Internet of Energy: A Web-Enabled Smart Grid System. IEEE Netw. 2012, 26, 39–45. [Google Scholar] [CrossRef]
- European Commission; Joint Research Centre; Institute for Energy and Transport; Politecnico di Torino; RWTH Aachen University. A European Platform for Distributed Real Time Modelling & Simulation of Emerging Electricity Systems; Publications Office: Luxembourg, 2016. [Google Scholar]
- Chicco, G.; Crossley, P.; Nucci, C.A. Electric Power Engineering Education: Cultivating the Talent in the United Kingdom and Italy to Build the Low-Carbon Economy of the Future. IEEE Power Energy Mag. 2018, 16, 53–63. [Google Scholar] [CrossRef]
- Cavagnino, A.; Pellegrino, G.; Estebsari, A.; Armando, E.; Bojoi, R. A New Laboratory for Hands-on Teaching of Electrical Engineering. In Proceedings of the 2018 IEEE 27th International Symposium on Industrial Electronics (ISIE), Cairns, QLD, Australia, 13–15 June 2018; pp. 883–889. [Google Scholar]
- Xiaoju, Z.; Xin, W. Teaching Practice Research of Electric Power System Analysis Based on CDIO Mode. In e-Learning, e-Education, and Online Training; Liu, S., Glowatz, M., Zappatore, M., Gao, H., Jia, B., Bucciero, A., Eds.; Lecture Notes of the Institute for Computer Sciences, Social Informatics and Telecommunications Engineering; Springer International Publishing: Cham, Switzerland, 2018; Volume 243, pp. 134–143. ISBN 978-3-319-93718-2. [Google Scholar]
- Wen, H. Exploration of Virtual Laboratory in Power Engineering Courses. In Proceedings of the 2018 IEEE International Conference on Power Electronics, Drives and Energy Systems (PEDES), Chennai, India, 18–21 December 2018; pp. 1–6. [Google Scholar]
- Wei, M.; Zhang, H.; Fang, T. Enhancing the Course Teaching of Power System Analysis with Virtual Simulation Platform. Int. J. Electr. Eng. Educ. 2020, 002072092095343. [Google Scholar] [CrossRef]
- Fang, T.; Zhang, H. Design and Implementation of Virtual Experimental Platform for Power System Teaching. In Proceedings of the 2018 9th International Conference on Information Technology in Medicine and Education (ITME), Hangzhou, China, 19–21 October 2018; pp. 759–765. [Google Scholar]
- Monti, A.; Stevic, M.; Vogel, S.; De Doncker, R.W.; Bompard, E.; Estebsari, A.; Profumo, F.; Hovsapian, R.; Mohanpurkar, M.; Flicker, J.D.; et al. A Global Real-Time Superlab: Enabling High Penetration of Power Electronics in the Electric Grid. IEEE Power Electron. Mag. 2018, 5, 35–44. [Google Scholar] [CrossRef]
- Stevic, M.; Estebsari, A.; Vogel, S.; Pons, E.; Bompard, E.; Masera, M.; Monti, A. Multi-site European Framework for Real-time Co-simulation of Power Systems. IET Gener. Transm. Distrib. 2017, 11, 4126–4135. [Google Scholar] [CrossRef]
- Stevic, M.; Vogel, S.; Monti, A. From Monolithic to Geographically Distributed Simulation of HVdc Systems. In Proceedings of the 2018 IEEE 19th Workshop on Control and Modeling for Power Electronics (COMPEL), Padua, Italy, 25–28 June 2018; pp. 1–5. [Google Scholar]
- Mazza, A.; Estebsari, A.; Morandi, G.; Bompard, E.; Lok, H. Remote Hardware-In-the-Loop Measurement System for Electrolyser Characterization. In Proceedings of the 2019 IEEE International Conference on Environment and Electrical Engineering and 2019 IEEE Industrial and Commercial Power Systems Europe (EEEIC/I&CPS Europe), Genova, Italy, 11–14 June 2019; pp. 1–6. [Google Scholar]
- Bompard, E.; Bruno, S.; Cordoba-Pacheco, A.; Diaz-Londono, C.; Giannoccaro, G.; Scala, M.L.; Mazza, A.; Pons, E. Latency and Simulation Stability in a Remote Power Hardware-in-the-Loop Cosimulation Testbed. IEEE Trans. Ind. Appl. 2021, 57, 3463–3473. [Google Scholar] [CrossRef]
- Srivastava, A.; Schulz, N. Applications of a Real Time Digital Simulator in Power System Education and Research. In Proceedings of the 2009 Annual Conference & Exposition, Austin, TX, USA, 14–17 June 2009; pp. 14.226.1–14.226.10. [Google Scholar]
- Dufour, C.; Andrade, C.; Bélanger, J. Real-Time Simulation Technologies in Education: A Link to Modern Engineering Methods and Practices. In Proceedings of the 11th International Conference on Engineering and Technology Education, Ilhéus, Brazil, 7–10 March 2010. [Google Scholar]
- Menghal, P.; Laxmi, A.J. Real Time Simulation A Novel Approach in Engineering Education. In Proceedings of the 2011 3rd International Conference on Electronics Computer Technology, Kanyakumari, India, 8–10 April 2011. [Google Scholar]
- Kotsampopoulos, P.C.; Kleftakis, V.A.; Hatziargyriou, N.D. Laboratory Education of Modern Power Systems Using PHIL Simulation. IEEE Trans. Power Syst. 2017, 32, 3992–4001. [Google Scholar] [CrossRef]
- Jiang, Z.; Konstantinou, G.; Zhong, Z.; Acuna, P. Real-Time Digital Simulation Based Laboratory Test-Bench Development for Research and Education on Solar Pv Systems. In Proceedings of the 2017 Australasian Universities Power Engineering Conference (AUPEC), Melbourne, VIC, Australia, 19–22 November 2017. [Google Scholar]
- Zhang, X.; Li, R.; Wang, Y.; Manandhar, U. Digital Twin Real-Time Hybrid Simulation Platform for Engineering Education in Renewable Energy. In Proceedings of the 2021 31st Australasian Universities Power Engineering Conference (AUPEC), Perth, Australia, 26–30 September 2021. [Google Scholar]
- Gonschor, D.; Jung, M.; Costa, J.P.D.; Brandl, R. Remote Hardware-in-the-Loop Laboratory and Its Application in Engineering Education. In Proceedings of the 2022 IEEE Global Engineering Education Conference (EDUCON), Tunis, Tunisia, 28–31 March 2022. [Google Scholar]
- Saha, A.K. A Real-Time Simulation-Based Practical on Overcurrent Protection for Undergraduate Electrical Engineering Students. IEEE Access 2022, 10, 52537–52550. [Google Scholar] [CrossRef]
- EN 50191:2010; Erection and Operation of Electrical Test Equipment. European Committee for Electrotechnical Standardization—CENELEC: Bruxelles, Belgium, 2010.
- European Real-time Integrated Co-Simulation Laboratory. Available online: www.eric-lab.eu (accessed on 2 January 2023).
- Benedetto, G.; Bompard, E.; Mazza, A.; Pons, E.; Bruno, S.; Giannoccaro, G.; La Scala, M.; De Caro, F.; Bonfiglio, A.; Bracco, S.; et al. Ensiel National Energy Transition Real Time Lab: A Novel Tool to Shape the Future Energy System. In Proceedings of the 2022 AEIT International Annual Conference (AEIT), Rome, Italy, 3–5 October 2022. [Google Scholar]
- Global Real Time Super Lab. Available online: http://g-rtslab.polito.it (accessed on 2 January 2023).
- University Network for Innovation, Technology and Engineering (UNITE!) Alliance. Available online: https://www.unite-university.eu (accessed on 2 January 2023).











| Technology | End-to-End Delay [ms] | Data Rate |
|---|---|---|
| 2G | 500–1000 | 100–400 kbps |
| 3G | 100–500 | 0.5–5 Mbps |
| 4G | <100 | 1–50 Mbsp |
Disclaimer/Publisher’s Note: The statements, opinions and data contained in all publications are solely those of the individual author(s) and contributor(s) and not of MDPI and/or the editor(s). MDPI and/or the editor(s) disclaim responsibility for any injury to people or property resulting from any ideas, methods, instructions or products referred to in the content. |
© 2023 by the authors. Licensee MDPI, Basel, Switzerland. This article is an open access article distributed under the terms and conditions of the Creative Commons Attribution (CC BY) license (https://creativecommons.org/licenses/by/4.0/).
Share and Cite
Bompard, E.; Estebsari, A.; Mazza, A.; Pons, E.; Solida, L. Innovative Higher Education Approaches for Power System Courses. Educ. Sci. 2023, 13, 92. https://doi.org/10.3390/educsci13010092
Bompard E, Estebsari A, Mazza A, Pons E, Solida L. Innovative Higher Education Approaches for Power System Courses. Education Sciences. 2023; 13(1):92. https://doi.org/10.3390/educsci13010092
Chicago/Turabian StyleBompard, Ettore, Abouzar Estebsari, Andrea Mazza, Enrico Pons, and Lorenzo Solida. 2023. "Innovative Higher Education Approaches for Power System Courses" Education Sciences 13, no. 1: 92. https://doi.org/10.3390/educsci13010092
APA StyleBompard, E., Estebsari, A., Mazza, A., Pons, E., & Solida, L. (2023). Innovative Higher Education Approaches for Power System Courses. Education Sciences, 13(1), 92. https://doi.org/10.3390/educsci13010092

