An Analysis of a Complete Aircraft Electrical Power System Simulation Based on a Constant Speed Constant Frequency Configuration
Abstract
1. Introduction
- A cycloconverter (Cyclo) VSCF that uses an AC-to-AC converter;
- A DC link VSCF that uses a DC-to-AC converter;
- A 270 VDC VSCF that uses an AC-to-DC converter.
2. Aircraft Turbofan Engine Mathematical Model
- The jet engines are those with a single shaft that connects the turbine to the compressor;
- The low-bypass ratio engines for which the compressor is divided into several separate parts, each of them driven by individual turbine/shaft assemblies;
- The afterburning jet engines that increase the output jet by injecting and burning additional fuel between the turbine and the nozzle to increase performance;
- The turbofan engines, a development of the bypass jet engine with a substantial increase in compressor’s first stage diameter to become a ducted fan;
- The turboprop/turboshaft engines for which the turbine stage is normally divided into two parts, the high-pressure turbine (HPT) and the low-pressure turbine (LPT), respectively. Each of them drive individual concentric shafts; LPT drives the power output shaft that has a physical/remote gearbox to connect the propeller;
- The ramjet engines, which are made of an inlet, a combustion zone and a nozzle, and have no moving parts (compressor and turbine).
3. Mathematical Model of Integrated Drive Generator
3.1. Constant Speed Drive (CSD)
3.2. Brushless Synchronous Generator (BSG)
- The stator windings are sinusoidally distributed along the air gap as long as mutual effects with the rotor are neglected;
- The stator slots do not cause major variations in rotor inductances with rotor position;
- The magnetic hysteresis is negligible;
- The magnetic saturation effects are negligible;
- The currents in the damper flow in two sets of closed circuits: one, whose flow is in line with that of the field along the d-axis, and the other, whose flow is at a right angle to the field axis or along the q-axis, as shown in Figure 9.
3.3. Control of the IDGS
3.3.1. Automatic Frequency Regulator (AFR)
3.3.2. Automatic Voltage Regulator (AVR)
- Type DC, which uses a DC generator as the source of direct current for the BSG field;
- Type AC, using an AC generator and a stationary or rotating rectifier to obtain the direct current;
- Type ST (static), in which excitation current is supplied by using transformers or auxiliary generator windings and rectifiers.
4. Simulation and Results
- En route (ENR);
- Ground Operation and Loading (GOL);
- Initial climb (ICL).
4.1. Simulation of the En Route Scenario
- Altitude: 10,000 m;
- Mach number: 0.8;
- Command of the turbofan engine by means of the thrust lever: 0.4408;
- Real operation time of aircraft in this scenario: 207 min out of a total mission flight time of 322 min [47].
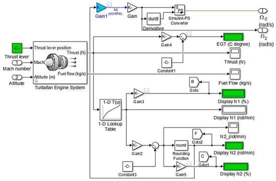
4.1.1. Turbofan Engine Simulink Model
- Maximum take-off Thrust: 11,699 daN;
- Maximum Exhaust Gas Temperature (EGT): 950 °C + 30 °C;
- Low-pressure rotor rotational speed (N1,100%): 5175 rpm;
- High-pressure rotor rotational speed (N2,100%): 14,460 rpm.
4.1.2. Accessory Gearbox Simulink Model
4.1.3. Integrated Drive Generator System Simulink Model
Constant Speed Drive Simulink Model
Brushless Synchronous Generator Simulink Model
4.1.4. Generator Control Unit Simulink Model
4.1.5. Control Panel Model
- “Engine 1” used to control and monitor the parameters of the 1st engine and the related CSD;
- “IDG 1” for monitoring the electrical parameters of the EPS’s first channel from the Boeing B737-800 airplane;
- “Electrical loads”, for the control and monitor electrical loads that connect to the plane’s electrical busbar.
- Frequency controller is ON;
- Thrust lever = 0.44;
- N1 = 57.79% that means N1 = 57.79 × N1,100% = 2990 rpm;
- EGT = 988 °C;
- N2 = 70.60% that means N2 = 70.60 × N2,100% = 10,209 rpm (value also seen on the left gauge instrument first panel left side);
- DC system: I = 90 A;
- V = 28 VDC;
- AC system: FREQ = 400 Hz (CPS);
- I = 130 A;
- V = 115 VAC;
- TRU DC load is ON;
- 3-phase AC load1 is ON;
- 3-phase AC load2 is ON.
4.2. Simulation of Ground Operation and Loading Scenario
- Altitude: 96 m (considering that the aircraft will take off from Henri Coanda International Airport that is located at this altitude);
- Mach number: 0 (the airplane is at apron for loading);
- Command of the turbofan engine by means of the thrust lever: 0.0269, corresponding to 58% from N2 on the ground
- Real operation time of aircraft in this scenario: 30 min, that means 14.5% from En route phase [47].
4.3. Simulation of Initial Climb Scenario
- Altitude: 7315 m;
- Mach number: 0.435;
- Command of the turbofan engine by means of the thrust lever: 0.8, corresponding to maximum thrust, i.e., 105% from N2 at this altitude;
- Real operation time of aircraft in this scenario: 26 min, that means 12.5% from En-route phase [47].
5. Discussion
6. Conclusions
Funding
Data Availability Statement
Conflicts of Interest
Abbreviations
| ACARE | Advisory Council for Aeronautics Research in Europe; |
| AFR | Automatic frequency regulator; |
| AE | Aircraft Engine; |
| AGD | Axial Gear Differential; |
| AVR | Automatic voltage regulator; |
| BADA | Base of Aircraft Data; |
| BBC | Brown-Boveri Company; |
| Corsia | Carbon Offsetting and Reduction Scheme for International Aviation; |
| cv | control volume; |
| ICAO | International Civil Aviation Organization; |
| IDGS | Integrated Drive Generator System; |
| ISA | International Standard Atmosphere; |
| SI | International System of Units; |
| TE | Turbofan Engine. |
References
- Grigore-Müler, O. Modeling of an Aircraft Constant Speed Drive. Rev. Roum. Des Sci. Technol. –SÉRIE Électrotechnique Et Énergétique 2022, 67, 487–492. [Google Scholar]
- Grigore-Müler, O. Modeling and Simulation of an Aircraft Electrical Power System. Rev. Roum. Des Sci. Tech. –SÉRIE Électrotechnique Et Énergétique 2023, 68, 224–231. [Google Scholar] [CrossRef]
- Researching the Wright Way. Available online: https://airandspace.si.edu/explore/stories/researching-wright-way#propulsion (accessed on 12 July 2024).
- Brock, W.L. Light Engines. Am. Mag. Aeronaut. 1907, 5, 29–30. [Google Scholar]
- Iatrou, K. 100 Years of Commercial Aviation; Hermes Air Transport Club: Montreal, QC, Canada, 2014; pp. 20–21. [Google Scholar]
- Armstrong, E.R. The construction of the modern aeroplane. Aero 1912, 4, 239–240. [Google Scholar]
- Percy, N. The New York Show attracts public interest. Aero 1912, 4, 169–170. [Google Scholar]
- Bertinov, A.I. Aviatsionnyye Elektrichskiye Machiny (Aircraft Electrical Generators); Oboronnoy Promyshlennosti: Moskva, Russia, 1959; pp. 5–6. [Google Scholar]
- Nemkov, V.S. Role of Prof. In V.P. Vologdin and his school in radio and electrotechnology. In Proceedings of the IEEE EUROCON 2009, St. Petersburg, Russia, 18–23 May 2009; pp. 1020–1027. [Google Scholar] [CrossRef]
- Sikorsky, I.I. The Story of the Winged-S; Dodd, Mead & Company Inc.: New York, NY, USA, 1958; pp. 95–96. [Google Scholar]
- Weir, J.G. The 12 Cylinder Liberty Aero Engine Handbook; Central House: London, UK, 1918; pp. 61–67. [Google Scholar]
- Hyder, A.K. A Century of Aerospace Electrical Power Technology. J. Propuls. Power 2003, 19, 1155–1179. [Google Scholar] [CrossRef]
- Holliday, T.B. Applications of Electric Power in Aircraft. Electr. Eng. 1941, 60, 218–225. [Google Scholar] [CrossRef]
- The integrated drive generator. Aircr. Eng. Aerosp. Technol. 1974, 46, 9–10. [CrossRef]
- Airline Business. Available online: https://www.flightglobal.com/airline-business/fleets (accessed on 12 July 2024).
- Ahmed, F.E. Aircraft Propulsion and Gas Turbine Engines, 2nd ed.; Taylor & Francis: Boca Raton, FL, USA, 2017; pp. 4–6+16–18. [Google Scholar]
- Meher-Hornji, C.B. The Development of the Whittle Turbojet. In Proceedings of the International Gas Turbine and Aeroengine Congress and Exhibition, Orlando, FL, USA, 2–5 June 1997. [Google Scholar]
- Vladimir Pavlecka: Tape #3. Available online: https://vladimirhpavlecka.com/uploads/download/884/Tape__3_-_Conversations_with_Vladimir_Pavlecka.pdf (accessed on 12 July 2024).
- Trancossi, M.; Pascoa, J. Thermojet: An Old Idea Can Define a Novel Family of Jets; SAE Technical Paper 2013-01-2205; SAE International: Warrendale, PA, USA, 2013. [Google Scholar]
- History of Flight Around the World. Available online: https://www.aiaa.org/about/History-and-Heritage/History-of-Flight-Around-the-World#romania (accessed on 12 July 2024).
- Flack, R. Fundamentals of Jet Propulsion with Applications; Cambridge University Press: New York, NY, USA, 2005; pp. 6–8+36–38. [Google Scholar]
- Early Gas Turbines. Available online: https://www.enginehistory.org/GasTurbines/EarlyGT/XT37/XT37(01).shtml (accessed on 12 July 2024).
- Hamilton Sundstrand Brochure; Hamilton Sundstrand, A United Technologies Company: Windsor Locks, CT, USA, 2008.
- Nosley, C.C.; Hucker, J.D. Constant Frequency AC Electrical System for Business Aircraft. SAE Trans. 1968, 77, 728–735. [Google Scholar]
- F4H Features Unique Hydraulic Constant Speed Drive System. Air Force Space Dig. 1961, 44, 55–56.
- Nordeen, L.D. Roller Friction Transmission. U.S. Patent US3410146, 12 November 1968. [Google Scholar]
- Schofield, C.R.; Bradford, E. Variable-ratio Frictional Drive Gears. U.S. Patent US3455177, 20 July 1969. [Google Scholar]
- Sharpe, R. Variable Speed Transmission Systems. U.S. Patent US4281559, 4 August 1981. [Google Scholar]
- Goi, T. T-IDG Technology Overview. In Proceedings of the Europe-Japan Symposium: Electrical Technologies for the Aviation of the Future, EU Delegation, Tokyo, Japan, 26–27 March 2015. [Google Scholar]
- Yoshimura, S. State-of-the-art P1 patrol aircraft to be deployed all over Japan. The Asahi Shimbun, 30 July 2019. [Google Scholar]
- Paris: C-2, P-1 Underpin Big Japanese Presence. Available online: https://www.flightglobal.com/fixed-wing/paris-c-2-p-1-underpin-big-japanese-presence/133112.article (accessed on 3 September 2024).
- Burns, J. Constant Speed Generating Systems; SAE Technical Paper 771001; SAE International: Warrendale, PA, USA, 1977. [Google Scholar]
- Griffiths, J.T.; Sharpe, R. Electric Generator Arrangement. U.S. Patent US4278928, 14 July 1981. [Google Scholar]
- Cordner, A.M.; Flygare, A.W.; Grimm, H.D. Integrated Drive-generator System. U.S. Patent US4252035, 24 February 1981. [Google Scholar]
- Gantzer, C.J. Combined Fluid and Mechanical Drive. U.S. Patent US3365981A, 30 January 1968. [Google Scholar]
- Manring, N.D. The Discharge Flow Ripple of an Axial-Piston Swash-Plate Type Hydrostatic Pump. J. Dyn. Syst. Meas. Control 2000, 122, 263–268. [Google Scholar] [CrossRef]
- Guan, C.; Jiao, Z.; He, S. Theoretical study of flow ripple for an aviation axial-piston pump with damping holes in the valve plate. Chin. J. Aeronaut. 2014, 27, 169–181. [Google Scholar] [CrossRef]
- Aron, I.; Păun, V. Echipamentul Electric al Aeronavelor; Ed. Didactică și Pedagogică: București, Romania, 1980; pp. 277–279. [Google Scholar]
- Dinu, D. Mașini Hidraulice și Pneumatice Utilizate în Domeniul Naval; Ed. Nautica: Constanţa, România, 2019; pp. 33–35. [Google Scholar]
- The Sperry Gyroscope, Co. Flight; The Sperry Gyroscope Co.: Downtown Brooklyn, NY, USA, 1915; Volume 7, pp. 20–21. [Google Scholar]
- Hyland, L.A. Airplane Radio Sets. Aviation 1927, XXIII, 1526–1528. [Google Scholar]
- Airways and Airports, Blind landing System Conquers Fog. In The Aircraft Year Book for 1935; Aeronautical Chamber of Commerce of America: New York, NY, USA, 1935; Volume 17, pp. 207–208.
- Sperry, E.A. Wind-Driven Generator for Aircraft. U.S. Patent US1362753, 21 December 1920. [Google Scholar]
- Kundur, P. Power System Stability and Control; McGraw-Hill: New York, NY, USA, 1994; pp. 75–88. [Google Scholar]
- ISO1540; Aerospace–Characteristics of Aircraft Electrical Systems. 3rd ed. ISO: Geneva, Switzerland, 2006.
- MIL-STD-704F w/CHANGE 1; Aircraft Electric Power Characteristics. Department of Defense: Arlington County, VA, USA, 2016.
- Grigore-Müler, O. Aircraft Electrical Power System: Analysis and Design; Ed. MATRIX ROM: București, Romania, 2021; pp. 177–179+495–496. [Google Scholar]
- IEEE Std 421.5; IEEE Recommended Practice for Excitation System Models for Power System Stability Studies. IEEE: Piscataway, NJ, USA, 2016.
- Else, H.D.; Basel, D.R.; Braun, H.J.; Township, S. Liquid-Cooled Dynamoelectric Machine. U.S. Patent US2862119 Patent 25 November 1958. [Google Scholar]
- Boeing Delivered Final Commercial 737NG in January, Ending 23 Years of Production. Available online: https://www.flightglobal.com/airframers/boeing-delivered-final-commercial-737ng-in-january-ending-23-years-of-production/137879.article (accessed on 1 August 2024).
- How Many Boeing 737 Aircraft Are Currently in Service & Stored? Available online: https://simpleflying.com/boeing-737-in-service-stored/ (accessed on 1 August 2024).
- Efimov, A.A.; Melinkov, S.Y.; Garganeev, A.G. Simulation of aircraft electrical power supply system. In Proceedings of the IV International Conference on Information Technologies in Engineering Education, Moscow, Russia, 23–26 October 2018. [Google Scholar]
- Tantawy, A.; Koutsoukos, X.; Biswas, G. Aircraft generators: Hybrid Modeling and simulation for fault detection. IEEE Trans. Aerosp. Electron. Syst. 2012, 48, 552–571. [Google Scholar] [CrossRef]
- Bruck, F.M.; Himmelstoss, F.A. Modelling and simulation of a synchronous machine. In Proceedings of the COM.P.EL.98. Record 6th Workshop on Computer in Power Electronics (Cat. No.98TH8358), Cernobbio, Italy, 22 July 1998. [Google Scholar]
- Michna, M.; Kutt, F.; Chrzan, P.; Ronkowski, M. Modeling and analysis of a synchronous generator in more electric aircraft power system using synopsys/Saber simulator. Pr. Elektrotechniki 2009, 240, 31–46. [Google Scholar]
- Li, X.; Kher, S.; Huang, S.; Ambalavanar, V.; Hu, Y. Component modeling and system level simulation of aircraft electrical systems. Eng. Lett. 2016, 24, 178–186. [Google Scholar]
- Kurtoglu, T.; Bunus, P.; De Kleer, J.; Rai, R. Simulation-based design of aircraft electrical power systems. Linköping Electron. Conf. Proc. 2011, 63, 704–712. [Google Scholar]
- Dinesh, G.; Viswa, A.B.; Vedula, V. Modeling of a traditional aircraft generator and its subsystems. In Proceedings of the 2015 IEEE International Conference on Electrical, Computer and Communication Technologies, Coimbatore, India, 5–7 March 2015. [Google Scholar]
- Ruiz, L.; Inca, G.; Bautista, R.; Arevalo, E. Simulation of a Boeing 737-500 Aircraft Electrical System. In Proceedings of the 2022 IEEE Sixth Ecuador Technical Chapters Meeting, Quito, Ecuador, 11–14 October 2022. [Google Scholar]
- CCITT Phase of Flight–Definitions and Usage Notes, v 1.3, April 2013. Available online: https://www.intlaviationstandards.org/Documents/PhaseofFlightDefinitions.pdf (accessed on 4 October 2024).
- Aeronautical Vestpocket Handbook, 22nd ed.; United Technologies Pratt & Whitney, Commercial Engine Business Government Engines and Space Propulsion Operations: West Palm Beach, FL, USA, 1991; pp. 137–138.
- Howe, D. Aircraft Conceptual Design Synthesis; Professional Engineering Publishing Limited: London, UK; Bury St Edmunds, UK, 2000; pp. 65–67. [Google Scholar]
- Turbofan Engine System. Available online: https://www.mathworks.com/help/aeroblks/turbofanenginesystem.html (accessed on 11 August 2024).
- Nuic, A.; Poles, D.; Mouillet, V. BADA: An advanced aircraft performance model for present and future ATM systems. Int. J. Adapt. Control Signal Process. 2010, 24, 850–866. [Google Scholar] [CrossRef]
- Flight Ops/Engines. Available online: https://www.smartcockpit.com/download/cfm-flight-ops-support-b737/?wpdmdl=3229&refresh=66d705b33ae941725367731 (accessed on 3 September 2024).
- TCDS, No.: E.004 Issue: 05 for CFM International CFM56-7B Series Engine, EASA, 1 March 2016. Available online: https://www.easa.europa.eu/en/document-library/type-certificates/engine-cs-e/easae004-cfm-international-sa-cfm56-7b-series (accessed on 3 September 2024).
- Yılmaz, İ. Evaluation of the relationship between exhaust gas temperature and operational parameters in CFM56-7B engines. Proc. Inst. Mech. Eng. Part G J. Aerosp. Eng. 2009, 223, 433–440. [Google Scholar] [CrossRef]
- Hydraulic Axial-Piston Pump with Load-Sensing and Pressure Limiting Control. Available online: https://www.mathworks.com/help/hydro/ug/hydraulic-axial-piston-pump-with-load-sensing-and-pressure-limiting-control.html (accessed on 26 July 2022).
- Campbell, K.H.; Lemmers, G.C., Jr.; Franklin, M.J. Cylinder Block Assembly for Hydraulic Unit. U.S. Patent US20160273531A1, 22 September 2016. [Google Scholar]
- Hochstetler, D.R.; Martin, T.A.; Johnson, D.C.; Lemmers, G.C., Jr. Hydraulic Unit Cylinder Block for Integrated Drive Generator. U.S. Patent US10539213B2, 21 January 2020. [Google Scholar]
- Hochstetler, D.R.; Martin, T.A.; Johnson, D.C.; Lemmers, G.C., Jr. Variable Wobbler Plate for Integrated Drive Generator. U.S. Patent US10707792B2, 7 July 2020. [Google Scholar]
- Shop Talk: Change in Hydraulic Fluid, Newsletter, Onboard Systems International. Available online: https://www.onboardsystems.com/news/newsletter/154 (accessed on 26 July 2022).
- Holloway, V.C. Transient characteristics of aircraft A-C generators. Trans. Am. Inst. Electr. Eng. Part II Appl. Ind. 1954, 73, 187–190. [Google Scholar] [CrossRef]
- Sasaki, R.; Masanao, W.; Osamu, S. Weight and Characteristics of Aircraft AC Generators. Aeronaut. Space Sci. Jpn. 1979, 27, 296–300. [Google Scholar]
- Aircraft Performance Database. Available online: https://contentzone.eurocontrol.int/aircraftperformance/details.aspx?ICAO=B738&GroupFilter=4 (accessed on 4 October 2024).
- Work with the Flight Simulator Interface. Available online: https://www.mathworks.com/help/aeroblks/working-with-the-flight-simulator-interface.html (accessed on 16 September 2024).





































| Bypass Ratio BPR | Mach Number Range M | Operating Condition | K1τ | K2τ | K3τ | K4τ | s * |
|---|---|---|---|---|---|---|---|
| 1 or lower | 0–0.4 | Dry | 1.00 | 0 | −0.2 | 0.07 | 0.8 |
| Wet | 1.32 | 0.062 | −0.13 | −0.27 | 0.8 | ||
| 0.4–0.9 | Dry | 0.856 | 0.062 | 0.16 | −0.23 | 0.8 | |
| Wet | 1.17 | −0.120 | 0.25 | −0.17 | 0.8 | ||
| 0.9–2.2 | Dry | 1.00 | −0.145 | 0.5 | − 0.05 | 0.8 | |
| Wet | 1.40 | 0.03 | 0.8 | 0.4 | 0.8 | ||
| 3 to 6 | 0–0.4 | Dry | 1.0 | 0 | −0.6 | −0.04 | 0.7 |
| 0.4–0.9 | Dry | 0.88 | −0.016 | −0.3 | 0 | 0.7 | |
| 8 | 0–0.4 | Dry | 1.0 | 0 | −0.595 | −0.03 | 0.7 |
| 0.4–0.9 | Dry | 0.89 | −0.014 | −0.3 | 0.005 | 0.7 |
| Nr. crt (1) | T [kN] (2) | N1 [%] (3) | N1 [rpm] (4 = 3 × N1,100%) | Nr. crt (1) | T [kN] (2) | N1 [%] (3) | N1 [rpm] (4 = 3 × N1,100%) | Nr. crt (1) | T [kN] (2) | N1 [%] (3) | N1 [rpm] (4 = 3 × N1,100%) |
|---|---|---|---|---|---|---|---|---|---|---|---|
| 1 | 6.805 | 30 | 1552.5 | 6 | 25.780 | 55 | 2846.25 | 11 | 64.944 | 80 | 4140 |
| 2 | 10.186 | 35 | 1811.25 | 7 | 31.137 | 60 | 3105 | 12 | 76.731 | 85 | 4398.75 |
| 3 | 13.589 | 40 | 2070 | 8 | 37.809 | 65 | 3363.75 | 13 | 90.187 | 90 | 4657.5 |
| 4 | 17.259 | 45 | 2328.75 | 9 | 45.371 | 70 | 3622.5 | 14 | 104.533 | 95 | 4916.25 |
| 5 | 21.307 | 50 | 2587.5 | 10 | 54.491 | 75 | 3881.25 | 15 | 115.654 | 103.5 | 5356.12 |
Disclaimer/Publisher’s Note: The statements, opinions and data contained in all publications are solely those of the individual author(s) and contributor(s) and not of MDPI and/or the editor(s). MDPI and/or the editor(s) disclaim responsibility for any injury to people or property resulting from any ideas, methods, instructions or products referred to in the content. |
© 2024 by the author. Licensee MDPI, Basel, Switzerland. This article is an open access article distributed under the terms and conditions of the Creative Commons Attribution (CC BY) license (https://creativecommons.org/licenses/by/4.0/).
Share and Cite
Grigore-Müler, O. An Analysis of a Complete Aircraft Electrical Power System Simulation Based on a Constant Speed Constant Frequency Configuration. Aerospace 2024, 11, 860. https://doi.org/10.3390/aerospace11100860
Grigore-Müler O. An Analysis of a Complete Aircraft Electrical Power System Simulation Based on a Constant Speed Constant Frequency Configuration. Aerospace. 2024; 11(10):860. https://doi.org/10.3390/aerospace11100860
Chicago/Turabian StyleGrigore-Müler, Octavian. 2024. "An Analysis of a Complete Aircraft Electrical Power System Simulation Based on a Constant Speed Constant Frequency Configuration" Aerospace 11, no. 10: 860. https://doi.org/10.3390/aerospace11100860
APA StyleGrigore-Müler, O. (2024). An Analysis of a Complete Aircraft Electrical Power System Simulation Based on a Constant Speed Constant Frequency Configuration. Aerospace, 11(10), 860. https://doi.org/10.3390/aerospace11100860

