D-Band Frequency Tripler Module Using Anti-Parallel Diode Pair and Waveguide Transitions
Abstract
1. Introduction
2. Design of D-Band Frequency Tripler Module
2.1. GaAs Schottky Diode
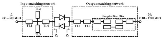
2.2. Frequency Tripler Using Anti-Parallel Diode Pair
2.3. Waveguide Transitions Using E-Plane Probe
2.4. Compensation of Bond-Wire Effect
3. Measurement and Comparison
3.1. Measurement Results
3.2. Performance Comparison
4. Conclusions
Author Contributions
Funding
Conflicts of Interest
References
- Cao, C.; Kenneth, K.O. A 140-GHz Fundamental Mode Voltage-Controlled Oscillator in 90-nm CMOS Technology. IEEE Microw. Wirel. Compon. Lett. 2006, 16, 555–557. [Google Scholar] [CrossRef]
- Kim, D.; Rieh, J. Comparison of Two Layout Options for 110-GHz CMOS LC Cross-Coupled Oscillators. J. Electromagn. Eng. Sci. 2018, 18, 141–143. [Google Scholar] [CrossRef]
- Kwon, Y.; Pavlidis, D.; Brock, T.L.; Streit, D.C. A D-Band Monolithic Fundamental Oscillator Using InP-Based HEMTs. IEEE Trans. Microw. Theory Tech. 1993, 41, 2336–2344. [Google Scholar] [CrossRef]
- Jun, J.; Bin, L.; Li, M.; Yue, H.; Xiangyang, S.; Yaoling, T.; Hailong, H.; Fengjun, C.; Xianjin, D.; Jian, Z. Single-Stage Frequency Quadrupler with SBD and Four-Octave LPF at 335 GHz. IEEE Trans. Terahertz Sci. Technol. 2017, 7, 446–454. [Google Scholar] [CrossRef]
- Pozar, D.M. Microwave Engineering, 4th ed.; Wiley: New York, NY, USA, 2011; pp. 525–530. ISBN 978-0470631553. [Google Scholar]
- Zhang, B.; Ji, D.; Min, Y.; Fan, Y.; Chen, X. A High-Efficiency 220 GHz Doubler Based on the Planar Schottky Varactor Diode. J. Electron. Mater. 2019, 48, 3603–3611. [Google Scholar] [CrossRef]
- Porterfield, D.W.; Crowe, T.W.; Bradley, R.F.; Erickson, N.R. A High-Power Fixed-Tuned Millimeter-wave Balanced Frequency Doubler. IEEE Trans. Microw. Theory Tech. 1999, 47, 419–425. [Google Scholar] [CrossRef]
- Chattopadhyay, G.; Schlecht, E.; Ward, J.S.; Gill, J.J.; Javadi, H.H.S.; Maiwald, F.; Mehdi, I. An All-Solid-State Broad-Band Frequency Multiplier Chain at 1500 GHz. IEEE Trans. Microw. Theory Tech. 2004, 52, 1538–1547. [Google Scholar] [CrossRef]
- Montero-de-Paz, J.; Sobornytskyy, M.; Hoefle, M.; Cojocari, O. High Power 150 GHz Schottky based Varactor Doubler. In Proceedings of the 2016 Global Symposium on Millimeter Waves (GSMM) & ESA Workshop on Millimeter-Wave Technology and Applications, Espoo, Finland, 6–8 June 2016. [Google Scholar] [CrossRef]
- Dou, J.; Xu, J.; Jiang, S. Accurate Design of a W-band Full Band Frequency Tripler Based on Anti-parallel GaAs Schottky Varistor Diode Pair. In Proceedings of the 2017 Progress Electromagnetics Research Symposium, St Petersburg, Russia, 22–25 May 2017; pp. 3809–3811. [Google Scholar] [CrossRef]
- Liu, Y.; Zhao, M.; He, Z.; Zhu, Z. A High Efficiency Balanced Frequency Tripler Incorporating Compensation Structure for Millimeter-Wave Applications. Prog. Electromagn. Res. C 2015, 59, 79–88. [Google Scholar] [CrossRef]
- Jha, P.; Basu, A.; Koul, S.K. Broadband Frequency Tripler Design at 40–60 GHz. In Proceedings of the Asia-Pacific Microwave Conference 2016, New Delhi, India, 5–9 December 2016. [Google Scholar] [CrossRef]
- Mao, W.; Yu, M.; He, Y. Design of Submillimeter Wave Frequency Tripler. In Proceedings of the 2009 Asia Pacific Microwave Conference, Singapore, 7–10 December 2009; pp. 1188–1191. [Google Scholar] [CrossRef]
- Guo, C.; Shang, X.; Lancaster, M.J.; Xu, J.; Powell, J.; Wang, H.; Alderman, B.; Huggard, P.G. A 135–150 GHz Frequency Tripler With Waveguide Filter Matching. IEEE Trans. Microw. Theory Tech. 2018, 66, 4608–4616. [Google Scholar] [CrossRef]
- Siles, J.V.; Lee, C.; Lin, R.; Chattopadhyay, G.; Reck, T.; Jung-Kubiak, C.; Mehdi, I.; Cooper, K.B. A High-Power 105–120 GHz Broadband On-Chip Power-Combined Frequency Tripler. IEEE Microw. Wirel. Compon. Lett. 2015, 3, 157–159. [Google Scholar] [CrossRef]
- Chen, Z.; Xu, J. Design and characterization of a W-band power-combined frequency tripler for high-power and broadband operation. Prog. Electromagn. Res. 2013, 134, 133–150. [Google Scholar] [CrossRef][Green Version]
- Jin, M.; Dehai, Z.; Changhong, J.; Xin, Z.; Jian, H.; Dashuai, Y. Crucial problems in the design of a terahertz tripler. J. Semicond. 2015, 36, 085003. [Google Scholar] [CrossRef]
- Hoefle, M.; Penirschke, A.; Cojocari, O.; Jakoby, R. Advanced RF Characterization of New Planar High Sensitive Zero-Bias Schottky Diodes. In Proceedings of the 2011 6th European Microwave Integrated Circuit Conference, Manchester, UK, 10–11 October 2011; pp. 89–92. [Google Scholar]
- Porterfield, D.W. High-Efficiency Terahertz Frequency Triplers. In Proceedings of the 2007 IEEE/MTT-S International Microwave Symposium, Honolulu, HI, USA, 3–8 June 2007; pp. 337–340. [Google Scholar] [CrossRef]
- Jeong, J.; Jang, D. Design Technique for Harmonic-Tuned RF Power Oscillators for High-Efficiency Operation. IEEE Trans. Ind. Electron. 2015, 62, 221–228. [Google Scholar] [CrossRef]
- Donadio, O. G-Band Waveguide to Microstrip Transition for MMIC Integration. Ph.D. Thesis, Dept. Science and Engineering, Glasgow Univ., Glasgow, UK, January 2012. [Google Scholar]
- Alimenti, F.; Mezzanotte, P.; Roselli, L.; Sorrentino, R. An Equivalent Circuit for the Double Bonding Wire Interconnection. In Proceedings of the IEEE MTT-S International Microwave Symposium Digest, Anaheim, CA, USA, 13–19 June 1999; pp. 633–636. [Google Scholar] [CrossRef]
- Doo, J.; Park, W.; Choe, W.; Jeong, J. Design of Broadband W-band Waveguide Package and Application to Low Noise Amplifier Module. Electronics 2019, 8, 523. [Google Scholar] [CrossRef]














| IS [A] | RS [Ω] | Gleak [μS] | n | Cj0 [fF] | Vj [V] | Cg [fF] | Cp [fF] | Ls [pH] |
|---|---|---|---|---|---|---|---|---|
| 6.66 × 10−17 | 5.9 | 0.0008 | 1.1 | 30 | 0.964 | 5.5 | 2.5 | 17 |
| Frequency | Source | Load |
|---|---|---|
| 45 GHz(f0) | ZS1 = 26.9 + j35.8 Ω | ZL1 = 0.3 − j12.8 Ω |
| 135 GHz(3f0) | ZS3 = 461.1 + j220.1 Ω | ZL3 = 19.4 − j41.7 Ω |
| Reference | Structure | Diode Bias | Frequency (GHz) | Pin (dBm) | Pout,peak (dBm) | Conversion Gain(dB) | 3 dB Bandwidth |
|---|---|---|---|---|---|---|---|
| [14] | Anti-parallel diode pair | Zero bias | 142.5 | 18.5 | 4.5 | −14.0 | 135.0–148.5 GHz (9.5%) |
| [15] | Anti-parallel diode pair | Reverse bias | 116.0 | 29.0 | 22.9 | −6.1 | 101.5–119.5 GHz (16.3%) |
| This work | Anti-parallel diode pair | Zero bias | 123.0 | 20.5 | 5.4 | −15.1 | 118.5–148.5 GHz (22.5%) |
© 2020 by the authors. Licensee MDPI, Basel, Switzerland. This article is an open access article distributed under the terms and conditions of the Creative Commons Attribution (CC BY) license (http://creativecommons.org/licenses/by/4.0/).
Share and Cite
Doo, J.; Kim, J.; Jeong, J. D-Band Frequency Tripler Module Using Anti-Parallel Diode Pair and Waveguide Transitions. Electronics 2020, 9, 1201. https://doi.org/10.3390/electronics9081201
Doo J, Kim J, Jeong J. D-Band Frequency Tripler Module Using Anti-Parallel Diode Pair and Waveguide Transitions. Electronics. 2020; 9(8):1201. https://doi.org/10.3390/electronics9081201
Chicago/Turabian StyleDoo, Jihoon, Jongyoun Kim, and Jinho Jeong. 2020. "D-Band Frequency Tripler Module Using Anti-Parallel Diode Pair and Waveguide Transitions" Electronics 9, no. 8: 1201. https://doi.org/10.3390/electronics9081201
APA StyleDoo, J., Kim, J., & Jeong, J. (2020). D-Band Frequency Tripler Module Using Anti-Parallel Diode Pair and Waveguide Transitions. Electronics, 9(8), 1201. https://doi.org/10.3390/electronics9081201

