Monolithic Miniaturized Differentially-Fed Branch-Line Directional Coupler in GaAs Monolithic Technology
Abstract
1. Introduction
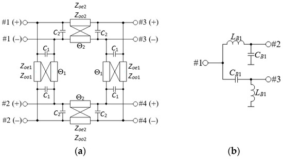
2. Design of a Miniaturized Differentially Fed Branch-Line Directional Coupler
3. Design of a Miniaturized Differentially Fed Branch-Line Directional Coupler in UMS PH25 Technology
4. Conclusions
Author Contributions
Funding
Acknowledgments
Conflicts of Interest
References
- Lee, J.; Trietiakov, Y.V.; Cressler, J.D.; Joseph, A.J. Design of a monolithic 30 GHz branch line coupler in SiGe HBT technology using 3-D EM simulation. In Proceedings of the Topical Meeting on Silicon Monolithic Integrated Circuits in RF Systems, Atlanta, GA, USA, 8–10 September 2004; pp. 274–277. [Google Scholar]
- Osis, D.; Paramesh, J.; Allstot, D.J. Analysis and design of lumped-element quadrature couplers with lossy passive elements. In Proceedings of the IEEE International Symposium on Circuits and Systems, Island of Kos, Greece, 21–24 May 2006; pp. 2317–2320. [Google Scholar]
- Tabarani, F.; Schumacher, H. Compact monolithic spiral quadrature coupler design. In Proceedings of the 13th Conference on Ph.D. Research in Microelectronics and Electronics (PRIME), Taormina, Italy, 12–15 June 2017; pp. 181–184. [Google Scholar]
- Gruszczynski, S.; Smolarz, R.; Wincza, K. Realization of High-Performance Broadband Quadrature Directional Couplers in UMS PH25 Technology. Electronics 2019, 8, 1520. [Google Scholar] [CrossRef]
- Shi, J.; Qiang, J.; Xu, K.; Qin, W.; Zhou, L.; Cao, Q. A differential branch-line coupler. In Proceedings of the IEEE 4th Asia-Pacific Conference on Antennas and Propagation (APCAP), Bali Island, Indonesia, 30 June 2015; pp. 431–432. [Google Scholar]
- Shi, J.; Qiang, J.; Cao, Q. Single-layer Balanced Branch-line Coupler. In Proceedings of the IEEE 5th Asia-Pacific Conference on Antennas and Propagation (APCAP), Kaohsiung, Taiwan, 26–29 July 2016; pp. 17–18. [Google Scholar]
- Wang, Y.; Ma, K.; Mou, S. A Transformer-Based 3-dB Differential Coupler. IEEE Trans. Circuits Syst. 2018, 65, 2151–2160. [Google Scholar] [CrossRef]
- Chang, C.-C.; Pang, Y.-H. Dual-Band Balanced-to-Balanced Rat-Race Coupler with Bandpass Response. In Proceedings of the IEEE Asia Pacific Microwave Conference (APMC), Kuala Lumpur, Malaysia, 13–16 November 2017; pp. 1207–1210. [Google Scholar]
- Duan, X.; Feng, W.; Zhao, Y.; Che, W.; Garcia, R.G. Single-band Balanced Coupler with Wideband Common-mode Suppression. In Proceedings of the International Conference on Microwave and Millimeter Wave Technology (ICMMT), Chengdu, China, 7–11 May 2018; pp. 1–3. [Google Scholar]
- Hamed, K.W.; Freundorfer, A.P.; Antar, Y.M.M. A New Broadband Monolithic Passive Differential Coupler for K/Ka-Band Applications. IEEE Trans. Microw. Theory Tech. 2006, 54, 2527–2533. [Google Scholar] [CrossRef]
- Ng, H.J.; Jahn, M.; Feger, R.; Wagner, C.; Stelzer, A. An efficient SiGe double-balanced mixer with a differential rat-race coupler. In Proceedings of the European Microwave Conference, Nuremberg, Germany, 6–10 October 2013; pp. 1551–1554. [Google Scholar]
- Voineau, F.; Martineau, B.; Sie, M.; Ghiotto, A.; Kerherve, E. A Differential Vertical Hybrid Coupler and Low Capacitance RF Pads for Millimeter-Wave Applications in 28 nm CMOS FDSOI. In Proceedings of the IEEE 18th Topical Meeting on Silicon Monolithic Integrated Circuits in RF Systems (SiRF), Anaheim, CA, USA, 14–17 January 2018; pp. 57–59. [Google Scholar]
- Piekarz, I.; Sorocki, J.; Wincza, K.; Gruszczynski, S. Rat-race directional couplers operating in differential mode. In Proceedings of the IEEE Radio and Wireless Symposium (RWS), Phoenix, AZ, USA, 15–18 January 2017; pp. 184–186. [Google Scholar]
- Gillick, M.; Robertson, I.D.; Joshi, J.S. CPW two-stage balanced monolithic 15 GHz amplifier using reduced-size branchline couplers. In Proceedings of the 23rd European Microwave Conference, Madrid, Spain, 6–10 September 1993; pp. 764–766. [Google Scholar]
- Song, C.; Lo, I.; Boric-Lubecke, O. 2.4 GHz 0.18\mum CMOS Passive Mixer with Integrated Baluns. In Proceedings of the IEEE MTT-S International Microwave Symposium Digest, Boston, MA, USA, 7–12 June 2009; pp. 409–412. [Google Scholar]







© 2020 by the authors. Licensee MDPI, Basel, Switzerland. This article is an open access article distributed under the terms and conditions of the Creative Commons Attribution (CC BY) license (http://creativecommons.org/licenses/by/4.0/).
Share and Cite
Gruszczynski, S.; Smolarz, R.; Wu, C.; Wincza, K. Monolithic Miniaturized Differentially-Fed Branch-Line Directional Coupler in GaAs Monolithic Technology. Electronics 2020, 9, 446. https://doi.org/10.3390/electronics9030446
Gruszczynski S, Smolarz R, Wu C, Wincza K. Monolithic Miniaturized Differentially-Fed Branch-Line Directional Coupler in GaAs Monolithic Technology. Electronics. 2020; 9(3):446. https://doi.org/10.3390/electronics9030446
Chicago/Turabian StyleGruszczynski, Slawomir, Robert Smolarz, Changying Wu, and Krzysztof Wincza. 2020. "Monolithic Miniaturized Differentially-Fed Branch-Line Directional Coupler in GaAs Monolithic Technology" Electronics 9, no. 3: 446. https://doi.org/10.3390/electronics9030446
APA StyleGruszczynski, S., Smolarz, R., Wu, C., & Wincza, K. (2020). Monolithic Miniaturized Differentially-Fed Branch-Line Directional Coupler in GaAs Monolithic Technology. Electronics, 9(3), 446. https://doi.org/10.3390/electronics9030446

