Ultra-Low-Voltage Inverter-Based Amplifier with Novel Common-Mode Stabilization Loop
Abstract
1. Introduction
2. Proposed Pseudo-Differential Inverter-Based Amplifier
2.1. The CMOS Inverter Used as an Amplifier
2.2. Fully Differential, Inverter-Based Amplifiers: Output Common-Mode Stabilization
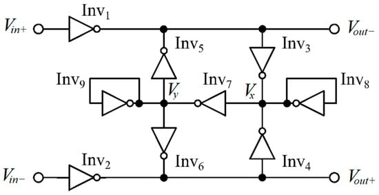
2.3. The Proposed Inverter-Based Fully Differential Amplifier
2.4. Stability of the CMSL
2.5. Sizing of the Demonstrator
3. Results and Discussion
3.1. Temperature and Corner Variations
3.2. Simulations at 0.3 V Supply Voltage
3.3. Comparison with the State of the Art
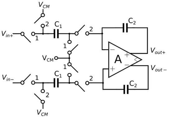
4. Case Studies: Application of the Proposed Amplifier to SC Circuits
4.1. SC Integrator
4.2. S/H Circuit
5. Conclusions
Author Contributions
Funding
Conflicts of Interest
References
- Amirinasab Nasab, M.; Shamshirband, S.; Chronopoulos, A.T.; Mosavi, A.; Nabipour, N. Energy-Efficient Method for Wireless Sensor Networks Low-Power Radio Operation in Internet of Things. Electronics 2020, 9, 320. [Google Scholar] [CrossRef]
- Hu, H.; Islam, T.; Kostyukova, A.; Ha, S.; Gupta, S. From Battery Enabled to Natural Harvesting: Enzymatic BioFuel Cell Assisted Integrated Analog Front-End in 130nm CMOS for Long-Term Monitoring. IEEE Trans. Circuits Syst. I Regul. Pap. 2019, 66, 534–545. [Google Scholar] [CrossRef]
- Bae, W. CMOS Inverter as Analog Circuit: An Overview. J. Low Power Electron. Appl. 2019, 9, 26. [Google Scholar] [CrossRef]
- Cheng, Q.; Li, W.; Tang, X.; Guo, J. Design and Analysis of Three-Stage Amplifier for Driving pF-to-nF Capacitive Load Based on Local Q-Factor Control and Cascode Miller Compensation Techniques. Electronics 2019, 8, 572. [Google Scholar] [CrossRef]
- Haug, k.; Maloberti, F.; Temes, G.C. Switched-capacitor integrators with low finite-gain sensitivity. Electron. Lett. 1985, 21, 1156–1157. [Google Scholar] [CrossRef]
- Bruschi, P.; Catania, A.; Del Cesta, S.; Piotto, M. A Two-Stage Switched-Capacitor Integrator for High Gain Inverter-Like Architectures. IEEE Trans. Circuits Syst. Ii Express Briefs 2020, 67, 210–214. [Google Scholar] [CrossRef]
- Fazli Yeknami, A. A 300-mV ΔΣ Modulator Using a Gain-Enhanced, Inverter-Based Amplifier for Medical Implant Devices. J. Low Power Electron. Appl. 2016, 6, 4. [Google Scholar] [CrossRef]
- Richelli, A.; Colalongo, L.; Kovacs-Vajna, Z.; Calvetti, G.; Ferrari, D.; Finanzini, M.; Pinetti, S.; Prevosti, E.; Savoldelli, J.; Scarlassara, S. A Survey of Low Voltage and Low Power Amplifier Topologies. J. Low Power Electron. Appl. 2018, 8, 22. [Google Scholar] [CrossRef]
- Nauta, B. A CMOS transconductance-C filter technique for very high frequencies. IEEE J. Solid State Circuits 1992, 27, 142–153. [Google Scholar] [CrossRef]
- Rodovalho, L.H. Push–pull based operational transconductor amplifier topologies for ultra low voltage supplies. Analog Integr. Circuits Signal. Process. 2020. [Google Scholar] [CrossRef]
- Vieru, R.G.; Ghinea, R. Inverter-based ultra low voltage differential amplifiers. In Proceedings of the 34th International Semiconductor Conference (CAS 2011), Sinaia, Romania, 17–19 October 2011. [Google Scholar]
- Chatterjee, S.; Tsividis, Y.; Kinget, P. 0.5-V analog circuit techniques and their application in OTA and filter design. IEEE J. Solid State Circuits 2005, 40, 2373–2387. [Google Scholar] [CrossRef]
- Martin, K.; Sedra, A.S. Strays-insensitive switched-capacitor filters based on bilinear Z-transform. Electron. Lett. 1979, 15, 365–366. [Google Scholar] [CrossRef]
- Dessouky, M.; Kaiser, A. Very Low-Voltage Digital-Audio Δ∑ Modulator with 88-dB Dynamic Range Using Local Switch Bootstrapping. IEEE J. Solid State Circuits 2001, 36, 349–355. [Google Scholar] [CrossRef]
- Benvenuti, L.; Catania, A.; Cicalini, M.; Ria, A.; Piotto, M.; Bruschi, M. A 0.3 V 15 nW 69 dB SNDR Inverter-Based Δ∑ Modulator in 0.18 μm CMOS. In Proceedings of the 15th Conference on Ph.D Research in Microelectronics and Electronics (PRIME), Lausanne, Switzerland, 15–18 July 2019. [Google Scholar]
- Van de Plassche; Rudy, J. CMOS Integrated Analog-to-Digital and Digital-to-Analog Converters, 2nd ed.; Springer US: Boston, MA, USA, 2013. [Google Scholar]
- Centurelli, F.; Monsurrò, P.; Pennisi, S.; Scotti, G.; Trifiletti, A. Design solutions for sample-and-hold circuits in CMOS nanometer technologies. IEEE Trans. Circuits Syst. Ii Express Briefs 2009, 56, 459–463. [Google Scholar] [CrossRef]















| Device | Ln (µm) | Wn (µm) | Lp (µm) | Wp (µm) |
|---|---|---|---|---|
| Inv1,2 | 0.18 | 20 | 0.18 | 80 |
| Inv3,4 | 0.18 | 4 | 0.18 | 16 |
| Inv5,6 | 0.18 | 10 | 0.18 | 40 |
| Inv7,8,9 | 0.18 | 1 | 0.18 | 4 |
| Device | Ln (µm) | Wn (µm) | Lp (µm) | Wp (µm) |
|---|---|---|---|---|
| Inv1,2 | 0.18 | 20 | 0.18 | 80 |
| Inv3,4,5,6 | 0.18 | 10 | 0.18 | 40 |
| Parameter | −20 °C | 0 °C | 27 °C | 50 °C | 80 °C |
|---|---|---|---|---|---|
| Add (dB) | 26.11 | 25.7 | 25.16 | 24.72 | 24.15 |
| GBW (kHz) | 17.63 | 45.52 | 131.9 | 279.9 | 634.3 |
| PMCMSL (deg) | 49.6 | 50.19 | 51 | 51.74 | 52.8 |
| PD (nW) | 30.4 | 85.8 | 279 | 649 | 1650 |
| Parameter | This Work | [9] * | [10] | [11]-CFCC | [11]-VFCC | [12] | |
|---|---|---|---|---|---|---|---|
| N° of stages | 1 | 1 | 1 | 2 | 2 | 2 | |
| VDD (V) | 0.3 | 0.5 | 0.5 | 0.5 | 0.6 | 0.6 | 0.5 |
| Add (dB) | 22.6 | 25.2 | 22.68 | 58 | 74 | 78 | 62 |
| GBW (kHz) | 8 | 132 | 130 | 100 | 6.9 × 103 | 6.6 × 103 | 10 × 103 |
| PD (nW) | 10.5 | 279 | 314 | 380 | 13 × 103 | 14 × 103 | 75 × 103 |
| Load (pF) | 10 | 10 | 10 | 10 | 10 | 10 | 20 |
| PM (deg) | 86 | 87 | 86 | 90 | 45 | 50 | 60 |
| FOM (V−1) | 229 | 237 | 207 | 133 | 313 | 287 | 133 |
© 2020 by the authors. Licensee MDPI, Basel, Switzerland. This article is an open access article distributed under the terms and conditions of the Creative Commons Attribution (CC BY) license (http://creativecommons.org/licenses/by/4.0/).
Share and Cite
Manfredini, G.; Catania, A.; Benvenuti, L.; Cicalini, M.; Piotto, M.; Bruschi, P. Ultra-Low-Voltage Inverter-Based Amplifier with Novel Common-Mode Stabilization Loop. Electronics 2020, 9, 1019. https://doi.org/10.3390/electronics9061019
Manfredini G, Catania A, Benvenuti L, Cicalini M, Piotto M, Bruschi P. Ultra-Low-Voltage Inverter-Based Amplifier with Novel Common-Mode Stabilization Loop. Electronics. 2020; 9(6):1019. https://doi.org/10.3390/electronics9061019
Chicago/Turabian StyleManfredini, Giuseppe, Alessandro Catania, Lorenzo Benvenuti, Mattia Cicalini, Massimo Piotto, and Paolo Bruschi. 2020. "Ultra-Low-Voltage Inverter-Based Amplifier with Novel Common-Mode Stabilization Loop" Electronics 9, no. 6: 1019. https://doi.org/10.3390/electronics9061019
APA StyleManfredini, G., Catania, A., Benvenuti, L., Cicalini, M., Piotto, M., & Bruschi, P. (2020). Ultra-Low-Voltage Inverter-Based Amplifier with Novel Common-Mode Stabilization Loop. Electronics, 9(6), 1019. https://doi.org/10.3390/electronics9061019

