Generalized Cascaded Symmetric and Level Doubling Multilevel Converter Topology with Reduced THD for Photovoltaic Applications
Abstract
1. Introduction
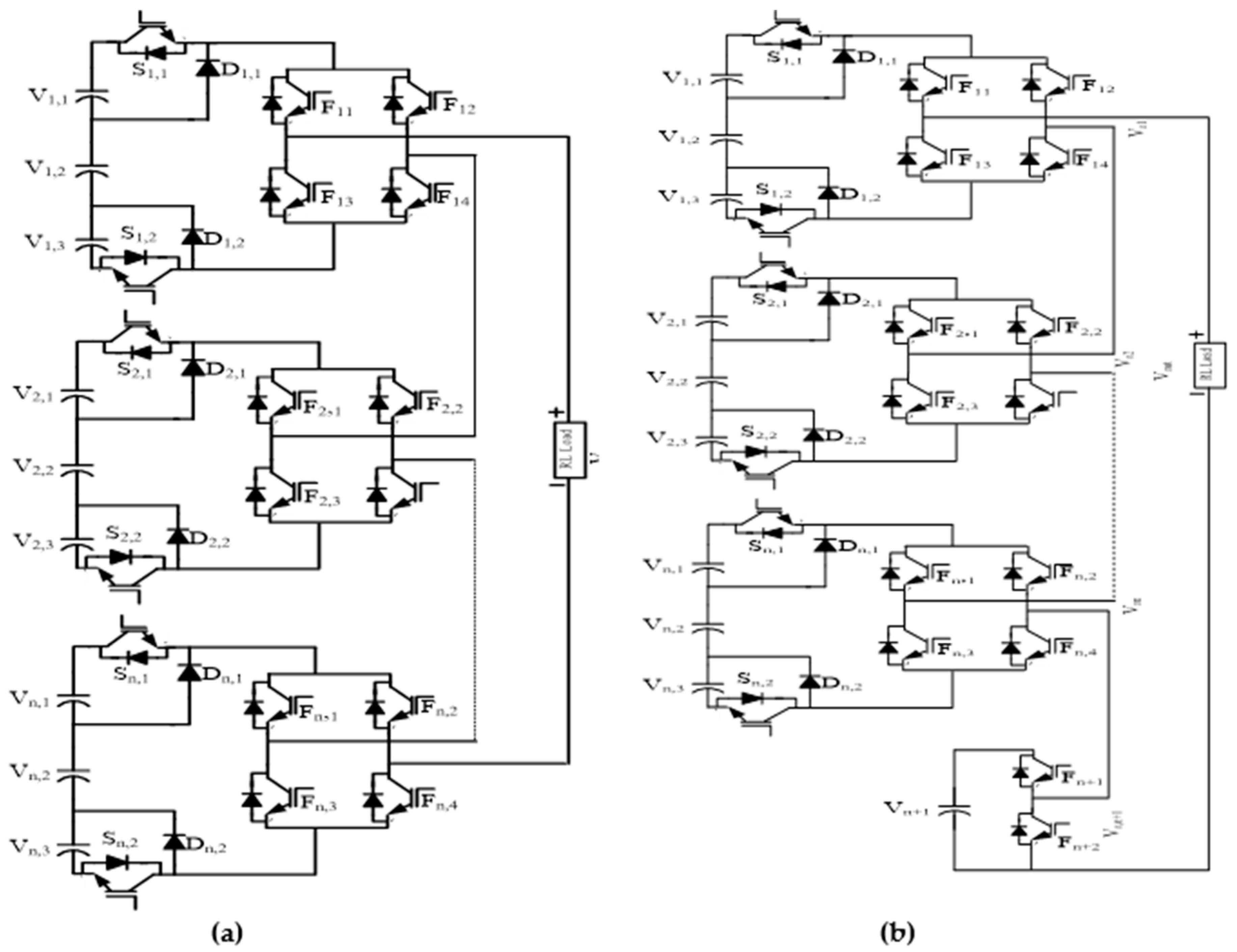
2. Proposed Multilevel Converter
2.1. Proposed Basic Unit
2.2. Proposed Cascaded Topologies
3. Modified DC-Offset Value in the NLM Method
4. Simulation and Experimental Results
- Vpp = 3 × 110 = 330 V, Vrms = Vpp/sqrt (2)
- Vrms = 330/sqrt (2) = 232.2 V
4.1. Seven Level Inverter
4.2. Thirteen-Level Inverter
5. Conclusions
Author Contributions
Funding
Conflicts of Interest
References
- Rodriguez, J.; Lai, J.-S.; Peng, F.Z. Multilevel inverters: A survey of topologies, controls, and applications. IEEE Trans. Ind. Electron. 2002, 49, 724–738. [Google Scholar] [CrossRef]
- Franquelo, L.G.; Rodriguez, J.; Leon, J.I.; Kouro, S.; Portillo, R.; Prats, M.A.M. The age of multilevel converters arrives. IEEE Trans. Ind. Electron. Mag. 2008, 2, 28–39. [Google Scholar] [CrossRef]
- Gupta, K.; Ranjan, A.; Bhatnagar, P.; Sahu, L.; Jain, S. Multilevel Inverter Topologies with Reduced Device Count: A Review. IEEE Trans. Ind. Electron. 2016, 31, 135–151. [Google Scholar] [CrossRef]
- Lee, S.S. Single-Stage Switched-Capacitor Module (S3CM) Topology for Cascaded Multilevel Inverter. IEEE Trans. Power Electron. 2018, 33, 8204–8207. [Google Scholar] [CrossRef]
- Liu, J.; Cheng, K.W.E.; Ye, Y. A Cascaded Multilevel Inverter Based on Switched-Capacitor for High-Frequency AC Power Distribution System. IEEE Trans. Power Electron. 2014, 29, 4219–4230. [Google Scholar] [CrossRef]
- Ye, Y.; Cheng, K.W.E.; Liu, J.; Ding, K. A Step-Up Switched-Capacitor Multilevel Inverter with Self-Voltage Balancing. IEEE Trans. Ind. Electron. 2014, 61, 6672–6680. [Google Scholar] [CrossRef]
- Taghvaie, J.A.; Rezanejad, M. A Self-Balanced Step-Up Multilevel Inverter Based on Switched-Capacitor Structure. IEEE Trans. Power Electron. 2018, 33, 199–209. [Google Scholar] [CrossRef]
- Barzegarkhoo, R.; Moradzadeh, M.; Zamiri, E.; Kojabadi, H.M.; Blaabjerg, F. A New Boost Switched-Capacitor Multilevel Converter with Reduced Circuit Devices. IEEE Trans. Power Electron. 2018, 33, 6738–6754. [Google Scholar] [CrossRef]
- Raman, S.R.; Cheng, K.W.E.; Ye, Y. Multi-Input Switched-Capacitor Multilevel Inverter for High-Frequency AC Power Distribution. IEEE Trans. Power Electron. 2018, 33, 5937–5948. [Google Scholar] [CrossRef]
- Liu, J.; Wu, J.; Zeng, J. Symmetric/Asymmetric Hybrid Multilevel Inverters Integrating Switched-Capacitor Techniques. IEEE J. Emerg. Sel. Top. Power Electron. 2018, 6, 1616–1626. [Google Scholar] [CrossRef]
- Prabaharan, N.; Palanisamy, K. Analysis of cascaded H-bridge multilevel inverter configuration with double level circuit. IET Power Electron. 2017, 10, 1023–1033. [Google Scholar] [CrossRef]
- Carrara, G.; Gardella, S.; Marchesoni, M.; Salutari, R.; Sciutto, G. A new multilevel PWM method: A theoretical analysis. IEEE Trans. Power Electron. 1992, 7, 497–505. [Google Scholar] [CrossRef]
- McGrath, B.P.; Holmes, D.G. Multicarrier PWM strategies for multilevel inverters. IEEE Trans. Ind. Electron. 2002, 49, 858–867. [Google Scholar] [CrossRef]
- Franquelo, L.G.; Prats, M.A.M.; Portillo, R.C.; Galvan, J.I.L.; Perales, M.A.; Carrasco, J.M.; Diez, E.G.; Jimenez, J.L.M. Three dimensional space-vector modulation algorithm for four-leg multilevel converters using ABC coordinates. IEEE Trans. Ind. Electron. 2006, 53, 458–466. [Google Scholar] [CrossRef]
- McGrath, B.P.; Holmes, D.G.; Lipo, T. Optimized space vector switching sequences for multilevel inverters. IEEE Trans. Power Electron. 2003, 18, 1293–1301. [Google Scholar] [CrossRef]
- Govindaraju, C.; Baskaran, K. Efficient Sequential Switching Hybrid-Modulation Techniques for Cascaded Multilevel Inverters. IEEE Trans. Power Electron. 2011, 26, 1639–1648. [Google Scholar] [CrossRef]
- Shukla, A.; Ghosh, A.; Joshi, A. Hysteresis Modulation of Multilevel Inverters. IEEE Trans. Power Electron. 2011, 26, 1396–1409. [Google Scholar] [CrossRef]
- Rahim, N.A.; Selvaraj, J.; Chaniago, K. A novel PWM multilevel inverter for PV application. IEICE Electron. Express 2009, 6, 1105–1111. [Google Scholar] [CrossRef]
- Rekioua, D.; Matagne, E. Optimization of Photovoltaic Power Systems, Modelization, Simulation and Control; Springer: London, UK, 2012; pp. 31–87. [Google Scholar]
- Rathore, A.K.; Holtz, J.; Boller, T. Synchronous optimal pulsewidth modulation for low-switching-frequency control of medium-voltage multilevel inverters. IEEE Trans. Ind. Electron. 2010, 57, 2374–2381. [Google Scholar]
- Rathore, A.; Holtz, J.; Boller, T. Generalized optimal pulsewidth modulation of multilevel inverters for low-switching-frequency control of medium-voltage high-power industrial ac drives. IEEE Trans. Ind. Electron. 2013, 60, 4215–4224. [Google Scholar] [CrossRef]
- Karthikeyan, D.; Krishnasamy, V.; Sathik, M.A.J. Development of a switched diode asymmetric multilevel inverter topology. J. Power Electron. 2018, 18, 418–431. [Google Scholar]
- JagabarSathik, M.A.; Abdel Aleem, S.H.E.; Kannan, R.; Zobaa, A.F. A New Switched DC-Link Capacitor-based Multi-level Converter (SDC2MLC). Electr. Power Compon. Syst. 2017, 45, 1001–1015. [Google Scholar] [CrossRef]















| State | On State Switches | Full Bridge Switches | Output Voltage Level |
|---|---|---|---|
| 0 | − | F11,F12 | 0 V |
| F13,F14 | |||
| 1 | D1, D2 | F11,F14 | +Vdc/3 |
| F12,F13 | −Vdc/3 | ||
| 2 | (S1, D2) or (S2, D1) | F11,F14 | +2Vdc/3 |
| F12,F13 | −2Vdc/3 | ||
| 3 | S1, S2 | F11,F14 | +Vdc |
| F12,F13 | −Vdc |
| S.No | Various Parameters | (SCDCAS) Topology | (SCDHBCAS) Topology |
|---|---|---|---|
| 1. | NLevel | 6n + 1 | 12n + 1 |
| 2. | NSwitches | 6n | 6n + 2 |
| 3. | Ndiode | 2n | 2n |
| 4. | Ncapacitors | 3n | 3n + 1 |
| 5. | Nsource | n | N + 1 |
| 6. | Maxblock | Vdc | Vdc |
| 7. | Tblock | n6 Vdc | (6n + 2) Vdc |
| Description | Specifications |
| PV System | |
| PV Model 12100 | 04 Nos |
| Open Circuit Voltage | 26.8 V |
| Short Circuit Current | 6.2 A |
| Maximum Voltage (Vm) | 21.8 V |
| Maximum Current (Im) | 5.62 A |
| Maximum system DC Voltage | 1000 V |
| Power Tolerance | ±5% |
| Load | |
| Resistance (R) | 150 Ω & 80 Ω |
| Inductor (L) | 70 mH & 80 mH |
| Multilevel Converter | |
| IRF 460 500 V/21 A | 06 & 08 Nos |
| Gate Driver-HCPL316j | 06 & 08 Nos |
| Capacitors | 150 µF |
| FPGA Spartan3E | 1 |
| Snubber Circuits | RCD |
| Results | |
| Output Voltage | 90 V & 120 V |
| Output Current | 0.5 A & 1.51 A |
© 2019 by the authors. Licensee MDPI, Basel, Switzerland. This article is an open access article distributed under the terms and conditions of the Creative Commons Attribution (CC BY) license (http://creativecommons.org/licenses/by/4.0/).
Share and Cite
D, K.; K, V.; M, J.S. Generalized Cascaded Symmetric and Level Doubling Multilevel Converter Topology with Reduced THD for Photovoltaic Applications. Electronics 2019, 8, 161. https://doi.org/10.3390/electronics8020161
D K, K V, M JS. Generalized Cascaded Symmetric and Level Doubling Multilevel Converter Topology with Reduced THD for Photovoltaic Applications. Electronics. 2019; 8(2):161. https://doi.org/10.3390/electronics8020161
Chicago/Turabian StyleD, Karthikeyan, Vijayakumar K, and Jagabar Sathik M. 2019. "Generalized Cascaded Symmetric and Level Doubling Multilevel Converter Topology with Reduced THD for Photovoltaic Applications" Electronics 8, no. 2: 161. https://doi.org/10.3390/electronics8020161
APA StyleD, K., K, V., & M, J. S. (2019). Generalized Cascaded Symmetric and Level Doubling Multilevel Converter Topology with Reduced THD for Photovoltaic Applications. Electronics, 8(2), 161. https://doi.org/10.3390/electronics8020161

