Sub-Transmission Network Expansion Planning Considering Regional Energy Systems: A Bi-Level Approach
Abstract
:1. Introduction
1.1. Literature Review
1.2. Contribution of This Paper
- Introducing RGES as a scalable and competitive player in the sub-transmission expansion planning model. In a feed-in-tariff market space, the investors of RGES and owners of REC are able to make optimal decisions;
- Establishing a bi-level fuzzy multi-criteria optimization method to capture the interaction between RGES and REC for sub-transmission expansion planning;
- Determining an archive of non-dominated solutions (Pareto front) that enables conditional decision-making according to the limitations of a network, such as environmental or legal barriers in lines and substations installation.
1.3. Paper’s Structure
2. Problem Statement and Definition
2.1. Regional Energy System (RGES)
2.2. Regional Electric Company (REC)
3. Problem Formulation
3.1. First-Level Objective Function
Constraints of RGES
3.2. Second-Level Objective Function
REC Constraints
4. Solution Procedure
4.1. Multiobjective Particle Swarm Optimization (MOPSO)
4.2. Fuzzy Satisfying Method (FSM)
4.3. Solution Procedure Description
5. Simulations and Test Results
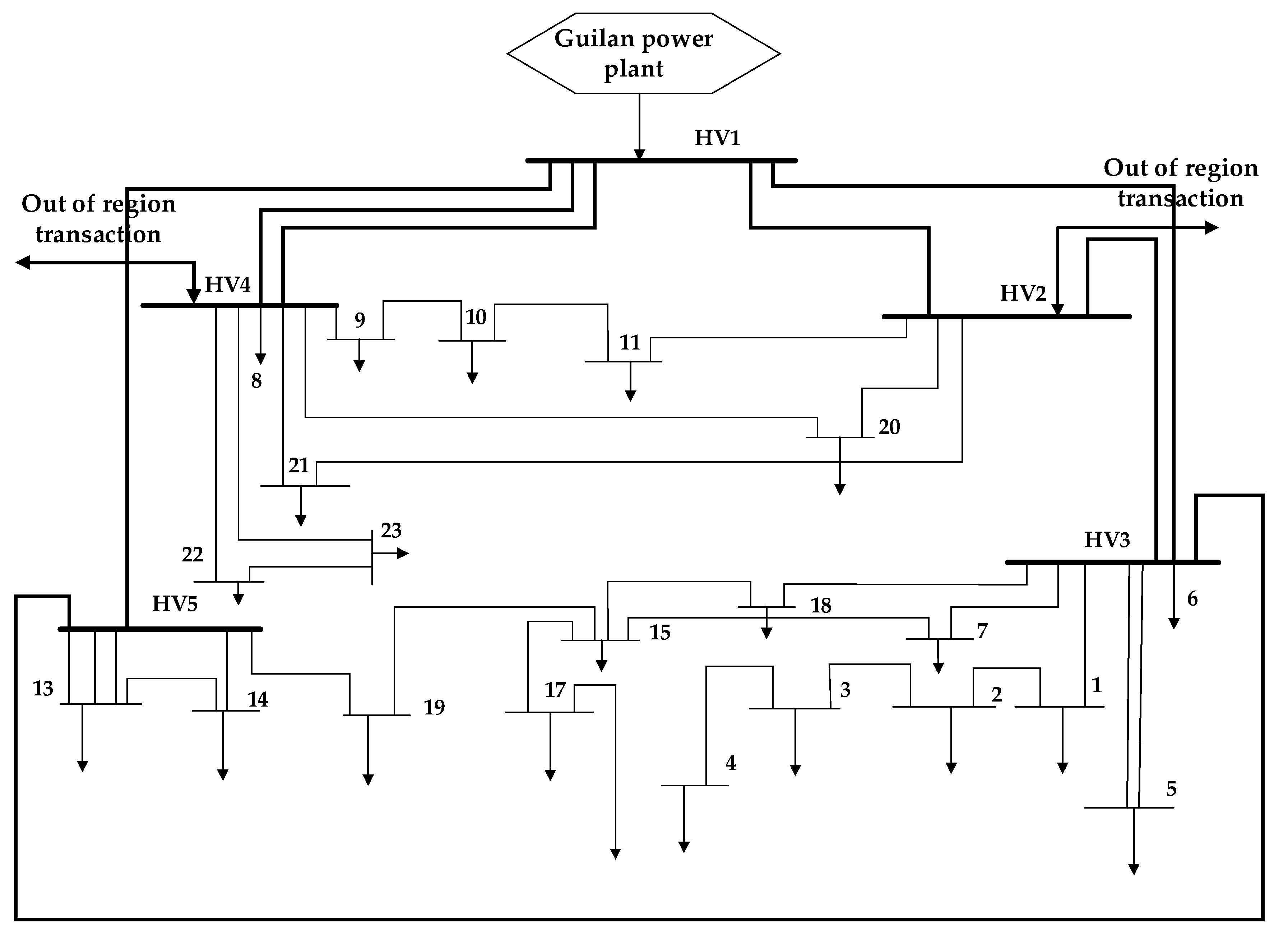
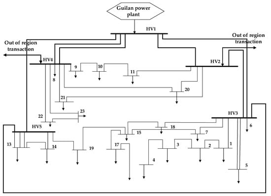
5.1. Input Data
- Base case (traditional sub-transmission expansion planning method): There are no RGES units installed in the local area and the load of the sub-transmission system is totally supplied by the transmission network. This case represents the traditional sub-transmission network model where there is no contribution from local energy sources. Additionally, the optimal expansion planning model for such a network should primarily consider OFREC as an objective.
- Case 2 (the proposed method): In this case, for the base case network, instead of the traditional method, the bi-level approach proposed in this paper is utilized and the results are compared with the results of traditional method for validating the new approach.
5.2. Discussion
5.3. Applying the Fuzzy Satisfying Method for Evaluating MOPSO’s Archive
6. Conclusions
Author Contributions
Funding
Conflicts of Interest
Nomenclature
| Sets | |||
| T | Number of years in the planning horizon. | Lij | The total length of sub-transmission line along the ij path (km) |
| NTS | Number of transmission substations. | Iij | Current flowing through the lines in ij path (A) |
| NSS | Number of sub-transmission substations. | T(.) | Time duration of each load level |
| NLD | Number of load levels. | TG | The number of years electricity is purchased at a regulated tariff by the regional electric Company |
| K | Number of sources in a RGES. | ПG | Electricity price for energy purchasing from upstream utility (Transmission grid) |
| Indices | Пk | Electricity price for energy purchasing from regional energy system’s resources | |
| t | Time index, t = {1, …, T} | ECTS (STSold, STSnew) | The cost of upgrading the capacity of transmission substation j from STSold to STSnew |
| i | Transmission subscript index, i = {1, …, NTS} | ECSS (SSSold, SSSnew) | The cost of upgrading the capacity of sub-transmission substation i from SSSold to SSSnew |
| j, j’ | Sub-transmission subscript indices, j, j’ = {1, …, NSS} | ECSL (SSLold, SSLnew) | The cost of upgrading the capacity of sub-transmission line i from SSLold to SSLnew |
| n | Time duration index, n = {1, 2 …, NLD} | ECTSL (STSLold, STSLnew) | The cost of upgrading the capacity of transmission line j from STSLold to STSLnew |
| k | Energy source index in each regional energy system, k = {1, …, K} | ПG | Electricity price for energy purchasing from upstream utility (Transmission grid) |
| τ | Guaranteed year subscript index, τ = {1, …, TG} | Пk | Electricity price for energy purchasing from RGES’s resources |
| Pop | Population subscript index, Pop = {1, …, Popsize} | rf | The reserve factor of substation which is a number between 0 up to 1 |
| Parameters | LFk | The life time of the kth resource in a RGES | |
| ir | Interest rate | ICk | Installation cost of the kth source in a RGES |
| OFRGES | RGES’s profit function | OCk | Operation cost of the kth source in a RGES |
| I | RGES’s income | SALk | Salvage value of the kth resource in a RGES |
| C | RGES’s cost | Ptr | Total power transaction between considered region and other regions |
| ITG | RGES’s revenue in the guaranteed purchase period | PRGES | Generated power by RGES’ s resources |
| IATG | RGES’s revenue after the guaranteed purchase period | SjLP | The power demand of the jth load point |
| ISAL | Salvage revenue | STSmax | Maximum transformer capacity of transmission substation |
| COC | Operational cost | Rij | The resistance of sub-transmission line along the ij path (Ohm/km) |
| CINV | Investment cost | SSS | Transformer capacity of sub-transmission substation |
| OFREC | REC’s cost function | SL | Sub-transmission Line |
| CSLLC | Cost of transmission/sub-transmissions lines losses | Variables | |
| CUGEC | Cost of the purchased power from the utility (i.e., transmission network), | PG | Imported power from transmission grid into sub-transmission grid |
| CSSEC | Cost of transmission/sub-transmission substations’ expansion, | Pk | Purchased power from the kth sources of RGES |
| CSLEC | Expansion cost of sub-transmission lines | PLOSS | Purchased power from the kth sources of RGES |
| CRGESES | Cost of energy provision paid by the REC to the RGES | αSL, αTSL, αTS, αSS, ϒLP, ϒSS | Binary variables |
| LC | Loss cost factor ($/MWh) |
Appendix A
| Substation (bus #) | Voltage Level (kV) | Existing Capacity (MVA) | Extendable capacity (MVA) | Peak-Load in Base Year (MW) | Mid-Load in Base Year (MW) | Low-Load in Base Year (MW) |
|---|---|---|---|---|---|---|
| 1 | 63/20 | 2*30 | 3*30 | 40 | 19 | 10 |
| 2 | 63/20 | 2*30+15 | 3*30 | 50 | 38 | 17 |
| 3 | 63/20 | 2*40 | 3*40 | 42 | 28 | 15 |
| 4 | 63/20 | 2*40 | 3*40 | 18 | 11 | 7 |
| 5 | 63/20 | 2*40 | 3*40 | 18 | 12 | 7 |
| 6 | 63/20 | 1*30 | 2*30 | 24 | 27 | 6 |
| 7 | 63/20 | 2*15 | 2*30 | 24 | 17 | 6 |
| 8 | 63/20 | 1*15 | 2*15 | 13 | 8 | 3 |
| 9 | 63/20 | 2*15 | 2*30 | 19 | 11 | 4.5 |
| 10 | 63/20 | 2*15 | 2*30 | 30 | 22 | 18 |
| 11 | 63/20 | 2*30 | 3*30 | 36 | 23 | 11 |
| 12 | 63/20 | 2*40 | 3*40 | 34 | 18 | 9.5 |
| 13 | 63/20 | 2*40 | 3*40 | 66 | 45 | 17 |
| 14 | 63/20 | 2*30 | 3*30 | 48 | 24 | 8 |
| 15 | 63/20 | 2*30+1*20 | 3*40 | 61 | 40 | 17 |
| 16 | 63/20 | 2*30 | 3*30 | 56 | 35 | 17 |
| 17 | 63/20 | 2*40 | 3*40 | 66.5 | 51 | 19 |
| 18 | 63/20 | 2*40 | 3*40 | 62 | 48 | 18 |
| 19 | 63/20 | 2*30 | 3*30 | 58 | 36 | 13 |
| 20 | 63/20 | 2*40 | 3*40 | 30 | 18 | 8 |
| 21 | 63/20 | 2*30 | 3*30 | 60 | 34 | 17 |
| 22 | 63/20 | 2*40 | 3*40 | 45 | 21 | 10 |
Appendix B
| Corridor | Length (km) | Capacity (MVA) | Extendable Capacity (MVA) | Corridor | Length (km) | Capacity (MVA) | Extendable Capacity (MVA) |
|---|---|---|---|---|---|---|---|
| HV3-1 | 19.55 | 1*50 | 2*50 | HV5-13 | 2 | 3*50 | 4*50 |
| 1-2 | 9.83 | 1*50 | 2*50 | 13-14 | 10.2 | 1*50 | 2*50 |
| 2-3 | 4.2 | 1*50 | 2*50 | HV4-22 | 9.1 | 1*50 | 2*50 |
| 3-4 | 7.2 | 1*50 | 2*50 | HV4-23 | 11 | 1*50 | 2*50 |
| HV3-5 | 13.36 | 2*50 | 3*50 | 22-23 | 9 | 1*50 | 2*50 |
| HV3-18 | 10.5 | 1*50 | 2*50 | HV4-21 | 11 | 1*50 | 2*50 |
| HV3-7 | 5.79 | 1*50 | 2*50 | HV4-9 | 2 | 1*50 | 2*50 |
| 7-15 | 5.5 | 1*50 | 2*50 | HV4-20 | 6.3 | 1*50 | 2*50 |
| 18-15 | 3.9 | 1*50 | 2*50 | 9-10 | 4.5 | 1*50 | 2*50 |
| 15-17 | 4.8 | 1*50 | 2*50 | 10-11 | 5 | 1*50 | 2*50 |
| 15-19 | 9 | 1*50 | 2*50 | HV2-11 | 1 | 1*50 | 2*50 |
| HV5-19 | 8 | 1*50 | 2*50 | HV2-21 | 11 | 1*50 | 2*50 |
| HV5-14 | 7.8 | 1*50 | 2*50 | HV2-20 | 12.5 | 1*50 | 2*50 |
References
- Fang, X.; Misra, S.; Xue, G.; Yang, D. Smart Grid—The New and Improved Power Grid: A Survey. IEEE Commun. Surv. Tutor. 2011, 14, 944–980. [Google Scholar] [CrossRef]
- Sepasian, M.; Seifi, H.; AkbariForoud, A.; Hosseini, S.; Kabir, E.; Foroud, A. A New Approach for Substation Expansion Planning. IEEE Trans. Power Syst. 2006, 21, 997–1004. [Google Scholar] [CrossRef]
- Rad, H.K.; Moravej, Z. An approach for simultaneous distribution, sub-transmission, and transmission networks expansion planning. Int. J. Electr. Power Energy Syst. 2017, 91, 166–182. [Google Scholar]
- Rad, H.K.; Moravej, Z. Coordinated transmission substations and sub-transmission networks expansion planning incorporating distributed generation. Energy 2017, 120, 996–1011. [Google Scholar]
- Jalali, M.; Zare, K.; Hagh, M.T. A multi-stage MINLP-based model for sub-transmission system expansion planning considering the placement of DG units. Int. J. Electr. Power Energy Syst. 2014, 63, 8–16. [Google Scholar] [CrossRef]
- Asensio, M.; Munoz-Delgado, G.; Contreras, J. A Bi-level Approach to Distribution Network and Renewable Energy Expansion Planning considering Demand Response. IEEE Trans. Power Syst. 2017, 32, 4298–4309. [Google Scholar] [CrossRef]
- Shayeghi, H.; Bagheri, A. Dynamic sub-transmission system expansion planning incorporating distributed generation using hybrid DCGA and LP technique. Int. J. Electr. Power Energy Syst. 2013, 48, 111–122. [Google Scholar] [CrossRef]
- Jain, N.; Singh, S.N.; Srivastava, S.C. Particle swarm optimization based method for optimal siting and sizing of multiple distributed generators. In Proceedings of the 16th National Power Systems Conference, Hyderabad, India, 15–17 December 2010. [Google Scholar]
- Seethapathy, R.; Atwa, Y.; El-Saadany, E.; Salama, M. Optimal Renewable Resources Mix for Distribution System Energy Loss Minimization. IEEE Trans. Power Syst. 2009, 25, 360–370. [Google Scholar]
- Bagheri, A.; Monsef, H.; Lesani, H. Integrated distribution network expansion planning incorporating distributed generation considering uncertainties, reliability, and operational conditions. Int. J. Electr. Power Energy Syst. 2015, 73, 56–70. [Google Scholar] [CrossRef]
- Khayatian, A.; Barati, M.; Lim, G.J. Integrated Microgrid Expansion Planning in Electricity Market with Uncertainty. IEEE Trans. Power Syst. 2017, 33, 3634–3643. [Google Scholar] [CrossRef]
- Moreira, A.; Pozo, D.; Street, A.; Sauma, E. Reliable Renewable Generation and Transmission Expansion Planning: Co-Optimizing System’s Resources for Meeting Renewable Targets. IEEE Trans. Power Syst. 2016, 32, 3246–3257. [Google Scholar] [CrossRef]
- Hemmati, R.; Hooshmand, R.-A.; Khodabakhshian, A. Comprehensive review of generation and transmission expansion planning. IET Gener. Transm. Distrib. 2013, 7, 955–964. [Google Scholar] [CrossRef]
- Vahedipour-Dahraie, M.; Rashidizadeh-Kermani, H.; Anvari-Moghaddam, A. Risk-Constrained Stochastic Scheduling of a Grid-Connected Hybrid Microgrid with Variable Wind Power Generation. Electronics 2019, 8, 577. [Google Scholar] [CrossRef]
- Luo, F.; Yang, J.; Dong, Z.Y.; Meng, K.; Wong, K.P.; Qiu, J. Short-term operational planning framework for virtual power plants with high renewable penetrations. IET Renew. Power Gener. 2016, 10, 623–633. [Google Scholar] [CrossRef]
- Khodaei, A.; Shahidehpour, M. Microgrid-Based Co-Optimization of Generation and Transmission Planning in Power Systems. IEEE Trans. Power Syst. 2012, 28, 1582–1590. [Google Scholar] [CrossRef]
- Moghaddas Tafreshi, S.M.; Navidi, M. Economic Expansion Planning of Sub-Transmission Grid and Regional Virtual Power Plant. J. Energy Manag. Technol. 2019, 3, 65–74. [Google Scholar]
- Vatani, B.; Chowdhury, B.; Lin, J. The role of demand response as an alternative transmission expansion solution in a capacity market. In Proceedings of the IEEE Industry Applications Society Annual Meeting, Cincinnati, OH, USA, 1–5 October 2017. [Google Scholar]
- Garcia-Bertrand, R.; Minguez, R. Dynamic Robust Transmission Network Expansion Planning. IEEE Trans. Power Syst. 2016, 32, 2618–2628. [Google Scholar] [CrossRef]
- Roh, J.H.; Shahidehpour, M.; Fu, Y. Market-Based Coordination of Transmission and Generation Capacity Planning. IEEE Trans. Power Syst. 2007, 22, 1406–1419. [Google Scholar] [CrossRef]
- Tafreshi, S.M.M.; Lahiji, A.S. Long-Term Market Equilibrium in Smart Grid Paradigm with Introducing Demand Response Provider in Competition. IEEE Trans. Smart Grid 2015, 6, 2794–2806. [Google Scholar] [CrossRef]
- Lahiji, A.S.; Tafreshi, S.M.M. Merchant transmission planning in smart paradigm with introducing demand response aggregator in wholesale market. Int. Trans. Electr. Energy Syst. 2016, 26, 2148–2171. [Google Scholar] [CrossRef]
- Asadzadeh, V.; Golkar, M.A.; Moghaddas-Tafreshi, S.M. Economics-based transmission expansion planning in restructured power systems using decimal codification genetic algorithm. In Proceedings of the IEEE Jordan Conference on Applied Electrical Engineering and Computing Technologies (AEECT), Amman, Jordan, 6–8 December 2011; pp. 1–8. [Google Scholar]
- Gan, W.; Ai, X.; Fang, J.; Yan, M.; Yao, W.; Zuo, W.; Wen, J. Security constrained co-planning of transmission expansion and energy storage. Appl. Energy 2019, 239, 383–394. [Google Scholar] [CrossRef]
- Sardou, I.G.; Azad-Farsani, E. Network expansion planning with microgrid aggregators under uncertainty. IET Gener. Transm. Distrib. 2018, 12, 2105–2114. [Google Scholar] [CrossRef]
- Antunes, C.H. Multiobjective Optimization in the Energy Sector: Selected Problems and Challenges. In Economic Dynamics; Springer Science and Business Media LLC: Berlin/Heidelberg, Germany, 2019; pp. 357–370. [Google Scholar]
- Khan, I. Power generation expansion plan and sustainability in a developing country: A multi-criteria decision analysis. J. Clean. Prod. 2019, 220, 707–720. [Google Scholar] [CrossRef]
- Behera, S.R.; Panigrahi, B.K. A multi objective approach for placement of multiple DGs in the radial distribution system. Int. J. Mach. Learn. Cybern. 2019, 10, 2027–2041. [Google Scholar] [CrossRef]
- Hlal, M.I.; Ramachandaramurthya, V.K.; Padmanaban, S.; Kaboli, H.R.; Pouryekta, A.; Abdullah, T.A.R.B.T. NSGA-II and MOPSO Based Optimization for Sizing of Hybrid PV/Wind/Battery Energy Storage System. Int. J. Power Electron. Drive Syst. 2019, 10, 463–478. [Google Scholar] [CrossRef]
- Zhang, J.; Cho, H.; Mago, P.J.; Zhang, H.; Yang, F. Multi-Objective Particle Swarm Optimization (MOPSO) for a Distributed Energy System Integrated with Energy Storage. J. Therm. Sci. 2019, 28, 1221–1235. [Google Scholar] [CrossRef]
- Available online: http://www.tavanir.org (accessed on 17 April 2016).
- Coello, C.C.; Lechuga, M.S. MOPSO: A proposal for multiple objective particle swarm optimization. In Proceedings of the Congress on Evolutionary Computation. CEC’02 (Cat. No.02TH8600), Honolulu, HI, USA, 12–17 May 2002. [Google Scholar]
- Wöhling, T.; Vrugt, J.A.; Barkle, G.F. Comparison of Three Multiobjective Optimization Algorithms for Inverse Modeling of Vadose Zone Hydraulic Properties. Soil Sci. Soc. Am. J. 2008, 72, 305. [Google Scholar] [CrossRef]
- Anvari-Moghaddam, A.; Seifi, A.; Niknam, T. Multi-operation management of a typical micro-grids using Particle Swarm Optimization: A comparative study. Renew. Sustain. Energy Rev. 2012, 16, 1268–1281. [Google Scholar] [CrossRef]
- Anvari-Moghaddam, A.; Seifi, A.; Niknam, T.; Pahlavani, M.R.A. Multi-objective operation management of a renewable MG (micro-grid) with back-up micro-turbine/fuel cell/battery hybrid power source. Energy 2011, 36, 6490–6507. [Google Scholar] [CrossRef]
- Foroud, A.A.; Amirahmadi, M.; Bahmanzadeh, M.; Abdoos, A.A. Optimal bidding strategy for all market players in a wholesale power market considering demand response programs. Eur. Trans. Electr. Power 2011, 21, 293–311. [Google Scholar] [CrossRef]






| Parameter | Value | Parameter | Value |
|---|---|---|---|
| Interest rate (%) | 5 | Duration of night low-load(h) | 1500 |
| Number of planning years | 5 | Duration of day peak-load(h) | 600 |
| Annual growth rate of the guaranteed purchase (%) | 7 | Duration of day mid-load(h) | 2260 |
| Maximum allowed voltage drop | 5 | Duration of day low-load(h) | 1000 |
| Maximum RGES’s resources penetration (%) | 50 | Transmission electricity price in the peak-load level ($/MWh) | 50 |
| Installation cost of DG units ($/MW) | 200,000 | Transmission electricity price in the mid-load level ($/MWh) | 30 |
| Operating cost of DG units ($/MWh) | 25 | Transmission electricity price in the low-load level ($/MWh) | 20 |
| RGEC electricity price in the peak-load level ($/MWh) | 60 | Cost of DR in the peak-load level ($/MWh) | 80 |
| RGEC electricity price in the mid-load level ($/MWh) | 35 | Cost of DR in the mid-load level ($/MWh) | 40 |
| RGEC electricity price in the low-load level ($/MWh) | 25 | Cost of DR in the low-load level ($/MWh) | 30 |
| Duration of night—peak load(h) | 400 | Penalty cost of load loss in sub-transmission ($/MWh) | 15.22 |
| Duration of night—mid load(h) | 3000 |
| Parameter | Value |
|---|---|
| Secondary voltage of sub-transmission substation (KV) | 20 |
| Cost of transformer capacity increment ($/MVA) | 12,500 |
| Cost of each MV bay installation (with maximum capacity of 7 MW) ($) | 2850 |
| Cost of each HV (63 kV) bay installation (with maximum capacity of 50 MVA) ($) | 285,000 |
| Cost of 63 kV overhead line extension with 50 MVA capacity ($/km) | 80,000 |
| Cost of 230 KV overhead line extension with 250 MVA capacity ($/km) | 200,000 |
| Parameter | Value |
|---|---|
| Number of iterations | 100 |
| Number of population | 200 |
| Repository size | 10 |
| Inertia coefficient | 0.5 |
| Mutation rate | 0.5 |
| C1 | 1.5 |
| C2 | 2 |
| [Prices Are in Dollars] | OFREC (*106) | OFRGES (*106) | Line Cost (SLEC) (*106) | Substation Cost (SSEC) (*106) | Loss Cost (SLLC) (*106) | (UGEC) (*106) |
|---|---|---|---|---|---|---|
| Base case (Traditional) | 1375 | 0 | 72 | 95 | 43 | 1150 |
| Pareto (1) | 1072 | 296 | 12 | 18.79 | 11.64 | 678.5 |
| Pareto (2) | 1350 | 784 | 4.98 | 9.74 | 10.33 | 343.3 |
| Pareto (3) | 1197 | 524 | 8.76 | 10.43 | 10.85 | 534 |
| Pareto (4) | 1170 | 481 | 5.63 | 10.49 | 11.18 | 558 |
| Pareto (5) | 1140 | 425 | 52.16 | 11.53 | 11.13 | 602 |
| Pareto (6) | 1327 | 743 | 4.78 | 9.55 | 10.31 | 399 |
| Pareto (7) | 1092 | 330 | 13 | 19.58 | 11.28 | 655.7 |
| Pareto (8) | 1309 | 714 | 4.98 | 9.18 | 10.6 | 420 |
| Pareto (9) | 1213 | 544 | 8.55 | 10.86 | 10.8 | 418 |
| Pareto (10) | 1156 | 442 | 8.56 | 18.60 | 10.91 | 569 |
| Pareto (1) | Pareto (2) | Pareto (3) | Pareto (4) | Pareto (5) | |
|---|---|---|---|---|---|
| (μ(PF), μ(C)) | (0.8, 0.37) | (0.1, 0.98) | (0.47, 0.65) | (0.54, 0.6) | (0.63, 0.53) |
| Pareto (6) | Pareto (7) | Pareto (8) | Pareto (9) | Pareto (10) | |
|---|---|---|---|---|---|
| (μ(PF), μ(C)) | (0.13, 0.93) | (0.75, 0.41) | (0.18, 0.89) | (0.43, 0.68) | (0.58, 0.55) |
© 2019 by the authors. Licensee MDPI, Basel, Switzerland. This article is an open access article distributed under the terms and conditions of the Creative Commons Attribution (CC BY) license (http://creativecommons.org/licenses/by/4.0/).
Share and Cite
Navidi, M.; Moghaddas Tafreshi, S.M.; Anvari-Moghaddam, A. Sub-Transmission Network Expansion Planning Considering Regional Energy Systems: A Bi-Level Approach. Electronics 2019, 8, 1416. https://doi.org/10.3390/electronics8121416
Navidi M, Moghaddas Tafreshi SM, Anvari-Moghaddam A. Sub-Transmission Network Expansion Planning Considering Regional Energy Systems: A Bi-Level Approach. Electronics. 2019; 8(12):1416. https://doi.org/10.3390/electronics8121416
Chicago/Turabian StyleNavidi, Mohammad, Seyed Masoud Moghaddas Tafreshi, and Amjad Anvari-Moghaddam. 2019. "Sub-Transmission Network Expansion Planning Considering Regional Energy Systems: A Bi-Level Approach" Electronics 8, no. 12: 1416. https://doi.org/10.3390/electronics8121416
APA StyleNavidi, M., Moghaddas Tafreshi, S. M., & Anvari-Moghaddam, A. (2019). Sub-Transmission Network Expansion Planning Considering Regional Energy Systems: A Bi-Level Approach. Electronics, 8(12), 1416. https://doi.org/10.3390/electronics8121416

