Low-Power Silicon-Based Frequency Dividers: An Overview
Abstract
1. Introduction
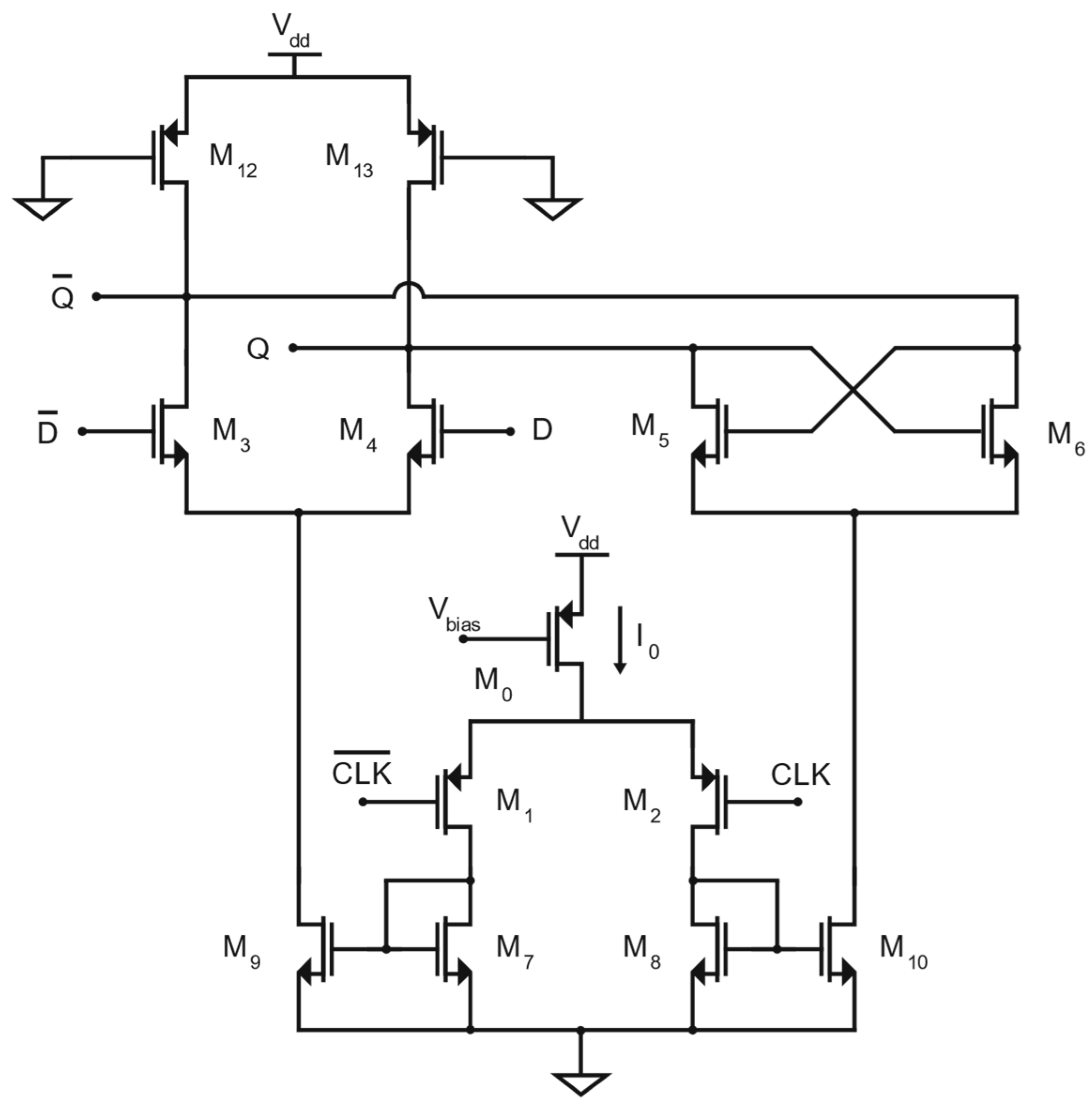
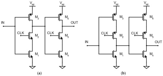
2. Current Mode Logic (CML) Frequency Dividers
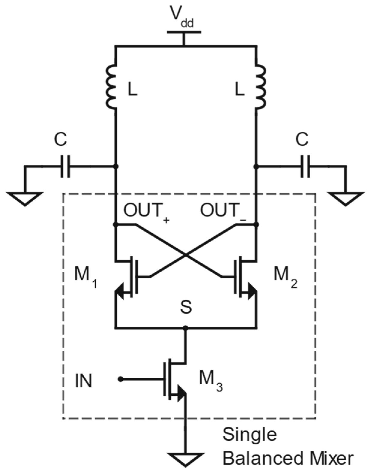
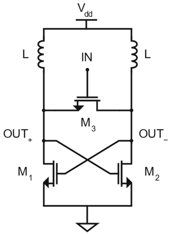
3. Injection-Locked Frequency Dividers (ILFDs)
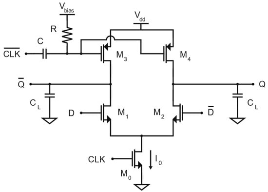
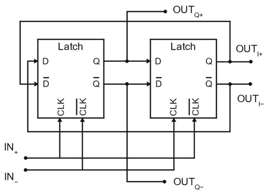
4. True Single-Phase Clock (TSPC) Frequency Dividers
5. Future Outlooks: 28 nm Process Technology, FinFETs, 3D Integration, AI-Based Optimization
6. Discussion
7. Conclusions
Author Contributions
Funding
Data Availability Statement
Conflicts of Interest
References
- Peng, Y.; Benserhir, J.; Zou, Y.; Charbon, E. A Cryogenic Double-IF SSB Controller with Image Suppression and On-Chip Filtering Implemented in 130 nm SiGe BiCMOS Technology for Superconducting Qubit Control. In Proceedings of the IEEE Custom Integrated Circuits Conference (CICC), Denver, CO, USA, 21–24 April 2024; pp. 1–2. [Google Scholar] [CrossRef]
- Badiali, A.; Borgarino, M. Cryo-CMOS Multi-Frequency Modulator for 2-Qubit Controller. Electronics 2024, 13, 2546. [Google Scholar] [CrossRef]
- Lai, W.-C.; Jang, S.-L.; Li, C.-L. A Dual Band Divide-by-Four Frequency Divider for Biomedical Sensor and Wearable Applications. In Proceedings of the International Microsystems, Packaging, Assembly and Circuits Technology Conference (IMPACT), Taipei, Taiwan, 26–28 October 2016; pp. 259–261. [Google Scholar] [CrossRef]
- Grewal, S.; Shah, O.A. Design and Analysis of High-Performance Frequency Divider in 32 nm CMOS Technology for Biomedical Applications. Int. J. Online Biomed. Eng. (Ijoe) 2023, 19, 69–87. [Google Scholar] [CrossRef]
- Matig-a, G.E.; Yuce, M.R.; Redouté, J.-M. Design of a CML Transceiver with Self-Immunity to EMI in 0.18-μm CMOS. IEEE Trans. Circuits Syst. I Regul. Pap. 2017, 64, 981–991. [Google Scholar] [CrossRef]
- Casper, B.; O’Mahony, F. Clocking Analysis, Implementation, and Measurement Techniques for High-Speed Data Links—A Tutorial. IEEE Trans. Circuits Syst. I Regul. Pap. 2009, 56, 17–39. [Google Scholar] [CrossRef]
- Waks, A.; Tesson, O.; Bellanger, M.; Taris, T.; Begueret, J.-B. Design of a 5G Application CML Frequency Divider for Improved Efficiency. In Proceedings of the European Microwave Integrated Circuits Conference (EuMIC), Milan, Italy, 26–27 September 2022; pp. 21–24. [Google Scholar] [CrossRef]
- Wang, D.; Bazzi, A.; Chafii, M. RIS-Enabled Integrated Sensing and Communication for 6G Systems. In Proceedings of the IEEE Wireless Communications and Networking Conference (WCNC), Dubai, United Arab Emirates, 21–24 April 2024; pp. 1–6. [Google Scholar] [CrossRef]
- Wang, Y.; Liu, Y.; Xu, H.; Li, Z.; Li, Z. A Wideband and Low Reference Spur PLL with Clock Feedthrough Suppressed and Low Current Mismatch Charge Pump and Symmetrical CML Divider. Electronics 2023, 12, 4164. [Google Scholar] [CrossRef]
- Ghilioni, A.; Mazzanti, A.; Svelto, F. Analysis and Design of Mm-Wave Frequency Dividers Based on Dynamic Latches with Load Modulation. IEEE J. Solid-State Circuits 2013, 48, 1842–1850. [Google Scholar] [CrossRef]
- Hao, C.W.; Hemel, M.S.K.; Bhuiyan, M.A.S.; Reaz, M.B.I.; Almohamad, T.A.; Minhad, K.N. Design Study of a Frequency Divider Using Injection Locking Technique for RF Communication Transceiver. In Proceedings of the IEEE International Conference on Artificial Intelligence in Engineering and Technology (IICAIET), Kota Kinabalu, Malaysia, 12–14 September 2023; pp. 1–4. [Google Scholar] [CrossRef]
- Jung, M.; Fischer, G.; Weigel, R.; Ussmueller, T. A Low Power Divider for High-Frequency FMCW-Based Localization Systems. In Proceedings of the IEEE International Conference on Wireless Information Technology and Systems (ICWITS), Maui, HI, USA, 11–16 November 2012; pp. 1–4. [Google Scholar] [CrossRef]
- Ikebe, M.; Takada, Y.; Ohuchi, M.; Motohisa, J.; Sano, E. The Design of High-Frequency True Single-Phase Clocking Divider-by-3 Circuit. Int. J. Circuits Syst. Signal Process. 2008, 2, 219–228. [Google Scholar]
- Gimeno, C.; Flandre, D.; Schramme, M.; Frenkel, C.; Bol, D. A 2.24-pJ/bit 2.5-Gb/s UWB Receiver in 28-nm FDSOI CMOS for Low-Energy Chip-to-Chip Communications. AEU-Int. J. Electron. Commun. 2020, 114, 152996. [Google Scholar] [CrossRef]
- Tibenszky, Z.; KreiBig, M.; Carta, C.; Ellinger, F. A 0.35-mW 70-GHz Self-Resonant E-TSPC Frequency Divider with Backgate Adjustment. IEEE Trans. Microw. Theory Technol. 2022, 70, 2236–2245. [Google Scholar] [CrossRef]
- Borgarino, M.; Polemi, A.; Mazzanti, A. Low-Cost Integrated Microwave Radiometer Front-End for Industrial Applications. IEEE Trans. Microw. Theory Technol. 2009, 57, 3011–3018. [Google Scholar] [CrossRef]
- Kebe, M.; Sanduleanu, M. A Low-Phase-Noise 8 GHz Linear-Band Sub-Millimeter-Wave Phase-Locked Loop in 22 nm FD-SOI CMOS. Micromachines 2023, 14, 1010. [Google Scholar] [CrossRef] [PubMed]
- Rabaey, J.M.; Chandrakasan, A.; Nikolic, B. Digital Integrated Circuit—A Design Perspective, 2nd ed.; Prentice Hall: Hoboken, NJ, USA, 2002; ISBN 978-0130909963. [Google Scholar]
- Bonfanti, A.; Tedesco, A.; Samori, C.; Lacaita, A.L. A 15-GHz Broad-Band ÷2 Frequency Divider in 0.13μm CMOS for Quadrature Generation. IEEE Microw. Wirel. Compon. Lett. 2005, 15, 724–726. [Google Scholar] [CrossRef]
- Razavi, B. RF Microelectronics, 2nd ed.; Pearson, Prentice Hall: Hoboken, NJ, USA, 2011; ISBN 13: 978-0-13-713473-1. [Google Scholar]
- Zhu, M.; Zhao, D. Geometric Analysis and Systematic Design of Millimeter-Wave Low-Power Frequency Dividers in 65-nm CMOS. IEEE Access 2020, 8, 20658–20665. [Google Scholar] [CrossRef]
- Gira, G.; Ferraro, E.; Borgarino, M. On the VCO/Frequency Divider Interface in Cryogenic CMOS PLL for Quantum Computing Applications. Electronics 2021, 10, 2404. [Google Scholar] [CrossRef]
- Kim, D.D.; Kim, J.; Cho, C. A 94GHz Locking Hysteresis-Assisted and Tunable CML Static Divider in 65nm SOI CMOS. In Proceedings of the 2008 IEEE International Solid-State Circuits Conference—Digest of Technical Papers, San Francisco, CA, USA, 3–7 February 2008; pp. 460–628. [Google Scholar] [CrossRef]
- Kim, D.D.; Cho, C.; Kim, J.; Plouchart, J.-O.; Lim, D. A Low-Power mmWave CML Prescaler in 65nm SOI CMOS Technology. In Proceedings of the 2008 IEEE Compound Semiconductor Integrated Circuits Symposium, Monterey, CA, USA, 12–15 October 2008; pp. 1–4. [Google Scholar] [CrossRef]
- Szilagyi, L.; Belfiore, G.; Henker, R.; Ellinger, F. Low Power Inductor-Less CML Latch and Frequency Divider for Full-Rate 20 Gbps in 28-Nm CMOS. In Proceedings of the 2014 10th Conference on Ph.D. Research in Microelectronics and Electronics (PRIME), Grenoble, France, 30 June–3 July 2014; pp. 1–4. [Google Scholar] [CrossRef]
- Tang, S.; Lin, Y.; Huang, W.; Lu, C.; Wang, Y. A Current-Mode-Logic-Based Frequency Divider with Ultra-Wideband and Octet Phases. Prog. Electromagn. Res. M 2018, 68, 89–98. [Google Scholar] [CrossRef]
- Kuo, Y.; Yang, M.; Liu, C. Design and Analysis of a Dual Clock Edge-Triggered Divide-by-Four Divider. IEEE Microw. Wirel. Technol. Lett. 2023, 33, 451–454. [Google Scholar] [CrossRef]
- Xiao, L.; Li, Y.; Chen, H.; Chen, Y.; Huang, Z.; Ke, P.; Li, X. A Novel Design Method for CML Frequency Divider Based on C/Id and G/Id and Application for Quadrature-Injection CML Frequency Dividers. IEEE Trans. Circuits Syst. I Reg. Pap. 2024, 1, 1–12. [Google Scholar] [CrossRef]
- Knapp, H.; Meister, T.F.; Liebl, W.; Claeys, D.; Popp, T.; Aufinger, K.; Schafer, H.; Bock, J.; Boguth, S.; Lachner, R. Static Frequency Dividers up to 133GHz in SiGe:C Bipolar Technology. In Proceedings of the 2010 IEEE Bipolar/BiCMOS Circuits and Technology Meeting (BCTM), Austin, TX, USA, 4–6 October 2010; pp. 29–32. [Google Scholar] [CrossRef]
- Vogelsang, F.; Bredendiek, C.; Schöpfel, J.; Rücker, H.; Pohl, N. A Static Frequency Divider up to 163 GHz in SiGe-BiCMOS Technology. In Proceedings of the 2022 IEEE BiCMOS and Compound Semiconductor Integrated Circuits and Technology, Phoenix, AZ, USA, 16–19 October 2022. [Google Scholar] [CrossRef]
- Centurelli, F.; Monsurrò, P.; Scotti, G.; Tommasino, P.; Trifiletti, A. A Power Efficient Frequency Divider With 55 GHz Self-Oscillating Frequency in SiGe BiCMOS. Electronics 2020, 9, 1968. [Google Scholar] [CrossRef]
- Chien, H.-Y.; Chen, C.; Woo, J.; Pamarti, S.; Yang, C.-K.K.; Chang, M.-C.F. A Low Power 100 GHz Static CML Frequency Divider in 0.18 μm SiGe BiCMOS Technology. In Proceedings of the 2023 IEEE 23rd Topical Meeting on Silicon Monolithic Integrated Circuits in RF Systems, Las Vegas, NV, USA, 22–25 January 2023; pp. 22–24. [Google Scholar] [CrossRef]
- Chien, H.-Y.; Chen, C.; Chen, R.; Woo, J.; Pamarti, S.; Chang, M.-C.F.; Yang, C.-K.K. A Low Power 185 GHz Static CML Frequency Divider in SiGe HBTs Using Band-Switching Technique in 45nm PDSOI BiCMOS. In Proceedings of the 2024 IEEE/MTT-S International Microwave Symposium—IMS 2024, Washington, DC, USA, 16–21 June 2024; pp. 174–177. [Google Scholar] [CrossRef]
- Chevalier, P.; Liebl, W.; Rucker, H.; Gauthier, A.; Manger, D.; Heinemann, B.; Avenier, G.; Bock, J. SiGe BiCMOS Current Status and Future Trends in Europe. In Proceedings of the 2018 IEEE BiCMOS and Compound Semiconductor Integrated Circuits and Technology Symposium (BCICTS), San Diego, CA, USA, 15–17 October 2018; pp. 64–71. [Google Scholar] [CrossRef]
- Addala, D.; Sinha, S.K. Review on FDSOI Based FET Devices for Low Power Applications. In Proceedings of the 2021 2nd International Conference for Emerging Technology (INCET), Belagavi, India, 21–23 May 2021; pp. 1–7. [Google Scholar] [CrossRef]
- Issakov, V.; Trotta, S.; Knapp, H. Low-voltage flip-flop-based frequency divider up to 92-GHz in 130-nm SiGe BiCMOS technology. In Proceedings of the 2017 Integrated Nonlinear Microwave and Millimeter-wave Circuits Workshop (INMMiC), Graz, Austria, 20–21 April 2017; pp. 1–3. [Google Scholar] [CrossRef]
- Centurelli, F.; Scotti, G.; Palumbo, G. A Very-Low-Voltage Frequency Divider in Folded MOS Current Mode Logic With Complementary n- and p-Type Flip-Flops. IEEE Trans. Very Large Scale Integr. (VLSI) Syst. 2021, 29, 998–1008. [Google Scholar] [CrossRef]
- Hietanen, M.; Aikio, J.; Akbar, R.; Rahkonen, T.; Pärssinen, A. A 28 GHz Static CML Frequency Divider with Back-Gate Tuning on 22-nm CMOS FD-SOI Technology. In Proceedings of the 2019 IEEE 19th Topical Meeting on Silicon Monolithic Integrated Circuits in RF Systems (SiRF), Orlando, FL, USA, 20–23 January 2019; pp. 1–3. [Google Scholar] [CrossRef]
- Issakov, V.; Trotta, S. Low-power dual-modulus frequency divider by 4/5 up to 13-GHz in 0.13μm CMOS. In Proceedings of the 2017 IEEE International Conference on Microwaves, Antennas, Communications and Electronic Systems (COMCAS), Tel-Aviv, Israel, 13–15 November 2017; pp. 1–4. [Google Scholar] [CrossRef]
- Vigilante, M.; Reynaert, P. A 25–102 GHz 2.81–5.64 mW Tunable Divide-by-4 in 28 nm CMOS. In Proceedings of the 2015 IEEE Asian Solid-State Circuits Conference (A-SSCC), Xia’men, China, 9–11 November 2015; pp. 1–4. [Google Scholar] [CrossRef]
- Adler, R. A study of locking phenomena in oscillators. Proc. IEEE 1973, 61, 1380–1385. [Google Scholar] [CrossRef]
- Rategh, H.R.; Lee, T.H. Superharmonic injection-locked frequency dividers. IEEE J. Solid-State Circuits 1999, 34, 813–821. [Google Scholar] [CrossRef]
- Buonomo, A.; Lo Schiavo, A. Modeling, Analysis, and Experimental Validation of Frequency Dividers with Direct Injection. J. Electr. Comput. Eng. 2013, 2013, 365692. [Google Scholar] [CrossRef]
- Tiebout, M. A CMOS direct injection-locked oscillator topology as high-frequency low-power frequency divider. IEEE J. Solid-State Circuits 2004, 39, 1170–1174. [Google Scholar] [CrossRef]
- Razavi, B. A study of injection locking and pulling in oscillators. IEEE J. Solid-State Circuits 2004, 39, 1415–1424. [Google Scholar] [CrossRef]
- Zhang, J.; Liu, H.; Wu, Y.; Zhao, C.; Kang, K. A 27.9–53.5-GHz transformer-based injection-locked frequency divider with 62.9% locking range. In Proceedings of the 2017 IEEE Radio Frequency Integrated Circuits Symposium (RFIC), Honolulu, HI, USA, 4–6 June 2017; pp. 324–327. [Google Scholar] [CrossRef]
- Hsu, W.-L.; Chen, C.-Z.; Lin, Y.-S.; Chen, C.-C. A 2 mW, 55.8-GHz CMOS injection-locked frequency divider with 7.1-GHz locking range. In Proceedings of the 2009 IEEE Radio and Wireless Symposium, San Diego, CA, USA, 18–22 January 2009; pp. 582–585. [Google Scholar] [CrossRef]
- Cheng, J.; Tsai, J.; Huang, T. Design of a 90.9% Locking Range Injection-Locked Frequency Divider With Device Ratio Optimization in 90-nm CMOS. IEEE Trans. Microw. Theory Techn. 2017, 65, 187–197. [Google Scholar] [CrossRef]
- Wan, C.; Xu, T.; Xue, Q. A Divide-by-Three ILFD With Second Harmonic Enhancement. IEEE Microw. Wirel. Compon. Lett. 2022, 32, 49–51. [Google Scholar] [CrossRef]
- Takatsu, K.; Tamura, H.; Yamamoto, T.; Doi, Y.; Kanda, K.; Shibasaki, T.; Kuroda, T. A 60-GHz 1.65mW 25.9% Locking Range Multi-Order LC Oscillator-Based Injection Locked Frequency Divider in 65nm CMOS. In Proceedings of the IEEE Custom Integrated Circuits Conference, San Jose, CA, USA, 19–22 September 2010; pp. 1–4. [Google Scholar] [CrossRef]
- Chien, J.-C.; Lu, L.-H. 40GHz Wide-Locking-Range Regenerative Frequency Divider and Low-Phase-Noise Balanced VCO in 0.18 μm CMOS. In Proceedings of the IEEE International Solid-State Circuits Conference, San Francisco, CA, USA, 11–15 February 2007; Digest of Technical Papers. pp. 544–621. [Google Scholar] [CrossRef]
- Chao, Y.; Luong, H.C. A 440-μW 60-GHz Injection-Locked Frequency Divider in 65nm CMOS. In Proceedings of the IEEE Radio Frequency Integrated Circuits Symposium, Seattle, WA, USA, 2–4 June 2013; pp. 111–114. [Google Scholar] [CrossRef]
- Lin, Y.; Wang, H. Design and Analysis of W-Band Injection-Locked Frequency Divider Using Split Transformer-Coupled Oscillator Technique. IEEE Trans. Microw. Theory Technol. 2018, 66, 177–186. [Google Scholar] [CrossRef]
- Mahalingam, N.; Ma, K.; Yeo, K.S. A Multi-Mode Multi-Coil Coupled Tuned Inductive Peaking ILFD for Low Injected Power With Compact Size. IEEE Access 2019, 7, 59059–59068. [Google Scholar] [CrossRef]
- Jiang, Q.; Pan, Q. Tuning-Less Injection-Locked Frequency Dividers with Wide Locking Range Utilizing 8th-Order Transformer-Based Resonator. In Proceedings of the IEEE Radio Frequency Integrated Circuits Symposium, Atlanta, GA, USA, 7–9 June 2021; pp. 159–162. [Google Scholar] [CrossRef]
- Zhang, J.; Cheng, Y.; Zhao, C.; Wu, Y.; Kang, K. Analysis and Design of Ultra-Wideband mm-Wave Injection-Locked Frequency Dividers Using Transformer-Based High-Order Resonators. IEEE J. Solid-State Circuits 2018, 53, 2177–2189. [Google Scholar] [CrossRef]
- Lim, S.; Badalawa, W.; Fujishima, M. A 110GHz Inductor-Less CMOS Frequency Divider. In Proceedings of the IEEE Asian Solid-State Circuits Conference, Taipei, Taiwan, 16–18 November 2009; pp. 61–64. [Google Scholar] [CrossRef]
- Baert, M.; Dehaene, W. A PVT-Compensated 0.1–67 GHz Injection-Locked Frequency Divider with Replica-Based Automatic Tuning. In Proceedings of the IEEE Radio Frequency Integrated Circuits Symposium, Virtual, 20–25 June 2021; pp. 75–78. [Google Scholar] [CrossRef]
- Garghetti, A.; Lacaita, A.L.; Seebacher, D.; Bassi, M.; Levantino, S. Analysis and Design of 8-to-101.6-GHz Injection-Locked Frequency Divider by Five With Concurrent Dual-Path Multi-Injection Topology. IEEE J. Solid-State Circuits 2022, 57, 1788–1799. [Google Scholar] [CrossRef]
- Hemel, S.K.; Reaz, M.B.I.; Ullah, H.; Ali, S.H.B.M.; Zaman, K.S.; Bhuiyan, A.S. Design of a Low Noise Power Efficient RO-ILFD for Radar Sensor Applications. In Proceedings of the 9th International Conference on Mechatronics Engineering (ICOM), Kuala Lumpur, Malaysia, 13–14 August 2024; pp. 207–212. [Google Scholar] [CrossRef]
- Li, M.-W.; Kuo, H.-C.; Huang, T.-H.; Chuang, H.-R. 60GHz CMOS Divide-by-5 Injection-Locked Frequency Divider with an Open-Stub-Loaded Floating-Source Injector. In Proceedings of the IEEE Radio Frequency Integrated Circuits Symposium, Baltimore, MD, USA, 5–7 June 2011; pp. 1–4. [Google Scholar] [CrossRef]
- Wen, S.-H.; Huang, J.-W.; Wang, C.-S.; Wang, C.-K. A 60GHz Wide Locking Range CMOS Frequency Divider Using Power-Matching Technique. In Proceedings of the IEEE Asian Solid-State Circuits Conference, Hangzhou, China, 13–15 November 2006; pp. 187–190. [Google Scholar] [CrossRef]
- Wang, H.; Zhang, L.; Yang, D.; Zeng, D.; Wang, Y.; Yu, Z. A 60GHz Wideband Injection-Locked Frequency Divider with Adaptive-Phase-Enhancing Technique. In Proceedings of the IEEE Radio Frequency Integrated Circuits Symposium, Baltimore, MD, USA, 5–7 June 2011; pp. 1–4. [Google Scholar] [CrossRef]
- Lin, B.-Y.; Tsai, K.-H.; Liu, S.-I. A 128.24-to-137.00GHz Injection-Locked Frequency Divider in 65nm CMOS. In Proceedings of the IEEE International Solid-State Circuits Conference—Digest of Technical Papers, San Francisco, CA, USA, 8–12 February 2009; pp. 282–283. [Google Scholar] [CrossRef]
- Imani, A.; Hashemi, H. Distributed Injection-Locked Frequency Dividers. IEEE J. Solid-State Circuits 2017, 52, 2083–2093. [Google Scholar] [CrossRef]
- Nam, H.; Park, J.-D. A W-Band Divide-by-Three Injection-Locked Frequency Divider with Injection Current Boosting Utilizing Inductive Feedback in 65-nm CMOS. IEEE Microw. Wirel. Compon. Lett. 2020, 30, 516–519. [Google Scholar] [CrossRef]
- Jang, S.; Jian, S.; Hsue, C. Wideband Divide-by-4 Injection-Locked Frequency Divider Using Harmonic Mixer. IEEE Microw. Wirel. Compon. Lett. 2017, 27, 924–926. [Google Scholar] [CrossRef]
- Lai, W.; Jang, S.; Chen, F.; Lin, S. Divide-by-4 Injection-Locked Frequency Divider (ILFD) Using Stacked 2:1 ILFDs. In Proceedings of the 12th Global Symposium on Millimeter Waves (GSMM), Sendai, Japan, 22–24 May 2019; pp. 96–98. [Google Scholar] [CrossRef]
- Jang, S.-L.; Shen, K.-C.; Chang, C.-W.; Juang, M.-H. A six-phase divide-by-3 injection locked frequency divider in SiGe BiCMOS technology. Microw. Opt. Technol. Lett. 2009, 51, 1555–1557. [Google Scholar] [CrossRef]
- Jang, S.-L.; Wun, J.-Y.; Liu, C.-C.; Juang, M.-H. A low power LC-tank SiGe BiCMOS injection locked frequency divider. Microw. Opt. Technol. Lett. 2009, 51, 1970–1973. [Google Scholar] [CrossRef]
- Jang, S.-L.; Shih, C.-C.; Chang, C.-W.; Liu, C.-C.; Huang, J.-F. A dual-band divide-by-2 injection locked frequency divider in 0.35-μm SiGe BiCMOS. Microw. Opt. Technol. Lett. 2010, 52, 2762–2765. [Google Scholar] [CrossRef]
- Chang, C.-W.; Jang, S.-L. A differential BiCMOS divide-by-4 injection-locked frequency divider. Microw. Opt. Technol. Lett. 2012, 54, 2825–2828. [Google Scholar] [CrossRef]
- Lin, Y.-S.; Lan, K.-S. Low power W-band divide-by-3 injection-locked frequency dividers with wide locking range in 90 nm CMOS. Analog Integr. Circ. Sig. Process 2019, 99, 177–189. [Google Scholar] [CrossRef]
- Jung, M.; Fuhrmann, J.; Ferizi, A.; Fischer, G.; Weigel, R.; Ussmueller, T. Design of a 12 GHz Low-Power Extended True Single Phase Clock (E-TSPC) Prescaler in 0.13μm CMOS Technology. In Proceedings of the Asia-Pacific Microwave Conference, Melbourne, VIC, Australia, 5–8 December 2011; pp. 1238–1241. [Google Scholar]
- Shin, J.; Shin, H. A Fast and High-Precision VCO Frequency Calibration Technique for Wideband ΔΣ Fractional-N Frequency Synthesizers. IEEE Trans. Circuits Syst. I Reg. Pap. 2010, 57, 1573–1582. [Google Scholar] [CrossRef]
- Wu, Z.; Chen, Z.; Zhou, C.; Wang, R.; Li, B.; Lin, X. A 0.5–14.5GHz Frequency Divider for Wide Band Fractional-N Frequency Synthesizers. In Proceedings of the International Conference on Microwave and Millimeter Wave Technology (ICMMT), Nanjing, China, 23–26 May 2021; pp. 1–3. [Google Scholar] [CrossRef]
- Li, J.; Tian, T. A 4/5 or 8/9 High-Speed Wide Band Programmable Prescaler. In Proceedings of the 3rd Asia-Pacific Conference on Communications Technology and Computer Science (ACCTCS), Shenyang, China, 25–27 February 2023; pp. 88–91. [Google Scholar] [CrossRef]
- Hwang, Y.; Lin, J. Low Voltage and Low Power Divide-By-2/3 Counter Design Using Pass Transistor Logic Circuit Technique. IEEE Trans. VLSI Syst. 2012, 20, 1738–1742. [Google Scholar] [CrossRef]
- Yu, X.P.; Do, M.A.; Lim, W.M.; Yeo, K.S.; Ma, J.-G. Design and Optimization of the Extended True Single-Phase Clock-Based Prescaler. IEEE Trans. Microw. Theory Technol. 2006, 54, 3828–3835. [Google Scholar] [CrossRef]
- Veendrick, H.J.M. Short-circuit dissipation of static CMOS circuitry and its impact on the design of buffer circuits. IEEE J. Solid-State Circuits 1984, 19, 468–473. [Google Scholar] [CrossRef]
- Lawang, I.; Tudsorn, A.; Tooprakai, S. 1V High Speed E-TSPC 2/3 Prescalers. In Proceedings of the 5th International conference on Engineering, Applied Sciences and Technology (ICEAST), Luang Prabang, Laos, 2–5 July 2019; pp. 1–4. [Google Scholar] [CrossRef]
- Bin, M.; Arifin, T.; Mamun, M.; Arif, M.; Bhuiyan, M.; Husain, H. Design of A Low Power and Wide Band True Single-Phase Clock Frequency Divider. Aust. J. Basic Appl. Sci. 2012, 6, 73–79. [Google Scholar]
- Roa, E.; Chen, W.; Jung, B. A 36GHz/mW Single-Phase Prescaler Using Implication Logic in 0.13μm CMOS. In Proceedings of the IEEE Radio Frequency Integrated Circuits Symposium (RFIC), Seattle, WA, USA, 2–4 June 2013; pp. 435–438. [Google Scholar] [CrossRef]
- Probst, F.; Engelmann, A.; Weigel, R. A Synchronized 35 GHz Divide-by-5 TSPC Flip-Flop Clock Divider in 22 nm FDSOI. In Proceedings of the Asia-Pacific Microwave Conference (APMC), Taipei, Taiwan, 5–8 December 2023; pp. 212–214. [Google Scholar] [CrossRef]
- Razavi, B. TSPC Logic [A Circuit for All Seasons]. IEEE Solid-State Circuits Mag. 2016, 8, 10–13. [Google Scholar] [CrossRef]
- Taur, Y.; Ning, T.H. Fundamentals of Modern VLSI Devices, 2nd ed.; Cambridge Univ. Press: New York, NY, USA, 1998; pp. 212–214. ISBN 13: 978-1316649794. [Google Scholar]
- Verma, P.; Sharma, A.K.; Noor, A. A novel approach for noise tolerant energy efficient TSPC dynamic circuit design. Analog Integr. Circ. Sig. Process 2019, 100, 119–131. [Google Scholar] [CrossRef]
- Ye, Y.; Borkar, S.; De, V. A new technique for standby leakage reduction in high-performance circuits. In Proceedings of the Symposium on VLSI Circuits Digest of Technical Papers, Honolulu, HI, USA, 11–13 June 1998; pp. 40–41. [Google Scholar] [CrossRef]
- Roy, K.; Mukhopadhyay, S.; Mahmoodi-Meimand, H. Leakage current mechanisms and leakage reduction techniques in deep-submicrometer CMOS circuits. Proc. IEEE 2003, 91, 305–327. [Google Scholar] [CrossRef]
- Assaderaghi, F.; Sinitsky, D.; Parke, S.; Bokor, J.; Ko, P.K.; Hu, C. A Dynamic Threshold Voltage MOSFET (DTMOS) for Ultra-Low Voltage Operation. In Proceedings of the IEEE International Electron Devices Meeting, San Francisco, CA, USA, 11–14 December 1994; pp. 809–812. [Google Scholar] [CrossRef]
- Kim, C.H.; Roy, K. Dynamic VTH Scaling Scheme for Active Leakage Power Reduction. In Proceedings of the Design, Automation and Test in Europe Conference and Exhibition, Paris, France, 4–8 March 2002; pp. 163–167. [Google Scholar] [CrossRef]
- Karimi, K.; Fardoost, A.; Javanmard, M. Comprehensive Review of FinFET Technology: History, Structure, Challenges, Innovations, and Emerging Sensing Applications. Micromachines 2024, 15, 1187. [Google Scholar] [CrossRef]
- Kossel, M.; Francese, P.A.; Brändli, M.; Ruffino, A.; Morf, T. Design of Synchronous Frequency Dividers in 5-nm FinFET CMOS Technology. Electron. Lett. 2023, 59, e13033. [Google Scholar] [CrossRef]
- Brown, T.W.; Dogiamis, G.C.; Yeh, Y.-S.; Correas-Serrano, D.; Rane, T.S.; Ravikumar, S.; Chou, J.C.; Neeli, V.B.; Koo, J.; Marulanda, M.; et al. A 50-Gb/s 134-GHz 16-QAM 3-m Dielectric Waveguide Transceiver System Implemented in 22-nm FinFET CMOS. IEEE Solid-State Circuits Lett. 2021, 4, 206–209. [Google Scholar] [CrossRef]
- Shin, D.; Kim, H.S.; Liu, C.-C.; Wali, P.; Murthy, S.K.; Fan, Y. A 23.9-to-29.4GHz Digital LC-PLL with a Coupled Frequency Doubler for Wireline Applications in 10nm FinFET. In Proceedings of the IEEE International Solid-State Circuits Conference, San Francisco, CA, USA, 13–22 February 2021; pp. 188–190. [Google Scholar] [CrossRef]
- Srividya, P. FinFET-Based Frequency Divider Design Using True Single Phase Clock Technique. In Proceedings of the International Conference on Recent Innovations in Electrical, Electronics & Communication Engineering, Online, 27–28 July 2018; pp. 2361–2365. [Google Scholar] [CrossRef]
- Lu, P. A 25.6–27.5GHz Phase-Locked Loop for SerDes Transceiver Clocking in 5nm FinFET. In Proceedings of the IEEE Nordic Circuits and Systems Conference, Virtual, 26–27 October 2021; pp. 1–4. [Google Scholar] [CrossRef]
- Wu, W.; Yao, C.-W.; Guo, C.; Chiang, P.-Y.; Chen, L.; Lau, P.-K.; Bai, Z.; Son, S.W.; Cho, T.B. A 14-nm Ultra-Low Jitter Fractional-N PLL Using a DTC Range Reduction Technique and a Reconfigurable Dual-Core VCO. IEEE J. Solid-State Circuits 2021, 56, 3756–3767. [Google Scholar] [CrossRef]
- Xia, J.; Wu, X.-A.; Tian, T. A 4-to-16GHz Dual-Loop PLL Based on Current-Control RO and Calibration in a 6-nm FinFET. In Proceedings of the IEEE International Conference on Communications, Circuits and Systems, Xiamen, China, 10–12 May 2024; pp. 195–199. [Google Scholar] [CrossRef]
- Kim, J.; Kundu, S.; Balankutty, A.; Beach, M.; Kim, B.C.; Kim, S.T.; Liu, Y.; Murthy, S.K.; Wali, P.; Yu, K.; et al. A 224-Gb/s DAC-Based PAM-4 Quarter-Rate Transmitter with 8-Tap FFE in 10-nm FinFET. IEEE J. Solid-State Circuits 2022, 57, 6–20. [Google Scholar] [CrossRef]
- Topol, A.W.; La Tulipe, D.C.; Shi, L.; Frank, D.J.; Bernstein, K.; Steen, S.E.; Kumar, A.; Singco, G.U.; Young, A.M.; Guarini, K.W.; et al. Three-Dimensional Integrated Circuits. IBM J. Res. Dev. 2006, 50, 491–506. [Google Scholar] [CrossRef]
- Kumar, V.; Naeemi, A. An Overview of 3D Integrated Circuits. In Proceedings of the IEEE MTT-S International Conference on Numerical Electromagnetic and Multiphysics Modeling and Optimization for RF, Microwave, and Terahertz Applications (NEMO), Seville, Spain, 17–19 May 2017; pp. 311–313. [Google Scholar] [CrossRef]
- Du, Y.; Xie, J.; Samadi, K. Flip-Flops in a Monolithic Three-Dimensional (3D) Integrated Circuit (IC) (3DIC) and Related Methods. US Patent 9,041,448, 26 May 2015. [Google Scholar]
- Cheng, Y.; Guo, X.; Pavlidis, V.F. Emerging Monolithic 3D Integration: Opportunities and Challenges from the Computer System Perspective. Integration 2022, 85, 97–107. [Google Scholar] [CrossRef]
- Fayazi, M.; Colter, Z.; Afshari, E.; Dreslinski, R. Applications of Artificial Intelligence on the Modeling and Optimization for Analog and Mixed-Signal Circuits: A Review. IEEE Trans. Circuits Syst. I Regul. Pap. 2021, 68, 2418–2431. [Google Scholar] [CrossRef]
- Maji, K.B.; De, B.P.; Kar, R.; Mandal, D.; Ghoshal, S.P. CMOS Analog Amplifier Circuits Design Using Seeker Optimization Algorithm. IETE J. Res. 2019, 68, 1376–1385. [Google Scholar] [CrossRef]
- Reuben, J.; Mohammed, Z.V.; Kittur, H.M. Low Power, High Speed Hybrid Clock Divider Circuit. In Proceedings of the IEEE International Conference on Circuits, Power and Computing Technologies, Nagercoil, India, 20–21 March 2013; pp. 935–941. [Google Scholar] [CrossRef]
- Hou, T.C.; Kamal, N.; Jaafar, K.; Reaz, M.I.; Sampe, J. Design of a Low Power Static Frequency Divider. In Proceedings of the IEEE International Conference on Advances in Electrical, Electronic and Systems Engineering, Putrajaya, Malaysia, 14–16 November 2016; pp. 199–202. [Google Scholar] [CrossRef]
- Peng, Y.; Ruffino, A.; Yang, T.-Y.; Michniewicz, J.; Gonzalez-Zalba, M.F.; Charbon, E. A Cryo-CMOS Wideband Quadrature Receiver with Frequency Synthesizer for Scalable Multiplexed Readout of Silicon Spin Qubits. IEEE J. Solid-State Circuits 2022, 57, 2374–2389. [Google Scholar] [CrossRef]
- Ruffino, A.; Peng, Y.; Sebastiano, F.; Babaie, M.; Charbon, E. A Wideband Low-Power Cryogenic CMOS Circulator for Quantum Applications. IEEE J. Solid-State Circuits 2020, 55, 1224–1238. [Google Scholar] [CrossRef]
- Chakraborty, S.; Tien, K.; Frolov, D.; Frank, D.; Rosno, P.; Yeck, M.; Bulzacchelli, J.; Baks, C.; Richetta, R.; Schmerbeck, T.; et al. A 12.8 mW/Channel Cryogenic RF-AWG in 14nm FinFET for Transmon Qubit Control. In Proceedings of the IEEE European Solid-State Electronics Research Conference, Bruges, Belgium, 9–12 September 2024; pp. 153–156. [Google Scholar] [CrossRef]
- Lim, D.; Kim, J.; Plouchart, J.-O.; Cho, C.; Kim, D.; Trzcinski, R.; Boning, D. Performance Variability of a 90 GHz Static CML Frequency Divider in 65nm SOI CMOS. In Proceedings of the IEEE International Solid-State Circuits Conference, San Francisco, CA, USA, 11–15 February 2007; pp. 542–621. [Google Scholar] [CrossRef]
- Egan, W.F. Modeling Phase Noise in Frequency Dividers. IEEE Trans. Ultrason. Ferroelectr. Freq. Control 1990, 37, 307–315. [Google Scholar] [CrossRef]
- Horst, S.; Phillips, S.; Lavasani, H.; Ayazi, F.; Cressler, J.D. SiGe Digital Frequency Dividers with Reduced Residual Phase Noise. In Proceedings of the IEEE Custom Integrated Circuits Conference, San Jose, CA, USA, 13–16 September 2009; pp. 251–254. [Google Scholar] [CrossRef]
- Krishnapura, N.; Kinget, P.R. A 5.3-GHz Programmable Divider for HiPerLAN in 0.25-µm CMOS. IEEE J. Solid-State Circuits 2000, 35, 1019–1024. [Google Scholar] [CrossRef]
- Levantino, S.; Romano, L.; Pellerano, S.; Samori, C.; Lacaita, A.L. Phase Noise in Digital Frequency Dividers. IEEE J. Solid-State Circuits 2004, 39, 775–784. [Google Scholar] [CrossRef]
- De Muer, B.; Steyaert, M. A Single-Ended 1.5 GHz 8–9 Dual Modulus Prescaler in 0.7-μm CMOS Technology with Low Phase Noise and High Input Sensitivity. In Proceedings of the European Solid-State Circuits Conference, The Hague, The Netherlands, 22–24 September 1998; pp. 256–259. [Google Scholar]
- Ramirez, F.; Ponton, M.; Sancho, S.; Suarez, A. Phase-Noise Analysis of Injection-Locked Oscillators and Analog Frequency Dividers. IEEE Trans. Microw. Theory Technol. 2008, 56, 393–407. [Google Scholar] [CrossRef]
- Loubet, N.; Hook, T.; Montanini, P.; Yeung, C.-W.; Kanakasabapathy, S.; Guillom, M.; Yamashita, T.; Zhang, J.; Miao, X.; Wang, J.; et al. Stacked Nanosheet Gate-All-Around Transistor to Enable Scaling Beyond FinFET. In Proceedings of the 2017 Symposium on VLSI Technology, Kyoto, Japan, 5–8 June 2017; pp. T230–T231. [Google Scholar] [CrossRef]
- Testolina, P.; Polese, M.; Melodia, T. Sharing Spectrum and Services in the 7–24 GHz Upper Midband. IEEE Commun. Mag. 2024, 62, 170–177. [Google Scholar] [CrossRef]
- Liu, Y.; Li, Z.; Gao, H. A 24 GHz PLL with Low Phase Noise for 60 GHz Sliding-IF Transceiver in a 65-nm CMOS. Microelectron. J. 2021, 113, 105106. [Google Scholar] [CrossRef]
- Khatib, C.A.; Aupetit, C.; Chagoya, A.; Chevalier, C.; Sicard, G.; Fesquet, L. Distributed Asynchronous Controllers for Clock Management in Low Power Systems. In Proceedings of the IEEE International Conference on Electronics, Circuits and Systems, Marseille, France, 7–10 December 2014; pp. 379–382. [Google Scholar] [CrossRef]
- Gautam, M.; Nirmal, U.; Jain, R. Low Power Sequential Circuits Using Improved Clocked Adiabatic Logic in 180nm CMOS Processes. In Proceedings of the IEEE International Conference on Research Advances in Integrated Navigation Systems, Bangalore, India, 6–7 May 2016; pp. 1–4. [Google Scholar] [CrossRef]
- Liu, X.; Luong, H.C. Injection-Locking Techniques for CMOS Millimeter-Wave and Terahertz Signal Generation. IEEE Trans. Circuits Syst. II Express Briefs 2022, 69, 3037–3043. [Google Scholar] [CrossRef]
- Thomas, S.; Welp, B.; Pohl, N. Ultra-Wideband Signal Generation at 300 GHz in a SiGe BiCMOS Technology. In Proceedings of the European Microwave Integrated Circuits Conference, Nuremberg, Germany, 9–10 October 2017; pp. 138–141. [Google Scholar] [CrossRef]
- Wittemeier, J.; Vogelsang, F.; Starke, D.; Rücker, H.; Pohl, N. A SiGe-Based 0.48 THz Signal Source with 45 GHz Tuning Range. In Proceedings of the European Microwave Conference, Milan, Italy, 27–29 September 2022; pp. 869–872. [Google Scholar] [CrossRef]

















| CML Paper | Year | Technology | fmin (GHz) | fmax (GHz) | Voltage Supply (V) | Division Factor | Power (mW) | Silicon Area (μm2) |
|---|---|---|---|---|---|---|---|---|
| [23] | 2008 | 65 nm CMOS | 64.7 | 94.4 | 2.4 | 2 | 129.8 | 4000 |
| [24] | 2008 | 65 nm CMOS | 61.5 | 84 | 1.8 | 2 | 17.7 | 6075 |
| [29] | 2010 | 130 nm SiGe BiCMOS | 6 | 87 | 3 | 4 | 14 | 278,400 * |
| [29] | 2010 | 130 nm SiGe BiCMOS | 6 | 105 | 3.6 | 4 | 51 | 278,400 * |
| [29] | 2010 | 130 nm SiGe BiCMOS | 6 | 133 | 5.8 | 4 | 210 | 278,400 * |
| [10] | 2013 | 32 nm CMOS | 14 | 70 | 1 | 4 | 4.8 | 990 |
| [25] | 2014 | 28 nm CMOS | 0 | 26 | 1 | 2 | 0.88 | 250 |
| [40] | 2015 | 28 nm CMOS | 25 | 102 | 0.9 | 4 | 5.64 | 635 |
| [39] | 2017 | 130 nm CMOS | 2 | 13 | 1.5 | 4/5 | 19.5 | 2240 |
| [36] | 2017 | 130 nm SiGe BiCMOS | 2 | 92.5 | 1.5 | 2 | 37 | 24,300 |
| [26] | 2018 | 180 nm CMOS | 1 | 8 | 1.8 | 4 | 12.6 | 610,000 * |
| [38] | 2019 | 22 nm FDSOI CMOS | 21.3 | 30 | 0.86 | 2 | 11 | 800 |
| [31] | 2020 | 55 nm SiGe BiCMOS | 40 | 63 | 3 | 2 | 23.7 | 3900 |
| [37] | 2021 | 28 nm FDSOI CMOS | 0 | 10.5 | 0.8 | 16 | 0.0528 | 83 |
| [37] | 2021 | 28 nm FDSOI CMOS | 0 | 12.2 | 0.8 | 16 | 0.0744 | 166 |
| [30] | 2022 | 130 nm SiGe BiCMOS | 145 | 163 | 3.3 | 16 | 396 | 27,000 |
| [32] | 2023 | 180 nm SiGe BiCMOS | 30 | 100 | 3.3 | 2 | 66 | 8800 |
| [27] | 2023 | 180 nm CMOS | 4.96 | 5.88 | 1.8 | 4 | 4.59 | 19,152 * |
| [33] | 2024 | 45 nm PDSOI BiCMOS | 15 | 185 | 1.6 | 2 | 12 | 240,000 * |
| [28] | 2024 | 110 nm CMOS | 5 | 29 | 1.35 | 2 | 5.47 | 1350 |
| ILFD Paper | Year | Technology | fmin (GHz) | fmax (GHz) | Voltage Supply (V) | Division Factor | Power (mW) | Silicon Area (μm2) |
|---|---|---|---|---|---|---|---|---|
| [62] | 2006 | 130 nm CMOS | 58.4 | 63 | 1.2 | 2 | 8.8 | 127,200 |
| [51] | 2007 | 180 nm CMOS | 37.5 | 49.8 | 1 | 2 | 6 | 428,400 * |
| [57] | 2009 | 65 nm CMOS | 100.8 | 110.4 | 1 | 3 | 4.5 | 92 |
| [47] | 2009 | 130 nm CMOS | 48.7 | 55.8 | 1.1 | 2 | 2 | 317,000 |
| [64] | 2009 | 65 nm CMOS | 128.24 | 137 | 1.1 | 2 | 5.5 | 51,200 |
| [69] | 2009 | 350 nm SiGe BiCMOS | 10.5 | 18.8 | 1.4 | 3 | 8.96 | 651,000 |
| [70] | 2009 | 350 nm SiGe BiCMOS | 4.2 | 6.7 | 1.1 | 2 | 2.6 | 55,000 |
| [70] | 2009 | 350 nm SiGe BiCMOS | 9.06 | 11.96 | 1.1 | 4 | 2.6 | 55,000 |
| [71] | 2010 | 350 nm SiGe BiCMOS | 6.3 | 15.3 | 1.25 | 2 | 3.54 | 519,000 |
| [50] | 2010 | 65 nm CMOS | 48.5 | 62.9 | 1.2 | 2 | 1.65 | 15,700 |
| [61] | 2011 | 90 nm CMOS | 4.1 | 60 | 0.6 | 5 | 3.75 | 503,000 * |
| [63] | 2011 | 90 nm CMOS | 52.7 | 64.8 | 1.2 | 2 | 8.6 | 82,800 |
| [72] | 2012 | 130 nm SiGe BiCMOS | 14.5 | 16.8 | 1.5 | 4 | 1.5 | 147,400 * |
| [52] | 2013 | 65 nm CMOS | 60.9 | 62.6 | 0.85 | 2 | 0.44 | 13,000 |
| [67] | 2017 | 180 nm CMOS | 13 | 19 | 0.8 | 4 | 7.09 | 1,191,500 * |
| [46] | 2017 | 65 nm CMOS | 27.9 | 53.5 | 1 | 2 | 5.8 | 180,000 |
| [48] | 2017 | 90 nm CMOS | 12 | 32 | 0.6 | 2 | 2.4 | 450,000 * |
| [65] | 2017 | 130 nm SiGe BiCMOS | 35 | 59.5 | 1.2 | 2 | 3.8 | 56,700 |
| [53] | 2018 | 90 nm CMOS | 75.1 | 99 | 0.7 | 2 | 2.45 | 26,000 |
| [56] | 2018 | 65 nm CMOS | 27.9 | 53.5 | 1 | 2 | 5.8 | 180,000 |
| [56] | 2018 | 65 nm CMOS | 32.4 | 61.9 | 0.42 | 2 | 1.2 | 70,000 |
| [68] | 2019 | 180 nm CMOS | 11.4 | 17.1 | 1.6 | 4 | 9.93 | 584,800 |
| [54] | 2019 | 65 nm CMOS | 53.2 | 63 | 1.2 | 2 | 3.7 | 28,800 |
| [66] | 2020 | 65 nm CMOS | 73.9 | 82.5 | 1 | 2 | 7.88 | 220,000 |
| [58] | 2021 | 28 nm CMOS | 1 | 55 | 0.95 | 6 | 2.7 | 100 |
| [55] | 2021 | 40 nm CMOS | 28.8 | 91.9 | 0.9 | 2 | 5.8 | 20,000 |
| [59] | 2022 | 28 nm CMOS | 8 | 101.6 | 0.9 | 5 | 5.6 | 1300 |
| [49] | 2022 | 65 nm CMOS | 23.3 | 31.02 | 0.6 | 3 | 5.18 | 490,000 * |
| [60] | 2024 | 90 nm CMOS | 26.2 | 35 | 1.2 | 3 | 0.366 | 18 |
| TSPC Paper | Year | Technology | fmin (GHz) | fmax (GHz) | Voltage Supply (V) | Division Factor | Power (mW) | Silicon Area (μm2) |
|---|---|---|---|---|---|---|---|---|
| [74] | 2011 | 130 nm CMOS | - | 12 | 1.1 | 8 | 0.748 | 1120 |
| [78] | 2012 | 180 nm CMOS | - | 0.531 | 0.6 | 2 | 0.00435 | 72 |
| [78] | 2012 | 180 nm CMOS | - | 0.525 | 0.6 | 3 | 0.00461 | 72 |
| [82] | 2012 | 180 nm CMOS | 4 | 8 | 1.8 | 2 | 0.05 | 329 |
| [82] | 2012 | 180 nm CMOS | 4 | 8 | 1.8 | 3 | 0.68 | 329 |
| [107] | 2013 | 90 nm CMOS | - | 6 | 1.1 | 8 | 0.144 | - |
| [83] | 2013 | 130 nm CMOS | 6 | 17.1 | 1.2 | 2 | 0.471 | 70 |
| [83] | 2013 | 130 nm CMOS | 6 | 17.1 | 1.2 | 3 | 0.444 | 70 |
| [108] | 2016 | 130 nm CMOS | - | 2.5 | 0.6 | 2 | 0.018 | 70 |
| [81] | 2019 | 45 nm CMOS | 3 | 24 | 1 | 2 | 0.056 | - |
| [81] | 2019 | 45 nm CMOS | 3 | 24 | 1 | 3 | 0.074 | - |
| [76] | 2021 | 65 nm CMOS | 0.5 | 14.5 | 1.2 | 8/9 | 0.821 | - |
| [15] | 2022 | 22 nm FDSOI CMOS | 16 | 70 | 0.8 | 4 | 0.35 | 3.4 |
| [77] | 2023 | 130 nm CMOS | 0.5 | 6.8 | 1.2 | 4/5 | 0.96 | 12,410 |
| [77] | 2023 | 130 nm CMOS | 0.5 | 8.5 | 1.2 | 8/9 | 1.16 | 12,410 |
| [84] | 2023 | 22 nm FDSOI CMOS | 6.5 | 35 | 0.875 | 5 | 1.35 | 34 |
| Type | Principles | Advantages | Limitations |
|---|---|---|---|
| CML | Differential amplifiers and latches | High frequency Quadrature generation | High power dissipation |
| ILFD | Nonlinearities and LC tank | Low power dissipation High frequency | Small frequency range Large area (inductors) |
| TSPC | Clocked CMOS logic latches | Low power dissipation Small area | Limited by clock frequency Delay and synchronization |
Disclaimer/Publisher’s Note: The statements, opinions and data contained in all publications are solely those of the individual author(s) and contributor(s) and not of MDPI and/or the editor(s). MDPI and/or the editor(s) disclaim responsibility for any injury to people or property resulting from any ideas, methods, instructions or products referred to in the content. |
© 2025 by the authors. Licensee MDPI, Basel, Switzerland. This article is an open access article distributed under the terms and conditions of the Creative Commons Attribution (CC BY) license (https://creativecommons.org/licenses/by/4.0/).
Share and Cite
Badiali, A.; Borgarino, M. Low-Power Silicon-Based Frequency Dividers: An Overview. Electronics 2025, 14, 652. https://doi.org/10.3390/electronics14040652
Badiali A, Borgarino M. Low-Power Silicon-Based Frequency Dividers: An Overview. Electronics. 2025; 14(4):652. https://doi.org/10.3390/electronics14040652
Chicago/Turabian StyleBadiali, Alessandro, and Mattia Borgarino. 2025. "Low-Power Silicon-Based Frequency Dividers: An Overview" Electronics 14, no. 4: 652. https://doi.org/10.3390/electronics14040652
APA StyleBadiali, A., & Borgarino, M. (2025). Low-Power Silicon-Based Frequency Dividers: An Overview. Electronics, 14(4), 652. https://doi.org/10.3390/electronics14040652

