A Novel Method for Damping State Switching Based on Machine Learning of a Strapdown Inertial Navigation System
Abstract
1. Introduction
2. External Horizontal Damping Network Design
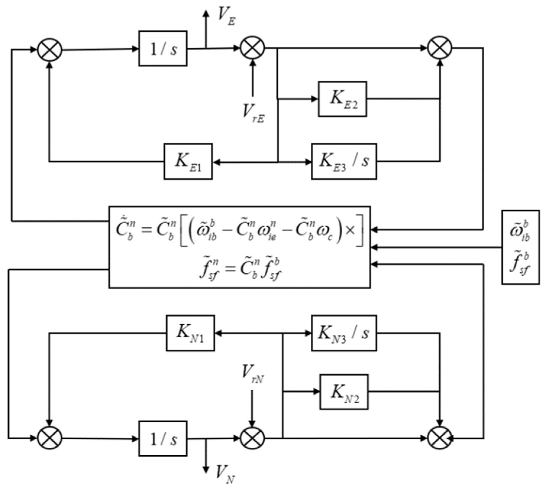
2.1. Principle of External Horizontal Damping Network
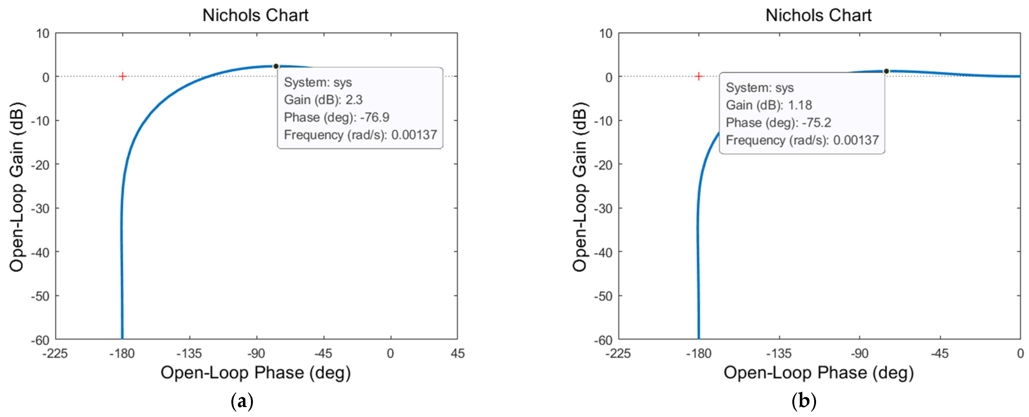
2.2. Adaptive Parameter Design Principle of Damping Network
2.3. Discrete Method of Damping Network
3. Damping State Identification Method Based on Support Vector Machine
3.1. The Effect of Reference Velocity Errors on SINS
3.2. Principle of Damping State Switching Method Based on Support Vector Machine Detection
3.3. Overshoot Error Suppression Principle
4. System Simulation Test
5. Ship Testing and Verification
6. Conclusions
Author Contributions
Funding
Data Availability Statement
Conflicts of Interest
References
- Zhu, J.; Li, A.; Qin, F.; Chen, H.; Wang, J. A novel hybrid method based on deep learning for an integrated navigation system during DVL signal failure. Electronics 2022, 11, 2980. [Google Scholar] [CrossRef]
- Gao, D.; Hu, B.; Chang, L.; Qin, F.; Lyu, X. An Aided Navigation Method Based on Strapdown Gravity Gradiometer. Sensors 2021, 21, 829. [Google Scholar] [CrossRef]
- Mao, N.; Li, J.; He, H.; Xu, J. Attitude Estimation of SINS on Dynamic Base with Decoupling Gravity Vector. IEEE Sens. J. 2021, 21, 20530–20538. [Google Scholar] [CrossRef]
- Lyu, X.; Hu, B.; Li, K.; Chang, L. An Adaptive and Robust UKF Approach Based on Gaussian Process Regression-Aided Variational Bayesia. IEEE Sens. J. 2021, 21, 9500–9514. [Google Scholar] [CrossRef]
- Karmozdi, A.; Hashemi, M.; Salarieh, H.; Alasty, A. Implementation of Translational Motion Dynamics for INS Data Fusion in DVL Outage in Underwater Navigation. IEEE Sens. J. 2021, 21, 6652–6659. [Google Scholar] [CrossRef]
- Kudryashov, A.; Inzartsev, A. A Technique to Navigate Autonomous Underwater Vehicles Using a Virtual Coordinate Reference Network during Inspection of Industrial Subsea Structures. Remote Sens. 2022, 14, 5123. [Google Scholar] [CrossRef]
- Wang, D.; Xu, X.; Yao, Y.; Zhang, T. Virtual DVL Reconstruction Method for an Integrated Navigation System Based on DS-LSSVM Algorithm. IEEE Trans. Instrum. Meas. 2021, 17, 8501913. [Google Scholar] [CrossRef]
- Xu, B.; Wang, L.; Li, S.; Zhang, J. A Novel Calibration Method of SINS/DVL Integration Navigation System based on Quaternion. IEEE Sens. J. 2020, 20, 9567–9580. [Google Scholar] [CrossRef]
- Qin, Y. Inertial Navigation; Beijing Science Press: Beijing, China, 2006. [Google Scholar]
- Liu, F.; Liu, C.; Weng, H.; Hu, X. Level damping algorithm of sins based on kalman filtering. J. Chin. Inert. Technol. 2013, 21, 285–288. [Google Scholar]
- Qin, F.; Li, A.; Xu, J. Improved internal damping method for inertial navigation system. J. China Inert. Technol. 2013, 2, 147–154. [Google Scholar]
- Li, Q.; Ben, Y.; Sun, F. A novel algorithm for marine strapdown gyrocompass based on digital filter. Measurement 2013, 46, 563–571. [Google Scholar] [CrossRef]
- Xu, B.; Wang, G.; Bai, J. Optimal design of damping network based on DVL velocity and IMU. Ocean Eng. 2017, 132, 101–113. [Google Scholar] [CrossRef]
- Kasper, J.F.; Nash, R.A. Doppler Radar Error Equations for Damped Inertial Navigation System Analysis. IEEE Trans. Aerosp. Electron. Syst. 1975, 11, 600–607. [Google Scholar] [CrossRef]
- Sun, J.; Xu, X.; Liu, Y.; Zhang, T.; Tong, J. An adaptive damping network designed for strapdown fiber optic gyrocompass system for ships. Sensors 2017, 17, 494. [Google Scholar] [CrossRef]
- Zhao, L.; Li, J.; Cheng, J.; Hao, Y. Damping strapdown inertial navigation system based on a kalman filter. Meas. Sci. Technol. 2016, 27, 115102. [Google Scholar] [CrossRef]
- Huang, W.; Fang, T.; Luo, L.; Zhao, L.; Che, F. A damping grid strapdown inertial navigation system based on a kalman filter for ships in polar regions. Sensors 2017, 17, 1551. [Google Scholar] [CrossRef]
- Qian, N.; Chang, G.; Guo, J.; Shen, W.; Yan, Z. Adaptive DDK Filter for GRACE Time-Variable Gravity Field with a Novel Anisotropic Filtering Strength Metric. Remote Sens. 2022, 14, 3114. [Google Scholar] [CrossRef]
- Zha, F.; Qin, F.; Li, F.; Ye, B. Fast external damping algorithm of inertial guidance system under external velocity reference condition. J. Wuhan Univ. 2019, 44, 398–404. [Google Scholar]
- Qin, F.; He, H.; Xu, J. Phase modulation-based sins damping method for autonomous vehicles. IEEE Sens. J. 2018, 18, 2483–2493. [Google Scholar]
- Qin, F.; Li, A.; Xu, J.; Zha, F. Horizontal inner damping method with continuously adjustable parameter for inertial navigation system. J. Chin. Inert. Technol. 2011, 19, 290–292+301. [Google Scholar]
- Yu, P.; Yang, G. An adaptive level damped algorithm based on PINS for ship. Adv. Mater. Res. 2013, 760, 2162–2166. [Google Scholar] [CrossRef]
- He, J.; Sun, C.; Zhang, B.; Wang, P. Variational Bayesian-based maximum correntropy cubature Kalman filter with both adaptivity and robustness. IEEE Sens. J. 2020, 21, 1982–1992. [Google Scholar] [CrossRef]
- Li, Q.; Ben, Y.; Sun, F. Strapdown fiber optic gyrocompass using adaptive network-based fuzzy inference system. Opt. Eng. 2014, 53, 014103. [Google Scholar] [CrossRef]
- Deng, Z.; Sun, J.; Ding, F.; Ismail, M.W.M. A novel damping method for strapdown inertial navigation system. IEEE Access 2019, 7, 49549–49557. [Google Scholar] [CrossRef]
- Liu, C.; Wu, Q.; Hu, P.; Zhang, R. Design of variable damping INS for ships based on the variation of reference velocity error. J. Sens. 2021, 2021, 6628073:1–6628073:15. [Google Scholar] [CrossRef]
- Qin, F.; Chen, Y.; Zha, F.; Chang, L. Marine Inertial Navigation Principle; National Defence Industry Press: Beijing, China, 2018. [Google Scholar]
- Jiang, L.; Yu, Y.; Chen, Y. An adaptive-damping network designed for inertial navigation system of ships. Electron. Opt. Control 2014, 21, 52–57. [Google Scholar]
- Zhu, J.; Li, A.; Qin, F.; Chang, L. A New Robust Adaptive Filter Aided by Machine Learning Method for SINS/DVL Integrated Navigation System. Sensors 2022, 22, 3792. [Google Scholar] [CrossRef]
- Xu, J.; Zeng, W.; Lan, Y.; Guo, J.; Cheng, X. Modeling the parameter interactions in ranking svm with low-rank approximation. IEEE Trans. Knowl. Data Eng. 2019, 31, 1181–1193. [Google Scholar] [CrossRef]
- Wang, B.; Huang, L.; Liu, J.; Deng, Z.; Fu, M. A support vector regression-based integrated navigation method for underwater vehicles. IEEE Sens. J. 2020, 20, 8875–8883. [Google Scholar] [CrossRef]
- Xu, J.; He, H.; Qin, F.; Chang, L. A novel autonomous initial alignment method for strapdown inertial navigation system. IEEE Trans. Instrum. Meas. 2017, 66, 2274–2282. [Google Scholar] [CrossRef]

















| Performance | Gyroscope | Accelerometer |
|---|---|---|
| Measuring Range | ±200 deg/s | ±15 g |
| Update Rate | 200 Hz | 200 Hz |
| Constant Drift | <0.02 deg/h | <50 μg |
| Performance | DVL |
|---|---|
| Accuracy level | 0.5 %V ± 0.5 cm/s |
| Speed range (backward movement is −) | −10 knot~20 knot |
| Update rate | 1 Hz |
| Operating rate | 300 Hz |
| Bottom tracking depth | 300 m |
Disclaimer/Publisher’s Note: The statements, opinions and data contained in all publications are solely those of the individual author(s) and contributor(s) and not of MDPI and/or the editor(s). MDPI and/or the editor(s) disclaim responsibility for any injury to people or property resulting from any ideas, methods, instructions or products referred to in the content. |
© 2024 by the authors. Licensee MDPI, Basel, Switzerland. This article is an open access article distributed under the terms and conditions of the Creative Commons Attribution (CC BY) license (https://creativecommons.org/licenses/by/4.0/).
Share and Cite
Lyu, X.; Zhu, J.; Wang, J.; Dong, R.; Qian, S.; Hu, B. A Novel Method for Damping State Switching Based on Machine Learning of a Strapdown Inertial Navigation System. Electronics 2024, 13, 3439. https://doi.org/10.3390/electronics13173439
Lyu X, Zhu J, Wang J, Dong R, Qian S, Hu B. A Novel Method for Damping State Switching Based on Machine Learning of a Strapdown Inertial Navigation System. Electronics. 2024; 13(17):3439. https://doi.org/10.3390/electronics13173439
Chicago/Turabian StyleLyu, Xu, Jiupeng Zhu, Jungang Wang, Ruiqi Dong, Shiyi Qian, and Baiqing Hu. 2024. "A Novel Method for Damping State Switching Based on Machine Learning of a Strapdown Inertial Navigation System" Electronics 13, no. 17: 3439. https://doi.org/10.3390/electronics13173439
APA StyleLyu, X., Zhu, J., Wang, J., Dong, R., Qian, S., & Hu, B. (2024). A Novel Method for Damping State Switching Based on Machine Learning of a Strapdown Inertial Navigation System. Electronics, 13(17), 3439. https://doi.org/10.3390/electronics13173439

